Menu Home

Бесплатная техническая библиотека для любителей и профессионалов Бесплатная техническая библиотека


Звуковой усилитель для меломанов и аудиофилов от Ульянова, Или как сделать транзисторный усилитель звучнее лампового. Энциклопедия радиоэлектроники и электротехники

Бесплатная техническая библиотека

Энциклопедия радиоэлектроники и электротехники / Усилители мощности транзисторные

Комментарии к статье Комментарии к статье

Звуковой усилитель для меломанов и аудиофилов от Ульянова, Или как сделать транзисторный усилитель звучнее лампового
Рис. 1. Прототип

Звуковой усилитель для меломанов и аудиофилов от Ульянова, Или как сделать транзисторный усилитель звучнее лампового
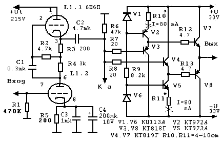
Рис. 2. Схема усилителя (нажмите для увеличения)

Звуковой усилитель для меломанов и аудиофилов от Ульянова, Или как сделать транзисторный усилитель звучнее лампового
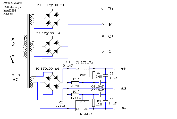
Рис. 3. Схема блока питания (нажмите для увеличения)

Звуковой усилитель для меломанов и аудиофилов от Ульянова, Или как сделать транзисторный усилитель звучнее лампового
Рис. 4. Схема задержки включения АС

Звуковой усилитель для меломанов и аудиофилов от Ульянова, Или как сделать транзисторный усилитель звучнее лампового
Рис. 5. Держатель

Почему я занимаюсь транзисторами? Вот же стоит на нижней полке стойки ламповый усилитель на Танго с Тамурами! Это вопрос. В школьные годы, на заре моего радиолюбительства в городе, в котором я тогда жил, из радиодеталей были доступны лишь лампы. Транзисторы тогда только-только начинали входить в радиолюбительский обиход как модные штучки. Даже журнал "Радио" в те времена как что-то особенное преподносил транзисторную электронику. Так же и я, собирая очередную ламповую конструкцию из деталей, выкорчеванных из старых радиоприемников, мечтал когда-нибудь собрать себе транзисторный усилитель с сумасшедшей по тем временам мощностью и полосой воспроизводимых частот. И хотя с той поры прошло уже неисчислимое для меня количество лет и за эти годы мною с какой только мощностью были собраны усилители, видимо именно это, тогда заложенное стремление, до сих пор не оставляет мою радиолюбительскую душу в покое так завораживающе светящихся ламп. Но хватит ностальгии, перейдем к сути этого повествования.

Фишка этого усилителя, в отличие от всех известных на сегодня транзисторных звуковых схем, заключается в вовсе не абстракционистки нарисованных транзисторных каскадах. Фишка заключается в том, что в этом усилителе нет обычного для транзисторной и лампово-транзисторной схемотехники звуковых усилителей Активного Усилителя Напряжения. Функцию усиления напряжения в этом усилителе выполняет пассивный компонент - специально изготовленный повышающий трансформатор. Вы скажете - посмотри схемы первых транзисторных усилителей - там применялся даже не один трансформатор. Правильно, но в тех первых усилителях трансформаторы лишь согласовывали импеданс усилительных каскадов между собой и нагрузкой. И звучали эти первые усилители с согласующими трансформаторами, если не помните, как бы полегче выразиться... Хотя я остался благодарен этим первым транзисторным усилителям, потому как они поселили во мне сомнения в не перспективности ламп для звука. Да и как было не засомневаться при прямом, совершенно не специально организованном сравнении - в те времена меломаны слушали музыку на ламповых усилителях.

Не совсем кстати, но в общем по теме звучания - позже нас еще раз точно как же, как тогда с транзисторами, развели и с цифровыми источниками - прогресс, куда б его:.

Но вернемся к фишкам. Итак, главная фишка, это специальный повышающий трансформатор. Чтобы не испугать этим словом в самом начале повествования, оговорюсь, что это специально изготовленный трансформатор для транзисторного усилителя. Не для лампового. Поэтому не сделать его может лишь ленивый, было бы мало-мальски прилично звучащая электротехническая сталь с сечением больше пяти-шести кв. сантиметров. В нашем отечестве такая была в старые времена, не сомневайтесь. Но об этом в отдельном вложенном материале по расчету такого трансформатора, в котором, если достанет времени, также выложу программу расчета этого трансформатора на любом прилично звучащем материале и типе сердечника. Это что касается самоделкиных. Остальным, которых ломает мотать любые трансы, можно использовать готовые, например обозначенные на схеме усилителя. Современные наши трансы от всяческих лабсов, как и от оставшихся живых трансформаторных производств, занимающихся звуковыми трансформаторами, я крайне не рекомендую. Поскольку знаю ситуацию с нашими современными материалами и, главное, с мозгами, задействованными на этом поприще - по последнему утверждению - рынок нашей звуковой аппаратуры у нас почти нулевой. У заграничных же производителей можно найти если не почти подходящие под этот усилитель трансформаторы (посмотрите на принципиальной схеме), то заказать с нужными характеристиками. Они, эти производители, насколько знаю, будут этому даже рады.

Итак, характеристики повышающего трансформатора:

  • входное эффективное напряжение до 2 Вольт;
  • приведенное к первичной обмотке сопротивление - приблизительно 40 Ом;
  • коэффициент трансформации 1: 5:.10, в зависимости от желаемой выходной мощности, от которой, кстати, в этом усилителе зависит буквально все в выходном транзисторном каскаде;
  • резистивное сопротивление вторичной обмотки не более 200 Ом.

На пробу, правда с не очень предсказуемым звуковым результатом, можно использовать трансформатор от лампового наушникового усилителя, поставленный вторичной обмоткой вперед, как повышающий. При этом стоит, внимая АЧХ усилителя, поиграться шунтирующим повышающую обмотку резистором. Значение которого не может быть ниже 5 кОм, если говорить навскидку, не считая. А при расчете нужно отталкиваться от сопротивления, приведенного к первичной обмотке трансформатора - оно должно быть около 40 Ом.

Перейдем к устройству транзисторных схем усиления тока. За свою радиолюбительскую жизнь я перепробовал всевозможную, какая была только известна, транзисторную схемотехнику построения каскадов усиления тока. И только два типа из всего многообразия схем усиления тока показались мне музыкальными. Одна их них - та, которая применена в схеме этого усилителя. Это элементарная классическая схема с пониженной (!) стабильностью тока покоя выходного каскада, пониженной посредством принципиальной неорганизации обратной связи на выходных транзисторах. Описание работы подобной схемы вы можете найти в любом учебнике по транзисторной схемотехнике.

Термостабилизация тока покоя выходных транзисторов подобной схемы выполнена прямолинейно незатейливо и вследствие этого мало эффективно - тепловой связью между выходным транзистором и транзистором, стоящим на раскачке выходного (в дальнейшем - раскачивающий транзистор, драйверный, etc). Вследствие такого упрощенного механизма термостабилизации, выходной каскад усилителя на подобной схемотехнике требует тщательного расчета тепловых режимов транзисторов и несколько более серьезного подхода к конструкции теплоотводов. Именно поэтому, я указываю для данного типа выходных транзисторов конкретные значения напряжения питания выходного каскада усиления тока этого усилителя от разного импеданса подключаемых громкоговорителей. Относительно этого усилителя, сразу замечу, что первый его каскад усиления тока на транзисторах Q1:Q4 так же требует термостабилизации тока покоя выходных транзисторов каскада посредством тепловой связи между ними - размещения соответственных пар транзисторов на одном радиаторе с рассеиваемой тепловой мощностью около двух ватт.

Практически эта термостабилизация может быть выполнена размещением необходимых транзисторов с обеих сторон посадочной площадки каждого теплоотвода навстречу друг другу, т.е. посадкой транзисторов крепежными отверстиями на один стягивающий винт с разных сторон теплоотвода. Также возможна более эффективная стабилизация тока покоя выходных транзисторов. Т.е. организация более тесной тепловой связи между транзисторами. Именно такое конструктивное решение я применяю в выходном каскаде усиления тока этого усилителя - соответственные пары транзисторов размещаются вплотную друг к другу на пластине из материала с высокой теплопроводностью, например меди, которая сама уже крепится на основном теплоотводе из алюминия. Таким образом, мы значительно увеличиваем эффективность механизма стабилизации тока покоя выходных транзисторов, при этом температура кристаллов транзисторов снижается примерно на пятнадцать-двадцать градусов Цельсия относительно традиционного способа размещения транзисторов на теплоотводе и далека от критической для полупроводников.

Медная пластина со стороны основного теплоотвода должна быть облужена оловом. Для облегчения жизни, с целью исключения электрической развязки транзисторов, размещенных на одном теплоотводе, термостабилизация тока покоя выходных транзисторов также возможна посредством тепловой связи раскачивающего и выходного транзистора противоположных плеч схемы. Но температура кристаллов, при которой произойдет стабилизация тока покоя выходных транзисторов в этом случае, будет выше, чем у применяемого мною способа. И при неправильном тепловом расчете режима работы транзисторов, эта температура может приблизиться к критической для кристаллов транзисторов.

Теперь об амплитудной линейности используемой в этом усилителе схемотехники построения усилителей тока - обычно она осуществляется исполнением нагрузки раскачивающих транзисторов в виде источников тока, см. рис. 1. Но, вместо слов, скорее будет уместна и показательна схема операционного усилителя AD797, с таким же выходным каскадом, и обладающего наверное лучшей линейностью среди операционников. Именно в таком, классическом исполнении, я применял подобную схемотехнику выходного каскада в своих усилителях уже больше двадцати лет назад. Несколько лет назад, спорил по этому вопросу с товарищем, который убедил меня попробовать вариант со стабилизацией тока раскачивающего транзистора посредством вольтодобавки, подобно известной схеме 87 года из журнала "Радио" или описанной в моей любимой книге Титце и Шенка 83 года выпуска по транзисторной схемотехнике.

Но я пошел на этот шаг, принимая во внимание совсем другое, а именно прекрасно звучащий усилитель Квод 405, в тоже котором использовано подобное решение. И также понимая, что конденсаторы для этих целей должны иметь высокое звуковое качество, т.е. нерезонансный, линейный импеданс в широкой полосе частот. Как смог добыть подобные конденсаторы, сравнил звучание каскада с источником тока - и в очередной раз подтвердил правильность своего же подхода в конструировании транзисторных усилителей - чем меньше полупроводников стоит на пути звука, тем музыкальнее звучит усилитель. Но, по определенным причинам, активно скрывал факт превосходства варианта схемы с вольтодобавкой до настоящего момента. Скажу больше, в результате этого действия получил те результаты, которые и ожидал.

Теперь перейдем к расчету резисторов нагрузки раскачивающих транзисторов, которые определяют ток и раскачивающих транзисторов, и выходных транзисторов. В покое к этим резисторам приложено напряжение база-коллектор выходного транзистора каскада. С достаточной для этого расчета точностью, можно принять это напряжение равным напряжению питания плеча каскада минус напряжение, падающее на базе-эмиттере выходного транзистора, которое приблизительно равно 0.5:0.7 Вольта. Далее нужно определиться, какой ток должен течь через выходные транзисторы. В этом вопросе я не садомозахист и мне важна не какая либо электротехническая идея в виде приверженности к общепринятому как "звучащему" классу работы схемы, а только достаточность в передаче музыкальности.

Долгими экспериментами на используемых теплоотводах, я остановился на токе покоя в 80:150 мА, в зависимости от типа используемых транзисторов. Транзисторы разных производителей и моделей, также как и лампы, звучат по-разному, в том числе имеют для каждой модели транзистора определенное "звучащее" значение тока покоя для конкретной схемотехники усилительного каскада и теплоотвода с конкретным значением теплового сопротивления. Относительно указанных на схеме транзисторов и используемых мною теплоотводов, значение тока покоя транзисторов выходного каскада составило 130 мА. Такой же ток должен протекать и через рассчитываемые сопротивления. Иначе, применив закон Ома, получаем номинал резистора, нагружающего раскачивающий транзистор.

На расчете деталей цепи вольтодобавки останавливаться не буду, вследствие элементарности подобной задачи, скажу только, что обозначенного на схеме усилителя номинала конденсатора достаточно для эффективной работы цепи вольтодабавки в необходимой полосе частот с указанными мною значениями токов покоя выходных транзисторов. Применять конденсатор с б0льшим номиналом я так же не рекомендую, исходя из элементарных соображений работы конденсаторов на переменном току. Далее, что бы в очередной раз не усложнять жизнь, принимаем значение каждого резистора цепи вольтодобавки равным половине значения сопротивления нагрузки раскачивающего транзистора. Следующий вопрос - о величине напряжения питания выходного каскада усиления тока этого усилителя. Этот вопрос для данной схемотехники выходного каскада усилителя суть самый важный. От него зависит и устойчивость работы каскада и его звучание. Что бы не углубляться в эти труднопроходимые дебри, остановлюсь на том, что эмпирически, на транзисторах с рассеиваемой мощностью около 100 Вт, получилась следующая зависимость для выходного каскада этого усилителя:

Сопротивление нагрузки, Ом Напряжение питания каждого плеча, Вольт Максимальное входное эффективное напряжение, Вольт
4 27 15
8 31 20

Исходя из этих значений, получаем величины каждого из четырех резисторов цепей вольтодобавки для нагрузки в 4 Ома равными 100 Ом. Для второй нагрузки предоставляю возможность потренироваться в расчетах резисторов самостоятельно.

После этого, по известным формулам нужно рассчитать значение мощности этих резисторов. На этом все, расчет усилителя закончен.

Приступаем к самому важному - конструктиву. Перед этим очередное небольшое отступление. Я считаю, что конструктив в транзисторной звуковой технике оказывает влияние на звучание усилителя в много большей степени, чем в ламповой. Говоря сейчас о звучании, я конечно же имею ввиду тонкие моменты звучания, доступные аудиофилам и продвинутым меломанам, которые также слышат эти моменты, но относятся к ним философски.

Итак, конструктивное исполнение этого усилителя. Во-первых, никаких печатных плат. Только навесной монтаж, точки пайки организованы либо на выводах транзисторов, либо на монтажных лепестках, расклепанных на отдельных платах из электроизоляционного материала. Еще раз повторяю - соблюдайте точки пайки и ввода-вывода проводников, которые указаны на принципиальной схеме усилителя, это определяет звучание усилителя в большой степени при использовании звучащих компонентов. Иначе, вы не окупите некоторую часть денег, потраченных на покупку качественных радиодеталей. Качественные проводники также входят в понятие звучащие компоненты для этого усилителя. Можно использовать монтажные провода Кардас, можно и наши старые провода из мягкой темно-красной необлуженной меди без изоляции. Изоляцию организуете потом, после распайки, например электротехнической бумагой, и там, где это будет разумно необходимо.

Второе, каждый канал усилителя собран отдельной конструкцией, в том числе развязанной по питанию, включая силовой трансформатор. Причем конструктивно каскады усиления тока также не объединены. Первый каскад собран на отдельной монтажной плате, выходной каскад выполнен отдельной объемной конструкцией, основная несущая корпусная деталь которой изображена на рис. 5. Эта деталь большей площадью через виброразвязку закреплена на собственном шасси усилителя. Отверстия этой корпусной детали предназначены для размещения конденсаторов С5 и С6. Сверху на эту деталь, с воздушным промежутком 1 см, крепятся теплоотводы выходных транзисторов, площадками крепления транзисторов навстречу друг другу. Теплоотводы выходных транзисторов были рассчитаны специально под этот усилитель и представляют собой воздушные нечерненые радиаторы эффективной площадью 490 см^2 из алюминия, с односторонним расположением восьми ребер толщиной 4 мм и длиной 45 мм. Площадка крепления транзисторов имеет ширину 80мм, высоту 50 мм и толщину 10мм. Все оставшиеся компоненты выходного каскада располагаются между этими радиаторами и, как я уже оговаривал, распаиваются непосредственно на выводах транзисторов и монтажной планке с лепестками, которая закреплена посередине между радиаторами на основной корпусной детали выходного каскада.

Теперь внимание! Остановлюсь более подробно на конденсаторах С5 и С6. Для их размещения предназначены отверстия в корпусной детали выходного каскада, см. рис. 5. Рассказываю каким образом это должно происходить. Берем тонкую (0.05 мм) медную фольгу и с натягом оборачиваем конденсаторы несколько раз. Сверху меди кладем пару слоев тонкой стеклоткани также в натяг. Уже на нее наматываем рассчитанное на мощность 10 Вт и напряжение 15..30 Вольт количество проволоки из любого материала с высоким удельным сопротивлением и организуем выводы получившегося нагревательного элемента. Сверху опять кладем в натяг пару слоев тонкой стеклоткани и один слой тонкой медной фольги также в натяг. Слои медной фольги электрически соединяем с корпусом усилителя. Эту конструкцию необходимо выполнить очень тщательно, и чтобы она не имела собственных резонансов, ее нужно пропитать любой вязкой, не засыхающей кремнийорганической жидкостью. После чего эту сборку вставляем в отверстие корпусной детали и оставшееся пространство заполняем силиконовым герметиком. Я не конкретизирую точное исполнение нагревателя, потому как если вы не можете его самостоятельно рассчитать и организовать его работу, то вообще не советую браться за изготовление этого усилителя. Температура на поверхности конденсаторов С5 и С6, которую должен обеспечить этот нагреватель, составляет 50-60 градусов Цельсия для марки ELNA CERAFINE первого производства. Для конденсаторов иных марок следует подобрать эту температуру на слух. Объяснение подобному подходу в конструировании транзисторных усилителей я, возможно, дам в описании моего нового звукового транзисторного усилителя, который вовсе изобилует подобным эзотериком. Если наступит его время. Но к нагревателю. Если не использовать автоматику слежения за температурой, лучше будет запитать нагреватель переменным током, взяв его с силового трансформатора канала. Если будет автоматика - то от отдельного силового трансформатора, на который в этом случае можно повесить питание схемы задержки включения громкоговорителей.

Теперь коротко о схеме задержки - обычное электронное реле времени, задержка обусловлена постоянной времени цепи питания конденсатора, стоящего в базе составного транзистора. Важный вопрос по реле - его контакты влияют на звучание усилителя. Я имею небольшой опыт в этом вопросе, так как уже давно остановился на реле марки ТКЕ52ПДУ. Это реле используется в устройствах автоматики в атомной промышленности. На схеме задержки я указал хорошо зарекомендовавшее себя реле фирмы Фьюжитсу, вероятно его будет легче найти.

Ну и последнее. Что выглядит как фуз, но обозначено аббревиатурой GA. Это второй эзотерик в этом усилителе. Означает - анизотропный гармонизатор тока. В моем новом усилителе, о котором я уже упоминал, полный эзотерик - вращающиеся трансформаторы, источники когерентного тока, и т.д. В этом я остановился на цифре три. Итак, каким образом исполнен этот гармонизатор? Два медных прилива жестко закреплены на расстоянии 8 мм, между ними впаян проводник диаметром 0.1 мм. Я использую родиевую проволоку, выдержанную в потоке нейтронов интенсивностью 10^22. В самом простом случае проводник может быть медным, но что бы он имел нужные для гармонизатора свойства, он должен быть естественно сформированным, т.е. выдержан более 40:50 лет. Такой проводник, например можно взять от ВЧ катушек старых радиоприемников. Физика этого процесса достаточно сложна для элементарного изложения, возможно ассоциативно-похожая модель может быть представлена в виде некого сопла, ламиниризируещего поток.

Каково звуковое качество этого усилителя? Звук очень чистый, по ламповому наполненный и живой, при очень быстрый. Тонкие же моменты словами не имею привычку описывать. Лучше расскажу об этапах пути. Первым вариантом этой линии усилителей был дискретный усилитель с дифкаскадом на входе и драйвером на транзисторе в ОЭ, нагруженный на источник тока - выходной каскад был уже таким, как изображен на рис. 1. ООС в том усилителе присутствовала, в начале восьмидесятых только разгоралась борьба с измеряемыми искажениями. После этого усилителя мне попалась только изданная книга Титце и Шенка, и я поставил операционный усилитель на раскачку этого выходного каскада, ввел антипаразитные резисторы во все базы. Но обратную связь, то ли по ошибке, то ли по провидению, ввел с выхода операционного усилителя. В ответ на это услышал такого наполнения звук, что стал разбираться, что же я такого сделал. А когда разобрался, стал экспериментировать с раскачкой выходного каскада. Схема на рис. 1 как раз из этой серии, ближе к середине 90-тых годов и это видно по картинке, которая того же возраста. Об этой схеме я рассказывал в девяностых годах в ФИДО конференции. Последняя схема с использованием ламп в этой линейке усилителей, была конструкцией с УН на 6Э5П с трансформатором 5К : 150 Ом и дальше такой же УТ, как на рис. 1. Про этот, последний вариант гибридника, я рассказывал в одном из местных интернетовских аудиофорумов около двух лет назад. Ну а далее был усилитель, которому посвящено это повествование.

Про этот усилитель все. Хотел еще рассказать об отличии звуковиков от инженеров- электронщиков, которые занимаются конструированием звуковых схем, но раздумал. Хотя одно свое наблюдение - сколько встречал таких инженеров, ни музыкального слуха, ни глубоких музыкальных предпочтений у них не отметил. Вот тогда то я понял, почему они так любят оценивать качество звучания звуковой техники всевозможными типами искажений, и почему для них так важно измерить эти искажения именно измерительным прибором. А то, что высокое звуковое качество усилителей чрезвычайно слабо увязывается с любыми искажениями, этих инженеров мало заботит. Но я не электронщик, и мне, как физику, прежде всего важна истина. Да, это все также относится к качеству звучания этого усилителя.

Но так почему я занимаюсь транзисторами? Конечно, легче всего свалить на Фрейда. Но нет, ответ этому иной - потому что в лампах уже давно прозрачно ясно. А где же потренировать мозги, как не на транзисторном звуке? С цифровой техникой я тоже вроде бы разобрался, а в винильные дела ой как не хочу залезать - меня почти устраивает звучание советских пластинок с классикой на Майкро с Регой 300. Хотя недостатков у них:.

Поэтому зарекаться ни в чем не стану.

Автор: Vladimir Ul'yanov (Владимир Ульянов); Публикация: cxem.net

Смотрите другие статьи раздела Усилители мощности транзисторные.

Читайте и пишите полезные комментарии к этой статье.

<< Назад

Последние новости науки и техники, новинки электроники:

Хорошо управляемые луга могут компенсировать выбросы от скота 15.02.2026

Животноводство, особенно разведение крупного рогатого скота, часто обвиняют в значительном вкладе в глобальное потепление из-за мощного парникового газа - метана, который выделяется при пищеварении у жвачных животных. Это вызывает острые политические споры и призывы к сокращению потребления мяса. Однако ученые напоминают, что полная картина климатического воздействия отрасли не ограничивается только выбросами от животных: огромную роль играет окружающая экосистема - пастбища, почва и растительность, которые способны активно поглощать углекислый газ из атмосферы. Исследователи из Университета Небраски-Линкольна решили глубже изучить этот баланс. Группа под руководством профессора Галена Эриксона сосредоточилась на том, как правильно организованные пастбища накапливают углерод в растениях и грунте благодаря естественным процессам, стимулируемым выпасом скота. Ученые подчеркивают, что при достаточном уровне осадков и грамотном управлении такие луга превращаются в мощные природные погло ...>>

NASA тестирует инновационную технологию крыла 15.02.2026

Коммерческая авиация ежегодно расходует колоссальные объемы керосина, что сказывается не только на бюджете авиакомпаний, но и на состоянии окружающей среды. В 2024 году глобальные затраты на авиационное топливо достигли 291 миллиарда долларов, и эта сумма продолжает расти. Чтобы справиться с этими вызовами, NASA активно работает над технологиями, способными заметно повысить аэродинамическую эффективность самолетов. Одним из самых перспективных направлений стало создание специальной конструкции крыла, которая максимизирует естественный ламинарный поток воздуха и минимизирует сопротивление. В январе 2026 года специалисты NASA Armstrong Flight Research Center успешно провели важный этап наземных испытаний концепции Crossflow Attenuated Natural Laminar Flow (CATNLF). Для эксперимента под фюзеляж исследовательского самолета F-15B закрепили вертикально ориентированную масштабную модель высотой около 0,9 м (3 фута), напоминающую узкий киль. Такая компоновка позволила подвергнуть прототип р ...>>

Забота о внуках очень полезна для здоровья мозга 14.02.2026

Общение между поколениями приносит радость всей семье, но мало кто задумывается, насколько активно бабушки и дедушки, заботящиеся о внуках, поддерживают свою умственную форму. Регулярное взаимодействие с детьми стимулирует мозг пожилых людей, помогая сохранять память, скорость мышления и общую когнитивную активность. Новые научные данные подтверждают, что такая добровольная помощь не только важна для общества, но и может замедлять возрастные изменения в мозге. Исследователи из Тилбургского университета в Нидерландах провели анализ, чтобы понять, приносит ли уход за внуками реальную пользу здоровью пожилых людей. Ведущий автор работы Флавия Черечес отметила, что многие бабушки и дедушки регулярно присматривают за детьми, и оставался открытым вопрос, насколько это положительно сказывается на их собственном благополучии, особенно в плане когнитивных функций. Ученые поставили цель выяснить, способен ли регулярный уход за внуками замедлить снижение памяти и других умственных способ ...>>

Случайная новость из Архива

Интернет для стиральной машины 30.11.2000

Южнокорейская фирма "LG Electronics" успешно подключила стиральную машину к Интернет - создана первая стиральная машина, которая может обновлять программы стирки через сайт, создаваемый владельцем машины.

В отличие от подключенного к Интернет холодильника, который компания создала несколько месяцев назад, стиральная машина не имеет встроенного модема, а подключается через обычный персональный компьютер. На создание новой модели стиральной машины фирма затратила $3,5 млн. и три года работы.

Следующей разработкой компании станет Интернет-микроволновка, скачивающая кулинарные рецепты из Сети. Ее представят публике в следующем году. В глобальных планах компании - создание домашней сети, связывающей все электронные бытовые приборы и позволяющей хозяину дома управлять ими через Интернет. В США представили уникальное изобретение - мобильный телефон одноразового использования. Уже изготовлен опытный образец такого телефона размером всего 5x7x0,5 см.

Первый аппарат сделан из пластика, а впоследствии изобретатели предлагают изготавливать их из обычного картона, куда будут просто вставлять микросхему, которую запрограммируют на один или несколько звонков, а потом телефон можно спокойно выбросить. Стоить такой аппарат будет не более $2-3.

Другие интересные новости:

▪ Серьезный недостаток геотермальной энергетики

▪ Мягкий громкоговоритель из нанотрубок

▪ Кальмар из моря Росса

▪ Электрический фасад

▪ NFC-модуль для работы с динамической меткой ST25DV04

Лента новостей науки и техники, новинок электроники

 

Интересные материалы Бесплатной технической библиотеки:

▪ раздел сайта Справочные материалы. Подборка статей

▪ статья Тяжела ты, шапка Мономаха! Крылатое выражение

▪ статья Какое предсказание оракула стало губительным для царя, не понявшего его значения? Подробный ответ

▪ статья Машинист грузоподъемной электролебедки. Типовая инструкция по охране труда

▪ статья Регулятор громкости с электронным управлением. Энциклопедия радиоэлектроники и электротехники

▪ статья Электродинамические головки громкоговорителей с плоскими диафрагмами. Энциклопедия радиоэлектроники и электротехники

Оставьте свой комментарий к этой статье:

Имя:


E-mail (не обязательно):


Комментарий:




Комментарии к статье:

Злой
"Я использую родиевую проволоку, выдержанную в потоке нейтронов интенсивностью 10^22." Кхм, профессор, не поделитесь секретом, где лучше облучать родиевую проволоку: в активной зоне РБМК или ВВЭР? Во втором случае очень затруднительно помещать проволоку внутрь контайнмента, в РБМК по проще. Ну, в самом деле, не нейтронную же бомбу [oops] тратить на облучение пары проволочек...


Главная страница | Библиотека | Статьи | Карта сайта | Отзывы о сайте

www.diagram.com.ua

www.diagram.com.ua
2000-2026