Menu Home

Бесплатная техническая библиотека для любителей и профессионалов Бесплатная техническая библиотека


Усилитель на микросхеме TDA7294. Энциклопедия радиоэлектроники и электротехники

Бесплатная техническая библиотека

Энциклопедия радиоэлектроники и электротехники / Усилители мощности транзисторные

Комментарии к статье Комментарии к статье

Введение

Конструирование усилителя всегда было задачей не простой. К счастью, в последнее время, появилось много интегрированных решений, облегчающий жизнь конструкторам-любителям. Я тоже не стал себе усложнять задачу и выбрал наиболее простой, качественный, с малым количеством деталей, не требующий настройки и стабильно работающий усилитель на микросхеме TDA7294 от SGS-THOMSON MICROELECTRONICS.

В последнее время в интернете я распространились претензии к этой микросхеме, которые выражались примерно в следующем: "самопроизвольно возбуждается, при неправильной разводке; горит, по любому поводу, и т.д.". Ничего подобного. Спалить ее можно только неправильным включением или замыканием, а случаев возбуждения не было замечено ни разу, и не только у меня.

Кроме того, у нее есть внутренняя защита от короткого замыкания в нагрузке и защита от перегрева. Также в ней реализованы функция приглушения (используется для предотвращения щелчков при включении) и функция режима ожидания (когда нет сигнала). Эта ИМС представляет собой УНЧ класса АВ. Одной из основных особенностей этой микросхемы является применение полевых транзисторов в предварительных и выходных каскадах усиления. К ее достоинствам относятся большая выходная мощность (до 100 Вт на нагрузке сопротивлением 4 Ом), возможность работы в широком диапазоне питающих напряжений, высокие технические характеристики (малые искажения, низкий уровень шума, широкий диапазон рабочих частот и т.д.), минимум необходимых внешних компонентов и небольшая стоимость.

Основные характеристики TDA7294:
Параметр Условия Минимум Типовое Максимум Единицы
Напряжение питания ±10 ±40 В
Диапазон воспроизводимых частот сигнал 3db
Выходная мощность 1Вт
20-20000 Гц
Долговременная выходная мощность (RMS) коэф-т гармоник 0,5%:
Uп = ± 35 В, Rн = 8 Ом
Uп = ± 31 В, Rн = 6 Ом
Uп = ± 27 В, Rн = 4 Ом

60
60
60

70
70
70
Вт
Пиковая музыкальная выходная мощность (RMS), длительность 1 сек. коэф-т гармоник 10%:
Uп = ± 38 В, Rн = 8 Ом
Uп = ± 33 В, Rн = 6 Ом
Uп = ± 29 В, Rн = 4 Ом

100
100
100
Вт
Общие гармонические искажения Po = 5Вт; 1кГц
Po = 0,1-50Вт; 20-20000Гц
0,005

0,1
%
Uп = ± 27 В, Rн = 4 Ом:
Po = 5Вт; 1кГц
Po = 0,1-50Вт; 20-20000Гц

0,01


0,1
%
Температура срабатывания защиты 145 0C
Ток в режиме покоя 20 30 60 мА
Входное сопротивление 100 кОм
Коэффициент усиления по напряжению 24 30 40 дБ
Пиковое значение выходного тока 10 А
Рабочий диапазон температур 0 70 0C
Термосопротивление корпуса 1,5 0C/Вт

Фирменное описание и типовые схемы включения от производителя (PDF формат).

Схем включения этой микросхемы достаточно много, рассмотрю самую простую.

Типовая схема включения

Усилитель на микросхеме TDA7294. Схема включения TDA7294

Перечень элементов

Позиция Наименование Тип Количество
С1 0,47 мкФ К73-17 1
С2, С4, С5, С10 22 мкФ х 50 B К50-35 4
С3 100 пФ 1
C6, С7 220 мкФ х 50 B К50-35 2
C8, С9 0,1 мкФ К73-17 2
DA1 TDA7294 1
R1 680 Ом МЛТ-0,25 1
R2…R4 22 кОм МЛТ-0,25 3
R5 10 кОм МЛТ-0,25 1
R6 47 кОм МЛТ-0,25 1
R7 15 кОм МЛТ-0,25 1

Микросхему необходимо установить на радиатор площадью >600 см2.

Будьте внимательны, на корпусе микросхемы находится не общий, а минус питания!

При установке микросхемы на радиатор лучше использовать термопасту. Желательно проложить между микросхемой и радиатором диэлектрик (слюду, например). В первый раз я не придал этому значения, подумал, а с какого такого перепугу я буду замыкать радиатор на корпус, но в процессе отладки конструкции, нечаянно упавший со стола пинцет замкнул как раз радиатор на корпус. Взрыв был классным! Микросхемы просто разнесло на куски! В общем отделался легким испугом и 10$ :). На плате с усилителем желательно также поставить на питание мощные электролиты 10000мк х 50в, дабы при пиках мощности провода от блока питания не давали провалы напряжения.

Вообще, чем больше емкость конденсаторов на питании - тем лучше, как говорится "кашу маслом не испортишь". Конденсатор C3 можно убрать (или не ставить), я так и сделал. Как выяснилось, именно из-за него, при включении перед усилителем регулятора громкости (простого переменного резистора) получалась RC цепочка, которая при увеличении громкости косила высокие частоты, а вообще он нужен чтобы предотвращать возбуждение усилителя при подаче на вход ультразвука. Вместо C6, C7 я поставил на плате 10000мк х 50в, С8, С9 можно ставить любого близкого номинала - это фильтры питания, они могут стоять в блоке питания, а можно их припаять навесным монтажом, что я и сделал.

Плата

Я лично не очень люблю использовать готовые платы, по одной простой причине - трудно найти точно такие же по размеру элементы. Но в усилителе разводка может сильно влиять на качество звука, поэтому Вам решать какую плату выбрать. Поскольку я собирал усилитель сразу на 5-6 каналов, соответственно плата сразу на 3 канала:

Усилитель на микросхеме TDA7294. Печатная плата TDA7294 и расположение элементов

В векторном формате (Corel Draw 12)

Блок питания усилителя, фильтр НЧ и др.

Блок питания

Почему-то, блок питания усилителя вызывает много вопросов. На самом деле, как раз тут-то, все достаточно просто. Трансформатор, диодный мост и конденсаторы - это основные элементы блока питания. Этого достаточно для сборки самого простого блока питания.

Усилитель на микросхеме TDA7294. Блок питания, схема 1

Для питания усилителя мощности стабилизация напряжения неважна, а важны емкости конденсаторов по питанию, чем больше - тем лучше. Важна также толщина проводов от блока питания до усилителя.

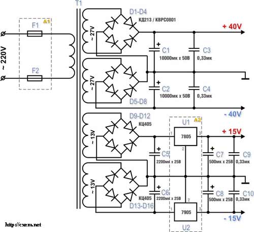
Мой блок питания реализован по следующее схеме:

Усилитель на микросхеме TDA7294. Схема блока питания

Питание +-15В предназначено для питания операционных усилителей в предварительных каскадах усилителя. Можно обойтись без дополнительных обмоток и диодных мостов, запитав модуль стабилизации от 40В, но стабилизатору придется гасить очень большой перепад напряжения, что приведет к значительному нагреву микросхем стабилизаторов. Микросхемы стабилизаторов 7805/7905 - импортные аналоги наших КРЕН.

Возможны вариации блоков А1 и А2:

Усилитель на микросхеме TDA7294. Альтернативные реализации блоков
(нажмите для увеличения)

Блок A1 - фильтр для подавления помех питания.

Блок А2 - блок стабилизированных напряжений +-15В. Первый альтернативный вариант - простой в реализации, для питания слаботочных источников, второй - качественный стабилизатор, но требует точного подбора комплектующих (резисторов), иначе получите перекос плеч "+" и "-", что даст потом перекос нуля на операционных усилителях.

Трансформатор

Трансформатор блока питания для стерео усилителя на 100Ват должен быть примерно 200Ват. Поскольку я делал усилитель на 5 каналов, мне понадобился трансформатор помощнее. Но мне не надо было выкачивать все 100Ват, да и все каналы не могут одновременно отбирать мощность. Мне попался на рынке трансформатор TESLA (ниже на фото) ват эдак на 250 - 4 обмотки проводом 1,5мм по 17В и 4 обмотки по 6,3В. Соединив их последовательно я получил нужные напряжения, правда пришлось немного отмотать две обмотки на 17В, дабы получить суммарное напряжение двух обмоток ~27-30В, поскольку обмотки были сверху - труда особого это не составило.

Отличная вещь - тороидальный трансформатор, такие используются для питания галогенок в светильниках, на рынках и магазинах их полно. Если конструктивно два таких трансформатора положить один на другой - излучение будет взаимно компенсироваться, что уменьшит наводки на элементы усилителя. Беда в том, что они имеют одну обмотку на 12В. У нас на радиорынке можно сделать такой трансформатор на заказ, но стоит это удовольствие будет прилично. В принципе, можно купить 2 трансформатора на 100-150Ват и перемотать вторичные обмотки, количество витков вторичной обмотки надо будет увеличить примерно в 2-2,4 раза.

Диоды / диодные мосты

Можно купить импортные диодные сборки с током 8-12А, это значительно упрощает конструкцию. Я использовал импульсные диоды КД 213, причем делал отдельно по мосту на каждое плечо, чтобы дать запас по току для диодов. При включении происходит заряд мощных конденсаторов, бросок тока при этом весьма существенен, при напряжении 40 В и емкости 10000 мкФ ток зарядки такого конденсатора составляет ~10 А, соответственно по двум плечам 20А. При этом трансформатор и выпрямительные диоды кратковременно работают в режиме короткого замыкания. Пробой диодов по току даст неприятные последствия. Диоды были установлены на радиаторы, но я не обнаружил нагрева самих диодов - радиаторы были холодные. Для устранения помех по питанию, рекомендуют параллельно каждому диоду в мосте, устанавливать конденсатор ~0,33мкФ тип К73-17. Я правда, делать этого не стал. В цепи +-15В можно применить мосты типа КЦ405, на ток 1-2А.

Конструкция

Усилитель на микросхеме TDA7294. Фото блока питания

Усилитель на микросхеме TDA7294

Готовая конструкция

Самое занудное занятие - корпус. В качестве корпуса я взял старый слим корпус от персонального компьютера. Пришлось его немного укоротить по глубине, хотя это было непросто. Считаю, что корпус получился удачным - блок питания находится в отдельном отсеке и можно еще 3 канала усиления засунуть в корпус свободно.

Общая конструкция

Усилитель на микросхеме TDA7294. Общая конструкция

После полевых испытаний, выяснилось, что нелишне поставить вентиляторы на обдув радиаторов, несмотря на то, что радиаторы имеют весьма внушительные размеры. Пришлось надырявить корпус снизу и сверху, для хорошей вентиляции. Вентиляторы подключены через 100Ом подстроечный резистор 1Вт на самые малые обороты (см. след рисунок).

Блок усилителя

Усилитель на микросхеме TDA7294

Микросхемы стоят на слюде и термопасте, винты тоже надо изолировать. Радиаторы и плата прикручены к корпусу через диэлектрические стойки.

Усилитель на микросхеме TDA7294

Входные цепи

Очень хотелось этого не делать, только с надежде, что это все временно....

Усилитель на микросхеме TDA7294

После навешивания этих кишек, в колонках появился небольшой гул, видимо с "землей" че то стало не так. Мечтаю о том дне, когда я выкину это все из усилителя и буду использовать его только как усилитель мощности.

Плата сумматора, фильтра НЧ, фазовращателя

Усилитель на микросхеме TDA7294

Блок регуляции

Усилитель на микросхеме TDA7294

Результат

Сзади получилось красивей, хоть ты его разверни попой вперед... :)

Усилитель на микросхеме TDA7294

Стоимость конструкции

TDA 7294 $25,00
конденсаторы (мощные элетролиты) $15,00
конденсаторы (остальные) $15,00
разъемы $8,00
кнопка включения $1,00
диоды $0,50
трансформатор $10,50
радиаторы с кулерами $40,00
резисторы $3,00
переменные резисторы + ручки $10,00
галетник $5,00
корпус $5,00
операционные усилители $4,00
стабилтизаторы напряжения $2,00
Всего $144,00

Да, недешево что-то получилось. Скорее всего чего-то не учел, просто покупалось, как всегда, всего гораздо больше, ведь пришлось еще экспериментировать, да и сжег я 2 микросхемы и взорвал один мощный электролит (всего этого я не учитывал). Это расчет усилителя на 5 каналов. Как видно очень недешево получились радиаторы, я использовал недорогие, но массивные кулера для процессоров, на то время (полтора года назад) они были очень хороши для охлаждения процессоров. Если учесть, что ресивер начального уровня можно купить за 240$, то можно и задуматься - а надо ли Вам это :), правда там стоит усилитель более низкого качества. Усилители такого класса стоят порядка 500$.

Автор: Новик П.Е.; Публикация: pavel.artmech.com

Смотрите другие статьи раздела Усилители мощности транзисторные.

Читайте и пишите полезные комментарии к этой статье.

<< Назад

Последние новости науки и техники, новинки электроники:

Токсичность интернета преувеличена 07.01.2026

Социальные сети нередко воспринимаются как арена постоянной агрессии, оскорблений и распространения фейковой информации. Новое исследование Стэнфордского университета показывает, что реальность значительно отличается от популярного представления: интернет гораздо менее токсичен, чем многие пользователи считают. Ученые опросили более тысячи американцев, попросив их оценить долю пользователей соцсетей, которые ведут себя агрессивно или распространяют ненависть. Оказалось, что впечатления людей сильно преувеличивают масштабы проблемы. Например, респонденты считали, что почти половина пользователей Reddit хотя бы раз оставляла оскорбительные комментарии, тогда как фактические данные платформы показывают, что таких людей не более 3%. Аналогичная ситуация наблюдается с дезинформацией. Опрос показал, что большинство участников считали почти половину аудитории Facebook распространителями фейковых новостей, однако статистика говорит об обратном: фактическая доля таких пользователей состав ...>>

Процессоры Ryzen AI 400 07.01.2026

Современные вычисления все больше ориентируются на интеграцию искусственного интеллекта и высокую производительность в компактных устройствах, таких как ноутбуки и мини-ПК. Новая линейка процессоров AMD Ryzen AI 400 демонстрирует, как разработчики объединяют мощные центральные ядра, графику и нейросетевые ускорители в одном чипе, чтобы удовлетворять растущие потребности пользователей в играх, контенте и ИИ-приложениях. AMD представила процессоры серии Gorgon Point, которые включают до 12 ядер Zen 5 и до 24 потоков вычислений. Чипы поддерживают интегрированную графику RDNA 3.5, обеспечивают максимальную тактовую частоту до 5,2 ГГц и имеют энергопотребление от 15 Вт до 54 Вт. Особое внимание уделено NPU, способному обрабатывать до 60 триллионов операций в секунду (TOPS), что делает эти процессоры эффективными для задач с искусственным интеллектом. Конструкция Ryzen AI 400 сочетает ядра Zen 5 и Zen 5c, обеспечивая высокую гибкость и производительность. Несмотря на то, что архитектур ...>>

Женщины лучше распознают признаки болезни по лицу 06.01.2026

Способность распознавать, что кто-то нездоров, часто проявляется интуитивно: бледная кожа, опущенные веки, уставшее выражение лица могут сигнализировать о недомогании. Новое исследование международной группы ученых показало, что женщины в среднем точнее мужчин улавливают такие тонкие невербальные признаки болезни, что может иметь эволюционные и социальные объяснения. В отличие от предыдущих работ, где использовались отредактированные фотографии или имитация больных лиц, ученые решили проверить, насколько люди способны распознавать естественные признаки недомогания. Такой подход позволил оценить реальную чувствительность к изменениям в лицах, возникающим при болезни. В исследовании приняли участие 280 студентов, поровну мужчин и женщин. Участникам предложили оценить 24 фотографии, на которых изображены люди как в здоровом состоянии, так и во время болезни. Это дало возможность сравнить восприятие естественных признаков недомогания в реальных лицах. Для анализа состояния каждого ...>>

Случайная новость из Архива

Дети учатся добру на человеческих историях 02.09.2017

В детской литературе, детских фильмах и мультфильмах, детских играх кишмя кишат разные зверушки - храбрые зайчики, хитрые лисы, трудолюбивые муравьи, мыши, воробьи и т. д.

Истории, которые рассказывают звери, птицы и насекомые, обычно несут какую-то мораль, то есть зверята должны объяснить ребятам, что такое хорошо, а что такое плохо. Никого при этом не смущает, что дети смотрят, слушают и читают про персонажей, которые на них совсем не похожи, и вряд ли будут распространять "животные" нормы поведения на окружающих людей.

Психологи из Университета Торонто сравнили реакцию детей 4-6 лет на разные истории, которые должны были научить их делиться с другими. В одной истории действовали люди, в другой - антропоморфные звери, умеющие говорить и одетые в человеческую одежду; была еще и третья история, в которой вообще не было никакой альтруистической морали. До чтения детям давали десяток стикеров и предлагали поделиться ими с кем-то другим; после того, как они прочитали книгу, у них снова появлялся шанс облагодетельствовать кого-то другого стикерами.

Наиболее щедрыми из детей оказывались те, которые читали книгу с человеческими персонажами. Напротив, те, которые читали про антропоморфных животных, и те, которые читали историю без альтруистической морали, не очень были склонны делиться своими "сокровищами".

Кроме того, у детей спрашивали, насколько животные из книжки похожи на людей, и у большинства детей ответы сводились к тому, что эти животные - все-таки не люди, что им не хватает чего-то человеческого. Что до самих книг, то, по словам авторов работы, дети читали их с равным удовольствием, и никаких предпочтений по отношению к той или иной истории у них не было.

Конечно, вряд ли стоит объявлять персонажей-животных вне закона, все-таки детские писатели не зря так щедро ими пользуются - с ними удачнее получаются смешные ситуации, и некоторые сложные для ребенка вещи легче (и доступнее) представлять в "животном" антураже.

Только стоит помнить, что дети не всегда могут понять, что это - аллегория, и взрослым необходимо подробно объяснять, какое отношение имеет история с мышкой или лисичкой к реальному миру, окружающему ребенка.

Другие интересные новости:

▪ Оптоволоконная сеть как предсказатель землетрясений

▪ Новый рекорд скорости для электромобилей

▪ Влияние кофеина на устойчивость к лекарственным препаратам

▪ Устройство для быстрой остановки кровотечения

▪ Гигроскопичность гиалуроновой кислоты преувеличена

Лента новостей науки и техники, новинок электроники

 

Интересные материалы Бесплатной технической библиотеки:

▪ раздел сайта Молниезащита. Подборка статей

▪ статья Отечественные тиристоры. Справочник

▪ статья Как живут в своем стаде слоны? Подробный ответ

▪ статья Гальванические источники тока одноразового действия. Справочник

▪ статья Антенна Двойной квадрат. Энциклопедия радиоэлектроники и электротехники

▪ статья Коммутатор диапазонных ФНЧ в транзисторных усилителях мощности. Энциклопедия радиоэлектроники и электротехники

Оставьте свой комментарий к этой статье:

Имя:


E-mail (не обязательно):


Комментарий:




Комментарии к статье:

Виктор
Стоило ли конструировать все это, когда я купил колонки со встроенным таким усилком за 3500 DNS. Там, правда, "верха" позорные фирма делает, так я поменял пару ВЧ кондеров да серебра добавил в провода и все тип-топ. Так что не думаю, что конструирование - это хорошая идея, можно просто доводить до ума приобретенную продукцию - дешевле будет и меньше мороки, я так думаю.


Главная страница | Библиотека | Статьи | Карта сайта | Отзывы о сайте

www.diagram.com.ua

www.diagram.com.ua
2000-2026