Menu Home

Бесплатная техническая библиотека для любителей и профессионалов Бесплатная техническая библиотека


Усилитель Hi-Fi на комплементарных транзисторах. Энциклопедия радиоэлектроники и электротехники

Бесплатная техническая библиотека

Энциклопедия радиоэлектроники и электротехники / Усилители мощности транзисторные

Комментарии к статье Комментарии к статье

Схема усилителя приведена на рис. 1. Через RC-цепочку фильтра нижних частот сигнал попадает на комплементарный входной каскад (Т1, Т2, Т3, Т4). При желании можно увеличить емкость разделительного конденсатора С1, однако делать это имеет смысл только в случае очень низкой граничной частоты звукоизлучающей системы.

В эмиттерную цепь входного каскада включен линеаризующий резистор R11 на 100 Ом, к эмиттерам же подключена общая отрицательная обратная связь величиной около 30 дБ. "Внутри" каскада, между коллектором "нижнего" транзистора (Т2) и эмиттером "верхнего" (Т3) действует вторая ("внутренняя") петля обратной связи величиной около 18 дБ. Это означает, что за исключением транзисторов Т1, Т2, обе петли оказывают одинаковое действие на все остальные каскады.

Усилитель Hi-Fi на комплементарных транзисторах. Схема
Рис. 1 (нажмите для увеличения)

Через эмиттерный повторитель (основная роль которого - сдвиг уровня постоянного напряжения) сигнал с входного каскада подается на усилитель напряжения(Т7, Т8). В эмиттерах транзисторов здесь снова установлены линеаризующие резисторы. Коллекторный ток этих транзисторов протекает через цепи, которые регулируют ток покоя полевых транзисторов оконечного усилителя.

Остановимся на мгновение! Температурный коэффициент Kт полевых транзисторов (т.е. отношение напряжение на затворе/ток стока) близок к нулю. Для малых токов он небольшой и отрицательный, для больших - небольшой и положительный. Перемена знака происходит для мощных транзисторов при токе около 100 мА. Оконечный усилитель работает при токе покоя 100 мА. Полевые транзисторы "раскачиваются" через транзисторные эмиттерные повторители, у которых, как известно, Кт положительный. Поэтому необходимо использовать такую предварительно смещенную цепь, которая компенсировала бы температурную зависимость.

Температурную зависимость эмиттерных повторителей компенсируют диоды D3 и D4.

Ток покоя полевых транзисторов оконечного усилителя устанавливается потенциометром Р на уровне порядка 100 мА.

В цепях затворов полевых транзисторов установлены резисторы (R29, R30), препятствующие самовозбуждению. Цепь, состоящая из диодов и стабилитронов (D5...D8), предотвращает появление опасного для полевых транзисторов напряжения затвор-исток.

В цепи истока полевых транзисторов имеются резисторы (R31 и R32) номиналом на 0,47 Ом. Из них R32 отмечен звездочкой - в опытном образце его значение было равно нулю. Этот резистор сглаживает возможные различия в крутизне полевых транзисторов. Как правило, включение R32 не оказывает катастрофического действия на усиление, можно ожидать увеличения искажений на величину порядка 20...30%.

Как обычно, RCL-звено на выходе усилителя защищает его от самовозбуждения при чрезвычайно высоком реактивном импедансе нагрузки.

Сопротивление Rx в цепи эмиттера Т1 на входе усилителя используется для точной балансировки усилителя. Если взять R13 и R14 одинаковой величины (6,8 кОм), а Rx закоротить, то смещение выхода будет вполне удовлетворительным. Но если необходимо его улучшить, то R13 уменьшается до 6,2 кОм, а вместо Rx временно подключается потенциометр на 1 кОм. После примерно 30 мин "прогрева" усилителя, этим потенциометром устанавливается на выходе уровень напряжения, равный нулю. Сопротивление потенциометра измеряется, и в качестве Rx припаивается резистор с номиналом, подходящим ближе всего к измеренному. Как правило, при замене D1 или D2 возникает необходимость в замене Rx.

Конденсатор С9 осуществляет частотную коррекцию усилителя. Он вызывает двойной эффект: осуществляет, с одной стороны, "запаздывающую" коррекцию при емкостной нагрузке коллекторов Т7 и Т8 и, с другой стороны, "опережающую", будучи подсоединенным не к земле, а к R21.

Резистор R34 предотвращает возникновение двух различных петель заземления в том случае, когда два или более УМЗЧ питаются от одного блока питания. Земля на входе соединяется с металлическим корпусом или шасси и с предусилителем, а другие земли представляющие собой, по сути дела, возвратные провода для токов нуля, соединяются по отдельности с нулевой точкой блока питания.

Монтаж

Усилитель собран на двусторонней печатной плате, со стороны деталей имеется сплошная фольга заземления. Зенковка в местах "входа" выводов деталей в плату предотвращает замыкания. Соединяющиеся с землей выводы деталей припаиваются непосредственно (без отверстий) к фольге заземления. На сборочном чертеже эти точки помечены черным цветом.

Два оконечных полевых транзистора устанавливаются на уголки из алюминия, которые соединяются с радиатором, создавая тепловой мостик, и оба крепятся к плате. Их необходимо изолировать от уголков и платы. Имеющийся в цепи эмиттера резистор "висит в воздухе", поскольку установлен навесным монтажом. Резисторы R29 и R30 для укорачивания выводов припаиваются со стороны дорожек платы. Теплоотводы не должны образовывать с "нулевой" фольгой "ложную землю", поэтому "нулевая" фольга прерывается глубокой царапиной, идущей параллельно теплоотводам. Для нормального охлаждения полевых транзисторов достаточно охлаждающей поверхности около 400 см2. Транзисторы Т9 и Т10 крепятся к "нулевой" фольге через тонкую слюдяную пластину. Здесь очень легко может возникнуть короткое замыкание, поэтому монтаж нужно тщательно проверить омметром.

Катушка L1 диаметром 10 мм состоит из примерно 15 плотно намотанных витков провода диаметром 0,5 мм (без сердечника). Резистор R33 расположен по оси L1, и его выводы спаиваются вместе с выводами катушки, а затем крепятся к плате.

Три провода, идущие к блоку питания, скручиваются вместе. Два провода, ведущие к динамику, также скручиваются в отдельный жгут (независимо от предыдущих). Поскольку здесь текут большие токи, их магнитные поля могут значительно увеличить искажения - главным образом, на высоких частотах.

Скручивание проводов вместе приводит к тому, что магнитные поля токов, текущих в противоположных направлениях, взаимно уничтожаются.

Нулевая точка блока питания и вывод динамика не соединяются с корпусом, и идущие к ним провода не укладываются вместе с другими проводами.

Блок питания

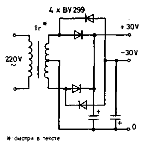
Схема блока питания - самая простая (рис. 4). Трансформатор, имеющий отвод от середины вторичной обмотки, питает двухполупериодный выпрямитель, состоящий из двух групп по 2 диода. Сглаживание пульсации осуществляют конденсаторы емкостью не менее 4700 мкФ (40 В). Такой блок может обеспечить питанием два оконечных усилителя.

Усилитель Hi-Fi на комплементарных транзисторах. Блок питания
Рис. 4

Верхний предел напряжения вторичной обмотки трансформатора определяется типом использованных транзисторов Т7, Т8. В случае использования пары ВС 546/556, напряжение питания (в отсутствие сигнала) не должно превосходить 30...32 В. Более высокое напряжение эти транзисторы "переносят плохо". При напряжении питания ±30 В можно использовать трансформатор 220/2х22,5 В или 230/2х24 В. Усилитель с напряжением питания ±30 В может отдать в нагрузку мощность около 24 Вт (на 8 Ом).

Полевые транзисторы, используемые в оконечном усилителе, очень дорогие. За цену одного такого транзистора можно приобрести весь остальной набор деталей. Невольно возникает вопрос - компенсируются ли излишки расходов ожидаемым улучшением качества. Ответ на этот вопрос зависит от многих обстоятельств, поскольку:

- речь идет о субъективно воспринимаемых искажениях, поэтому звуковые ощущения у разных людей будут разными;

- восприятие искажений зависит от воспроизводимой музыки. При воспроизведении чисто "авторской" электронной музыки не имеет смысла говорить об искажениях, ибо невозможно узнать, были или нет эти искажения в исходном материале;

- проблематично воспроизведение музыки, поступающей с CD. По мнению "критических ушей" и автора, эта музыка имеет специфическую окраску. Воспроизведение же с хорошей аналоговой пластинки или непосредственно с концерта дает превосходное качество.

Публикация: cxem.net

Смотрите другие статьи раздела Усилители мощности транзисторные.

Читайте и пишите полезные комментарии к этой статье.

<< Назад

Последние новости науки и техники, новинки электроники:

Токсичность интернета преувеличена 07.01.2026

Социальные сети нередко воспринимаются как арена постоянной агрессии, оскорблений и распространения фейковой информации. Новое исследование Стэнфордского университета показывает, что реальность значительно отличается от популярного представления: интернет гораздо менее токсичен, чем многие пользователи считают. Ученые опросили более тысячи американцев, попросив их оценить долю пользователей соцсетей, которые ведут себя агрессивно или распространяют ненависть. Оказалось, что впечатления людей сильно преувеличивают масштабы проблемы. Например, респонденты считали, что почти половина пользователей Reddit хотя бы раз оставляла оскорбительные комментарии, тогда как фактические данные платформы показывают, что таких людей не более 3%. Аналогичная ситуация наблюдается с дезинформацией. Опрос показал, что большинство участников считали почти половину аудитории Facebook распространителями фейковых новостей, однако статистика говорит об обратном: фактическая доля таких пользователей состав ...>>

Процессоры Ryzen AI 400 07.01.2026

Современные вычисления все больше ориентируются на интеграцию искусственного интеллекта и высокую производительность в компактных устройствах, таких как ноутбуки и мини-ПК. Новая линейка процессоров AMD Ryzen AI 400 демонстрирует, как разработчики объединяют мощные центральные ядра, графику и нейросетевые ускорители в одном чипе, чтобы удовлетворять растущие потребности пользователей в играх, контенте и ИИ-приложениях. AMD представила процессоры серии Gorgon Point, которые включают до 12 ядер Zen 5 и до 24 потоков вычислений. Чипы поддерживают интегрированную графику RDNA 3.5, обеспечивают максимальную тактовую частоту до 5,2 ГГц и имеют энергопотребление от 15 Вт до 54 Вт. Особое внимание уделено NPU, способному обрабатывать до 60 триллионов операций в секунду (TOPS), что делает эти процессоры эффективными для задач с искусственным интеллектом. Конструкция Ryzen AI 400 сочетает ядра Zen 5 и Zen 5c, обеспечивая высокую гибкость и производительность. Несмотря на то, что архитектур ...>>

Женщины лучше распознают признаки болезни по лицу 06.01.2026

Способность распознавать, что кто-то нездоров, часто проявляется интуитивно: бледная кожа, опущенные веки, уставшее выражение лица могут сигнализировать о недомогании. Новое исследование международной группы ученых показало, что женщины в среднем точнее мужчин улавливают такие тонкие невербальные признаки болезни, что может иметь эволюционные и социальные объяснения. В отличие от предыдущих работ, где использовались отредактированные фотографии или имитация больных лиц, ученые решили проверить, насколько люди способны распознавать естественные признаки недомогания. Такой подход позволил оценить реальную чувствительность к изменениям в лицах, возникающим при болезни. В исследовании приняли участие 280 студентов, поровну мужчин и женщин. Участникам предложили оценить 24 фотографии, на которых изображены люди как в здоровом состоянии, так и во время болезни. Это дало возможность сравнить восприятие естественных признаков недомогания в реальных лицах. Для анализа состояния каждого ...>>

Случайная новость из Архива

Антиматерия в рамках квантовой теории: и частица, и волна 12.05.2019

Двухщелевой эксперимент демонстрирует один из фундаментальных принципов квантовой физики: точечные частицы также являются волнами. В стандартном варианте эксперимента частицы проходят через пару щелей в твердом барьере. На экране с другой стороны появляется интерференционная картина, типичная для волн. Гребни и впадины, выходящие из каждой щели, усиливают или нейтрализуют друг друга при взаимном перекрытии, создавая чередующиеся полосы высокой и низкой плотности частиц на экране.

Такого рода эксперимент выявил корпускулярно-волновую двойственность фотонов, электронов, атомов и даже крупных молекул. Но очень сложно создать сильный однородный пучок античастиц, чтобы провести эксперимент с антиматерией. Теперь новый двухщелевой эксперимент подтвердил волнообразную природу античастицы электрона - позитрона.

Исследователи разработали устройство, в котором позитроны, генерируемые в результате радиоактивного распада изотопа натрия-22, проходят через два последовательных ряда вертикальных стержней толщиной менее микрометра. Расстояния между этими стержнями, каждый в несколько сотен нанометров в поперечнике, работают как щели в классическом эксперименте. Волны позитрона распространяются на детектор ядерной эмульсии, где античастицы изменяют химическую структуру кристаллов бромида серебра.

Детектор ядерной эмульсии "похож на фотопленку", - говорит соавтор исследования Марко Джаммарки - физик из Национального института ядерной физики в Милане. Проявка ядерной эмульсионной пленки в темной комнате и просмотр ее под микроскопом показывают химические следы позитронов. И действительно, команда Джаммарки обнаружила позитронную интерференционную картину с чередующимися полосами высокой и низкой плотности позитронов.

Джаммарки и его коллеги надеются использовать новую технику для исследования природы других конгломератов антиматерии, таких как позитроний.

Другие интересные новости:

▪ Полностью электрический вездеход Bollinger B1

▪ Дисплей Брайля

▪ PENTAX прекращает производство компактных и зеркальных аналоговых камер

▪ Лабораторная свинина с антиоксидантами

▪ Модули памяти DDR4 RDIMM 64 ГБ от Samsung

Лента новостей науки и техники, новинок электроники

 

Интересные материалы Бесплатной технической библиотеки:

▪ раздел сайта Электротехнические материалы. Подборка статей

▪ статья Королев Сергей Павлович. Знаменитые афоризмы

▪ статья Как возникла демократия? Подробный ответ

▪ статья Как правильно поставить клизму. Медицинская помощь

▪ статья Световые величины. Энциклопедия радиоэлектроники и электротехники

▪ статья Автомобильный блок питания ноутбука без намоточных элементов. Энциклопедия радиоэлектроники и электротехники

Оставьте свой комментарий к этой статье:

Имя:


E-mail (не обязательно):


Комментарий:





Главная страница | Библиотека | Статьи | Карта сайта | Отзывы о сайте

www.diagram.com.ua

www.diagram.com.ua
2000-2026