Menu Home

Бесплатная техническая библиотека для любителей и профессионалов Бесплатная техническая библиотека


УМЗЧ на базе операционного усилителя КР544УД2. Энциклопедия радиоэлектроники и электротехники

Бесплатная техническая библиотека

Энциклопедия радиоэлектроники и электротехники / Усилители мощности транзисторные

Комментарии к статье Комментарии к статье

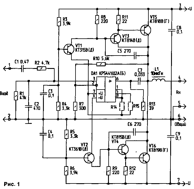
Предлагаемый УМЗЧ (рис. 1) построен на базе операционного усилителя КР544УД2.

Параметры УМЗЧ

Рабочий диапазон частот, Гц, не менее 15...30000
Нелинейность амплитудно-частотной характеристики, дБ, не более 2
Номинальная мощность на нагрузке:
- 4 Ом, Вт 40
- 8 Ом, Вт 20
Коэффициент гармоник, при Рном, % не более 0,01
Номинальное входное напряжение, В 0,7
Входное сопротивление, кОм, не менее 47
Выходное сопротивление, Ом, не более 0,03
Относительный уровень шумов и фона, дБ, не более -86
Номинальные напряжения питания,В ±30

Операционный усилитель DA1 питается через транзисторы VT1 и VT2, которые снижают напряжения питания до значений, задаваемых делителями R3, R4 и R5, R6. Напряжения смещения транзисторов VT3, VT4 определяются падением напряжения на резисторах R8, R9. В случае необходимости DA1 может быть отбалансирован при помощи делителя R14, R15.

УМЗЧ на базе операционного усилителя КР544УД2
(нажмите для увеличения)

Ток покоя предоконечных транзисторов VT3, VT4 определяет напряжение смещения на резисторах R11, R12 (0,35...0,4 В), которое при малых уровнях сигналов поддерживает транзисторы VT5, VT6 в закрытом состоянии даже при повышении напряжения питания на 10...15% или перегреве на 60...80°. Резисторы R11, R12 одновременно стабилизируют режим работы предоконечного каскада VT3, VT4, создавая местные отрицательные обратные связи (ООС) по току. Общая ООС по напряжению формируется делителем R7, R10.

Фильтры низких частот R2, С2 и R13, С7 с частотами среза в области 60 кГц предотвращают самовозбуждение усилителя на высоких частотах. Конденсаторы С5, С6 корректируют фазочастотную характеристику предоконечного и оконечного каскадов. Катушка L1 повышает стабильность работы усилителя при работе на нагрузку, обладающую повышенной реактивностью.

Сборка и монтаж. При сборке конструкции необходимо пользоваться паяльником с хорошей изоляцией и мощностью не более 40 Вт. Чертеж печатной платы УМЗЧ приведен на рис. 2, а сборочный чертеж - на рис. 3.

Порядок сборки следующий: перемычка S1, резисторы, конденсаторы, катушка L1, операционный усилитель (DA1), транзисторы VT1...VT4, после предварительной регулировки - транзисторы VT5, VT6. Бескаркасная катушка L1 содержит 10 витков любого медного обмоточного провода диаметром 1...2 мм. Ее наматывают на временной оправке диаметром 4...6 мм, например на тонкой шариковой ручке или карандаше.

С целью минимизации нелинейных искажений транзисторы VT3...VT6 должны подключаться к печатной плате проводниками длиной не более 50 мм.

Оптимальная конструкция УМЗЧ приведена на рис. 3. С помощью двух уголков плату привинчивают к теплоотводу, а транзисторы впаивают непосредственно в плату. Удобнее всего это делать в следующей последовательности:

- разметьте теплоотвод, просверлите необходимые отверстия и нарежьте в них резьбу МЗ. Конструкция теплоотвода может быть произвольной, однако площадь его поверхности для максимальной выходной мощности 60 Вт должна быть не менее 500 см2;

- привинтите плату к теплоотводу;

- установите транзисторы VT3, VT4 в соответствующие отверстия платы, после чего привинтите их к теплоотводу, а затем припаяйте их;

- после предварительной регулировки аналогично смонтируйте транзисторы VT5, VT6;

- после этого припаяйте провода для подключения питания и нагрузки сечением не менее 0,5 мм2.

Наладка

Для наладки усилителя необходимы осциллограф, низкочастотный генератор, тестер, эквивалент нагрузки и биполярный источник питания с выходным напряжением ±30 В при токе нагрузки не менее 4 А.

УМЗЧ на базе операционного усилителя КР544УД2

Высокая стабильность УМЗЧ позволяет питать его от простейшего нестабилизированного источника питания. Питание на усилитель при его регулировке и эксплуатации подают через предохранители на 5 А. Регулировку начинают при отключенных транзисторах VT5, VT6 и закороченном входе (точки 1 и 2 соединены).

К выходу УМЗЧ без нагрузки подключите осциллограф в режиме максимальной чувствительности и кратковременно подайте питание. Если на выходе нет переменного напряжения, т.е. усилитель не возбуждается, замерьте режимы работы VT3, VT4; напряжения на выводах 7 и 4 DA1. Они должны быть в пределах 13,4...14 В и отличаться между собой не более чем на 0,3 В. Падения напряжения на резисторах R11, R12 должны быть в пределах 0,35...0,4 В. Если они отличаются больше чем на 10%, необходимо подобрать резисторы R8, R9. При этом их новые значения по-прежнему должны быть примерно равны между собой.

В случае самовозбуждения усилителя следует увеличить емкости конденсаторов С5, С6, либо, разрезав до-рожку, соединяющую выводы 1 и 8

DA1 подпаять к ним конденсатор типа КМ-5 емкостью 5...10 пФ.

Измерьте постоянное напряжение на выходе и, если оно превышает 30 мВ, отбалансируйте DA1. Для этого впаяйте переменный резистор сопротивлением 100...200 кОм вместо резисторов R14 и R15 (средним выводом в точку их соединения с выводом 7 DA1). Вращением оси этого резистора добейтесь нужного значения выходного напряжения, замерьте полученные величины сопротивлений и впаяйте соответствующие постоянные резисторы R14 и R15. Нежелательно использовать в качестве балансировочного подстроеч-ный резистор - вследствие старения этого резистора возможно нарушение балансировки усилителя в процессе его эксплуатации.

Установите на теплоотвод и на плату транзисторы VT5, VT6. Кратковременно подав питание, убедитесь, что УМЗЧ не возбуждается.

Подключите к выходу УМЗЧ резистор сопротивлением 16 Ом мощностью 10...15 Вт, и подайте от генератора на вход (точки 1 и 2 разъедините) сигнал с уровнем 0,05 В частотой 1 кГц.

Проверьте симметричность ограничения обеих полуволн синусоиды.

При необходимости, окончательной балансировкой DA1 добейтесь минимального постоянного напряжения на выходе УМЗЧ.

Подключите номинальную нагрузку - резистор сопротивлением 4...8 Ом мощностью не менее 50 Вт (например реостат) - и еще раз измерьте основные характеристики УМЗЧ.

После окончательной регулировки подключите источник музыкального сигнала и реальную акустическую систему.

Для работы усилителя мощности от источников сигнала со стандартным линейным выходом 250 мВ (магнитофон, проигрыватель и т.п.) следует использовать предварительный усилитель с возможностью регулировки громкости и тембра.

Если источник входного сигнала собран по схеме с однополярным питанием, при включении усилителя могут прослушиваться "щелчки" в акустических системах. Для устранения этого явления можно собрать схему задержки подключения акустической системы и защиты динамиков от короткого замыкания, например по схемам, приведенным в [1...3].

Литература

  1. Радио, 1990, N8.C.63.
  2. Радио, 1991, N1, с.59.
  3. Радио, 1992, N4, с.37.

Автор: А. Фефелов; Публикация: cxem.net

Смотрите другие статьи раздела Усилители мощности транзисторные.

Читайте и пишите полезные комментарии к этой статье.

<< Назад

Последние новости науки и техники, новинки электроники:

Большой адронный коллайдер прекращает работу 16.01.2026

Физика элементарных частиц - одна из самых передовых областей науки, где каждый эксперимент может изменить наше понимание мироздания. Центральным инструментом этих исследований является Большой адронный коллайдер (LHC), уникальный ускоритель частиц, позволяющий изучать самые фундаментальные законы природы. Недавно стало известно, что LHC временно прекращает свою работу для масштабной модернизации, которая подготовит его к новому этапу экспериментов с гораздо большей производительностью. Коллайдер, расположенный в подземном тоннеле вдоль швейцарско-французской границы, создает столкновения частиц на невероятно высоких энергиях. Именно здесь в 2012 году ученые открыли бозон Хиггса - ключевую частицу, объясняющую, почему другие элементарные частицы имеют массу. Это открытие стало одним из самых значимых событий современной физики и подтвердило предсказания Стандартной модели. Причиной временной остановки LHC стало развертывание проекта High-Luminosity LHC (HL-LHC). Модернизация позв ...>>

Робот-бармен AI Barmen 16.01.2026

Американские инженеры создали AI Barmen - робота-бармена, способного не только готовить коктейли, но и запоминать предпочтения гостей. AI Barmen представляет собой автономную систему, которую можно устанавливать практически в любых местах - от баров и ресторанов до гостиниц, аэропортов и корпоративных мероприятий. Робот сочетает механический манипулятор с интеллектуальной программой, которая подбирает напитки на основе истории заказов конкретного пользователя. Гости могут оставаться анонимными или разрешить системе запоминать их вкусы, что позволяет получать одинаково качественный персонализированный коктейль в любой точке, где установлен AI Barmen. Робот готовит широкий спектр коктейлей с высокой точностью, контролирует запасы ингредиентов и автоматически ведет учет, что снижает затраты и минимизирует ошибки. Для работы устройства достаточно стандартной розетки, подключение к воде не требуется, что делает его мобильным и удобным для эксплуатации в самых разных условиях. Систе ...>>

Стерильного нейтрино не существует 15.01.2026

В физике элементарных частиц поиск новых, пока не обнаруженных объектов играет ключевую роль в понимании устройства Вселенной. Иногда такие поиски приводят к громким открытиям, а иногда - к не менее важным отрицательным результатам, которые позволяют отбросить неверные направления. Именно к таким случаям относится недавний вывод ученых о судьбе стерильного нейтрино - одной из самых интригующих гипотетических частиц последних десятилетий. Исследователи из американской лаборатории Fermilab официально сообщили, что им не удалось найти доказательства существования стерильного нейтрино. К такому выводу пришла команда эксперимента MicroBooNE после многолетнего анализа столкновений нейтрино, которые ранее рассматривались как возможный намек на существование четвертого типа этих частиц. Предполагалось, что стерильное нейтрино взаимодействует с материей исключительно через гравитацию, что делало его крайне трудным объектом для обнаружения. В рамках современной физики нейтрино известны в т ...>>

Случайная новость из Архива

Энергоэффективный LTE-модем со скоростью до 450 Мбит/с 06.12.2014

Компания Qualcomm Incorporated (NASDAQ: QCOM) объявила о выходе многорежимного LTE-модема пятого поколения Qualcomm Gobi 9x45 и трекера энергопотребления второго поколения Qualcomm RF360 Envelope Tracker QFE3100.

Оба продукта призваны обеспечить высокую скорость загрузки данных из сети, быструю работу приложений, а также повысить энергоэффективность устройства и оптимизировать потребление энергии. Новинки в настоящий момент находятся на тестировании у партнеров Qualcomm, а поставки на рынок запланированы на 2015 г.

Помимо общих усовершенствований, оптимизирующих энергопотребление и площадь печатной платы, модем 9x45 - первое решение 10-ой категории с поддержкой агрегации несущих частот в масштабах всего мира, обеспечивающее скорость входящего соединения на уровне до 450 Мбит/с и восходящего - на уровне до 100 Мбит/c, агрегируя частоты TDD- и FDD-спектра.

Модем разработан на основе 20-нм техпроцесса второго поколения и обеспечивает агрегацию до трех частот диапазона 60 МГц на входящем соединении и до двух частот диапазона 40 МГц на восходящем соединении. Модем 9x45 интегрирует все основные стандарты сотовой связи включая DC-HSPA, EVDO, CDMA 1x, GSM и TD-SCDMA, поддерживает все основные RF-диапазоны и их комбинации, а также обеспечивает геопозиционирование в системах GPS, Beidou, ГЛОНАСС и Galileo. Кроме того, в новом модеме по умолчанию реализована поддержка LTE Broadcast, VoLTE и LTE Dual SIM.

Компоновка QFE3100 оптимизирована с целью сокращения площади печатной платы на 30%, благодаря чему чип отличается повышенной энергоэффективностью по сравнению с решениями предыдущего поколения.

Использование модема 9x45 позволяет производителям мобильных устройств использовать максимум доступного частного спектра, обеспечивать высокую скорость передачи данных и большую гибкость реализации сетевой архитектуры.

Новое решение Qualcomm отвечает требованиям рынка относительно более эффективного расхода энергии и сокращения толщины устройств, что привносит разнообразие в конструктив мобильных решений. Для потребителей это означает двукратное увеличение скорости выгрузки данных в сеть и до полутора раз более высокую пиковую скорость загрузки по сравнению с устройствами LTE Category 6. Кроме того, усовершенствованный модем способствует ускорению отклика приложений и улучшенному качеству связи с зоне покрытия сетей LTE-A.

Другие интересные новости:

▪ Одновагонный дизель-поезд Kawasaki Heavy Industries

▪ Станция биометрической идентификации Printrak LiveScan Station Portable

▪ Вред музыки перед сном

▪ Амазонка пересыхает

▪ Некоторые новинки Consumer Electronics Show 2004

Лента новостей науки и техники, новинок электроники

 

Интересные материалы Бесплатной технической библиотеки:

▪ раздел сайта Параметры, аналоги, маркировка радиодеталей. Подборка статей

▪ статья Бетонные узоры на садовых дорожках. Советы домашнему мастеру

▪ статья Умеют ли животные считать? Подробный ответ

▪ статья Вероника. Легенды, выращивание, способы применения

▪ статья Однотактный ламповый усилитель мощности на лампах 6Ж1П, 6П1П. Энциклопедия радиоэлектроники и электротехники

▪ статья Нормы испытаний электрооборудования и аппаратов электроустановок потребителей. Норма отклонения значений сопротивления постоянному току элементов машин постоянного тока. Энциклопедия радиоэлектроники и электротехники

Оставьте свой комментарий к этой статье:

Имя:


E-mail (не обязательно):


Комментарий:





Главная страница | Библиотека | Статьи | Карта сайта | Отзывы о сайте

www.diagram.com.ua

www.diagram.com.ua
2000-2026