Menu Home

Бесплатная техническая библиотека для любителей и профессионалов Бесплатная техническая библиотека


Автомобильный УМЗЧ на микросхеме TDA7294. Энциклопедия радиоэлектроники и электротехники

Бесплатная техническая библиотека

Энциклопедия радиоэлектроники и электротехники / Усилители мощности автомобильные

Комментарии к статье Комментарии к статье

Для высококачественного воспроизведения звука в движущейся машине необходима мощность не менее 50 Вт на канал для фронтальной акустики, 20 Вт для тыловой и 100 Вт для сабвуфера. Магнитолы (CD ресиверы), продающиеся в магазинах выдают мощность 15 Вт (20 Вт при заведенной машине), что бы на них не писали в рекламных целях.

Таким образом необходим внешний усилитель для фронта и сабвуфера (тыл обеспечит усилитель магнитолы). Именно такой усилитель и описан в данной статье.

Автомобильный УМЗЧ на микросхеме TDA7294. Общий вид усилителя

Усилитель имеет 3 канала - два канала для стерео усиления и один канал для пассивного сабвуфера . Для обеспечения требуемой выходной мощности при питании от 12 вольт применен преобразователь напряжения.

Параметры усилителя

Максимальная выходная мощность на нагрузке 4 Ом
при коэффициенте гармоник не более 1%:
усилителя для сабвуфера - 175 вт.
стерео усилителя - 75 Вт на канал
Коэффициент гармоник усилителей:
на TDA7294 при Рвых.=60 Вт не более - 0,01%
сабвуфера при Рвых.=150 Вт не более - 0,1%
Напряжение питания :
минимальное - 11 В
максимальное - 16 В
Потребляемый ток:
В покое - 1 А.
При максимальной выходной мощности всех каналов - 40 А.
Размеры: 290х153х63
Вес: 2,3 кГ

Усилитель

Схема усилителя приведена на рисунке №1. Каналы по 75 Вт выполнены на микросхемах TDA7294, при выходной мощности 70 Вт имеют К гармоник не более 0,01%. Напряжение питания выбрано +- 28 В для нагрузки 4 Ом. При нагрузке 8 Ом необходимо питание +-35В и схему можно подключить от источника +- 38В, что упростит схему преобразователя. На входе имеются отключаемые фильтры НЧ со срезом на 100 гц, выполненные на операционных усилителях DA5,DA6 . Фильтр нужен для исключения перегрузки встроенных динамиков низкими частотами, на которые они не рассчитаны. При желании фильтр отключается переключателем S2. Из напряжений +- 28 В стабилизаторами DA7 типа 7815 и DA8 типа 7915 получаются напряжения +-15 В для питания предварительного усилителя и фильтров.

Автомобильный УМЗЧ на микросхеме TDA7294. Схема усилителя
(нажмите для увеличения)

Для сабвуферного канала пришлось отказаться от применения микросхем TDA7294, так как головка 75ГДН-1 самодельного сабвуфера имела сопротивление 4 Ом. Мощность же требовалась не менее 150 вт, одна микросхема такую мощность не обеспечит. Микросхемы TDA7294 в мостовом включении требуют нагрузку не менее 8 Ом. Для тех, кто имеет головку саба 8 Ом можно рекомендовать применение микросхем TDA7294 в мостовом включении с питанием от источника +-28 В. Усилитель выполнен на базе известной схемы на транзисторах КТ825, КТ827. В оконечной ступени применены транзисторы типа КТ8101 КТ8102 в оконечной ступени. При желании можно использовать транзисторы КТ825, КТ827, только возникнут трудности с тепло отводом (при данной конструкции корпуса транзисторов). Лучшей заменой для выходных транзисторов является тошибовская пара 2SA1302, 2SC3281 и пара КТ850, КТ851 для предвыходных.

Для сабвуферного канала не требуется усилителя с Кг в тысячные доли процента. Напряжение питания для достижения требуемой мощности выбрано +- 38 В. Это потребовало применения дополнительной обмотки на трансформаторе, дополнительного выпрямителя и фильтра в блоке питания. На входе канала установлен фильтр, срезающий частоты выше 120 Гц, выполненный на микросхеме DA4. Регулировки частоты среза не предусмотрено, она подбирается под конкретную акустику. Для регулировки можно установить переключатель на 2-3 положения, коммутирующий RC цепи. Оригинальный усилитель не имеет на выходе защиты громкоговорителей от попадания на них постоянного напряжения, в случае выхода усилителей из строя. На схеме №3 показан такой блок защиты . Если у Вас применены высококачественные дорогостоящие головки в акустике, то я рекомендую дополнить усилитель этой защитой.

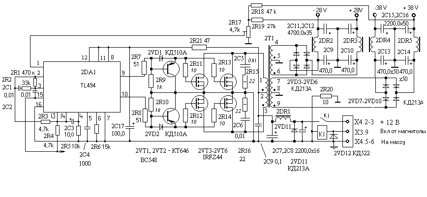
Инвертор. Самой сложной частью усилителя (и ответственной) является преобразователь напряжения. Схема преобразователя приведена на рисунке 2. Он выполнен по схеме двухтактного трансформаторного каскада. В качестве силовых элементов применены МДП ключи. Схема управления со стабилизацией выходного напряжения выполнена микросхеме ШИМ регулятора TL494, обратная связь по напряжению заведена только с плюсовых источников питания, стабилизация минусовых источников осуществляется косвенным путем. Точность поддержания напряжения плюсовых источников в несколько раз выше, чем минусовых. Каких либо отрицательных эффектов при применении данной схемы не выявлено.

Для более точного поддержания напряжения на всех выходах преобразователя можно поставить компенсационный дроссель (такой стоит во всех БП компьютеров). Дроссель ставится сразу после диодов выпрямителя, он должен иметь четыре обмотки (по числу выходов напряжения). Многие фирменные усилители вообще не имеют стабилизации выходного напряжения преобразователя. Ключевые полевые транзисторы применены типа IRFZ44 по два в параллель. Возможно применение и других транзисторов: IRF1010, IRFZ48, IRFP150, IRFZ46. При выборе транзисторов нужно стремиться, чтобы сопротивление Rси было как можно меньше. Преобразователь включается контактами реле на 30 А по сигналу от магнитолы. Такой выход имеется в большинстве магнитол, он служит для выдвижения антенн, включения активных антенн и внешних усилителей. При включении магнитолы на этом выходе появляется напряжение 12 В. При отсутствии такого выхода можно на передней панели автомобиля установить выключатель, который будет подавать 12 В на реле включения. При максимальной выходной мощности преобразователь потребляет ток до 40 А.

Автомобильный УМЗЧ на микросхеме TDA7294
(нажмите для увеличения)

На входе по питанию установлен помехоподавляющий LC фильтр. Дроссель фильтра 2DR1 можно намотать на отрезке ферритового стержня проводом ПЭВ диаметром 2 мм, число витков 10-20. Хороший дроссель получаются на обломке феррита от строчного трансформатора телевизоров. Там применен феррит 2000 НМС1. Трансформатор 2T1 намотан на двух вместе сложенных кольцах К42х28х10 марки 2000НМ1. Мотать лучше жгутом из нескольких тонких проводов (набрав необходимое сечение), чем одним толстым (во первых это легче). Технология намотки следующая: выбрав имеющийся провод, например 0,8мм, рассчитываем число проводов исходя из среднего тока 20 А.

Плотность тока берем 5 А на мм2. Получается 8 проводов. Делаем жгут из 16 проводов необходимой длины и наматываем ей первичную обмотку, стараясь распределить обмотку равномерно по сердечнику. Прозвонкой разделяем жгут пополам, начало одной половины соединяем с концом другой. Вторичную обмотку наматываем аналогично. Перед намоткой острые грани ферритовых колец необходимо скруглить. Число витков первичной обмотки 2х6, вторичной обмотки 2a 2x16 витков, обмотки 2б 2х22 витка. Диоды выпрямителя обязательно должны быть высокочастотные (типа КД213А, КД2997), лучше если это будут диоды Шотки. Так у меня КД213А установлены на плате без радиаторов и при максимальной нагрузке греются, но я посчитал нагрев не очень сильным и режим максимальной нагрузки кратковременным. Иначе их нужно ставить на радиатор.

На выходе преобразователя установлены помехоподавляющие LC фильтры. Дроссели фильтров 2DR2-2DR5 можно намотать на отрезках ферритовых стержней диаметром 6 мм проводом ПЭВ 0,8 мм, число витков 20. Емкости конденсаторов на выходе 4700 мкф и 2200 мкф вполне достаточны, так как фильтрация происходит на высокой частоте, их можно уменьшить, но не более чем в 2 раза.

Конструкция. Вся схема усилителя и инвертора смонтирована на одной печатной плате из одностороннего фольгированного стеклотекстолита толщиной 2мм и размерами 280х120 мм. Чертеж печатной платы приведен на рисунке №3, расположение элементов на рисунке №4.

Плата установлена в алюминиевом П-образном корпусе сложной формы с ребрами. Чертеж корпуса приведен на рисунке №5. Все силовые транзисторы, стабилизаторы и микросхемы TDA7294 прикручены через изолирующие прокладки из слюды к промежуточным алюминиевым панелям толщиной 6 мм, которые крепятся болтами к корпусу (с применением теплопроводящей пасты). Поэтому открутив всего несколько (5) болтов M5 плату с панелями можно легко снять с корпуса. Винты, крепящие микросхемы и транзисторы к пластине, не должны выступать за ее плоскость.

Автомобильный УМЗЧ на микросхеме TDA7294
Рис. 5 (нажмите для увеличения). 1 - Прокладка из слюды. 2 - Изоляционная втулка. 3 - Винт М3. 4 - Микросхема TDA7294. 5 - Трансформатор. 6 - Плата

Корпус анодирован, а снаружи кроме этого еще окрашен . Торцы закрыты пластинами из алюминия толщиной 2 мм, которые прикручены непосредственно к плате. На одной из пластин смонтированы входные разъемы и сделаны отверстия по ручки переключателя и регулятора громкости.

Автомобильный УМЗЧ на микросхеме TDA7294. Вид усилителя
Рис. 6

Наладка. Наладку усилителей НЧ целесообразно проводить запитав их от внешнего лабораторного блока питания с регулируемым выходным напряжением по отдельности. Если блок питания не имеет защиты от КЗ, то первое включение каждого УНЧ делаем, подключив его к БП через 2 резистора по 20-50 Ом. Таким образом можно сохранить оконечные транзисторы от выхода из строя при ошибках в монтаже. В усилителях на TDA7294 убеждаемся в отсутствии на выходе постоянного напряжения, проверяем ток покоя.

Подавая на вход сигнал от генератора НЧ, проверяем сигнал на выходе с помощью осциллографа. После этого резисторы можно заменить перемычками. В усилителе для саба также убеждаемся в отсутствии на выходе постоянного напряжения, оно может быть в пределах плюс минус нескольких милливольт, резистором R44 выставляем ток покоя транзисторов VT5, VT6 около 20 мА, ток покоя оконечных транзисторов VT9, VT10 должен быть равен нулю. Подавая на вход сигнал от генератора НЧ, проверяем сигнал на выходе с помощью осциллографа, доводя его до ограничения. После этого резисторы можно заменить перемычками. Выходную мощность проверяем, подключив на выход сопротивление ПЭВ на 25-50 Вт 4 Ом, чтобы не сжечь сопротивление, его можно опустить в банку с водой.

Наладку преобразователя рекомендую начать с не впаянных ключевых транзисторов (или не подавая питание на трансформатор). Проверив работу микросхемы TL494 подаем питание 14 В на трансформатор через лампу 12 В 60 вт. Только полностью отладив работу преобразователя с небольшой нагрузкой, лампу заменяем на предохранитель. Этим вы убережете ключевые транзисторы от выхода из строя при различных ошибках. Для наладки необходимо иметь мощный блок питания 12-14 В на ток 10-20 А или автомобильный аккумулятор. Окончательная наладка производится в автомобиле.

Рекомендации по монтажу усилителя. Обычно усилитель монтируют в багажнике автомобиля, хотя его можно расположить и в другом месте, например под сиденьем водителя. Так как усилитель потребляет ток до 40 А, то для подключения питания +12 В и - 12В необходим медный провод сечением не менее 10 квадратных миллиметров. Провод +12 вольт прокладывают прямо к аккумулятору и подключают к плюсовой клемме через предохранитель на 50 А. Нужно стремиться, чтобы провод от держателя предохранителя до клеммы был как можно короче. Провод минус 12 В подключают к корпусу автомобиля в ближайшей точке или также прокладывают до аккумулятора. Сигнальные экранированные провода от магнитолы прокладывают по полу автомобиля под ковром.

Автомобильный УМЗЧ на микросхеме TDA7294. Панель

Автомобильный УМЗЧ на микросхеме TDA7294

Литература

В. Вильчинский. Усилитель мощности с блоком питания. - Радио, 1990, № 5, с. 52

Печатная плата

Публикация: cxem.net

Смотрите другие статьи раздела Усилители мощности автомобильные.

Читайте и пишите полезные комментарии к этой статье.

<< Назад

Последние новости науки и техники, новинки электроники:

Женщины лучше распознают признаки болезни по лицу 06.01.2026

Способность распознавать, что кто-то нездоров, часто проявляется интуитивно: бледная кожа, опущенные веки, уставшее выражение лица могут сигнализировать о недомогании. Новое исследование международной группы ученых показало, что женщины в среднем точнее мужчин улавливают такие тонкие невербальные признаки болезни, что может иметь эволюционные и социальные объяснения. В отличие от предыдущих работ, где использовались отредактированные фотографии или имитация больных лиц, ученые решили проверить, насколько люди способны распознавать естественные признаки недомогания. Такой подход позволил оценить реальную чувствительность к изменениям в лицах, возникающим при болезни. В исследовании приняли участие 280 студентов, поровну мужчин и женщин. Участникам предложили оценить 24 фотографии, на которых изображены люди как в здоровом состоянии, так и во время болезни. Это дало возможность сравнить восприятие естественных признаков недомогания в реальных лицах. Для анализа состояния каждого ...>>

Робот LG CLOiD 06.01.2026

LG представила своего нового работа CLOiD. Его возможности выходят за рамки простого выполнения команд - он способен адаптироваться к образу жизни владельца и управлять подключенными бытовыми приборами. LG CLOiD объединяет два ключевых направления корейской компании: платформу роботизированной помощи LG Q9 и экосистему умного дома LG ThinQ. На демонстрации робот показал, что умеет готовить завтрак: доставать молоко из холодильника, помещать круассан в духовку и выполнять другие кулинарные задачи. Кроме того, CLOiD может самостоятельно запускать стирку, после сушки складывать одежду и раскладывать ее по шкафу. Таким образом, робот подстраивается под повседневные привычки хозяев и может управлять всеми совместимыми устройствами, подключенными к сети. Конструкция LG CLOiD специально адаптирована для работы в жилых помещениях. Основной блок робота соединен с телом, оснащенным двумя шарнирными руками-манипуляторами, а базируется он на колесной платформе с функцией автономной навигации ...>>

Твердотельные батареи без потерь от замерзания ионов 05.01.2026

Энергетика и электроника сегодня все больше зависят от надежных и безопасных источников энергии. Твердотельные батареи рассматриваются как ключ к следующему этапу развития портативных и стационарных устройств, однако традиционные подходы сталкиваются с фундаментальной проблемой: при затвердевании электролита движение ионов замедляется или полностью останавливается. Новое исследование ученых из Оксфордского университета и их партнеров может изменить это представление и открыть путь к созданию безопасных и эффективных твердых аккумуляторов. В своей работе исследователи разработали новый класс органических электролитов, которые сохраняют высокую ионную проводимость независимо от состояния - жидкого, жидкокристаллического или твердого. Такие материалы получили название "электролиты, независимые от состояния" (state-independent electrolytes, SIE). Аспирантка Джульетт Барклай, первый автор исследования, отмечает, что это доказывает возможность проектировать органические молекулы так, чтоб ...>>

Случайная новость из Архива

Новый источник космических лучей 31.10.2012

Исследователи из CNRS (Французский национальный центр научных исследований) и CEA при работе с европейским астрономическим рентгеновским спутником XMM-Ньютон обнаружили новый источник космических лучей. Он находится в непосредственной близости от звездного Скопления Арки, неподалеку от центра нашей галактики Млечный Путь.

Частицы этого излучения ускоряются в ударной волне, порожденной десятками тысяч молодых звезд Арки, движущихся примерно в одном направлении со скоростью около 700000 км / час. Эти космические лучи, взаимодействуя с атомами окружающего газа, производят характерное рентгеновское излучение. Но происхождение этих космических лучей отличается от обычного излучения, возникающего при взрывах сверхновых звезд. Его обнаружил ровно сто лет назад австрийский физик Виктор Франц Гесс. Он открыл существование ионизирующего излучения внеземного происхождения, которое и назвал космическими лучами. Современные астрофизики в их природе очень хорошо разобрались - когда некоторые звезды в конце своей жизни взрываются и становятся сверхновыми, их вещество выбрасывается со сверхзвуковой скоростью, создавая ударные волны, ускоряющие частицы. В результате некоторые атомные ядра получают очень высокую кинетическую энергию и входят в атмосферу Земли.

Тем не менее, низкоэнергетические космические лучи в районе нашей планеты не обнаружены, так как солнечный ветер предотвращает их попадание в атмосферу. Поэтому об их химическом составе известно немного, так как их поток в основном проходит за пределами Солнечной системы. Хотя всё говорит о том, что они играют важную роль в Галактике. Например, от ионизирующих и горячих плотных межзвездных облаков, по всей вероятности, зависит образование новых звезд.

Авторы статьи начали с изучения рентгеновского излучения, которое теоретически должно порождать низкоэнергетические космические лучи в межзвездной среде. Затем они искали признаки этого излучения в данных рентгеновского диапазона, собранных телескопом XMM-Newton более, чем за десять лет его работы.

Анализируя свойства рентгеновского излучения межзвездного железа по записям со спутника, они обнаружили следы больших быстродвижущихся ионных популяций. Они происходят из окрестностей звездного кластера Арки, находящегося на расстоянии около ста световых лет от центра нашей галактики Млечный Путь. По всей вероятности, они возникают, когда звезды Арки на большой скорости сталкиваются с газовым облаком на своем пути. В данном конкретном регионе, плотность энергии ускоренных ионов в тысячи раз больше, чем у космических лучей в окрестностях Солнечной системы.

Это первый случай, когда основной источник низкоэнергетических космических лучей был обнаружен за пределами Солнечной системы. Все указывает на то, что сообщать ионам большие скорости могут газопылевые облака, а не только ударные волны сверхновых, как считалось до сих пор.

Другие интересные новости:

▪ Самый крошечный смартфон

▪ Однокристальная система Exynos 9611

▪ Определена максимальная скорость передачи данных в сетях 5G

▪ Внутреннее ядро Земли движется в разные стороны

▪ Портативный пылесос для уборки шерсти домашних животных

Лента новостей науки и техники, новинок электроники

 

Интересные материалы Бесплатной технической библиотеки:

▪ раздел сайта Начинающему радиолюбителю. Подборка статей

▪ статья Цирк зажигает огни. Крылатое выражение

▪ статья Почему Дирак хотел отказаться от Нобелевской премии? Подробный ответ

▪ статья Трейд-маркетолог. Должностная инструкция

▪ статья Принцип действия электронного стартера на микросхеме EFS STARLIGHT KIT. Энциклопедия радиоэлектроники и электротехники

▪ статья Чудо-коврик с утками. Секрет фокуса

Оставьте свой комментарий к этой статье:

Имя:


E-mail (не обязательно):


Комментарий:




Комментарии к статье:

Александр
Где купить такой усилитель?


Главная страница | Библиотека | Статьи | Карта сайта | Отзывы о сайте

www.diagram.com.ua

www.diagram.com.ua
2000-2026