Áåñïëàòíàÿ òåõíè÷åñêàÿ áèáëèîòåêà
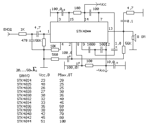
Óñèëèòåëü íà ìèêðîñõåìå STK40**. Ýíöèêëîïåäèÿ ðàäèîýëåêòðîíèêè è ýëåêòðîòåõíèêè

Ýíöèêëîïåäèÿ ðàäèîýëåêòðîíèêè è ýëåêòðîòåõíèêè / Óñèëèòåëè ìîùíîñòè òðàíçèñòîðíûå
Êîììåíòàðèè ê ñòàòüå

Ïóáëèêàöèÿ: cxem.net
Ñìîòðèòå äðóãèå ñòàòüè ðàçäåëà Óñèëèòåëè ìîùíîñòè òðàíçèñòîðíûå.
×èòàéòå è ïèøèòå ïîëåçíûå êîììåíòàðèè ê ýòîé ñòàòüå.
<< Íàçàä
Ïîñëåäíèå íîâîñòè íàóêè è òåõíèêè, íîâèíêè ýëåêòðîíèêè:
Îïòèìàëüíàÿ ïðîäîëæèòåëüíîñòü ñíà
12.11.2025
Ñîí èãðàåò êëþ÷åâóþ ðîëü â ïîääåðæàíèè çäîðîâüÿ, êîãíèòèâíûõ ôóíêöèé è îáùåãî ñàìî÷óâñòâèÿ. Íåñìîòðÿ íà øèðîêî ðàñïðîñòðàíåííûé ñòåðåîòèï î âîñüìè÷àñîâîì ñíå, ïîñëåäíèå èññëåäîâàíèÿ ïîêàçûâàþò, ÷òî îïòèìàëüíàÿ ïðîäîëæèòåëüíîñòü ñíà äëÿ áîëüøèíñòâà çäîðîâûõ âçðîñëûõ áëèæå ê ñåìè ÷àñàì.
Ýâîëþöèîííûé áèîëîã èç Ãàðâàðäà, Äýíèåë Ý. Ëèáåðìàí, óòâåðæäàåò, ÷òî òðàäèöèîííàÿ íîðìà âîñüìè ÷àñîâ ñíà - ýòî ñêîðåå êóëüòóðíîå íàñëåäèå èíäóñòðèàëüíîé ýïîõè, ÷åì áèîëîãè÷åñêàÿ íåîáõîäèìîñòü. Ïî åãî ñëîâàì, ïîëåâûå èññëåäîâàíèÿ, ïðîâåäåííûå â ñîîáùåñòâàõ, íå èñïîëüçóþùèõ ýëåêòðè÷åñòâî, ïîêàçûâàþò, ÷òî ñðåäíÿÿ ïðîäîëæèòåëüíîñòü ñíà ñîñòàâëÿåò 6-7 ÷àñîâ, ÷òî çíà÷èòåëüíî îòëè÷àåòñÿ îò îáùåïðèíÿòîãî ñòàíäàðòà.
Ñîâðåìåííûå ýïèäåìèîëîãè÷åñêèå äàííûå ïîäòâåðæäàþò ýòîò âçãëÿä. Èññëåäîâàíèÿ âûÿâèëè òàê íàçûâàåìóþ "U-îáðàçíóþ êðèâóþ" çàâèñèìîñòè ìåæäó ïðîäîëæèòåëüíîñòüþ ñíà è ðèñêàìè äëÿ çäîðîâüÿ. Ìèíèìàëüíûå ïîêàçàòåëè çàáîëåâàåìîñòè è ñìåðòíîñòè íàáëþäàþòñÿ èìåííî ó ëþäåé, ñïÿùèõ îêîëî ñåìè ÷àñîâ â ñóòêè. ...>>
Äåôèöèò êèñëîðîäà óñèëèâàåò âûáðîñ çàêèñè àçîòà
12.11.2025
Ïàðíèêîâûå ãàçû èãðàþò êëþ÷åâóþ ðîëü â èçìåíåíèè êëèìàòà, à çàêèñü àçîòà (N2O) - îäèí èç íàèáîëåå îïàñíûõ ñðåäè íèõ. Ýòîò ãàç íå òîëüêî âòðîå ñèëüíåå óãëåêèñëîãî ãàçà â óäåðæàíèè òåïëà, íî è ðàçðóøàåò îçîíîâûé ñëîé. Íåäàâíåå èññëåäîâàíèå àìåðèêàíñêèõ ó÷åíûõ ïîêàçàëî, ÷òî ìèêðîáû â çîíàõ ñ íèçêèì ñîäåðæàíèåì êèñëîðîäà àêòèâíî ïðîèçâîäÿò N2O, óñèëèâàÿ ãëîáàëüíûå êëèìàòè÷åñêèå ðèñêè.
Êîìàíäà èç Óíèâåðñèòåòà Ïåíñèëüâàíèè èçó÷àëà ïðèáðåæíûå âîäû ó Ñàí-Äèåãî è ïðîâåëà íàáëþäåíèÿ íà ãëóáèíàõ îò 40 äî 120 ìåòðîâ â Âîñòî÷íîé òðîïè÷åñêîé ñåâåðíîé ÷àñòè Òèõîãî îêåàíà - îäíîé èç êðóïíåéøèõ çîí äåôèöèòà êèñëîðîäà. Èññëåäîâàòåëè ñîñðåäîòî÷èëèñü íà òîì, êàê ìîðñêèå ìèêðîîðãàíèçìû ïðåâðàùàþò íèòðàòû â çàêèñü àçîòà.
 õîäå ðàáîòû âûÿñíèëîñü, ÷òî ñóùåñòâóåò äâà ïóòè îáðàçîâàíèÿ N2O. Îäèí ïóòü íà÷èíàåòñÿ ñ íèòðàòà, äðóãîé - ñ íèòðèòà. Íà ïåðâûé âçãëÿä áîëåå êîðîòêèé ïóòü äîëæåí áûòü ýôôåêòèâíåå, îäíàêî ìèêðîáû, èñïîëüçóþùèå íèòðàò, ïðîäóöèðóþò áîëüøå ãàçà, ïîñêîëüêó ýòîò "ñûðüåâîé" èñòî÷íèê áîëåå ä ...>>
Îìåãà-3 ïîìîãàþò ìîëîäûì êîðàëëàì âûæèâàòü
11.11.2025
Ñîõðàíåíèå êîðàëëîâûõ ðèôîâ ñòàíîâèòñÿ âñå áîëåå àêòóàëüíîé çàäà÷åé â óñëîâèÿõ ãëîáàëüíîãî èçìåíåíèÿ êëèìàòà. Ìîëîäûå êîðàëëû îñîáåííî óÿçâèìû íà ðàííèõ ñòàäèÿõ ðàçâèòèÿ, êîãäà ñòðåññîâûå óñëîâèÿ è íåõâàòêà ïèòàòåëüíûõ âåùåñòâ ìîãóò ïðèâåñòè ê âûñîêîé ñìåðòíîñòè. Íåäàâíåå èññëåäîâàíèå ó÷åíûõ èç Òåõíîëîãè÷åñêîãî óíèâåðñèòåòà Ñèäíåÿ ïîêàçûâàåò, ÷òî ñïåöèàëüíûå ïèùåâûå äîáàâêè ñïîñîáíû ñóùåñòâåííî ïîâûñèòü âûæèâàåìîñòü ëè÷èíîê êîðàëëîâ.
 õîäå ðàáîòû èññëåäîâàòåëè ðàçðàáîòàëè îñîáûé ñîñòàâ "äåòñêîãî ïèòàíèÿ" äëÿ êîðàëëîâûõ ëè÷èíîê.  íåãî âîøëè ìàñëà, áîãàòûå îìåãà-3 æèðíûìè êèñëîòàìè, à òàêæå âàæíûå ñòåðèíû, íåîáõîäèìûå äëÿ ôîðìèðîâàíèÿ êëåòî÷íûõ ìåìáðàí. Ëè÷èíêè, ïîëó÷àâøèå ýòè äîáàâêè, ðàçâèâàëèñü áûñòðåå, ñòàíîâèëèñü êðåï÷å è äåìîíñòðèðîâàëè áîëåå âûñîêóþ óñòîé÷èâîñòü ê ñòðåññîâûì ôàêòîðàì.
Îñîáîå âíèìàíèå ó÷åíûå óäåëèëè ëèïèäàì. Àíàëèç ïîêàçàë, ÷òî ëè÷èíêè àêòèâíî óñâàèâàþò ýòè âåùåñòâà, ÷òî íàïðÿìóþ âëèÿåò íà èõ æèçíåñïîñîáíîñòü. Ñòåðèíû, ñîäåðæàùèåñÿ â êîðìå, ïîâûøàþò óñòîé÷è ...>>
Ñëó÷àéíàÿ íîâîñòü èç Àðõèâà Îïòîâîëîêîííàÿ ñåòü êàê ïðåäñêàçàòåëü çåìëåòðÿñåíèé
30.10.2017
Çåìëåòðÿñåíèÿ - îäíè èç ñàìûõ ðàçðóøèòåëüíûõ ïðèðîäíûõ êàòàêëèçìîâ. Èíîãäà äàæå íåñêîëüêî ìèíóò â ïðåäóïðåæäåíèè î íèõ ìîãóò áûòü ðåøàþùèìè. È òåïåðü ó÷åíûå èç Ñòýíôîðäà âûäâèíóëè èíòåðåñíîå ïðåäëîæåíèå î òîì, êàê ñîçäàòü ïî?íàñòîÿùåìó ãëîáàëüíóþ ñåòü ïî ðàííåìó îáíàðóæåíèþ çåìëåòðÿñåíèé.
Ñåé÷àñ òàêàÿ ñèñòåìà òðåáóåò óñòàíîâêè âûñîêî÷óâñòâèòåëüíûõ ñåíñîðîâ, êîòîðûå áóäóò çàìåðÿòü ìàëåéøèå òîë÷êè, ñïîñîáíûå ñèãíàëèçèðîâàòü î òîì, ÷òî áîëüøîå áåäñòâèå óæå ðÿäîì. Íî ñòàíäàðòíûå äàò÷èêè íå ìîãóò îõâàòèòü âñå, ïîýòîìó ãðóïïà ó÷åíûõ èç Ñòýíôîðäà ïðåäëîæèëà äðóãîå ðåøåíèå: îïòîâîëîêîííóþ ñåòü.
Îïòîâîëîêîííûå êàáåëè ïåðåäàþò èíôîðìàöèþ ïðàêòè÷åñêè ñî ñêîðîñòüþ ñâåòà è èñïîëüçóþòñÿ òåëåêîììóíèêàöèîííûìè êîìïàíèÿìè ïî âñåìó ìèðó. Íî îíè òàêæå èñïîëüçóþòñÿ íåôòå- è ãàçîäîáûâàþùèìè êîìïàíèÿìè äëÿ ìîíèòîðèíãà íåáîëüøèõ òîë÷êîâ, âûçâàííûõ áóðèëüíûì îáîðóäîâàíèåì. Ïðè òàêèõ çàìåðàõ íóæíà õàðàêòåðèñòèêà êàáåëåé ïîä íàçâàíèåì "îáðàòíîå ðàññåÿíèå", ñ ïîìîùüþ çàìåðÿþò äâèæåíèå êàáåëåé è çàïèñûâàþò ñåéñìè÷åñêèå ñîáûòèÿ.
Íà îäíîì êîíöå êàáåëÿ åñòü ëàçåð, êîòîðûé ïîñûëàåò ñâåò. ×àñòü ñâåòà ïîïàäàåò íà ïðèìåñè è äåôåêòû â ñòåêëÿííûõ ñòåíêàõ êàáåëÿ è îòðàæàåòñÿ: ýòî è åñòü "îáðàòíîå ðàññåÿíèå", î êîòîðîì øëà ðå÷ü. Ñèãíàë, ïîëó÷åííûé â òàêèõ óñëîâèÿõ, ìîæåò ìåíÿòüñÿ â çàâèñèìîñòè îò òîãî, äâèãàëàñü ëè òà ÷àñòü êàáåëÿ, ãäå ïðîèçîøëî îòðàæåíèå, è ôèêñàöèÿ òàêèõ ñèãíàëîâ ìîæåò äàòü ó÷åíûì êàðòó ñåéñìè÷åñêîé àêòèâíîñòè íà áîëüøîé òåððèòîðèè.
Îáû÷íî îïòîâîëîêîííûå äåòåêòîðû ïðèêðåïëÿþò ê òðóáàì èëè äðóãîìó îáîðóäîâàíèÿ, íî äëÿ îáíàðóæåíèÿ çåìëåòðÿñåíèé èññëåäîâàòåëÿì íóæíû ñâîáîäíûå êàáåëè, à ýòî ñ÷èòàåòñÿ ïðàêòè÷åñêè íåâîçìîæíûì, òàê êàê ïî ìíåíèþ áîëüøèíñòâà íåçàêðåïëåííûé êàáåëü áóäåò ãåíåðèðîâàòü ñëèøêîì ìíîãî ñèãíàëîâ, ÷òîáû áûòü ïîëåçíûì.
Íî èñïîëüçîâàâ ïÿòèêèëîìåòðîâûé êàáåëü íà òåððèòîðèè ñàìîãî óíèâåðñèòåòà, èññëåäîâàòåëè ïðîäåìîíñòðèðîâàëè, ÷òî îïòîâîëîêíî ãîäèòñÿ äëÿ òàêèõ öåëåé. Ñ ïîìîùüþ ñâîåé ñåòè îíè ñìîãëè çàñå÷ü îêîëî 800 ñåéñìè÷åñêèõ òîë÷êîâ, âêëþ÷àÿ çåìëåòðÿñåíèå â Ìåêñèêå è äâà ìàëåíüêèõ ìåñòíûõ çåìëåòðÿñåíèÿ íà 1,6 è 1,8 áàëëà.
Ýòî çíà÷èò, ÷òî ó÷åíûå ìîãóò çàñåêàòü çåìëåòðÿñåíèÿ ñ ïîìîùüþ óæå ñóùåñòâóþùåé îïòîâîëîêîííîé ñåòè êîììóíèêàöèîííûõ êîìïàíèé. Êîíå÷íî, òàêèå êàáåëè íå ñðàâíÿòñÿ ïî ÷óâñòâèòåëüíîñòè ñ òðàäèöèîííûìè ñåéñìîìåòðàìè, íî îíè ãîðàçäî äåøåâëå è äàþò áîëüøåå ïîêðûòèå òåððèòîðèè.
|
Äðóãèå èíòåðåñíûå íîâîñòè:
▪ Íàóøíèêè óñëûøàò êîíêðåòíîãî ÷åëîâåêà
▪ Ñîëíå÷íûé âåëîñèïåä
▪ Ïðèòÿãèâàþùèå ëó÷è
▪ Êðåìíèé ñîõðàíÿåò ïðîâîäèìîñòü ïðè ñâåðõíèçêèõ óðîâíÿõ çàðÿäà
▪ Áåñïðîâîäíîé BLE-äàò÷èê STEVAL-BCN002V1B
Ëåíòà íîâîñòåé íàóêè è òåõíèêè, íîâèíîê ýëåêòðîíèêè
Èíòåðåñíûå ìàòåðèàëû Áåñïëàòíîé òåõíè÷åñêîé áèáëèîòåêè:
▪ ðàçäåë ñàéòà Àóäèî è âèäåîíàáëþäåíèå. Ïîäáîðêà ñòàòåé
▪ ñòàòüÿ Ïðèðîäà íå õðàì, à ìàñòåðñêàÿ, è ÷åëîâåê â íåé ðàáîòíèê. Êðûëàòîå âûðàæåíèå
▪ ñòàòüÿ Ïî÷åìó Áåëûé Äîì òàê íàçûâàåòñÿ? Ïîäðîáíûé îòâåò
▪ ñòàòüÿ Ïîëåçíûå ñîâåòû. Ñîâåòû ðàäèîëþáèòåëÿì
▪ ñòàòüÿ Ñãóùåííîå ìîëîêî. Ïðîñòûå ðåöåïòû è ñîâåòû
▪ ñòàòüÿ Ôîòîðåçèñòîðû. Ýíöèêëîïåäèÿ ðàäèîýëåêòðîíèêè è ýëåêòðîòåõíèêè
Îñòàâüòå ñâîé êîììåíòàðèé ê ýòîé ñòàòüå:
Ãëàâíàÿ ñòðàíèöà | Áèáëèîòåêà | Ñòàòüè | Êàðòà ñàéòà | Îòçûâû î ñàéòå

www.diagram.com.ua
2000-2025