Menu Home

Бесплатная техническая библиотека для любителей и профессионалов Бесплатная техническая библиотека


Усилитель класса ЭА (Super A, Non switching). Энциклопедия радиоэлектроники и электротехники

Бесплатная техническая библиотека

Энциклопедия радиоэлектроники и электротехники / Усилители мощности транзисторные

Комментарии к статье Комментарии к статье

(Пять вариантов)

Приведено подробное описание для изучения принципа работы и изготовления.

Этот усилитель мощности звуковой частоты разрабатывался с соблюдением следующих условий:
1. Усилитель должен быть прост в изготовлении и настройке, и доступен для повторения.
2. УМ должен обладать как мягкостью, так и жесткостью звука в зависимости от фонограммы.
3. Схема УМ должна быть полностью симметрична.
4. Все качественные параметры должны задаваться операционным усилителем, а выходные каскады их точно повторять.
5. Использование только комплементарных (p-n и n-p) пар транзисторов для симметрии схем.
6. Возможность выбора режима работы оконечных каскадов (А, ЭА, АВ,).
(В любом из этих режимов выходные транзисторы закрываются и открываются плавно).
7. Применение полевых транзисторов без изменения схемы (только подстройкой смещения).
8. Нечувствительность к просадкам питания (не требуется стабилизированный блок питания).
9. Экономичность и возможность задать различные тепловые режимы для возможности встроить УМ в уже имеющуюся аппаратуру.
10. Формирование режимов транзисторов только полезным сигналом относительно стабильного напряжения или тока для снижения искажений от нестабильности и просадок питания.

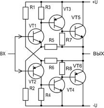
Принцип работы

Изначально этот УМЗЧ (рис. 1) разрабатывался как макет для исследования нелинейных искажений в усилителях. Входные каскады вообще не должны были иметь искажений типа "ступенька". Для этого наиболее подходят каскады как бы подключенные в параллель между + и - питания (VT1,VT2), за что и получили название "параллельные". Эмиттер VT1(VT2) был подключен к потенциалу ниже отрицательного входного напряжения, чтобы получить возможность регулирования момента и характера закрывания VT5(VT6) (режим А, ЭА, АВ, В). Затем возникла идея подавать на эмиттеры VT1,VT2 напряжение обратной связи (ООС) через R5 (R6) в уже образовавшиеся параллельные (они же одновременно и композитные) каскады, которое понижает потенциал эмиттера VT1 (VT2), препятствуя резкому закрыванию и открыванию VT5 (VT6), и таким образом формировать токи покоя в режиме ЭА.

 Усилитель класса ЭА (Super A, Non switching), Принцип действия усилителяУсилитель класса ЭА (Super A, Non switching), Типы нелинейных искажений в усилителях мощности

Результаты исследований сведены в осциллограмму выходных токов (рис. 2), где (1) - ток в нагрузке, +I - ток VT5, -I - ток VT6. Режимы устанавливались умышленно для определения порога появления искажений. Точка 2 - искажения типа "ступенька" в режиме В, когда VT5 резко закрылся, а VT6 еще не открылся. В т.2 возможны всплески сигнала с другой частотой, присутствующей в составе сигнала или при подаче на вход усилителя одновременно двух частот. Такой УМ имеет большой коэффициент гармоник, ВЧ в нем будут звучать резко, с шипящими призвуками, а синусоида будет иметь повышенную крутизну спада-подъема. Медленно открывавшийся на малых сигналах транзистор, затем резко открывается, искажая сигнал. Правильная траектория - линия 3. Видно, что относительно линии 3 (полупериод) образовалась синусоида (период), что означает призвуки с удвоенной частотой (гулкий звук). При улучшении режима В участок 2 превращается в яркостную точку, а затем исчезает.

Далее, при исследовании нелинейных искажений, стало ясно, что искажения формы сигнала и увеличение коэффициента гармоник (т.4) происходят даже в режиме А с большими токами покоя, если противоположное плечо закрывается непропорционально сигналу (слишком резко), ускоряя тем самым прирост тока в нагрузке. Звук у такого УМ будет звонкий, с металлическим эхом, как при ударе по резиновому мячу. По этой причине некоторые усилители с высокими параметрами и большими токами покоя звучали хуже, и обладали худшей естественностью звучания, чем более простые в схемотехническом отношении усилители. В режиме А, если жестко стабилизировать ток покоя (в данном случае 250 мА, штриховая линия) в точке 5 происходит резкий излом, что моментально сказывается на линейности характеристики открывающегося в этот момент нижнего плеча (4). В точке 4 возможны изломы и всплески выходного сигнала.

Значит, важен не столько ток покоя транзисторов, сколько их плавное (как можно ближе к форме полезного сигнала) открывание и закрывание. Это полностью подтверждает правоту источника [1], и позволяет применить в данном УМ экономичный режим А (ЭА) (Iо, линия 7 и 8 на рис. 2). Этот режим еще называют Super A, или Non switching (без переключения) [1], но название ЭА ближе к истине. Дело в том, что ЭА производит динамическое снижение токов покоя без ухудшения параметров (с улучшением качества звучания!), что уменьшает нагрев выходных транзисторов за счет уменьшения сквозных токов, повышает экономичность и КПД усилителя.

Усилитель класса ЭА (Super A, Non switching), Усилитель класса ЭА. Вариант 2

Принцип работы усилителя (рис. 3)

Входной сигнал подается на неинвертирующий вход ОУ и усиливается до 8В. С выхода ОУ через R8 сигнал поступает на базы VT3, VT4. Так как эмиттеры VT3 и VT4 подключены к стабилизированному источнику напряжения, а питание ОУ тоже стабилизировано, то ток коллектора VT3,VT4 зависит только от уровня сигнала, и мало зависит от напряжения питания. Фактически VT3(VT4) является управляемым генератором тока для VT5(VT6), а значит, влияние Uпит на ток коллектора VT5 тоже будет ослаблено. А ток VT11 в свою очередь зависит от тока коллектора VT5. Это означает, что в усилителе отсутствует модуляция полезного сигнала питающим напряжением даже без ООС, и качество звучания, особенно на НЧ, будет такое же, как в усилителях со стабилизированным источником питания.

Просадки питания будут заметны только на максимальной мощности, при выходном напряжении близком к напряжению питания. Транзисторы VT3 и VT5 (VT4 и VT6) составляют композитные каскады, в которые введен делитель, определяющий коэффициент усиления. Такое удачное сочетание дает возможность подать сигнал отрицательной обратной связи (ООС) непосредственно в цепь эмиттера VT3 (VT4) через R27(R28), и одновременно позволяет простым способом формировать работу выходных каскадов в режиме ЭА, получив высокую линейность при большой скорости нарастания и коэффициенте усиления. Напряжение ООС подается на эмиттер VT3(VT4), препятствуя его резкому закрыванию. Даже при работе с отсечкой тока на максимальных уровнях сигнала (осц.6) выходные транзисторы заранее плавно открываются и не создают искажений на малых уровнях сигнала (область, наиболее благоприятная для возникновения гармоник). Коэффициент усиления транзисторной части усилителя равен отношению R27/R17 (R28/R18)+1. Коэффициент усиления всего усилителя равен отношению R5/R3+1. Чувствительность усилителя устанавливается подбором R3.

Выбор режима работы усилителя

При разработке и испытаниях любого УМЗЧ, главная задача - достичь максимального качества при минимальном нагреве. Усилитель тестировался во всех режимах от А до В (рис. 2, осц. 6, 7, 8). В этом УМ фактически отсутствует режим В. Отсечка тока верхнего плеча (линия 6) происходит при токе нижнего плеча более 2А, что мало сказывается на форме полезного сигнала, и фактически является режимом АВ, только с формированием спада-подъема по принципу ЭА. Следует заметить, что форма токов покоя по осц.7 идеализирована и практически является режимом А. Неоправданно низкий КПД, нагрев мало отличался от режима А, при этом заметного улучшения звучания нет. И даже наоборот, (по мнению автора) звук слишком сглаживался, терялась проработка ВЧ на некоторых композициях. По экономичности наиболее идеальным является режим по осц.9, со спадающим до 0 на максимальном сигнале током покоя.

Экспериментально была определена форма тока при максимальной экономичности (осц.8, 40 мА, без отсечки), и был сделан первый вариант усилителя. Затем, за счет увеличения местной ООС, появилась возможность увеличить динамический прирост тока входных транзисторов, что снизило гармоники вдвое. Качество звучания повысилось. При этом оказалось, что когда режим ЭА выведет ток на прямой участок, уже нет разницы, есть отсечка тока, или нет (осц.6 и 8). Звучание практически не меняется. Так делались второй и следующие варианты. Конечно, любой желающий может выбрать любую из семейства характеристик тока покоя (рис. 2) по своему усмотрению. Для увеличения остаточного тока (работа без отсечки) необходимо уменьшить R13-R14 до 360…340 Ом, увеличив постоянную составляющую с помощью R16. Чтобы при этом придать току покоя форму осц.7, нужно R11-R12 уменьшить до 5,6…5,1к. (Изменения следует вносить при отключенных выходных транзисторах).

Первый вариант усилителя

Его схема полностью идентична приведенной на рис. 3, и отличается от последующих только  номиналами R13-R14=360 Ом, R27-R28=4,3k. Ток покоя имеет форму осц.8.

Второй вариант усилителя (рис. 3) отличается от первого изменением режимов работы VT3-VT4 и введения более глубокого режима ЭА (имеется ввиду более плавный подъем-спад тока покоя). Увеличен динамический прирост тока на R13-R14 и уменьшена его постоянная составляющая (R15-R16). Кроме повышения качества звука это повысило эффективность термокомпенсации. Более глубокий режим ЭА значительно снизил уровень звонких тембров (нечетные гармоники), и почти полностью исключил какую-либо тембровую окраску звука. В сочетании с нулевым выходным сопротивлением усилителя это заставляет очень качественно звучать любые АС. При правильном выборе ОУ, подборе транзисторов по коэффициенту усиления и номиналов элементов для симметрии плеч, коэффициент гармоник составляет не более 0,0006% на 1 кГц, и 0,002 на частоте 20кГц. То покоя имеет форму осц.6 (0…5 мА).

Третий вариант усилителя (рис. 4)

Пути дальнейшего улучшения параметров вытекают из особенностей элементной базы. Известно, что искажения ОУ растут с повышением частоты, выходного напряжения и тока. Достичь всех высоких параметров в одном ОУ затруднительно. Выходом из этой ситуации является применение буферного каскада из ОУ с высокой нагрузочной способностью, т.е. композитное включение двух ОУ. Сразу в 2-4 раза снижается выходное напряжение первого ОУ, почти во столько же коэффициент гармоник, и в два раза коэффициент усиления второго (буферного) ОУ. В качестве первого каскада лучше всего применить ОУ с полевыми транзисторами на входе, с очень низким Кг и первым полюсом выше звукового диапазона, а в качестве второго - ОУ с ТОС, обладающие очень высокой скоростью нарастания выходного напряжения и нагрузочной способностью. Высокочастотные ОУ с ТОС имеют очень низкие искажения в звуковом диапазоне.

Известно также, что коэффициент усиления и линейность характеристики транзистора зависит от тока коллектора, т.е. чем меньше диапазон изменения тока, тем искажения ниже. Выход - применение спаренных транзисторов в выходных каскадах. На основании этого и был разработан третий вариант усилителя. При правильном подборе ОУ, коэффициентов усиления транзисторов и номиналов элементов для симметрии плеч, в нем реально достичь коэффициента гармоник не более 0,0005% на 1кГц, и не более 0,001 во всем диапазоне частот и мощностей.

Усилитель класса ЭА (Super A, Non switching), Усилитель класса ЭА. Вариант 3
(нажмите для увеличения)

Четвертый вариант усилителя

Его отличие в применении стабилизированного питания для предоконечных каскадов, применении FF ОУ, и возможности собрать печатную плату на SMD компонентах (поверхностный монтаж), что значительно понижает его габариты. Следует подобрать SMD аналоги указанных на схеме транзисторов. Как отмечалось выше, качество звучания и уровень выходного напряжения этого усилителя не зависят от просадок и пульсаций напряжения питания. Применение стабилизированного питания предоконечных каскадов в данном случае дает только независимость тока покоя выходных транзисторов от больших изменений сетевого напряжения, и может быть применено по желанию изготовителя. Нумерация компонентов оставлена по вариантам 1 и 2.

Усилитель класса ЭА (Super A, Non switching), Усилитель класса ЭА. Вариант 4

Пятый вариант усилителя

Применение в оконечных каскадах составных транзисторов позволило упростить схему и настройку усилителя, что важно для начинающих и малоопытных радиолюбителей. Значительное уменьшение его габаритов позволяет конкурировать по габаритам с УМЗЧ в интегральном исполнении, обладая более высокими параметрами. При этом линейность усиления на НЧ больше, чем у микросхем УМЗЧ, больше выходное напряжение при относительно низком напряжении питания, нечувствительность к просадкам питающего напряжения, что особенно важно для малогабаритных блоков питания. Схема двухканального варианта приведена на рисунке ниже. В этом случае ОУ и стабилизаторы напряжения VT1-VT2 являются общими.

Усилитель класса ЭА (Super A, Non switching), Усилитель класса ЭА. Вариант 5

Усилитель варианта 5 практически не требует налаживания. Все сводится к проверке напряжений питания, отсутствия постоянного напряжения на выходе, и установке желаемого тока покоя при максимально нагретых выходных транзисторах. Дрейф тока покоя от температуры здесь меньше, чем в варианте 2 за счет меньшего усиления по току, но за счет большого усиления по напряжению составных транзисторов возможно чрезмерное усиление и ограничение сигнала, что не всегда полезно для АС. Поэтому R19-R20 не следует делать меньше 0,075 Ом даже для мощных АС. При желании можно добавить терморегулировку и защиту по току из варианта 2. Если возникают трудности с замером сопротивления 0,075 Ом, то можно выйти из положения двумя способами. 1) Соединить в параллель два резистора по 0,15 Ом или четыре по 0,3 Ом. 2) Замерить сопротивление константановой или нихромовой проволоки (например, разобрав проволочный резистор 0,51 Ом, 1%), выпрямить его, и точно разделить по длине на равные части, получив нужное сопротивление. Концы отрезка желательно залудить на таблетке аспирина и протереть спиртом. Выпрямленный отрезок нихрома не будет иметь индуктивности, и может быть впаян в плату в виде перемычки или скобки. Коэффициент гармоник усилителя 5 варианта не измерялся, но субъективно по звучанию составляет не более 0,008% во всем диапазоне частот и мощностей.

В качестве примера на рис. 12-13 приведена печатная плата двухканального варианта усилителя. В качестве выходных применены транзисторы TIP142T/TIP147T в корпусах ТО-220, и имеющие меньшие габариты, чем TIP142/TIP147 в корпусах ТО-3Р. При встраивании в мультимедийные колонки, где есть вибрация, R13-R14 заменены одним постоянным 92…100к. В миниатюрном исполнении, на маленьких радиаторах, его следует подобрать такой величины, чтобы на холодных радиаторах ток покоя составлял 5…10мА, и при прогреве никогда не поднимался выше 40…60 мА. Такой режим можно классифицировать как АВ+ЭА. Конденсатор С1- малогабаритный керамический, С3 - неполярный электролитический.

Параметры усилителя полностью зависят от типа применяемого ОУ. Максимально возможная синусоидальная выходная мощность усилителя второго варианта - 120 Вт, но на нагрузке 4 Ом и напряжении питания выше +/-35В нужно ограничивать ток VT11, VT12 (R33, R34) или умощнять их, иначе рассеиваемая мощность на выходных транзисторах превысит предельно допустимую. При применении нагрузки только 4 Ом, напряжение питания не обязательно поднимать выше +/-35В. Правда при этом понизится выходная мощность на нагрузке 8 Ом. По мнению автора, АС с сопротивлением 6-8 Ом обладают большей естественностью звучания, а АС 4Ом - большей отдачей мощности и динамикой. АЧХ усилителя линейна от постоянного тока (без С1) до 200 кГц (без С2, С6), с плавным уменьшением амплитуды от 200кГц до 1мГц. При подаче на вход усилителя сигнала частотой 1мГц с амплитудной модуляцией частотой 1кГц его принимал средневолновый приемник. Постоянное напряжение подавалось на вход УМ (без С1) от 0 до 1В с шагом 10мВ, при этом выходное напряжение абсолютно линейно возрастало от 0 до 30В, т.е. усилитель вел себя как прецизионный усилитель постоянного тока, что свидетельствует о его высокой линейности усиления и как следствие - низком коэффициенте гармоник и высокой верности звучания.

Усилитель был испытан прямоугольными импульсами частотой 2 кГц на активной нагрузке 6 Ом. При этом была получена скорость нарастания выходного напряжения 30 В/мкс и была ограничена только источником прямоугольных импульсов, искажений формы сигнала и выбросов не замечено. Номинальное выходное напряжение = Uпит.-5 В. Максимальное выходное напряжение усилителя = Uпит.-3В. При уменьшении напряжения питания двуполярным регулируемым блоком питания амплитуда выходного сигнала не уменьшается до тех пор, пока питание не достигнет величины Uвых + 5В, и при Uпит = Uвых+3В наступает плавное ограничение выходного сигнала.

Выходное сопротивление усилителя = 0. Усилитель не чувствителен к фону блока питания с переменной составляющей до 100мВ. Диапазон питающих напряжений - от +/- 25 до +/-40В. Измерения искажений производились с помощью двух генераторов Г3-118 и входящих в комплект режекторных фильтров. Уровень общих нелинейных искажений, при подаче на вход сигналов от 20 Гц до 20 кГц, был ниже, чем приведен в [1] (рис. 8), и находился на уровне наводок самого осциллографа С1-65А (0,2…0,3мВ при выходном напряжении 32В), что предполагает коэффициент гармоник не более 0,002%. То же самое показали измерения с помощью спектр-анализатора компьютера. Но при этом главной целью было выполнение условия 2. Усилитель испытывался и эксплуатировался при Iо = 150 мА с качественным радиатором.

Несмотря на относительно большое количество деталей, собственно усилитель состоит из микросхемы и 6 транзисторов (VT3, VT4, VT5, VT6, VT11, VT12). VT1 и VT2 - стабилизаторы напряжения +/- 15 В; VT7, VT8 - узлы термокомпенсации тока покоя выходных транзисторов; VT9, VT10 - ограничители максимального тока (6А). VT1, VT2, VT9, VT10, VD1, VD2, R9, R10, R19-R20, R33, R34 при наличии отдельного стабилизированного источника +/- 15 В и при уменьшении выходной мощности (Uпит.= +/-25В, Pвых 50Вт) из схемы можно исключить и изготовить упрощенный малогабаритный вариант УМ.

Устройство термокомпенсации

Следует отметить, что ток покоя усилителя может значительно изменяться при прогреве транзисторов (особенно VT3-VT4) и изменении напряжения питания, поэтому требуется точно выбрать рабочую точку транзисторов VT7-VT8, (компенсаторы изменения тока покоя от температуры и напряжения питания). При этом локальные колебания тока покоя в пределах +/- 20 мА не влияют на параметры усилителя.  После проведенных исследований тепловых режимов УМЗЧ автор пришел к следующим выводам: 1.Увеличение тока покоя выходных транзисторов в 2-3 раза может произойти даже при незначительном нагреве самого маломощного входного транзистора, поэтому желательно контролировать режимы как можно большего количества каскадов. 2.

Желательно каждый выходной транзистор размещать на отдельном радиаторе без изолирующих прокладок и контролировать его температуру. Устройство термокомпенсации работает следующим образом. Транзистор VT7, генератор тока, закреплен на радиаторе VT11 через слюдяную прокладку. (VT8 на радиаторе VT12). При нагреве радиатора ток VT7 увеличивается и подается через R23 (R24) в цепь эмиттера VT3 (VT4), прикрывая его. Сюда же подается и сигнал ограничения тока выходных транзисторов. Подбором резисторов R21- R22 можно установить разные температурные режимы усилителя.

В режиме 1, сплошная линия (при величине R21, R22 = 100 Oм) ток покоя будет стабильным до 65-70 градусов, а затем будет резко уменьшаться до 0. В режиме 2 (R21,R22 = 68 Ом) ток покоя уменьшается пропорционально температуре, т.е. устройство выдерживает заданную температуру. В режиме 3 (R21,R22 = 150 Ом) ток покоя не будет расти с увеличением температуры, но и не будет снижаться для уменьшения нагрева транзисторов (устройство выдерживает заданный ток). При изменении напряжения питания усилителя от +/-25 до +/- 40В необходимо подобрать величину R29-R30 так, чтобы смещение на R25-R26 было величиной 0,41-0,432 В. Величина R29-R30 рассчитывается по формуле: R29 (R30), кОм = Uпит. /0,432 - 1к.

При умышленной переустановке выходных транзисторов на радиаторы меньшей площади устройство термокомпенсации перестраивало и выдерживало заданные тепловые режимы. В сочетании со слабой чувствительностью к просадкам питания это позволяет встроить этот УМ в уже имеющуюся аппаратуру, где недостаточно мощности силового трансформатора (например "Вега 50У-122С"), или площади радиаторов (музыкальный центр). Конечно же, можно собрать УЗЧ на микросхемах, но (по мнению автора) они не обладают таким же качеством звука, как УМ на дискретных элементах. 

Детали и конструкция

В усилителе лучше всего применить ОУ со скоростью нарастания выходного напряжения не менее 50 В/мкс с низким уровнем гармоник и собственных шумов, с полевыми транзисторами на входе. Транзисторы VT3, VT4 следует подобрать с как можно большим коэффициентом усиления, малым уровнем шумов и слабой зависимостью тока коллектора от температуры. В качестве VT5-VT6 желательно применить транзисторы с высокой частотой усиления и малой емкостью коллектора. В усилителе вполне можно применить отечественный ОУ КР574УД1 и транзисторы с коэффициентами усиления 130 - 150, с целью получить возможность переделки уже имеющегося усилителя (например "Амфитон") из тех же деталей.

Максимально допустимое напряжение всех транзисторов в этом случае должно быть не менее 80В. В зависимости от необходимого Uвых, необходимо изменить сопротивление R5, соблюдая условие: (R5/R3)+1=Uвых/Uвх. При применении других выходных транзисторов (полевых или при подключении в параллель) возможно придется подобрать сопротивление R31-R32 по падению на них напряжения величиной 0,55В в среднем положении движка R16 при отключенных VT11-VT12. По расчетам автора на базе этой схемы можно сконструировать УМ с выходным напряжением 80-100 В. (Усилитель способен выдавать выходное напряжение, близкое к напряжению питания). Комплементарные пары (VT3 - VT4, VT5 - VT6 и т.д) противоположных плеч не должны отличаться по усилению более, чем на 5%. Симметрично расположенные резисторы верхнего и нижнего плеча тоже подбираются с допуском 5%. Это необходимое условие для симметрии выходного сигнала и избежания нелинейных искажений.

Резисторы R33 - R34 состоят из двух включенных в параллель резисторов по 0,2 Ом 2Вт каждый, расположенных друг над другом. R33, R34 обязательно следует применять безындукционные. Нельзя применять проволочные витые резисторы. Катушка L1 наматывается на резисторе R35, содержит 2 слоя провода ПЭЛ 0,8 и пропитана лаком или клеем. L1, C9, R36 монтируются на выходной плате. Площадь поверхности радиаторов VT5 - VT6 не менее 30 см, VT1 -VT2 -1..2 см. Малогабаритный вариант усилителя можно смонтировать на плате размером 60х65 мм из фольгированного текстолита толщиной 1,5 мм (рис. 6, рис. 7). При необходимости изменить размер платы, ее можно перенести по сетке. Все дорожки облужены припоем. Токоведущие дорожки цепей питания, и нагрузки облужены толстым слоем припоя с прокладкой одной жилы медного провода. Для всех транзисторов, закрепленных на радиаторах, обязательно применение теплопроводной пасты, а для транзисторов термодатчиков прокладки обязательно должны быть из слюды.

В качестве С1 и С3-С4 лучше всего применить неполярный электролитический конденсатор.

Усилитель класса ЭА (Super A, Non switching), Печатная плата
Рис. 6. Печатная плата усилителя вариант 1-2. Вид со стороны деталей. Размер 60х65 мм. Шаг сетки 2,5

Усилитель класса ЭА (Super A, Non switching)
Рис. 7. Печатная плата усилителя вариант 1-2. Вид со стороны пайки. Размер 60х65 мм. Шаг сетки 2,5


Рис. 8. Универсальная печатная плата для вариантов 2 и 3. Вид со стороны деталей. Размер 90х65 мм. Шаг сетки 2,5 мм

Усилитель класса ЭА (Super A, Non switching)
Рис. 9. Универсальная печатная плата для вариантов 2 и 3. Вид со стороны пайки. Размер 90х65 мм.

Усилитель класса ЭА (Super A, Non switching)

Плата двухканального усилителя варианта 5

Усилитель класса ЭА (Super A, Non switching)

Вид со стороны пайки. Размер 55х60мм.

Второй и третий варианты усилителя можно собрать на универсальной плате (рис. 8, рис. 9). В случае балансировке ОУ между выводами 1-8 или 1-5, ставится перемычка в точке Х на вывод 8 или 5. Она должна быть надежной во избежание грубой разбалансировки ОУ. Резистор R6 можно переключать к точкам + и - 15В на плате, или поставить перемычку, в зависимости от типа ОУ. Если ОУ DA2 не используется, следует перерезать дорожку в точке Х2. При использовании двух ОУ резистор R8 переключается на вывод 6 DA2.

Налаживание усилителя

После проверки правильности монтажа следует:
1. Установить R6 и R16 в среднее положение.
2. Закоротить на корпус вход усилителя.
3. Отпаять выходные транзисторы (VT11-VT12)
4. Включить питание.
5. Замерить напряжение питания и +/- 15 В.
6. Установить (R6) на выходе усилителя и ОУ напряжение 0В. Если на выходе УМ устанавливается 0В, а на выходе ОУ присутствует постоянное напряжение, то следует проверить транзисторы.
7. Установить на R31-R32 напряжение 0,55 В с помощью R16.
8. Отключить питание, подключить выходные транзисторы, включив в разрыв цепи коллектора VT11 амперметр на 1 А.
9. Включить питание и R16 установить ток покоя коллектора VT11 в пределах 100 - 150 мА.
10. Замерить ток покоя VT12, он не должен отличаться от тока VT11 более, чем на 5%.
Ток покоя выходных транзисторов может быть установлен в пределах от 0до 250 мА, в зависимости от желаемого качества звучаия, режима работы, тепловых режимов, размеров радиаторов. Установку тока покоя нужно производить при температуре выходных транзисторов 35-40 градусов.
11. Проконтролировать работу термокомпенсации, замерив токи покоя при максимальной температуре радиаторов выходных транзисторов.

Блок защиты АС

В аварийных ситуациях, при протекании постоянного тока через динамик, его катушка сгорает, поэтому обязательным условием для мощных усилителей является применение защиты АС. Блок защиты (рис. 10) работает следующим образом.

Усилитель класса ЭА (Super A, Non switching), Блок защиты АС, задержки включения и контроля питания

Диапазон питающих напряжений:..........+/-20…+/-60V
Время срабатывания:
от постоянного напряжения +/- 1V..........не более 0,5 сек.
от постоянного напряжения +/- 30V..........не более 0,1 сек.

При включении питания начинает заряжаться конденсатор С3 (от источника питания через R7- R8). Через 1 сек. напряжение на нем достигнет величины, достаточной для открывания VT3, затем открывается VT4, и реле своими контактами подключает АС к усилителю. При нормальной работе УМ переменное напряжение с его выхода не успевает зарядить С1-С2, а при аварийной ситуации постоянное напряжение с выхода усилителя откроет VT1 или VT2 (в зависимости от полярности), напряжение на С3 уменьшится и реле отключит АС. При ложных срабатываниях защиты на большой громкости следует увеличить емкость С1-C2.

Чертеж печатной платы блока защиты АС приведен на рис. 11 и 12. Желательно использовать для каждого канала отдельный блок защиты АС. Питание реле (U P1) нужно осуществлять от источника, имеющего меньшую емкость фильтра питания, чем у самого усилителя, для того, чтобы при выключении питания реле Р1 отключалось первым. Реле следует применять с как можно большей площадью контактов и усилием пружин, т.к. у миниатюрных реле (особенно у герконовых) бывают случаи пригорания контактов и невозможность отключения в аварийной ситуации.

Усилитель класса ЭА (Super A, Non switching)

Литература

1. Ю.Митрофанов. ЭА в УМЗЧ. Радио №5,1986 г.
2. Г. Брагин. УМЗЧ. Радио №12,1990 г.

Автор: Лайков А.В. (alexandr.laykov@rambler.ru); Публикация: cxem.net

Смотрите другие статьи раздела Усилители мощности транзисторные.

Читайте и пишите полезные комментарии к этой статье.

<< Назад

Последние новости науки и техники, новинки электроники:

Питомцы как стимулятор разума 06.10.2025

Помимо эмоциональной поддержки, домашние питомцы могут оказывать заметное воздействие на когнитивные процессы, особенно у пожилых людей. Новое масштабное исследование показало, что общение с кошками и собаками не просто улучшает настроение - оно действительно способствует замедлению возрастного снижения умственных способностей. Работа проводилась в рамках проекта Survey of Health, Ageing and Retirement in Europe (SHARE), охватывающего период с 2004 по 2022 год. В исследовании приняли участие тысячи европейцев старше 50 лет. Анализ показал, что владельцы домашних животных демонстрируют более устойчивые когнитивные функции по сравнению с теми, кто не держит питомцев. Особенно выражен эффект оказался у владельцев кошек и собак. Согласно данным ученых, владельцы собак дольше сохраняют хорошую память, в то время как хозяева кошек медленнее теряют способность к быстрому речевому взаимодействию. Исследователи связывают это с тем, что ежедневное взаимодействие с животными требует внимани ...>>

Мини-ПК ExpertCenter PN54-S1 06.10.2025

Компания ASUSTeK Computer презентовала новый мини-компьютер ASUS ExpertCenter PN54-S1. Устройство ориентировано на пользователей, которым важно сочетание производительности, энергоэффективности и универсальности - от офисных задач до мультимедийных проектов. В основе ExpertCenter PN54-S1 лежит современная аппаратная платформа AMD Hawk Point, использующая архитектуру Zen 4. Это поколение чипов отличается улучшенным управлением энергопотреблением и повышенной вычислительной мощностью. Новинка доступна в конфигурациях с процессорами Ryzen 7260, Ryzen 5220 и Ryzen 5210, представленных AMD в начале 2025 года. Таким образом, устройство охватывает широкий диапазон задач - от базовых офисных до ресурсоемких вычислений. Корпус мини-ПК выполнен из прочного алюминия и имеет размеры 130&#215;130&#215;34 мм, что делает его практически незаметным на рабочем столе или за монитором. Несмотря на компактность, внутренняя компоновка позволяет установить два модуля оперативной памяти SO-DIMM ...>>

Глазные капли, возвращающие молодость зрению 05.10.2025

С возрастом человеческий глаз постепенно теряет способность четко видеть на близком расстоянии - развивается пресбиопия, или возрастная дальнозоркость. Этот естественный процесс связан с утратой эластичности хрусталика и ослаблением цилиарной мышцы, отвечающей за фокусировку. Миллионы людей по всему миру сталкиваются с необходимостью носить очки для чтения или прибегают к хирургическим методам коррекции. Однако исследователи из Центра передовых исследований пресбиопии в Буэнос-Айресе представили решение, которое может стать удобной и неинвазивной альтернативой - специальные глазные капли, способные улучшать зрение на длительный срок. Разработку возглавила Джованна Беноцци, директор Центра. По ее словам, цель исследования состояла в том, чтобы предоставить пациентам с пресбиопией эффективный и безопасный способ коррекции зрения без хирургического вмешательства. Новые капли, созданные на основе пилокарпина и диклофенака, показали убедительные результаты: уже через час после первого пр ...>>

Случайная новость из Архива

Сушилки для рук являются рассадником опасных бактерий 15.10.2024

Вопрос гигиены в общественных местах всегда был предметом обсуждений, и теперь ученые из Университета штата Юта выявили новую угрозу, связанную с обычной процедурой сушки рук. В результате недавнего исследования они обнаружили, что сушилки для рук в общественных туалетах могут быть рассадниками опасных микроорганизмов. Этот вывод переворачивает наши привычные представления о безопасности таких устройств.

Исследователи проверяли, насколько загрязнены сушилки для рук в различных общественных местах, таких как заправки, торговые центры и кинотеатры. Для этого они использовали чашки Петри, помещая их под струю воздуха, которую выдувают эти сушилки. Затем чашки оставляли на несколько дней, чтобы микроорганизмы могли проявить себя. Результаты показали, что чашки Петри покрывались белыми, желтыми и черными пятнами, что свидетельствовало о наличии множества бактерий и грибков.

Самым интересным открытием стало то, что в местах, где сушилки отсутствовали, а люди просто махали руками на воздухе для их естественного высыхания, чашки Петри оставались чистыми. Это указывает на то, что использование сушилок может увеличивать риск заражения микроорганизмами, в отличие от простого встряхивания мокрых рук. Бактерии, присутствующие в сушилках, распространяются с воздушным потоком, оседая на коже и повышая вероятность попадания их в организм.

Особую опасность представляют сушилки, установленные в общественных туалетах. Эти устройства, находясь в местах, где высокая концентрация людей и бактерий, не только не помогают поддерживать гигиену, но и могут способствовать распространению микробов, которые обитают на стенах и других поверхностях туалетов. Исследование показало, что в общественных туалетах количество бактерий на чашках Петри было особенно высоким, что указывает на потенциальную опасность для здоровья.

Ученые подчеркивают, что после мытья рук в общественных местах лучше использовать бумажные полотенца, а не сушилки. Бумажные полотенца обеспечивают более безопасный способ сушки, так как они впитывают влагу и не создают условий для распространения микробов через воздух. Более того, такой способ более эффективен для удаления остатков бактерий с кожи.

Эти выводы подтверждают результаты предыдущих исследований, которые показали, что бактерии активно размножаются на смартфонах, дверных ручках и других предметах в общественных местах. Однако сушилки для рук оказались самыми загрязненными объектами. Это связано с тем, что горячий поток воздуха из сушилки поднимает микробов с поверхностей и распределяет их по всей комнате, осаждая на чистые руки.

Важно отметить, что привычка не вытирать руки после их мытья может быть еще более опасной, чем их полное игнорирование. Оставление рук влажными создает идеальную среду для размножения микроорганизмов, так что гигиена становится лишь видимой, а реальная угроза остается. Ученые призывают более внимательно относиться к выбору способа сушки рук, особенно в общественных местах, где вероятность контакта с патогенными микроорганизмами значительно выше.

Исследование подчеркивает важность пересмотра гигиенических привычек в общественных местах. Использование сушилок для рук может представлять серьезную угрозу для здоровья, и гораздо безопаснее прибегнуть к использованию бумажных полотенец или, в крайнем случае, просто встряхнуть руки, позволив им высохнуть естественным образом.

Другие интересные новости:

▪ Мировой океан стал глубже на 8 сантиметров

▪ Стрекоза на микросхеме

▪ Лед и землетрясения

▪ 23" IPS монитор AOC i2360Phu

▪ Intel построит в Огайо фабрику по производству микросхем

Лента новостей науки и техники, новинок электроники

 

Интересные материалы Бесплатной технической библиотеки:

▪ раздел сайта Должностные инструкции. Подборка статей

▪ статья Жуковский Николай. Биография ученого

▪ статья Для чего служат пояса верности? Подробный ответ

▪ статья Дежурный зала игровых автоматов, аттракционов и тиров. Должностная инструкция

▪ статья Сопряжение охранно-пожарного прибора с сотовым телефоном. Энциклопедия радиоэлектроники и электротехники

▪ статья Умножитель частоты. Энциклопедия радиоэлектроники и электротехники

Оставьте свой комментарий к этой статье:

Имя:


E-mail (не обязательно):


Комментарий:




Комментарии к статье:

Вячеслав
Какая мощность и коэффициент гармоник усилителя варианта 5


Главная страница | Библиотека | Статьи | Карта сайта | Отзывы о сайте

www.diagram.com.ua

www.diagram.com.ua
2000-2025