Áåñïëàòíàÿ òåõíè÷åñêàÿ áèáëèîòåêà
Óñèëèòåëü ìîùíîñòè íà ìèêðîñõåìå TDA1562 (55 âàòò). Ýíöèêëîïåäèÿ ðàäèîýëåêòðîíèêè è ýëåêòðîòåõíèêè

Ýíöèêëîïåäèÿ ðàäèîýëåêòðîíèêè è ýëåêòðîòåõíèêè / Óñèëèòåëè ìîùíîñòè òðàíçèñòîðíûå
Êîììåíòàðèè ê ñòàòüå
Óñèëèòåëü ïîñòðîåí íà ìèêðîñõåìå áóðæóèíñêîé ôèðìû Philips TDA1562, â êîòîðîé ðåàëèçîâàí òàê íàçûâàåìûé ðåæèì H. Ñóòü åãî ñîñòîèò â òîì, ÷òî äî îïðåäåëåííîãî çíà÷åíèÿ âûõîäíîé ìîùíîñòè (ïðèáëèçèòåëüíî 20 âàòò) óñèëèòåëü ðàáîòàåò â ðåæèìå Â. Åñëè âûõîäíàÿ ìîùíîñòü ðàñòåò äàëüøå, âêëþ÷àåòñÿ óìíàÿ ñõåìà ïîâûøåíèÿ íàïðÿæåíèÿ íà âûõîäíîì êàñêàäå è òàêèì îáðàçîì ïîçâîëÿåò ðàñêà÷àòü óñèëèòåëü äî ìàêñèìàëüíîé ìîùíîñòè â 70 âàòò.
Íó, ïî êðàéíåé ìåðå, òàê âñå âûãëÿäèò â òåîðèè.
Îñíîâíûå õàðàêòåðèñòèêè ñëåäóþùèå:
| Íàïðÿæåíèå ïèòàíèÿ, Â |
14,4 |
| Ïîòðåáëÿåìûé òîê â ðåæèìå ìîë÷àíèÿ, ìÀ |
110 |
| Âõîäíîå ñîïðîòèâëåíèå, êÎì |
150 |
| Íîìèíàëüíàÿ âûõîäíàÿ ìîùíîñòü (ÊÃ=0,5%), Âò |
55 |
| Ìàêñèìàëüíàÿ âûõîäíàÿ ìîùíîñòü (ÊÃ=10%), Âò |
70 |
| Äèàïàçîí âîñïðîèçâîäèìûõ ÷àñòîò, Ãö |
20...20000 |
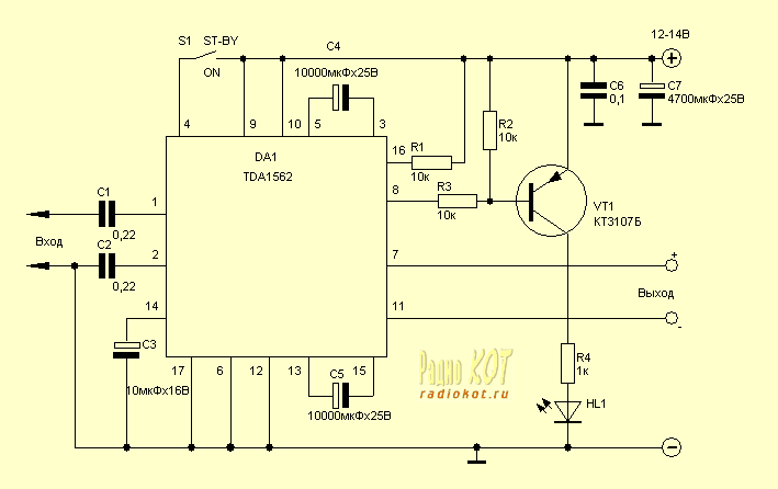
Ñõåìà âêëþ÷åíèÿ

Âîîáùå ãîâîðÿ, ýòà ìèêðîñõåìà ðåêîìåíäóåòñÿ ê ïðèìåíåíèþ â ñîñòàâå ñàáâóôåðà íà÷àëüíîãî óðîâíÿ â àâòîìîáèëå. È ïðèâåäåííàÿ ñõåìà îïòèìèçèðîâàíà èìåííî äëÿ òàêîãî ïðèìåíåíèÿ. Õîòÿ, êîíå÷íî, íèêòî íå ìåøàåò âîñïðîèçâîäèòü ñ åå ïîìîùüþ ïîëíûé ñèãíàë.
Êîíäåíñàòîðû Ñ4 è Ñ5 ðàáîòàþò êàê íàêîïèòåëè ïèòàíèÿ äëÿ ôóíöèêëèðîâàíèÿ òîé ñàìîé óìíîé ñõåìû, êîòîðàÿ îáåñïå÷èâàåò ðàáîòó ðåæèìà Í. Ñâåòîäèîä HL1 - äèàãíîñòè÷åñêèé - âêëþ÷àåòñÿ ïðè àâàðèéíûõ ñîñòîÿíèÿõ ìèêðîñõåìû - ïåðåãðåâå, êîðîòêîì çàìûêàíèè â íàãðóçêå è î÷åíü áîëüøèõ èñêàæåíèÿõ ñèãíàëà. Ïèòàíèå íà óñèëèòåëü ðåêîìåíäóåòñÿ ïîäâîäèòü íåïîñðåäñòâåííî îò àêêóìóëÿòîðà àâòîìîáèëÿ, ïðè÷åì, êàê ìîæíî áîëåå òîëñòûìè ïðîâîäàìè.
Î äåòàëÿõ
| Îáîçíà÷åíèå íà ñõåìå |
Íîìèíàë |
| R1, R2, R3 |
10êÎì |
| R4 |
1êÎì |
| C1, C2 |
0,22ìêÔ |
| C3 |
10ìêÔõ16Â |
| C4, C5 |
10000ìêÔõ25Â |
| C6 |
0,1ìêÔ |
| C7 |
4700ìêÔõ25Â |
| VT1 |
ÊÒ3107 |
| HL1 |
ëþáîé |
| DA1 |
TDA1562 |
Êîíäåíñàòîðû Ñ1 è Ñ2 äîëæíû áûòü ïëåíî÷íûìè, íàïðèìåð Ê73-17 èëè ëþáûìè äðóãèìè, íî íè â êîåì ñëó÷àå íå êåðàìè÷åñêèìè. Ýëåêòðîëèòè÷åñêèå êîíäåíñàòîðû ìîæíî âçÿòü è ñ ðàáî÷èì íàïðÿæåíèåì 16 âîëüò, íî íàäåæíîñòü òàêîãî ðåøåíèÿ áóäåò íèæå. Òðàíçèñòîð VT1 ìîæíî çàìåíèòü íà ÊÒ361 ñ ëþáîé áóêîâêîé.
Ïå÷àòíóþ ïëàòó ìîæíî âçÿòü òóò.
Ïóáëèêàöèÿ: radiokot.ru
Ñìîòðèòå äðóãèå ñòàòüè ðàçäåëà Óñèëèòåëè ìîùíîñòè òðàíçèñòîðíûå.
×èòàéòå è ïèøèòå ïîëåçíûå êîììåíòàðèè ê ýòîé ñòàòüå.
<< Íàçàä
Ïîñëåäíèå íîâîñòè íàóêè è òåõíèêè, íîâèíêè ýëåêòðîíèêè:
Âëàñòü ÿâëÿåòñÿ êëþ÷åâûì ôàêòîðîì ñ÷àñòüÿ â îòíîøåíèÿõ
11.03.2026
Èññëåäîâàíèÿ ñåìåéíûõ è ðîìàíòè÷åñêèõ îòíîøåíèé ïîêàçûâàþò, ÷òî äëèòåëüíîå ñ÷àñòüå ïàðû çàâèñèò íå òîëüêî îò ïðèâû÷íûõ ôàêòîðîâ, òàêèõ êàê äîâåðèå, óâàæåíèå è ïðåäàííîñòü, íî è îò áîëåå òîíêèõ ïñèõîëîãè÷åñêèõ àñïåêòîâ. Ñîâðåìåííûå ó÷åíûå èùóò çàêîíîìåðíîñòè, êîòîðûå îòëè÷àþò äåéñòâèòåëüíî ñ÷àñòëèâûå ïàðû îò îñòàëüíûõ, ÷òîáû ïîíÿòü, êàêèå ìåõàíèçìû ïîääåðæèâàþò ãàðìîíèþ â îòíîøåíèÿõ.
Ãðóïïà èññëåäîâàòåëåé èç Óíèâåðñèòåòà Ìàðòèíà Ëþòåðà â Ãàëëå-Âèòòåíáåðãå è Áàìáåðãñêîãî óíèâåðñèòåòà ïðîâåëà îïðîñ ñðåäè 181 ïàðû, êîòîðûå ñîñòîÿëè â ñîâìåñòíûõ îòíîøåíèÿõ áîëåå âîñüìè ëåò è ïðîæèëè âìåñòå õîòÿ áû ìåñÿö. Ó÷àñòíèêè çàïîëíÿëè àíêåòó, îïèñûâàÿ ðàçëè÷íûå àñïåêòû ñâîèõ îòíîøåíèé, âêëþ÷àÿ ðàñïðåäåëåíèå îáÿçàííîñòåé, ýìîöèîíàëüíóþ ïîääåðæêó è ñòåïåíü âîâëå÷åííîñòè â ñîâìåñòíûå ðåøåíèÿ.
Àíàëèç äàííûõ ïîêàçàë èíòåðåñíûé ïàòòåðí: ïàðû, ãäå îáà ïàðòíåðà îùóùàëè âûñîêèé óðîâåíü ëè÷íîé âëàñòè, îêàçûâàëèñü íàèáîëåå ñ÷àñòëèâûìè è óäîâëåòâîðåííûìè.  äàííîì êîíòåêñòå ïîä âëàñòüþ ïîíèìàåòñÿ ñïîñîáíîñò ...>>
Çàùèùåííàÿ êîëîíêà-ïîâåðáàíê Anker Soundcore Boom Go 3i
11.03.2026
Êîìïàíèÿ Anker ïðåäñòàâèëà íîâóþ ìîäåëü ëèíåéêè Soundcore - êîëîíêó Soundcore Boom Go 3i, îðèåíòèðîâàííóþ íà àêòèâíîå èñïîëüçîâàíèå íà óëèöå.
Íîâèíêà îòëè÷àåòñÿ âûñîêîé ñòåïåíüþ çàùèòû: êîðïóñ ñîîòâåòñòâóåò ñòàíäàðòó IP68, ÷òî îáåñïå÷èâàåò âîäî- è ïûëåíåïðîíèöàåìîñòü, à óäàðîïðî÷íûé äèçàéí âûäåðæèâàåò ïàäåíèå ñ âûñîòû äî îäíîãî ìåòðà. Çà êà÷åñòâî çâóêà îòâå÷àåò 15-âàòòíûé äðàéâåð, îáåñïå÷èâàþùèé ïèê ãðîìêîñòè äî 92 äÁ, à òåõíîëîãèÿ BassUp 2.0 óñèëèâàåò íèçêèå ÷àñòîòû, äåëàÿ çâó÷àíèå áîëåå íàñûùåííûì.
Êîëîíêà îáëàäàåò àâòîíîìíîñòüþ äî 24 ÷àñîâ, à LED-èíäèêàòîð ïîçâîëÿåò êîíòðîëèðîâàòü óðîâåíü çàðÿäà áàòàðåè. Êðîìå òîãî, Soundcore Boom Go 3i ìîæåò âûïîëíÿòü ôóíêöèþ ïàâåðáàíêà: ñîãëàñíî âíóòðåííèì òåñòàì, óñòðîéñòâî ñïîñîáíî çàðÿäèòü iPhone 17 ñ íóëÿ äî 40% çà îäèí ÷àñ, ÷òî äåëàåò åãî ïîëåçíûì àêñåññóàðîì â ïîõîäàõ è ïîåçäêàõ.
Ñðåäè ôóíêöèîíàëüíûõ îñîáåííîñòåé ìîäåëè ñòîèò âûäåëèòü òåõíîëîãèþ Auracast, êîòîðàÿ óëó÷øàåò ïîäêëþ÷åíèå è ïîçâîëÿåò ñîçäàâàòü ñòåðåîïàðó èç äâóõ êîëîíîê ...>>
Ðàííåå âîçäåðæàíèå îò àëêîãîëÿ ïåðåñòðàèâàåò ìîçã è èììóíèòåò
10.03.2026
Àëêîãîëüíàÿ çàâèñèìîñòü - õðîíè÷åñêîå ðàññòðîéñòâî ñ êîìïóëüñèâíûì óïîòðåáëåíèåì ñïèðòíîãî, êîòîðîå âëèÿåò íå òîëüêî íà ïîâåäåíèå, íî è íà ôóíêöèîíèðîâàíèå ìîçãà è èììóííîé ñèñòåìû. Íåäàâíèå èññëåäîâàíèÿ ïîêàçàëè, ÷òî äàæå íà ðàííèõ ýòàïàõ âîçäåðæàíèÿ îðãàíèçì íà÷èíàåò ïåðåñòðàèâàòüñÿ, îòêðûâàÿ íîâûå âîçìîæíîñòè äëÿ òåðàïèè çàâèñèìîñòè.
Ó÷åíûå ñîñðåäîòî÷èëèñü íà ïàöèåíòàõ, íàõîäÿùèõñÿ â ïåðâûå íåäåëè àáñòèíåíöèè, è çàôèêñèðîâàëè çíà÷èòåëüíûå èçìåíåíèÿ â ìîçãîâîé àêòèâíîñòè. Ñ ïîìîùüþ ôóíêöèîíàëüíîé ìàãíèòíî-ðåçîíàíñíîé òîìîãðàôèè îíè âûÿâèëè ïåðåñòðîéêó ñåòåé íåéðîííûõ ñâÿçåé, îòâå÷àþùèõ çà êîíòðîëü èìïóëüñîâ è ïðèíÿòèå ðåøåíèé. Ýòè èçìåíåíèÿ ìîãóò áûòü êëþ÷åâûìè äëÿ âîññòàíîâëåíèÿ ñàìîêîíòðîëÿ è ñíèæåíèÿ ðèñêà ðåöèäèâà.
Îäíîâðåìåííî ñ íåéðîííîé ïåðåñòðîéêîé èññëåäîâàòåëè íàáëþäàëè êîëåáàíèÿ èììóííîé ñèñòåìû. Â êðîâè ïîâûøàëñÿ óðîâåíü öèòîêèíîâ - ñèãíàëüíûõ áåëêîâ, ðåãóëèðóþùèõ âîñïàëèòåëüíûå ïðîöåññû. Ýòè äàííûå ñâèäåòåëüñòâóþò î ñóùåñòâîâàíèè íåéðîèììóííîãî âçàèìîäåéñòâèÿ, ïðè ...>>
Ñëó÷àéíàÿ íîâîñòü èç Àðõèâà MSP430FR6989 - íîâûé ìèêðîêîíòðîëëåð äëÿ àâòîíîìíûõ èçìåðèòåëåé
31.05.2015
MSP430FR6989 - ýòî íîâûé ìèêðîêîíòðîëëåð íèçêîãî ïîòðåáëåíèÿ îò êîìïàíèè Texas Instruments. Â äîïîëíåíèå ê àðõèòåêòóðå ÿäðà MSP430, êîòîðàÿ áûëà ðàçðàáîòàíà ñ ôîêóñîì íà ìèíèìàëüíîå ïîòðåáëåíèå ýíåðãèè, â äàííîì êîíòðîëëåðå ïðèìåíÿåòñÿ FRAM-ïàìÿòü. Äàííûé òèï ïàìÿòè ÿâëÿåòñÿ íà ñåãîäíÿøíèé äåíü ñàìûì ýíåðãîýôôåêòèâíûì è ðåñóðñ åå èñïîëüçîâàíèÿ âî ìíîãî ðàç ïðåâûøàåò ðåñóðñ FLASH è EEPROM ïàìÿòè.
Ðåàëèçàöèÿ èçìåðèòåëåé, êîòîðûå îáðàáàòûâàþò âðàùåíèå èëè ëèíåéíûå ïåðåìåùåíèÿ ÷óâñòâèòåëüíûõ ýëåìåíòîâ óïðîùàåòñÿ áëàãîäàðÿ ðàñøèðåííîìó ìîäóëþ SCAN-èíòåðôåéñà. Äàííûé ìîäóëü îáëåã÷àåò îáðàáîòêó ñèãíàëîâ ñ LC-êîíòóðîâ, äàò÷èêîâ Õîëëà, ìàãíèòî-ðåçèñòèâíûõ äàò÷èêîâ è îïòè÷åñêèõ ÷óâñòâèòåëüíûõ ýëåìåíòîâ ñ î÷åíü íèçêèì óðîâíåì ñîáñòâåííîãî ïîòðåáëåíèÿ.
 MSP430FR6989 ðåàëèçîâàí LCD-äðàéâåð äëÿ ïðÿìîãî óïðàâëåíèÿ ñåãìåíòíûìè èíäèêàòîðàìè, êîòîðûé ìîæåò ðàáîòàòü êàê â ñòàòè÷åñêîì ðåæèìå, òàê è â äèíàìè÷åñêîì ñ ìóëüòèïëåêñèðîâàíèåì îò 2 äî 8 îáùèõ âûâîäîâ.
MSP430FR6989 ñîäåðæèò áîãàòóþ àíàëîãîâóþ ïåðèôåðèþ: êîìïàðàòîðû, àíàëîãî-öèôðîâîé ïðåîáðàçîâàòåëü 12-áèòíîãî ðàçðåøåíèÿ è âñòðîåííûé èñòî÷íèê îïîðíîãî íàïðÿæåíèÿ. Âñå âûâîäû GPIO ïîääåðæèâàþò òåõíîëîãèþ CapTouch, êîòîðàÿ ïîçâîëÿåò ðåàëèçîâàòü ñåíñîðíûå åìêîñòíûå îðãàíû óïðàâëåíèÿ áåç äîïîëíèòåëüíûõ âíåøíèõ êîìïîíåíòîâ.
Äëÿ óñêîðåíèÿ ïðîöåññà âû÷èñëåíèÿ êîíòðîëüíûõ ñóìì äëÿ ïåðåäà÷è äàííûõ è çàêðûòèÿ èíôîðìàöèè îò ïîñòîðîííèõ â MSP430FR6989 ðåàëèçîâàíû âû÷èñëèòåëüíûé ìîäóëü CRC16/32 è ìîäóëü øèôðîâàíèÿ AES256.
Äëÿ ïðîñòîé è óäîáíîé îòëàäêè ñ âîçìîæíîñòüþ îòñëåæèâàíèÿ ïîòðåáëåíèÿ â ðåàëüíîì âðåìåíè ñ îòîáðàæåíèåì ñîñòîÿíèÿ ÿäðà è âñåé ïåðèôåðèè â MSP430FR6989 ðåàëèçîâàíà òåõíîëîãèÿ EnergyTrace++.
Îñíîâíûå ïàðàìåòðû MSP430FR6989
- îáúåì FRAM-ïàìÿòè: 128 êÁ;
- îáúåì RAM-ïàìÿòè: 2 êÁ;
- ìîäóëü LCD: äî 320 ñåãìåíòîâ;
- êîë-âî êàíàëîâ ÀÖÏ: 16;
- ðàçðåøåíèå ÀÖÏ: 12 Áèò;
- ìàêñèìàëüíàÿ ÷àñòîòà ÿäðà: 16 ÌÃö;
- ÷àñû ðåàëüíîãî âðåìåíè ñ êàëåíäàðåì;
- íàïðÿæåíèå ïèòàíèÿ: 1,8...3,6 Â.
|
Äðóãèå èíòåðåñíûå íîâîñòè:
▪ Âçãëÿä íà áîëüíîãî äåëàåò íàñ çäîðîâåå
▪ Ðàñòåíèÿ óìåþò îòëè÷àòü äðóçåé îò âðàãîâ
▪ Âëèÿíèå ýëåêòðîêàðîâ íà îêðóæàþùóþ ñðåäó
▪ Îäíîðàçîâûé ýíäîñêîï
▪ Ñèíòåòè÷åñêèé ìàòåðèàë, èìèòèðóþùèé ôóíêöèè æèâûõ êëåòîê
Ëåíòà íîâîñòåé íàóêè è òåõíèêè, íîâèíîê ýëåêòðîíèêè
Èíòåðåñíûå ìàòåðèàëû Áåñïëàòíîé òåõíè÷åñêîé áèáëèîòåêè:
▪ ðàçäåë ñàéòà Àóäèî è âèäåîíàáëþäåíèå. Ïîäáîðêà ñòàòåé
▪ ñòàòüÿ Óìèðàþùèé ëåáåäü. Êðûëàòîå âûðàæåíèå
▪ ñòàòüÿ Êàê îöåíèâàëàñü þðèäè÷åñêè êðàæà ýëåêòðîýíåðãèè 100 ëåò íàçàä? Ïîäðîáíûé îòâåò
▪ ñòàòüÿ Çåìëÿíîé îðåõ. Ëåãåíäû, âûðàùèâàíèå, ñïîñîáû ïðèìåíåíèÿ
▪ ñòàòüÿ Ïîëóïðîâîäíèêîâûå ìàòåðèàëû è èçäåëèÿ. Ýíöèêëîïåäèÿ ðàäèîýëåêòðîíèêè è ýëåêòðîòåõíèêè
▪ ñòàòüÿ Ïî ùó÷üåìó âåëåíüþ, ïî âàøåìó õîòåíüþ. Ñåêðåò ôîêóñà
Îñòàâüòå ñâîé êîììåíòàðèé ê ýòîé ñòàòüå:
Ãëàâíàÿ ñòðàíèöà | Áèáëèîòåêà | Ñòàòüè | Êàðòà ñàéòà | Îòçûâû î ñàéòå

www.diagram.com.ua
2000-2026