Menu Home

Бесплатная техническая библиотека для любителей и профессионалов Бесплатная техническая библиотека


Тайны лампового звука. Нужно ли строить ламповый усилитель? Энциклопедия радиоэлектроники и электротехники

Бесплатная техническая библиотека

Энциклопедия радиоэлектроники и электротехники / Усилители мощности ламповые

Комментарии к статье Комментарии к статье

Нужно ли строить ламповый усилитель? Конечно, хотя бы для того, чтобы узнать, что представляет собой этот знаменитый "ламповый звук". Кто не может построить сам, тот покупает в магазине или заказывает индивидуальный проект. Но все усилители звучат по-разному. Усилиями тысяч аудиофилов наметились пути построения ламповых усилителей, обладающих прекрасным звуком. Они не скрывают результатов своих экспериментов, издают журналы (например, "Вестник А.Р.А."), где публикуют удачные (и не очень!) схемные решения, упирая на редкостные, или весьма дорогие комплектующие и материалы. Гораздо меньше в этих изданиях уделяется внимания вопросам теории, больше "пускается пыль в глаза". Рекомендуется подбирать каждый элемент усилителя и слушать, слушать! И вот, очумевший от советов и прослушиваний, читатель уже бежит на рынок и ищет конденсаторы по 100 долларов за штуку или трансформатор за 500, рассчитывая с их помощью услышать знаменитый "ламповый звук".

Предприимчивые люди начали производить на потребу жаждущих разнообразные ламповые усилители и КИТы (наборы деталей). Заводы, производящие электровакуумные приборы, снова выпускают прямонакальные триоды (2С4С, 6С4С, 300В и т.д.). Печатаются любопытные сообщения: члены "общества господина Сакумы" (Японские аудиофилы) игнорируют усилители, если их стоимость менее 10000$. Короче говоря, прочно утвердилось мнение, что "ламповый звук" - это хорошо! А за большие деньги - еще лучше!

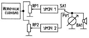
Как сравнивают усилители по звучанию? Разумеется, прослушивая музыкальные записи: грампластинки, CD, магнитофонные ленты. При этом приходится постоянно переключать несколько кабелей, что требует определенного времени. Учитывая краткосрочность музыкальной памяти, сравнение получается уже не таким надежным. Гораздо лучше подключить источник сигналов к входам обоих усилителей, а их выходы коммутировать на АС с помощью мощного переключателя.

Блок-схема такого тракта прослушивания приведена на рис. 1 (для простоты показан один канал).

Тайны лампового звука. Нужно ли строить ламповый усилитель?
Рис. 1.

Здесь источник информации и громкоговорители - одни и те же для обоих усилителей. С помощью регуляторов RP1 и RP2 устанавливается одинаковая громкость звучания акустических систем (АС) при разных положениях переключателя SA1. Индикатор уровня PV1 может отсутствовать, но лучше, если он используется. Схема - простая и понятная.

Однако если мы будем сравнивать усилители с разными выходными сопротивлениями, неизбежны ошибки в оценке усилителей. В чем тут дело? А дело в том, что АС, как правило, имеют частотнозависимое внутреннее сопротивление Z. На рис. 2 показана примерная зависимость Z от частоты для двухполосной АС. Фазоинвертор на низких частотах имеет два пика вместо одного, но это сути дела не меняет. Если АС - трехполосная, то "горбов" на характеристеке Z(f) может быть больше. RE - сопротивление громкоговорителя на постоянном токе, оно приблизительно равно "номинальному" сопротивлению АС, т.е. Zном = (1,2...1,3)RE. Чаще всего используются АС с номинальным сопротивлением 4 или 8 Ом. Аудиофилы любят громкоговорители для кино с номинальным сопротивлением 12 и 16 Ом за их высокую отдачу. Горбы на характеристике Z=Z(f) могут в 2 и более раз превосходить Zном.

Тайны лампового звука. Нужно ли строить ламповый усилитель? Примерная зависимость Z от частоты для двухполосной АС
Рис. 2. Примерная зависимость Z от частоты для двухполосной АС

Совершенно очевидно, что при разных выходных сопротивлениях усилителей Rвых и одинаковых ЭДС на их выходах, напряжение на АС будет разным, так как Rвых и Z образуют делитель напряжения. Если выходные сопротивления усилителей не одинаковы, а они ведь могут быть и частотно-зависимыми, то АС будут звучать по-разному. Особенно это заметно при сравнении ламповых усилителей без обратной связи [1] и транзисторных, имеющих, как правило, глубокую отрицательную обратную связь. В первом случае Rвых = 2...3 Ом, во втором - Rвых = 0,1...0,01 Ом.

Ламповый усилитель будет подчеркивать те частоты, на которых Z возрастает. И действительно, НЧ и ВЧ у него звучат "лучше". Если частота раздела НЧ и ВЧ (fpaзд) в АС приходится на область 3 кГц, и на этой частоте имеется "горб", то лучше звучат струнные инструменты и голоса солистов. Напрашивается вывод, что частотная характеристика внутреннего сопротивления АС должна иметь как можно меньшую нелинейность, (в идеале - горизонтальная прямая), чтобы можно было сравнивать два разных усилителя.

Искусственно увеличив Rвых для усилителя с малым внутренним сопротивлением, включив последовательный резистор Rд (рис. 3), получим одинаковые условия работы АС.

Тайны лампового звука. Нужно ли строить ламповый усилитель?
Рис. 3.

Эти соображения были проверены на практике и полностью подтвердились. Сравнивались два стереофонических усилителя. Первый - ламповый, однотактный, на лампах 6Н23П и 2С4С, по схеме Loftin-White без ОС. Его основные параметры: Rвых ~ 3 Ом, Рвых ~ 3 Вт, ∆f = 12...40000 Гц. Выходные трансформаторы усилителя выполнены на сердечниках из стали типа 3409, S=15 см2, δ = 0,35 мм, l3 = 0,3 мм. Второй - транзисторный, с ООС, Rвых ~ 0,01 Ом, Рвых = 50 Вт, ∆f = 5...150000 Гц.

Нужно сказать, что этот ламповый однотактник на лампе 2АЗ (2С4С) считается чуть ли не "образцовым" УМЗЧ в среде аудиофилов. Правда, они оговаривают еще и дополнительные условия (спецпровода, спецприпой и т.п.). Звук его действительно хорош: резкий фронт (атака), большая прозрачность. "Через него" прекрасно звучат струнные и ударные инструменты.

Транзисторный усилитель был построен в соответствии с соображениями, изложенными автором в [2]. Время установления его переходной характеристики до погрешности 0,01% не превышает 10 мкс (на активном сопротивлении нагрузки).

В экспериментах использовались трехполосные АС с паспортной мощностью 70 Вт. Фазоинвертор настроен на частоту 25 Гц, частотная характеристика Z приведена в таблице:

f, кГц 0,05 0,1 0,2 0,5 1 2 4 6 8 15 20
Z, Ом 30 10 9 8 7 6 8 12 12 10 8

Сравнение усилителей проводилось при Рвых = 3 Вт. АЧХ напряжения на клеммах АС при Rвых = 2...3 Ом приобретает подъем (до 3 дБ) на НЧ и ВЧ, в соответствии с ростом Z. Без Rд транзисторный усилитель звучит более "сухо", но как только включается Rд = 2,2 Ом, его звучание ничем (подчеркиваю - ничем!) не отличается от звучания лампового Loftin-White. Предлагаю желающим убедиться в этом самим.

Поговорив о входном сопротивлении АС, перейдем к выходному сопротивлению усилителя. Как уже отмечалось, оно оказывает большое влияние на качество звучания. Поэтому посмотрим, как его измерить. Существует несколько способов, но мы остановимся на том, который определен в ГОСТе 23849-87 [3]. Этот метод основан на пропускании синусоидального тока через выходные клеммы усилителя и измерении падения напряжения на его выходном сопротивлении Zi (рис. 4). Направление тока I на рисунке показано условно (от генератора в нагрузку). Данная схема не предназначена для измерения отрицательного Zi. Здесь R1 - активное сопротивление, равное номинальному сопротивлению нагрузки для данного УМЗЧ. Оно должно быть достаточной мощности, так как через него течет приличный ток (всего лишь в 3 раза меньший максимального). Падение напряжения на нем, измеряемое вольтметром PV2, должно быть на 10 дБ (в 3,16 раза) меньше номинального выходного напряжения усилителя. Генератор ЗЧ тоже должен быть достаточно мощным (например, Г3-109).

Схема измерений выходного сопротивления усилителя Zi
Рис. 4. Схема измерений выходного сопротивления усилителя Zi

В качестве усилителя для создания необходимого тока можно использовать второй канал стереоусилителя или любой другой УМЗЧ достаточной мощности. Если испытываемый усилитель имеет, например, Рном = 50 Вт, Zном = 4 Ом, то потребуется ток I = 1,1 А.

Выходное сопротивление
Zi = R1*U1/U2, что полностью основано на законе Ома.

Вход усилителя можно закоротить, но лучше вместо перемычки поставить резистор, номинал которого равен сопротивлению источника сигнала. Измерения Zi ведутся на частоте 1 кГц.

Эта схема, при всей ее простоте, позволяет приоткрыть еще одну тайну "лампового звука". Вольтметр PV1 тогда нужно заменить чувствительным осциллографом, а частоту генератора ЗЧ менять от 20 Гц до 100 кГц.

Для лампового однотактного усилителя без обратной связи, работающего в классе А, мы увидим напряжение U1 в виде чистой синусоиды во всей рабочей полосе частот. Усилители, работающие в классе АВ, тем более - в В, и охваченные обратной связью, могут сильно искажать форму синусоидального тока, протекающего через Zi. Это говорит о том, что Zi нелинейно.

Для громадного большинства транзисторных усилителей это так. Причем на самых низких частотах напряжение U1 может быть синусоидальным, а по мере роста частоты оно искажается, и на частотах 20 кГц и более искажения могут быть очень большими, вплоть до удвоения частоты. А если измерить коэффициент гармоник такого усилителя по обычной методике, он может быть достаточно малым, например, всего 0,01%.

Публикация: cxem.net

Смотрите другие статьи раздела Усилители мощности ламповые.

Читайте и пишите полезные комментарии к этой статье.

<< Назад

Последние новости науки и техники, новинки электроники:

Власть является ключевым фактором счастья в отношениях 11.03.2026

Исследования семейных и романтических отношений показывают, что длительное счастье пары зависит не только от привычных факторов, таких как доверие, уважение и преданность, но и от более тонких психологических аспектов. Современные ученые ищут закономерности, которые отличают действительно счастливые пары от остальных, чтобы понять, какие механизмы поддерживают гармонию в отношениях. Группа исследователей из Университета Мартина Лютера в Галле-Виттенберге и Бамбергского университета провела опрос среди 181 пары, которые состояли в совместных отношениях более восьми лет и прожили вместе хотя бы месяц. Участники заполняли анкету, описывая различные аспекты своих отношений, включая распределение обязанностей, эмоциональную поддержку и степень вовлеченности в совместные решения. Анализ данных показал интересный паттерн: пары, где оба партнера ощущали высокий уровень личной власти, оказывались наиболее счастливыми и удовлетворенными. В данном контексте под властью понимается способност ...>>

Защищенная колонка-повербанк Anker Soundcore Boom Go 3i 11.03.2026

Компания Anker представила новую модель линейки Soundcore - колонку Soundcore Boom Go 3i, ориентированную на активное использование на улице. Новинка отличается высокой степенью защиты: корпус соответствует стандарту IP68, что обеспечивает водо- и пыленепроницаемость, а ударопрочный дизайн выдерживает падение с высоты до одного метра. За качество звука отвечает 15-ваттный драйвер, обеспечивающий пик громкости до 92 дБ, а технология BassUp 2.0 усиливает низкие частоты, делая звучание более насыщенным. Колонка обладает автономностью до 24 часов, а LED-индикатор позволяет контролировать уровень заряда батареи. Кроме того, Soundcore Boom Go 3i может выполнять функцию павербанка: согласно внутренним тестам, устройство способно зарядить iPhone 17 с нуля до 40% за один час, что делает его полезным аксессуаром в походах и поездках. Среди функциональных особенностей модели стоит выделить технологию Auracast, которая улучшает подключение и позволяет создавать стереопару из двух колонок ...>>

Раннее воздержание от алкоголя перестраивает мозг и иммунитет 10.03.2026

Алкогольная зависимость - хроническое расстройство с компульсивным употреблением спиртного, которое влияет не только на поведение, но и на функционирование мозга и иммунной системы. Недавние исследования показали, что даже на ранних этапах воздержания организм начинает перестраиваться, открывая новые возможности для терапии зависимости. Ученые сосредоточились на пациентах, находящихся в первые недели абстиненции, и зафиксировали значительные изменения в мозговой активности. С помощью функциональной магнитно-резонансной томографии они выявили перестройку сетей нейронных связей, отвечающих за контроль импульсов и принятие решений. Эти изменения могут быть ключевыми для восстановления самоконтроля и снижения риска рецидива. Одновременно с нейронной перестройкой исследователи наблюдали колебания иммунной системы. В крови повышался уровень цитокинов - сигнальных белков, регулирующих воспалительные процессы. Эти данные свидетельствуют о существовании нейроиммунного взаимодействия, при ...>>

Случайная новость из Архива

Пассивное охлаждение автомобильного салона 23.10.2020

Ученые из Института науки и технологий Кванджу (GIST, Корея) создали первое пассивное излучающее устройство, которое поглощает тепло изнутри предмета, который сильно нагревается, и излучает его снаружи.

Если вы когда-либо садились в машину, припаркованную в месте под открытым солнцем, вы наверняка знаете, насколько жарко может быть внутри. Почему это происходит? Солнечный свет проходит через прозрачные окна, а вот тепло, излучаемое в салоне, вырваться наружу не может. Поэтому создается "парниковый эффект" - и салон нагревается (температура может достигать 60-82°C, отмечают авторы работы). Для пожилых людей и детей особенно опасна такая высокая температура, так как повышается риск теплового удара или гипертермии.

Корейские ученые разработали новый тип технологии пассивного охлаждения, который поможет решить эту проблему. Свое устройство они назвали "Излучателем Януса" (JET) - в честь двуликого греческого бога Януса. JET состоит из узорчатых тонких слоев кварца, серебра и полидиметилсилоксана. Каждая поверхность JET обладает уникальными свойствами для пассивного охлаждения замкнутых пространств. Нижняя сторона поглощает широкий спектр теплового излучения изнутри корпуса и повторно излучает эту энергию в атмосферу на верхней стороне устройства в избирательном диапазоне частот, который максимизирует излучательную способность.

Профессор Янг Мин Сон, возглавлявший это исследование, объясняет: "Характеристики теплового излучения "Януса" позволяют ему функционировать в качестве теплового канала, который эффективно отводит тепло из корпуса и отправляет его наружу".

Для работы JET не требуются электричество или какие-то дополнительные усилия от пользователя. Он может поддерживать низкую температуру стационарных транспортных средств, внутренних помещений зданий и солнечных батарей.

Другие интересные новости:

▪ Экшн-камеры GoPro Hero5 Black и Hero5 Session

▪ Автомобильный GPS-навигатор Garmin nuviCam LMTHD

▪ Основная причина лишнего веса

▪ Возобновляемой энергии на всех может не хватить

▪ Вертикальная ветряная мельница Eolic Wall Turbine

Лента новостей науки и техники, новинок электроники

 

Интересные материалы Бесплатной технической библиотеки:

▪ раздел сайта Электротехнические материалы. Подборка статей

▪ статья Изо всей дурацкой мочи. Крылатое выражение

▪ статья Почему знак пацифик имеет такую форму? Подробный ответ

▪ статья Тошнота и рвота. Медицинская помощь

▪ статья Усилитель низкой частоты на микросхеме TA8205. Энциклопедия радиоэлектроники и электротехники

▪ статья Устройство управления блоком питания. Энциклопедия радиоэлектроники и электротехники

Оставьте свой комментарий к этой статье:

Имя:


E-mail (не обязательно):


Комментарий:





Главная страница | Библиотека | Статьи | Карта сайта | Отзывы о сайте

www.diagram.com.ua

www.diagram.com.ua
2000-2026