Menu Home

Бесплатная техническая библиотека для любителей и профессионалов Бесплатная техническая библиотека


Микросхема TDA8362 в 3УСЦТ и других телевизорах. Энциклопедия радиоэлектроники и электротехники

Бесплатная техническая библиотека

Энциклопедия радиоэлектроники и электротехники / Телевидение

Комментарии к статье Комментарии к статье

Продолжение

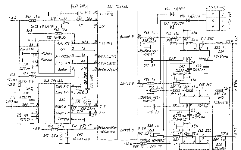
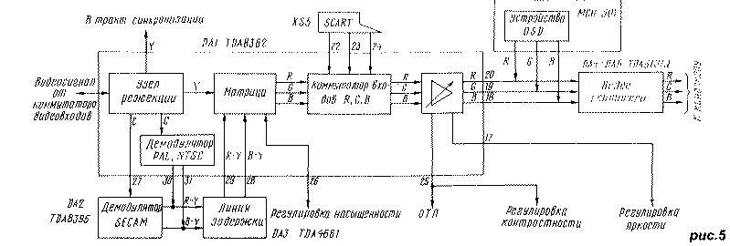
Видеотракт МРКЦ собран на шести микросхемах: TDA8362, TDA8395, TDA4661 и трех TDA6101Q. Он включает узел режекции, демодуляторы сигналов разных систем вещания, линию задержки, матрицу, коммутатор входов R, G, B, устройство OSD, видеоусилители. Взаимосвязь этих устройств показана на рис.5. В видеотракте видеосигнал превращается в цветоразностные, а затем в цветовые сигналы.

Микросхема TDA8362 в 3УСЦТ и других телевизорах, взаимная работа входящих в МРКЦ устройств
(нажмите для увеличения)

Особенность микросхемы TDA8362 заключается в построении режекторных и полосовых фильтров тракта цветности (фильтр "клеш" и др.) без внешних катушек, тогда как в МЦ-2/3/31 телевизоров 3УСЦТ для этого использовано шесть-семь настраиваемых колебательных контуров. Если не принимать во внимание видеоусилители, то в видеотракте вообще нет элементов, подлежащих настройке.

Узел режекции вырезает из видеосигнала цветовую компоненту C - полосу частот, занимаемую поднесущими цветоразностных сигналов. Напомним, что в системе NTSC частота поднесущей равна 3.58 МГц, в системе PAL - 4.43 МГц. В системе SECAM поднесущих - две с частотами 4.25 и 4.406 МГц. Определение частоты, в зависимости от системы вещания, происходит в узле автоматически. Глубина режекции - 20 дБ, что обеспечивает эффективную очистку сигнала яркости от поднесущих цветности при минимальной ширине вырезаемой полосы частот. Это повышает четкость изображения. При приеме сигнала черно-белого изображения узел режекции распознает его и выключается.

Яркостная компонента Y проходит в тракт синхронизации и в матрицу.

Цветная компонента поступает на демодуляторы. Демодулятор сигналов систем PAL, NTSC расположен в микросхеме DA1. В результате его работы выделяются цветоразностные сигналы R-Y, B-Y, которые через выводы 30 и 31 микросхемы приходят в линию задержки сигналов на одну строку (микросхема DA3). В ней сигналы NTSC подвергаются фильтровой обработке, а сигналы PAL усредняются по двум строкам, следующим одна за другой. С выхода микросхемы DA3 (выводы 12 и 11) обработанные сигналы R-Y, B-Y систем PAL и NTSC опять возвращаются в микросхему DA1 через выводы 28 и 29.

Демодулятор сигналов SECAM содержится в микросхеме DA2. Через вывод 27 микросхемы DA1 на микросхему DA2 подана компонента C системы SECAM, а с вывода 32 микросхемы DA1 - сигнал частотой 4.43 МГц, необходимый для работы демодулятора. Полученные цветоразностные сигналы R-Y, B-Y системы SECAM с выводов 9 и 10 микросхемы DA3 также проходят на линию задержки, где происходит формирование правильной последовательности прямых и задержанных строк в каждом из цветоразностных сигналов.

Пришедшие из микросхемы DA3 сигналы R-Y, B-Y всех систем в микросхеме DA1 после выравнивания временных задержек поступают в матрицу, где, смешиваясь с яркостной компонентой Y, преобразуются в цветовые сигналы R, G, B. Через выводы 22-24 микросхемы DA1 на коммутатор приходят сигналы R, G, B от внешнего источника - компьютера (см. рис.3 и 4). Управление коммутатором обеспечивается подаваемым с компьютера на вывод 21 напряжением бланкирующего сигнала FB ("Окно"). Если он отсутствует, на выход коммутатора проходят сигналы с матрицы, а при уровне FB<5 В - с компьютера. Затем сигналы R, G, B приходят на выходные видеоусилители.

Видеоусилителями (ВУ) служат высоковольтные мощные операционные усилители TDA6101Q. Их основное преимущество - широкополосность и отсутствие мощных резисторов в выходных цепях (не более 0,5 Вт). Они имеют датчики системы автоматического баланса белого (АББ), но поскольку микросхема TDA8362 (в отличие от других модификаций) не содержит средств для управления системой АББ, эта функция не использована.

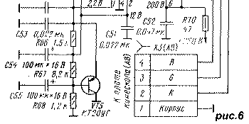
Микросхема TDA8362 в 3УСЦТ и других телевизорах. Видеоусилитель
(нажмите для увеличения)

Микросхема TDA8362 в 3УСЦТ и других телевизорах. Видеоусилитель

Работу ВУ рассмотрим (рис.6) на примере прохождения сигнала B. С выхода 18 микросхемы DA1 на вход ОУ (вывод 3) DA6 сигнал B поступает через делитель R60-R63. Резистором R62 "Уровень черного B" устанавливают постоянную составляющую выходного сигнала, равную 125 В. Резистором R61 "Размах B" выравнивают переменную составляющую сигнала B с такой же величиной сигнала R. Резистор R63 используют при регулировке баланса белого "в черном" (на уровне гашения лучей кинескопа), а резистор R61 - при регулировке баланса белого "в светлом" (на уровне нормальной яркости).

В точку соединения резисторов R60, R61 с МСН приходит составляющая B сигнала вывода информации на экран (система OSD). В точку соединения резисторов R61, R63 через резистор R64 проходит сигнал глубокой отрицательной обратной связи с вывода 9 микросхемы DA6. Резистор R65 защищает видеоусилитель от разрядов, происходящих в кинескопе. Конденсатор C49 корректирует АЧХ усилителя на высоких частотах. Конденсаторы C51 и C52 - фильтрующие в цепях напряжений питания +12 и +220 В. Конденсатор C50 - фильтрующий в цепи образцового напряжения +2.2 В, необходимого для стабилизации режима работы усилителей. Оно формируется стабилизатором на транзисторе VT5. Контрольные точки X8N необходимы при регулировке чистоты цвета и сведения лучей кинескопа. При их замыкании луч B гасится. Точка X11N служит для проверки уровня и формы сигнала, подаваемого на кинескоп.

Видеоусилители сигналов R и G построены аналогично, за исключением того, что в тракте R регулятор размаха сигнала отсутствует.

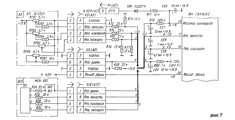
Микросхема TDA8362 в 3УСЦТ и других телевизорах. Подключение регулировок параметров изображения и звука к МРКЦ
(нажмите для увеличения)

Цепи подключения регулировок параметров изображения и звука к МРКЦ показаны на рис.7.

Регулировка громкости в 3УСЦТ обеспечивается изменением сопротивления цепи резисторов R206, R207 в блоке управления (А9), включенной между микросборкой УПЧЗ-1/2 в модуле МРК и общим проводом. При использовании микросхемы TDA8362 регулировка происходит при изменении напряжения на ее выводе 5 в пределах 0.1...3.9 В. Для этого при наличии СВП или УСУ включена цепь R80C60R78 вместе с резисторами R207, R206 в БУ. Резистор R207 (он обозначен как R33 в БУ-3/3-1, R7 в БУ-4, R6 в БУ-5 и R15 в БУ-14) должен иметь сопротивление 1 кОм.

При использовании МСН цепь регулирования громкости включает элементы R80, C60 и резистор R34 в МСН. При этом в МСН диод VD5 замыкают перемычкой, а сопротивление резисторов R28, R29 должно быть 18 кОм.

Яркость, контрастность и насыщенность при использовании СВП и УСУ попрежнему регулируют переменными резисторами R201, R203, R205, расположенными на передней панели телевизора. Поскольку с их движков снимается регулирующее напряжение в пределах 0...12 В, а на микросхему DA1 необходимо подать сигнал не выше 5 В, после контактов розетки X5 (А9) включены делители напряжения R72R73, R74R77, R75R76.

При использовании МСН все регулировки происходят через модуль с пульта дистанционного управления или с клавиатуры на передней панели телевизора. Все регулировочные резисторы телевизора будут выключены.

В обоих случаях (при применении СВП, УСУ или МСН) управляющие напряжения регулировок передаются на выводы 17, 25, 26 микросхемы по цепям, включающим фильтрующие конденсаторы C57-C59. При использовании СВП, УСУ они стабилизируют управляющее напряжение, а при работе с МСН усредняют импульсные сигналы регулировок переменной скважности, формируемые модулем.

В цепь регулировки контрастности через элементы VD8, R71, C56 подано напряжение ограничения тока лучей (ОТЛ), уменьшающее амплитуду сигналов R, G, B, поступающих на ВУ, при увеличении суммарного тока лучей выше нормы.

При любом УВП резисторы регулировки цветовых тонов отключены.

Тракт синхронизации состоит из строчного и кадрового синхроселекторов, генераторов запускающих импульсов строчной развертки (СИзап) и импульсов кадровой развертки.

В строчном синхроселекторе выделяются строчные синхроимпульсы из яркостной компоненты Y видеосигнала, поступающей с коммутатора видеовходов. Сигнал Y, стабилизация амплитуды которого была обеспечена в радиотракте эффективной АРУ и узлом инверсии белого пятна, ограничивается по максимуму и минимуму так, что сигналы строчного и кадрового гашения, а также "вспышки" сигнала цветовой синхронизации гарантированно вырезаются при любом размахе яркостной компоненты Y.

Микросхема TDA8362 в 3УСЦТ и других телевизорах, структурная схема модуля МРКЦ

Очищенные строчные синхроимпульсы стабильной амплитуды поступают на первую петлю системы ФАПЧ, корректирующей по ним частоту импульсов СИзап. Полоса захвата синхронизации первой петлей равна +/-900 Гц, а удержания захваченной синхронизации +/-1200 Гц, что существенно лучше соответсвующих показателей (+/-700 Гц) у микросхемы К174ХА11, используемой в субмодуле УСР телевизоров 3УСЦТ. Вторая петля системы ФАПЧ строчной развертки, как обычно, обеспечивает стабильность положения левой вертикальной границы изображения. Резистор R91 "Фаза" (рис.8) позволяет правильно установить фазу изображения. Импульсы СИзап амплитудой 0.8 В с вывода 37 микросхемы DA1 проходят через эмиттерный повторитель на транзисторе VT7 на контакт 2 соединителя X5 (А3) и далее в модуль строчной развертки.

Импульсы управления кадровой разверткой формируются в микросхеме DA1 из последовательности импульсов СИзап при делении ее на число строк в полукадре изображения (определяется в процессе опознавания системы кодирования сигналов цветности) с коррекцией начала отсчета кадровыми синхроимпульсами (КСИ), поступающими с кадрового синхроселектора. Такое построение облегчает поиск кадровых синхроимпульсов в широкой полосе (45...64.5 Гц) до их захвата, что одновременно приводит к автоматической настройке генератора импульсов кадровой развертки как при работе по системам SECAM, PAL (50 Гц), так и по системе NTSC (60 Гц). Как только 15 последовательно пришедших кадровых синхроимпульсов (КСИ) будут находиться в пределах широкой полосы захвата, система переключается на узкую полосу, в которой будет продолжать работу. Если же шесть последовательных КСИ выходят за пределы узкой полосы, устройство входит в режим поиска их в широкой полосе.

Пилообразные импульсы кадровой развертки (КПН) амплитудой 1.25...1.5 В формируются на выводе 42 микросхемы DA1 интегрирующей цепью R92C67, к которой подведено напряжение +31 В, стабилизируемое стабилитроном VD11. Линейность импульсов улучшается за счет подачи напряжения кадровой отрицательной обратной связи (ООС) амплитудой 1 В, приходящего на вывод 41 микросхемы DA1 с датчика ООС - резистора, включенного в цепь кадровых отклоняющих катушек. Помимо улучшения линейности КПН, датчик ООС выполняет функцию контроля за работой выходного каскада кадровой развертки. Если напряжение на нем меньше 1 В (обрыв в цепи кадровых катушек) или больше 4 В (неисправен выходной каскад), выходы R, G, B микросхемы DA1 закрываются во избежание прожога кинескопа.

Микросхема TDA8362 в 3УСЦТ и других телевизорах, соединение ПСП с МРКЦ

В телевизорах 3УСЦТ сигнал кадровой ООС формируется в модуле кадровой развертки МК-1-1 на резисторе R27. В плате ПСП (А3) он имеется на контакте 2 соединителя X1 (А6) и на контакте 11 соединителя X3 (А7). Чтобы передать его в МРКЦ, можно использовать освобождающуюся с введением модуля цепь СИстроб, соединяющую контакт 10 соединителя X5 (А1) и контакты 4 соединителей X4 (А2) и XN1 на ПСП. Все эти цепи показаны на рис.9. Для реализации предложения следует соединить на ПСП контакт 11 соединителя X3 (A7) и контакт 4 соединителя XN1 навесной перемычкой. На рис.9 показан вид на плату со стороны печатных проводников. Штриховой линией изображены перемычки, находящиеся на стороне розеток.

В телевизорах с микросхемой TDA8362 в выходном каскаде кадровой развертки обычно бывает применена микросхема TDA3651/54 (К1021ХА8) или TDA3651Q/54Q (К1051ХА1), имеющая токовое управление. Кадровым импульс запуска, передаваемый с вывода 43 микросхемы TDA8362 в такой выходной каскад, представляет собой импульс тока амплитудой не менее 1 мА во время прямого хода луча и несколько микроампер во время обратного хода. Ему соответствует напряжение на выводе 43 с уровнем 5 В при прямом и 0.3 В при обратном ходе, т.е. короткие запускающие импульсы обратного хода направлены вниз от уровня 5 В.

В телевизорах 3УСЦТ управление модулем МК-1-1 обеспечивается положительными (направленными вверх) импульсами запуска кадровой развертки амплитудой 10 В. Для согласования формы и амплитуды импульсов, поступающих с вывода 43 микросхемы DA1, с требующимися для модуля МК-1-1 применен усилитель-инвертор, собранные на транзисторе VT6 (рис.8).

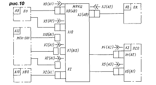
Микросхема TDA8362 в 3УСЦТ и других телевизорах, соединение МРКЦ с остальными блоками телевизора 3УСЦТ

Схема соединения МРКЦ с остальными блоками телевизора 3УСЦТ показана на рис.10.

Прежде чем перейти к описанию конструкции модуля, рассмотрим его возможные модификации в зависимости от типа модернизируемого телевизора и пожеланий его владельца.

1. Селекторы каналов СК-М-24-2 и СК-Д-24 будут успешно работать в МРКЦ, однако замена их более современными всеволновыми селекторами СК-B-618, KS-V-73 и особенно UV-917 позволит значительно повысить чувствительность телевизора, улучшить соотношение сигнал/шум и упростить модуль за счет прямого (без транзистора VT1) соединения селектора с фильтром ZQ1 (см. рис.2). Наличие у этих селекторов совмещенного антенного входа для МВ и ДМВ снимает проблему подключения к двум антенным входам телевизора 3УСЦТ распределительной сети коллективного приема.

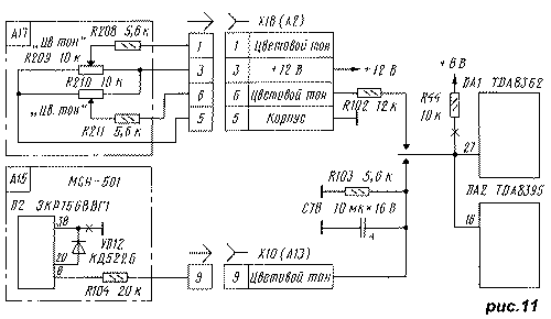
Микросхема TDA8362 в 3УСЦТ и других телевизорах, подключение системы NTSC

2. Перечень систем цветного телевидения, обрабатываемых микросхемой TDA8362, определяется напряжением на ее выводе 27. Если оно больше +5 В (вывод 27 через резистор R44 соединен с проводником напряжения +8 В, как показано на рис.6), то обрабатываются только сигналы систем SECAM и PAL. Если есть необходимость в обработке также любой из систем NTSC, то цепь подключения вывода 27 микросхемы следует смонтировать в соответсвии с рис.11, установив элементы R102-R104, C78, VD12 и сняв резистор R44.

При использовании УВП типов УСУ, СВП регулятором цветового тона NTSC (в этой системе необходима такая оперативная регулировка, поскольку изменение амплитуды сигналов яркости вызывает изменение окраски изображения) служит переменный резистор R211 (рис.11) - один из двух регуляторов цветового тона, установленных на корпусе телевизора.

При установки МСН для регулировки цветового тона NTSC используют незадействованную в стандартном включении синтезатора регулировку, выведенную на вывод 6 микросхемы D2 МСН. Для этого соединяют вывод 6 микросхемы D2 с контактом 9 соединителя X10 МСН через резистор R104 номиналом 20 кОм. На экран в качестве обозначения регулировки будет выводиться символ TONE (тембр). Если есть желание, то обозначение можно заменить правильным HUE (окраска), если включить диод VD11 между выводами 20 и 38 микросхемы D2 МСН, отпаяв вывод 38 от общего провода.

Все это позволит принимать сигналы NTSC-4.43 с видеовхода.

Что касается сигналов системы NTSC-3.58, принимаемых с антенного входа, то для их обработки требуется серьезное изменение радиотракта. Необходимо включение в него полосового и режекторного фильтров на частоту 4.5 МГц. Параллельное соединение трех режекторных фильтров между транзистором VT2 и выводом 13 микросхемы DA1 (см. рис.2) приведет к тому, что в видеосигнале будет вырезана слишком широкая полоса частот, что ухудшит четкость изображения. Для решения этой задачи в телевизорах PANASONIC на шасси MX3C [5] применена специальная микросхема, распознающая стандарт и включающая только один нужный режекторный фильтр. Ее добавление существенно усложнило бы МРКЦ, поэтому и не рекомендуется.

3. В телевизоре 2УСЦТ использованы те же модули, что и в 3УСЦТ. Цоколевки всех соединителей совпадают, и установка МРКЦ в этих телевизорах не вызывает дополнительных проблем.

4. Не так обстоит дело в аппаратах серии 4УСЦТ. Перед изготовлением модуля для них необходимо сравнить цоколевку соединителей модуля с цоколевкой ответных частей телевизора и внести необходимые изменения в МРКЦ. Приводимые далее размеры платы модуля соответствуют размерам кассеты 3УСЦТ и могут не совпасть с размерами шасси модернизируемого телевизора. может понадобиться перекомпоновка платы МРКЦ. Привести более конкретные рекомендации невозможно, поскольку в отличие от 3УСЦТ принципиальные схемы и печатные платы телевизоров 4УСЦТ разных заводов не унифицированы и сильно отличаются друг от друга. Предлагается руководствоваться заводской схемой модернизируемого телевизора и справочником [6].

5. В телевизоре УПИМЦТ модуль МРКЦ вполне может быть использован для замены блока обработки сигналов БОС при условии дополнения его модулем УМ1-3 (УЗЧ) и каскадом гашения лучей кинескопа (оба находятся на БОС). Другой (по отношению к 3УСЦТ) размер кассеты требует увеличения размера платы без изменения рисунка печатных проводников. При одновременной замене селектора СК-В-1 (Kу которого ниже, чем у СК-М-24-2) на более современный, а УВП типа СВП-4 на МСН в УПИМЦТ можно получить все функции телевизора пятого поколения.

6. В переходной от УПИМЦТ к 3УСЦТ модели 3УСЦТ-П (она же - 4УПИМЦТ) модуль МРКЦ мог бы заменить целиком плату блока разверток и обработки сигналов БРОС, на которой находятся радиоканал, каналы яркости и цветности. На ней установлен селектор СК-М-24, модули УМ1-1, УМ1-2, УМ1-3, УМ1-4, УМ2-1-1, УМ2-2-1, УМ2-3-1, УМ2-4-1, М2-5-1. Все они, кроме селектора и УМ1-3, не нужны. Не нужен и модуль синхронизации М3-1-1, установленный на плате разверток БРОС. Замена этой совокупности модулей новым (МРКЦ), конечно, возможна и желательна, но требует серьезных переделок в модуле и оставшейся плате БРОС в связи с совершенно иной системой межплатных соединений и не рекомендуется.

Литература

4. Пескин А., Коннов А. Телевизоры зарубежных фирм. Устройство, регулировка, ремонт. Серия "Ремонт", вып.17 - М.: Соломон, 1998.
5. Соколов В., Пичугин Ю. Ремонт цветных стационарных телевизоров 4УСЦТ. Справочное пособие. МРБ, вып. 1200. - М.: Радио и связь, 1994.

Публикация: Н. Большаков, rf.atnn.ru

Смотрите другие статьи раздела Телевидение.

Читайте и пишите полезные комментарии к этой статье.

<< Назад

Последние новости науки и техники, новинки электроники:

Власть является ключевым фактором счастья в отношениях 11.03.2026

Исследования семейных и романтических отношений показывают, что длительное счастье пары зависит не только от привычных факторов, таких как доверие, уважение и преданность, но и от более тонких психологических аспектов. Современные ученые ищут закономерности, которые отличают действительно счастливые пары от остальных, чтобы понять, какие механизмы поддерживают гармонию в отношениях. Группа исследователей из Университета Мартина Лютера в Галле-Виттенберге и Бамбергского университета провела опрос среди 181 пары, которые состояли в совместных отношениях более восьми лет и прожили вместе хотя бы месяц. Участники заполняли анкету, описывая различные аспекты своих отношений, включая распределение обязанностей, эмоциональную поддержку и степень вовлеченности в совместные решения. Анализ данных показал интересный паттерн: пары, где оба партнера ощущали высокий уровень личной власти, оказывались наиболее счастливыми и удовлетворенными. В данном контексте под властью понимается способност ...>>

Защищенная колонка-повербанк Anker Soundcore Boom Go 3i 11.03.2026

Компания Anker представила новую модель линейки Soundcore - колонку Soundcore Boom Go 3i, ориентированную на активное использование на улице. Новинка отличается высокой степенью защиты: корпус соответствует стандарту IP68, что обеспечивает водо- и пыленепроницаемость, а ударопрочный дизайн выдерживает падение с высоты до одного метра. За качество звука отвечает 15-ваттный драйвер, обеспечивающий пик громкости до 92 дБ, а технология BassUp 2.0 усиливает низкие частоты, делая звучание более насыщенным. Колонка обладает автономностью до 24 часов, а LED-индикатор позволяет контролировать уровень заряда батареи. Кроме того, Soundcore Boom Go 3i может выполнять функцию павербанка: согласно внутренним тестам, устройство способно зарядить iPhone 17 с нуля до 40% за один час, что делает его полезным аксессуаром в походах и поездках. Среди функциональных особенностей модели стоит выделить технологию Auracast, которая улучшает подключение и позволяет создавать стереопару из двух колонок ...>>

Раннее воздержание от алкоголя перестраивает мозг и иммунитет 10.03.2026

Алкогольная зависимость - хроническое расстройство с компульсивным употреблением спиртного, которое влияет не только на поведение, но и на функционирование мозга и иммунной системы. Недавние исследования показали, что даже на ранних этапах воздержания организм начинает перестраиваться, открывая новые возможности для терапии зависимости. Ученые сосредоточились на пациентах, находящихся в первые недели абстиненции, и зафиксировали значительные изменения в мозговой активности. С помощью функциональной магнитно-резонансной томографии они выявили перестройку сетей нейронных связей, отвечающих за контроль импульсов и принятие решений. Эти изменения могут быть ключевыми для восстановления самоконтроля и снижения риска рецидива. Одновременно с нейронной перестройкой исследователи наблюдали колебания иммунной системы. В крови повышался уровень цитокинов - сигнальных белков, регулирующих воспалительные процессы. Эти данные свидетельствуют о существовании нейроиммунного взаимодействия, при ...>>

Случайная новость из Архива

Атмосферу Титана воспроизвели в лаборатории 24.08.2021

Среди спутников планет Солнечной системы Титан занимает по размерам второе место, уступая только Ганимеду. Вращающееся вокруг Сатурна небесное тело имеет плотную атмосферу, состоящую в основном из азота с примесью метана.

Под атмосферой при температуре около -180°C на Титане текут реки из жидкого этана и метана. Как и в атмосфере Земли, на Титане газы испаряются с поверхности, сгущаются и проливаются осадками.

Условия на Титане в некоторой степени напоминают Землю до зарождения жизни. Спутник Сатурна может послужить массивной лабораторией для исследований формирования органических веществ. Сложность состоит в том, что с относительно близкого расстояния Титан исследовали только один раз - с помощью космического зонда "Кассини".

Команде ученых удалось воспроизвести атмосферные условия Титана в лаборатории. В ходе эксперимента они впервые изучили, как взаимодействуют между собой в экстремальных условиях ацетонитрил и пропионитрил. По данным астрономических наблюдений, эти органические вещества часто встречаются в атмосфере Титана.

Оказалось, что эти соединения по-разному кристаллизуются при низкой температуре в присутствии друг друга. Это существенно влияет на процессы, происходящие в атмосфере Титана и на то, какие минералы могут обнаружить исследователи на поверхности спутника Сатурна при дальнейшем изучении.

Один из авторов исследования, Томче Рунчевски, объяснил, что это не окончательная модель атмосферы Титана. В ней присутствуют не все вещества, известные исследователям. По мере исследования спутника Сатурна исследователи смогут моделировать условия на нем со все большей точностью.

Другие интересные новости:

▪ Климатически нейтральная арена

▪ Водородные генераторы Rolls-Royce

▪ Солнцезащитный крем для космонавтов

▪ Подслащенные напитки вызывают ожирение и износ зубов

▪ Курица на растительной основе от KFC

Лента новостей науки и техники, новинок электроники

 

Интересные материалы Бесплатной технической библиотеки:

▪ раздел сайта Аккумуляторы, зарядные устройства. Подборка статей

▪ статья Резак переплетчика. Советы домашнему мастеру

▪ статья Какая компания разливала крепкие алкогольные напитки через груди моделей Playboy? Подробный ответ

▪ статья Работа на копировально-множительном оборудовании. Типовая инструкция по охране труда

▪ статья Еще один стробоскоп. Энциклопедия радиоэлектроники и электротехники

▪ статья Попробуй проколи. Секрет фокуса

Оставьте свой комментарий к этой статье:

Имя:


E-mail (не обязательно):


Комментарий:





Главная страница | Библиотека | Статьи | Карта сайта | Отзывы о сайте

www.diagram.com.ua

www.diagram.com.ua
2000-2026