Бесплатная техническая библиотека
Трехколесный веломобиль. Личный транспорт

Справочник / Личный транспорт: наземный, водный, воздушный
Комментарии к статье
Всего три недели понадобилось мне, чтобы собрать из деталей старых велосипедов двухместный веломобиль прогулочного типа. Стремительный клиновидный профиль подсказал название новой машины - "Парус". Получилась онаманевренной, легкой на ходу и достаточно прочной. Низкая посадка создает чисто "автомобильное" ощущение скорости, удлиненная рама и мягкие сиденья хорошо скрадывают толчки от неровностей на дороге.

Ездили мы на "Парусе" вдвоем и даже втроем - с маленьким ребенком на коленях. Общий пробег составил уже более 300 км. Так что можно сделать вывод: поставленная задача - создать многоместную комфортабельную веломашину повышенной энерговооруженности (за счет введения вторых педалей) - решена успешно.
Веломобиль "Парус" (нажмите для увеличения): 1 - кузов-обтекатель. 2 - кронштейн руля, 3 - руль, 4 - хребтовая труба рамы, 5 - задняя дуга кузова, 6 - спаренный шатун. 7 - кронштейн кареточного узла, 8 - сиденье, 9 - фартук (клеенчатая обтяжка кузова), 10 - тяга руля, 11 - вилка рычаг руля
А теперь - подробнее об устройстве веломобиля.
Компоновка. Машина выполнена по трехколесной схеме, с двумя независимыми ведущими задними колесами и одним передним, рулевым. Это рационально, так как позволяет упростить силовую схему конструкции и систему управления. Минимальный радиус поворота - 2,5 м. При собственном весе 40 кг веломобиль развивает скорость до 25 км/ч.
Каркас веломобиля (в сборе) (нажмите для увеличения): 1 - рулевая колонка с вилкой переднего колеса, 2 - центральная часть рамы, 3 - подкос руля, 4 - удлинитель руля, 5 - руль, 6 - правый центральный шатунно-кареточный узел (с элементами велорамы и задней вилки), 7 - спаренный шатун правого привода (звездочка не показана), 6 - правая боковая часть рамы, 9 - основание сиденья, 10 - косынки (от раскладушки), 11 - вилка заднего колеса (с элементами велорамы), 12 - задняя дуга кузова, ІЗ - задние стойки кузова, 14- левая боковая часть рамы, 15 - левый центральный шатунно-кареточный узел (с элементами велорамы и задней вилки), 16 - спаренный шатун левого привода,17 - трубы каркаса обтекателя,18 - соединительная муфта спаренного шатуна, 19 - рулевая тяга, 20 - вилка-рычаг, 21 - рулевая колонка модернизированной вилкой от "Школьника"), 22 - верхняя и нижняя поперечины рамы, 23 - силовая поперечина рамы
Расположение цепных передач асимметричное: у водителя она проходит слева, внутри кузова, а у пассажира вынесена вправо, за габариты кузова. Это особенно оправдано, если на пассажирском месте сидит женщина в платье или ребенок: цепь не мешает и не пачкает. К тому же такая установка привода позволила использовать колеса дорожного велосипеда практически без переделок.
Силовая рама (нажмите для увеличения): 1 - верхняя поперечина,2 - хомут, 3 - верхняя труба боковой части рамы,4 - силовая поперечина,5 - косынка, 6 - задняя поперечина, 7 - вилка,8 - задняя дуга кузова,9 - стойка, 10 - хребтовая труба центральной части рамы (последняя условно не показана)
Центр тяжести веломобиля расположен так, что на задние колеса приходится около 70% нагрузки. Благодаря это му обеспечена хорошая устойчивость машины па поворотах при езде как в одиночку, так и вдвоем. Роль дифференциала выполняют штатные обгонные муфты задних колес.
Получение силового узла боковой части рамы (2 шт.) (нажмите для увеличения)
Кузов - каркасно-оболочковой конструкции, выполнен из труб от рамы велосипеда и старых раскладушек и декорирован кожзаменителем и столовой клеенкой. Условно кузов можно разделить на силовую раму и обтекатель.
Хребтовая труба центральной части рамы (нажмите для увеличения)
Силовая рама. Все ее соединения выполнены на винтах М5 с применением косынок, накладок и хомутов от велосипедных рам и раскладушки.
Заготовки центральной и боковых частей рамы и кареточных узлов выполняются с припусками - для подгонки ио росту.
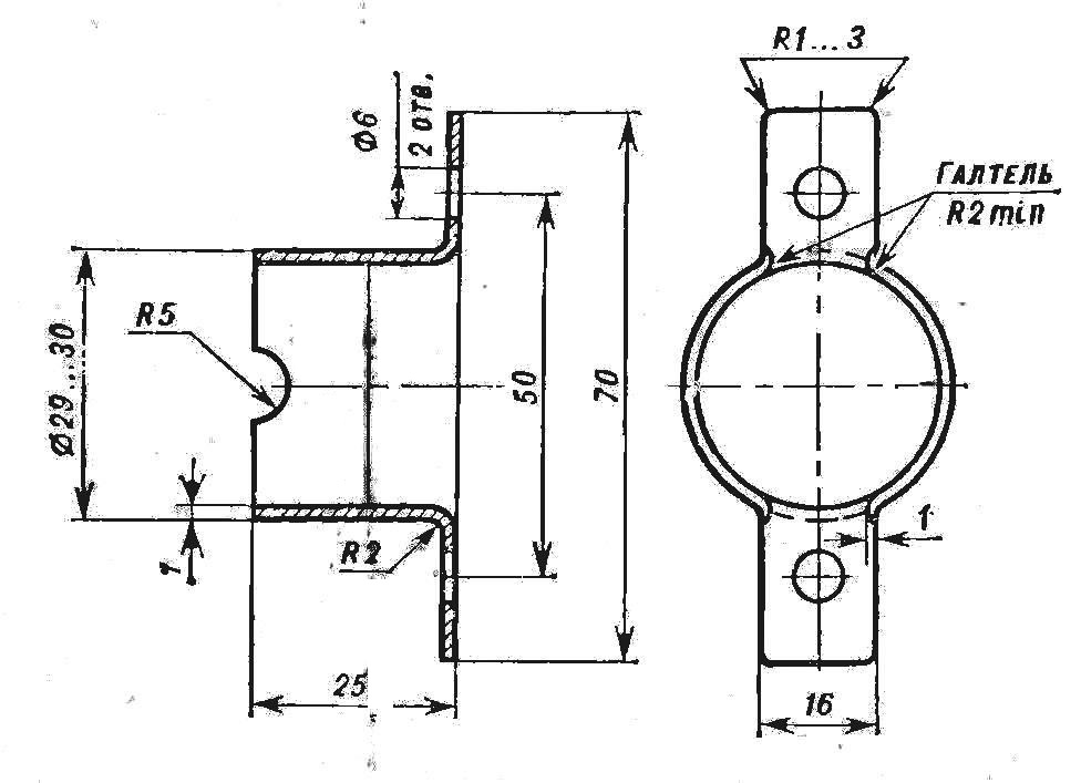
Соединительные муфты. Они необходимы для связи шатуна боковой каретки и педали центральной каретки.
Рулевой узел в сборе (нажмите для увеличения)
При изготовлении их в домашних условиях могу порекомендовать следующую технологию. Отрезаем от карнизной трубы конец длиной 50 мм (можно чуть больше). Напильником проделываем две полуокружности с радиусом 2-5 мм. Кладем на плиту подшипник № 80200 и накрываем его заготовкой муфты, вырезами вниз. Ударяя молотком по заготовке, запрессовываем в нее подшипник. Нилой делаем продольные прорези и удаляем лишний металл. В местах гибки тщательно скругляем все углы напильником и делаем галтели. Затем отгибаем лапки и сверлим отверстия 0 6 мм в соответствии с рисунком.
Остается установить муфты в соответствии с рисунком и проверить, легко ли крутятся педали.
Рулевое управление. Рулевой узел смонтирован с опорой на левый центральный кареточный узел. Его промежуточная вилка-рычаг изготовлена из деталей передней вилки и передней части рамы дамского велосипеда; доработка вилки: одно перо обрезано, второе отогнуто, а па конце проделано отверстие 0 6 мм для закрепления рулевой тяги, соединяющей ее с вилкой переднего колеса. Длина тяги 230 мм.
Соединительная муфта (нажмите для увеличения)
Удлинитель руля изготовлен из трубы от раскладушки. Руль от велосипеда "Школьник" закреплен в нем штатным конусом.
Трансмиссия. Веломобиль имеет две одноступенчатые цепные передачи, выполненные из узлов и деталей дорожного велосипеда. Выбранный тип передачи с тормозными втулками задних колес вполне подходит для ближних поездок с малой скоростью. Для дальних поездок желательно иметь 3-4 дополнительные звездочки.
Кузов-обтекатель. На силовую раму жестко крепится кузов-обтекатель из труб раскладушек. Он изготовлен заодно с рамой, обтянут кожзаменителем и клеенкой и несет силовую нагрузку. Размеры капота и его форма зависят от желаний конструктора н назначения веломобиля.
Сиденья защищены клеенкой. Первоначально я поставил на веломобиль полик, но это не оправдало себя, так как асимметричные нагрузки у переднего колеса при трехколесной схеме требуют очень жесткой рамы. От грязи и брызг вполне защитит фартук из плащевой ткани.
Соединительная муфта в сборе с педалью и шатуном (нажмите для увеличения): 1 - шатун, 2 - подшипник (№ 80200), 3 - муфта, 4 - педаль
Такие решения позволили получить легкий и просто ремонтируемый кузов яркой расцветки, что немаловажно для безопасности в общем потоке транспорта.
"Парус" повсеместно вызывает большой интерес и желание покататься на нем, тем более что каждый понимает: это не велосипед, здесь не требуется вырабатывать специальных предварительных навыков езды.
И действительно, убедиться в достоинствах такого транспорта несложно: достаточно сесть за руль и нажать на педали.
Рекомендуем интересные статьи раздела Личный транспорт: наземный, водный, воздушный:
▪ Самобег
▪ Католет
▪ Трехколесный веломобиль
Смотрите другие статьи раздела Личный транспорт: наземный, водный, воздушный.
Читайте и пишите полезные комментарии к этой статье.
<< Назад
Последние новости науки и техники, новинки электроники:
Власть является ключевым фактором счастья в отношениях
11.03.2026
Исследования семейных и романтических отношений показывают, что длительное счастье пары зависит не только от привычных факторов, таких как доверие, уважение и преданность, но и от более тонких психологических аспектов. Современные ученые ищут закономерности, которые отличают действительно счастливые пары от остальных, чтобы понять, какие механизмы поддерживают гармонию в отношениях.
Группа исследователей из Университета Мартина Лютера в Галле-Виттенберге и Бамбергского университета провела опрос среди 181 пары, которые состояли в совместных отношениях более восьми лет и прожили вместе хотя бы месяц. Участники заполняли анкету, описывая различные аспекты своих отношений, включая распределение обязанностей, эмоциональную поддержку и степень вовлеченности в совместные решения.
Анализ данных показал интересный паттерн: пары, где оба партнера ощущали высокий уровень личной власти, оказывались наиболее счастливыми и удовлетворенными. В данном контексте под властью понимается способност ...>>
Защищенная колонка-повербанк Anker Soundcore Boom Go 3i
11.03.2026
Компания Anker представила новую модель линейки Soundcore - колонку Soundcore Boom Go 3i, ориентированную на активное использование на улице.
Новинка отличается высокой степенью защиты: корпус соответствует стандарту IP68, что обеспечивает водо- и пыленепроницаемость, а ударопрочный дизайн выдерживает падение с высоты до одного метра. За качество звука отвечает 15-ваттный драйвер, обеспечивающий пик громкости до 92 дБ, а технология BassUp 2.0 усиливает низкие частоты, делая звучание более насыщенным.
Колонка обладает автономностью до 24 часов, а LED-индикатор позволяет контролировать уровень заряда батареи. Кроме того, Soundcore Boom Go 3i может выполнять функцию павербанка: согласно внутренним тестам, устройство способно зарядить iPhone 17 с нуля до 40% за один час, что делает его полезным аксессуаром в походах и поездках.
Среди функциональных особенностей модели стоит выделить технологию Auracast, которая улучшает подключение и позволяет создавать стереопару из двух колонок ...>>
Раннее воздержание от алкоголя перестраивает мозг и иммунитет
10.03.2026
Алкогольная зависимость - хроническое расстройство с компульсивным употреблением спиртного, которое влияет не только на поведение, но и на функционирование мозга и иммунной системы. Недавние исследования показали, что даже на ранних этапах воздержания организм начинает перестраиваться, открывая новые возможности для терапии зависимости.
Ученые сосредоточились на пациентах, находящихся в первые недели абстиненции, и зафиксировали значительные изменения в мозговой активности. С помощью функциональной магнитно-резонансной томографии они выявили перестройку сетей нейронных связей, отвечающих за контроль импульсов и принятие решений. Эти изменения могут быть ключевыми для восстановления самоконтроля и снижения риска рецидива.
Одновременно с нейронной перестройкой исследователи наблюдали колебания иммунной системы. В крови повышался уровень цитокинов - сигнальных белков, регулирующих воспалительные процессы. Эти данные свидетельствуют о существовании нейроиммунного взаимодействия, при ...>>
Случайная новость из Архива Основа для микросхем памяти ReRAM плотностью 100 Гбит
28.06.2017
Компания Sony Semiconductor Solutions рассказала о разработках, относящихся к памяти ReRAM, объединяющей достоинства DRAM и NAND.
Разработанные специалистами Sony ключевые технологии позволят выпускать микросхемы памяти ReRAM высокой плотности.
В памяти, созданной Sony Semiconductor Solutions, используются ионы меди. Конструкция ячейки включает всего один элемент для выборки и один резистивный элемент (структура 1S1R). Это дает возможность изготавливать память в виде простой матрицы пересекающихся линий и компоновать такие матрицы в несколько слоев, наращивая плотность.
Одна из новых разработок - барьер между резервуаром ионов и электролитом, уменьшающий неравномерность сопротивления. За счет него удается увеличить плотность хранения.
Вторая технология - легирование элемента выборки бором и углеродом, за счет чего уменьшается ток утечки и увеличивается ресурс.
По оценке Sony Semiconductor Solutions, разработанные технологии позволят выпускать память ReRAM с временем записи 100 нс, ресурсом 10 млн циклов и плотностью около 100 Гбит.
Ожидается, что ReRAM заполнит нишу между DRAM и NAND по стоимости, производительности и степени интеграции.
|
Другие интересные новости:
▪ Мухи более заразны, чем считалось
▪ Счастье от альтруизма недолговечно
▪ Мухи опаснее, чем считалось
▪ SSD типоразмера 1,8 дюйма интерфейсом SAS
▪ Водонепроницаемый Android-смартфон Fujitsu F074
Лента новостей науки и техники, новинок электроники
Интересные материалы Бесплатной технической библиотеки:
▪ раздел сайта Музыканту. Подборка статей
▪ статья За кудыкины горы. Крылатое выражение
▪ статья Сколько весит самая большая в мире жемчужина? Подробный ответ
▪ статья Задвижной штык. Советы туристу
▪ статья Гибридный УМЗЧ без ООС. Энциклопедия радиоэлектроники и электротехники
▪ статья Преобразователь напряжения, 2х12-18 вольт. Энциклопедия радиоэлектроники и электротехники
Оставьте свой комментарий к этой статье:
Главная страница | Библиотека | Статьи | Карта сайта | Отзывы о сайте

www.diagram.com.ua
2000-2026