Áåñïëàòíàÿ òåõíè÷åñêàÿ áèáëèîòåêà
Ìîäåðíèçàöèÿ äâèãàòåëÿ ÌÌÂÇ-3115. Ëè÷íûé òðàíñïîðò

Ñïðàâî÷íèê / Ëè÷íûé òðàíñïîðò: íàçåìíûé, âîäíûé, âîçäóøíûé
Êîììåíòàðèè ê ñòàòüå
ß çàíèìàþñü êàðòèíãîì è õîòåë áû ïîäåëèòüñÿ îäíèì ñîâåòîì ñ òåìè, êòî óâëåêàåòñÿ ýòèì âèäîì ñïîðòà.
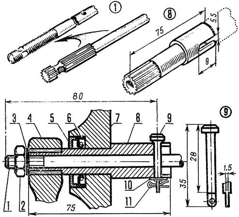
Ó äâèãàòåëÿ ÌÌÂÇ-3115 åñòü ñëàáîå ìåñòî - âàë ïåðåêëþ÷åíèÿ ïåðåäà÷. Äåëî â òîì, ÷òî ó ìîòîöèêëà ðû÷àã ïåðåêëþ÷åíèÿ ïåðåäà÷ ðàñïîëàãàåòñÿ ãîðèçîíòàëüíî, íî ïðè óñòàíîâêå íà êàðò ïðèíèìàåò âåðòèêàëüíîå ïîëîæåíèå. Íà âàëó ïðîòî÷åíà ëûñêà ïîä ñòÿæíîé áîëò (òî åñòü ÷àñòü øëèöåâ ñðåçàåòñÿ), à ïðè ïîâîðîòå íà 90° ñíèìàåòñÿ åùå îäíà.  ðåçóëüòàòå øëèöåâîå ñîåäèíåíèå îêàçûâàåòñÿ î÷åíü íåíàäåæíûì è ÷àñòî âûõîäèò èç ñòðîÿ. Ïðàâäà, íà íîâûõ êàðòàõ ìàðêè ÀÊÓ-83 ýòîò íåäîñòàòîê óñòðàíåí, íî, ïîñêîëüêó â ýêñïëóàòàöèè åùå äîëãî áóäóò îñòàâàòüñÿ ñòàðûå ìîòîðû, ìîé ñîâåò ìîæåò îêàçàòüñÿ ïîëåçíûì.
Ñóòü ïðåäëîæåíèÿ â ñëåäóþùåì. Ïîñêîëüêó íà êàðòå òðóá÷àòûé âàë êèêñòàðòåðà íå èñïîëüçóåòñÿ, îí âïîëíå ìîæåò áûòü ïðèñïîñîáëåí äëÿ óñèëåíèÿ âàëà ïåðåêëþ÷åíèÿ ïåðåäà÷. Ïðåæäå âñåãî ñëåäóåò ïåðâûé óêîðîòèòü äî äëèíû 75 ìì è ñäåëàòü ïðîïèë øèðèíîé 5,5 ìì - ëó÷øå âñåãî òîíêèì íàæäà÷íûì êðóãîì. Äàëåå íà âàëó ïåðåêëþ÷åíèÿ ïåðåäà÷ íà ðàññòîÿíèè 80 ìì îò åãî êðàÿ ïðîñâåðëèâàåòñÿ îòâåðñòèå ïîä çàêàëåííûé ìîíòàæíûé ãâîçäü-äþáåëü, à øëèöåâàÿ ÷àñòü îáòà÷èâàåòñÿ äî Ø 10 ìì, è íà íåé íàðåçàåòñÿ ðåçüáà Ì10.
Óçåë âàëà ïåðåêëþ÷åíèÿ ïåðåäà÷: 1 - âàë ïåðåêëþ÷åíèÿ ïåðåäà÷ (íà âûíåñåííîì èçîáðàæåíèè ïîêàçàíà äîðàáîòêà âàëà), 2 - ãàéêà Ì10, 3, 10 - øàéáû, 4 - ðû÷àã êèêñòàðòåðà, 5 - êðûøêà, 6 - ìàíæåòà, 7 - êðûøêà êàðòåðà, 8 - äîðàáîòàííûé âàë êèêñòàðòåðà (íà âûíåñåííîì èçîáðàæåíèè ïðåðûâèñòîé ëèíèåé ïîêàçàíà ñðåçàåìàÿ ÷àñòü), 9 - ìîíòàæíûé ãâîçäü-äþáåëü, 11 - øïëèíò
Ïðè ñáîðêå â îòâåðñòèå âàëà ïåðåêëþ÷åíèÿ ïåðåäà÷ âñòàâëÿåòñÿ äîðàáîòàííûé äþáåëü. Ïðè çàòÿãèâàíèè ãàéêè â íåãî óïèðàåòñÿ âàë êèêñòàðòåðà, òåì ñàìûì ñîçäàâàÿ ïëîòíîå, áåç ëþôòà, ñîåäèíåíèå îáîèõ âàëîâ. Òàêàÿ êîíñòðóêöèÿ áåçîòêàçíî ñëóæèò óæå áîëåå ÷åòûðåõ ëåò.
Àâòîð: Ä.Ñóêà÷åâ
Ðåêîìåíäóåì èíòåðåñíûå ñòàòüè ðàçäåëà Ëè÷íûé òðàíñïîðò: íàçåìíûé, âîäíûé, âîçäóøíûé:
▪ Ìîòîëîäêà Âåòåðîê
▪ Àêâàïåä-ïîïëàâîê
▪ Ïðèñïîñîáëåíèå äëÿ ðåãóëèðîâêè óãëîâ ðàçâàëà-ñõîæäåíèÿ
Ñìîòðèòå äðóãèå ñòàòüè ðàçäåëà Ëè÷íûé òðàíñïîðò: íàçåìíûé, âîäíûé, âîçäóøíûé.
×èòàéòå è ïèøèòå ïîëåçíûå êîììåíòàðèè ê ýòîé ñòàòüå.
<< Íàçàä
Ïîñëåäíèå íîâîñòè íàóêè è òåõíèêè, íîâèíêè ýëåêòðîíèêè:
Ïèòîìöû êàê ñòèìóëÿòîð ðàçóìà
06.10.2025
Ïîìèìî ýìîöèîíàëüíîé ïîääåðæêè, äîìàøíèå ïèòîìöû ìîãóò îêàçûâàòü çàìåòíîå âîçäåéñòâèå íà êîãíèòèâíûå ïðîöåññû, îñîáåííî ó ïîæèëûõ ëþäåé. Íîâîå ìàñøòàáíîå èññëåäîâàíèå ïîêàçàëî, ÷òî îáùåíèå ñ êîøêàìè è ñîáàêàìè íå ïðîñòî óëó÷øàåò íàñòðîåíèå - îíî äåéñòâèòåëüíî ñïîñîáñòâóåò çàìåäëåíèþ âîçðàñòíîãî ñíèæåíèÿ óìñòâåííûõ ñïîñîáíîñòåé.
Ðàáîòà ïðîâîäèëàñü â ðàìêàõ ïðîåêòà Survey of Health, Ageing and Retirement in Europe (SHARE), îõâàòûâàþùåãî ïåðèîä ñ 2004 ïî 2022 ãîä.  èññëåäîâàíèè ïðèíÿëè ó÷àñòèå òûñÿ÷è åâðîïåéöåâ ñòàðøå 50 ëåò. Àíàëèç ïîêàçàë, ÷òî âëàäåëüöû äîìàøíèõ æèâîòíûõ äåìîíñòðèðóþò áîëåå óñòîé÷èâûå êîãíèòèâíûå ôóíêöèè ïî ñðàâíåíèþ ñ òåìè, êòî íå äåðæèò ïèòîìöåâ. Îñîáåííî âûðàæåí ýôôåêò îêàçàëñÿ ó âëàäåëüöåâ êîøåê è ñîáàê.
Ñîãëàñíî äàííûì ó÷åíûõ, âëàäåëüöû ñîáàê äîëüøå ñîõðàíÿþò õîðîøóþ ïàìÿòü, â òî âðåìÿ êàê õîçÿåâà êîøåê ìåäëåííåå òåðÿþò ñïîñîáíîñòü ê áûñòðîìó ðå÷åâîìó âçàèìîäåéñòâèþ. Èññëåäîâàòåëè ñâÿçûâàþò ýòî ñ òåì, ÷òî åæåäíåâíîå âçàèìîäåéñòâèå ñ æèâîòíûìè òðåáóåò âíèìàíè ...>>
Ìèíè-ÏÊ ExpertCenter PN54-S1
06.10.2025
Êîìïàíèÿ ASUSTeK Computer ïðåçåíòîâàëà íîâûé ìèíè-êîìïüþòåð ASUS ExpertCenter PN54-S1. Óñòðîéñòâî îðèåíòèðîâàíî íà ïîëüçîâàòåëåé, êîòîðûì âàæíî ñî÷åòàíèå ïðîèçâîäèòåëüíîñòè, ýíåðãîýôôåêòèâíîñòè è óíèâåðñàëüíîñòè - îò îôèñíûõ çàäà÷ äî ìóëüòèìåäèéíûõ ïðîåêòîâ.
 îñíîâå ExpertCenter PN54-S1 ëåæèò ñîâðåìåííàÿ àïïàðàòíàÿ ïëàòôîðìà AMD Hawk Point, èñïîëüçóþùàÿ àðõèòåêòóðó Zen 4. Ýòî ïîêîëåíèå ÷èïîâ îòëè÷àåòñÿ óëó÷øåííûì óïðàâëåíèåì ýíåðãîïîòðåáëåíèåì è ïîâûøåííîé âû÷èñëèòåëüíîé ìîùíîñòüþ. Íîâèíêà äîñòóïíà â êîíôèãóðàöèÿõ ñ ïðîöåññîðàìè Ryzen 7260, Ryzen 5220 è Ryzen 5210, ïðåäñòàâëåííûõ AMD â íà÷àëå 2025 ãîäà. Òàêèì îáðàçîì, óñòðîéñòâî îõâàòûâàåò øèðîêèé äèàïàçîí çàäà÷ - îò áàçîâûõ îôèñíûõ äî ðåñóðñîåìêèõ âû÷èñëåíèé.
Êîðïóñ ìèíè-ÏÊ âûïîëíåí èç ïðî÷íîãî àëþìèíèÿ è èìååò ðàçìåðû 130×130×34 ìì, ÷òî äåëàåò åãî ïðàêòè÷åñêè íåçàìåòíûì íà ðàáî÷åì ñòîëå èëè çà ìîíèòîðîì. Íåñìîòðÿ íà êîìïàêòíîñòü, âíóòðåííÿÿ êîìïîíîâêà ïîçâîëÿåò óñòàíîâèòü äâà ìîäóëÿ îïåðàòèâíîé ïàìÿòè SO-DIMM ...>>
Ãëàçíûå êàïëè, âîçâðàùàþùèå ìîëîäîñòü çðåíèþ
05.10.2025
Ñ âîçðàñòîì ÷åëîâå÷åñêèé ãëàç ïîñòåïåííî òåðÿåò ñïîñîáíîñòü ÷åòêî âèäåòü íà áëèçêîì ðàññòîÿíèè - ðàçâèâàåòñÿ ïðåñáèîïèÿ, èëè âîçðàñòíàÿ äàëüíîçîðêîñòü. Ýòîò åñòåñòâåííûé ïðîöåññ ñâÿçàí ñ óòðàòîé ýëàñòè÷íîñòè õðóñòàëèêà è îñëàáëåíèåì öèëèàðíîé ìûøöû, îòâå÷àþùåé çà ôîêóñèðîâêó. Ìèëëèîíû ëþäåé ïî âñåìó ìèðó ñòàëêèâàþòñÿ ñ íåîáõîäèìîñòüþ íîñèòü î÷êè äëÿ ÷òåíèÿ èëè ïðèáåãàþò ê õèðóðãè÷åñêèì ìåòîäàì êîððåêöèè. Îäíàêî èññëåäîâàòåëè èç Öåíòðà ïåðåäîâûõ èññëåäîâàíèé ïðåñáèîïèè â Áóýíîñ-Àéðåñå ïðåäñòàâèëè ðåøåíèå, êîòîðîå ìîæåò ñòàòü óäîáíîé è íåèíâàçèâíîé àëüòåðíàòèâîé - ñïåöèàëüíûå ãëàçíûå êàïëè, ñïîñîáíûå óëó÷øàòü çðåíèå íà äëèòåëüíûé ñðîê.
Ðàçðàáîòêó âîçãëàâèëà Äæîâàííà Áåíîööè, äèðåêòîð Öåíòðà. Ïî åå ñëîâàì, öåëü èññëåäîâàíèÿ ñîñòîÿëà â òîì, ÷òîáû ïðåäîñòàâèòü ïàöèåíòàì ñ ïðåñáèîïèåé ýôôåêòèâíûé è áåçîïàñíûé ñïîñîá êîððåêöèè çðåíèÿ áåç õèðóðãè÷åñêîãî âìåøàòåëüñòâà. Íîâûå êàïëè, ñîçäàííûå íà îñíîâå ïèëîêàðïèíà è äèêëîôåíàêà, ïîêàçàëè óáåäèòåëüíûå ðåçóëüòàòû: óæå ÷åðåç ÷àñ ïîñëå ïåðâîãî ïð ...>>
Ñëó÷àéíàÿ íîâîñòü èç Àðõèâà Áèîòîïëèâî ïî öåíå 1 åâðî çà ëèòð
26.07.2013
Ñïåöèàëèñòû èç ôèíñêîãî Òåõíè÷åñêîãî èññëåäîâàòåëüñêîãî öåíòðà VTT ðàçðàáîòàëè íîâóþ òåõíîëîãèþ ïåðåðàáîòêè ëèãíîöåëëþëîçíîé áèîìàññû â áèîòîïëèâî, ïðè÷åì ñòîèìîñòü òàêîãî áèîòîïëèâà áóäåò êîììåð÷åñêè ïðèâëåêàòåëüíîé â Åâðîïå - ìåíåå 1 åâðî çà ëèòð. Íîâàÿ òåõíîëîãèÿ ïðîèçâîäñòâà àâòîìîáèëüíîãî ãîðþ÷åãî îñíîâàíà íà òåõíîëîãèè ãàçèôèêàöèè ñ ïñåâäîîæèæåííûì ñëîåì â ãåðìåòè÷íîì îáúåìå.  êà÷åñòâå òîïëèâà íà âûõîäå, ôèíñêèå ó÷åíûå óæå èçãîòàâëèâàëè ìåòàíîë, äèìåòèëîâûé ýôèð, æèäêîñòè Ôèøåðà-Òðîïøà è ñèíòåòè÷åñêèé áåíçèí.
Ýêñïåðèìåíòû ïîêàçàëè, ÷òî òåõíîëîãèÿ, ðàçðàáîòàííàÿ â Ôèíëÿíäèè, ïîçâîëÿåò ïåðåâîäèòü áîëåå 50% ýíåðãèè èñõîäíîãî äðåâåñíîãî ñûðüÿ â êîíå÷íûé ïðîäóêò, ãîðþ÷åå. Ýòî î÷åíü õîðîøèé ðåçóëüòàò, ê òîìó æå ïîáî÷íàÿ òåïëîâàÿ ýíåðãèÿ ìîæåò èñïîëüçîâàòüñÿ äëÿ îáîãðåâà èëè ãåíåðàöèè ïàðà, ÷òî ïîçâîëÿåò äîñòè÷ü 74-% ýôôåêòèâíîñòè ïðåîáðàçîâàíèÿ ýíåðãèè áèîìàññû.
Íî ñàìîå ãëàâíîå - òåõíîëîãèÿ óæå ãîòîâà äëÿ ïðîìûøëåííîãî èñïîëüçîâàíèÿ â Åâðîïå. Ïî ðàñ÷åòàì ôèíñêèõ ñïåöèàëèñòîâ, êîììåð÷åñêîå èñïîëüçîâàíèå òåõíîëîãèè ïîçâîëèò ïðîèçâîäèòü æèäêîå òîïëèâî â ïðåäåëàõ 58 åâðî/ÌÂò*÷, à öåíà áåíçèíà ñîñòàâèò 0,5-0,7 åâðî çà 1 ë. Äðóãèìè ñëîâàìè, áèîòîïëèâî ñðàâíÿåòñÿ ïî öåíå ñ áåíçèíîì èç íåôòè.
Ôèííû íà ýòèõ ðàñ÷åòàõ íå îñòàíîâèëèñü è 'íàáðîñàëè' ïðèáëèçèòåëüíûé îáëèê çàâîäà, ïðîèçâîäÿùåãî áèîòîïëèâî ïî íîâîé òåõíîëîãèè. Ïðåäïðèÿòèå áóäåò èìåòü ìîùíîñòü â 300 ÌÂò è ñìîæåò ïðîèçâîäèòü ãîðþ÷åãî, â êîëè÷åñòâå äîñòàòî÷íîì äëÿ ýêñïëóàòàöèè 150 000 àâòîìîáèëåé. Áîëåå òîãî, áèîìåòàíîë ìîæíî èñïîëüçîâàòü è â ñîâðåìåííûõ àâòîìîáèëÿõ: â âèäå 3-% äîáàâêè ê îáû÷íîìó ãîðþ÷åìó èç íåôòè.
|
Äðóãèå èíòåðåñíûå íîâîñòè:
▪ Ýêøåí-êàìåðà GoPro Hero6 Black
▪ Toshiba îáåùàåò âûïóñòèòü áàòàðåþ ñî ñðîêîì ñëóæáû 10 ëåò
▪ Îáíàðóæåí äâîéíèê Ñîëíå÷íîé ñèñòåìû
▪ Ãèáêèå òîíêèå àêêóìóëÿòîðû íà îñíîâå ôòîðèäà íèêåëÿ
▪ Íà ÌÊÑ óäâîèëè ñêîðîñòü èíòåðíåòà
Ëåíòà íîâîñòåé íàóêè è òåõíèêè, íîâèíîê ýëåêòðîíèêè
Èíòåðåñíûå ìàòåðèàëû Áåñïëàòíîé òåõíè÷åñêîé áèáëèîòåêè:
▪ ðàçäåë ñàéòà Ìåòàëëîèñêàòåëè. Ïîäáîðêà ñòàòåé
▪ ñòàòüÿ Òèïóí íà ÿçûê. Êðûëàòîå âûðàæåíèå
▪ ñòàòüÿ Êàêàÿ çíàìåíèòàÿ àêòðèñà îáëàäàëà äâîéíûì ðÿäîì ðåñíèö èç-çà ãåíåòè÷åñêîé ìóòàöèè? Ïîäðîáíûé îòâåò
▪ ñòàòüÿ Àêêóìóëÿòîðùèê. Òèïîâàÿ èíñòðóêöèÿ ïî îõðàíå òðóäà
▪ ñòàòüÿ Òåðìîìåòð Äîì-óëèöà. Ýíöèêëîïåäèÿ ðàäèîýëåêòðîíèêè è ýëåêòðîòåõíèêè
▪ ñòàòüÿ Ýëåêòðîëèçíûå óñòàíîâêè è óñòàíîâêè ãàëüâàíè÷åñêèõ ïîêðûòèé. Îáùèå òðåáîâàíèÿ. Ýíöèêëîïåäèÿ ðàäèîýëåêòðîíèêè è ýëåêòðîòåõíèêè
Îñòàâüòå ñâîé êîììåíòàðèé ê ýòîé ñòàòüå:
Ãëàâíàÿ ñòðàíèöà | Áèáëèîòåêà | Ñòàòüè | Êàðòà ñàéòà | Îòçûâû î ñàéòå

www.diagram.com.ua
2000-2025