Menu Home

Бесплатная техническая библиотека для любителей и профессионалов Бесплатная техническая библиотека


Хозяйственные санки. Личный транспорт

Личный транспорт: наземный, водный, воздушный

Справочник / Личный транспорт: наземный, водный, воздушный

Комментарии к статье Комментарии к статье

Как только выпал первый снег, выяснилось, что в доме нет такого нужного грузового зимнего транспортного средства, как салазки. Детские санки уже давно "отправились" на заслуженный отдых в кучу металлолома, да и слабоваты они были бы для перевозки тяжестей.

Пришлось взяться за изготовление новых санок, так сказать, хозяйственных - более крепких и приспособленных для транспортировки грузов (рис.1).

В дальнем уголке двора под навесом в складе металлолома отыскал предусмотрительно припасенные на всякий случай дужки от спинок стальных кроватей и какие-то более тонкие трубы.

По ходу изготовления этих санок в голове роился целый набор конструкций подобного назначения, причем уже не универсальных, а специализированных. Но о них - позже.

При конструировании санок предусматривал такие решения.

Во-первых, чтобы при довольно небольших размерах самих санок на них можно было перевозить не только массивные, но и габаритные грузы. Для этого их платформа должна быть выполнена в одной плоскости с передней перемычкой - траверсой. Правда, по ходу работы я решил траверсу установить все же немного выше платформы, чтобы она служила передним упором для грузового короба. А при необходимости опустить перемычку до уровня платформы большого труда не составит.

Хозяйственные санки

Хозяйственные санки
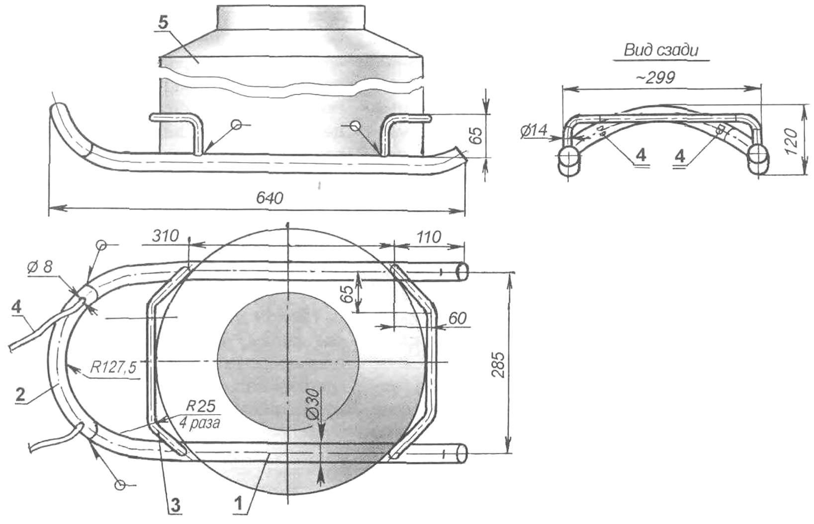
Рис. 1. Хозяйственные санки общего назначения (нажмите для увеличения): 1 - полоз (стальная труба Ø30, от металлической кровати); 2 траверса (стальной прокатный уголок 40x40); 3-петля для вожжей (стальная проволока Ø6, 2 шт.); 4 - стойка-портал (стальная труба O20, 3 шт.); 5 - планка платформы (доска 100x20,3 шт.); 6 - крепеж планки (шуруп-саморез, 18 шт.); 7 - вожжи (веревка Ø7); 8 - косынка (стальной лист s4, 6 шт.)

Хозяйственные санки
Рис. 2. Водовозные санки (на виде сзади фляга условно не показана) (нажмите для увеличения): 1 - полоз (стальная труба Ø30, 2 шт.); 2-траверса (стальная труба Ø30); 3 - упор (стальная груба Ø14, 2 шт.); 4 - вожжи (веревка Ø7); 5 -емкость для жидкости (дюралюминиевая фляга V=40 л)

Хозяйственные санки
Водовозные санки с площадкой

Во-вторых, платформа должна находиться довольно высоко, чтобы на санках перевозить и свешивающиеся грузы. В-третьих, платформу нежелательно делать сплошной, а лучше выполнить ее решетчатой, чтобы легче и надежнее крепить на ней грузы, пропуская веревку не только по краям, но и посередине. Для перевозки же сыпучих грузов (снега, песка) все равно придется использовать короб или ящик.

И последнее. Задние концы полозьев желательно тоже немного загнуть - тогда при необходимости можно будет легко сдавать санки назад.

Вот, пожалуй, и все "маленькие хитрости", которые я постарался предусмотреть при изготовлении грузовых санок. Сам же процесс их изготовления, как говорится, - дело техники. Сначала заготовил отдельные детали: полозья из трубы диаметром 30 мм - от металлических кроватей, стойки-порталы - из 20-мм трубы. Важно, чтобы стойки были как можно более одинаковыми между собой, а полозья - зеркально отображенными. Трубки стоек-порталов загибал в тисках, а потому в местах загибов они немного сплющились и ослабли. Эти места для надежности пришлось усилить подкосами тоже из трубы, но диаметром поменьше - 14 мм. Хотя как вариант, изображенный на чертеже, это можно сделать и косынками.

Что касается процесса сборки-сварки, то сначала детали лишь слегка прихватил, а после тщательной рихтовки по выставлению параллельности полозьев проварил стыки окончательно и надежно.

Задние торцы трубок полозьев заделал приваренными заглушками, а передние - концами пластинчатой поперечины-траверсы. Сварочные швы обточил на наждаке и доработал напильником. В траверсе, близ концов полозьев просверлил отверстия (притупив сверлом потолще их кромки) под вожжи. Платформу изготовил из трех продольно расположенных деревянных планок сечением 100x20 мм. Планки - сосновые, хотя лучше бы их выполнить из не смолистой древесины. Со стойками скрепил их шурупами-саморезами, через предварительно просверленные одновременно в обеих деталях соответствующие отверстия.

Красил только стальные детали обычным порядком: сначала чистил от ржавчины с помощью металлической щетки и наждачной бумаги; затем обезжирил уайт-спиритом; а в завершение загрунтовал и покрасил эмалью НЦ в два слоя с промежуточной сушкой.

Надо отметить, что санки получились неплохие (рис.1 и фото), хотя сделал их, можно сказать, на скорую руку.

Внимательный читатель заметит, что в конструкции санок на чертеже и фотографии есть небольшие отличия. Например, в первом случае стойки сварные, а во втором - гнутые; на чертеже передняя перемычка (траверса) из уголка, а на фотографии - из стальной полосы. Так сделано для того, чтобы показать возможность вариантного исполнения тех или иных узлов и деталей.

Ну, а пока делал эти санки, понял, что для перевозки емкостей с водой и другими жидкостями они малопригодны, и для этого нужна уже другая конструкция. Однако работу отложил до следующих выходных дней, чтобы без суматохи, в собственное удовольствие, предаться работе с ржавым металлом. К тому времени продумал очередную конструкцию водовозных санок и, обмерив 40-литровую алюминиевую флягу, предполагаемую для использования в качестве тарной емкости, даже набросал их эскиз (рис.2).

В ближайший выходной опять с энтузиазмом взялся за дело и уже к обеду закончил изготовление (кроме покраски) еще одних салазок - водовозных. Размером они поменьше хозяйственных, и по конструкции попроще. У них нет стоек - их заменили ограничители из более тонкой трубы - диаметром 14 мм. В принципе, им даже не нужна и площадка. Полозья у этих санок, выполненные из стальной трубы наружным диаметром 30 мм, плавно переходят в вваренную между ними траверсу из такой же трубы, все три детали смотрятся как единый элемент.

Руку, как говорят, уже набил, а потому и дело спорилось. Но тут пришли родственники. Они не только положительно оценили мои изделия, но и попросили сделать им подобные.

Не откладывая дела в долгий ящик, принялся за изготовление следующих санок. По желанию заказчиков они представляли собой симбиоз предыдущих: размерами и конструкцией полозьев - как у водовозных, а стойки с грузовой площадкой - как у хозяйственных. Здесь отмечу, что буквально за день до этого приобрел приспособление для вытяжных заклепок. Вот на этих санках его и испытал, прикрепив платформу из 10-мм фанеры к стойкам такими заклепками.

Хозяйственные санки
Рис. 3. Мини-санки (нажмите для увеличения): 1 - полоз (стальная труба Ø30); 2 траверса (стальная труба Ø30); 3 - стойка-портал (стальная труба Ø14, 2 шт.); 4-платформа (фанера s10); 5 -вожжи (веревка Ø7); 6 - крепление платформы к стойкам-порталам (вытяжная заклепка, 4 шт.)

Хозяйственные санки
Рис. 4. "Внедорожные" санки-волокуша (нажмите для увеличения): 1 - полоз (стальная труба Ø30,2 шт.); 2 - днище-корыто (стальной лист s1); 3 - траверса (стальной лист s3, 2 шт.); 4 - борт (стальной лист s1,2 шт.); 5 заглушка (деревянная пробка, 4 шт.)

Хозяйственные санки
Мини-санки (трехстоечный вариант)

На изготовленных санках (рис.3 на фото) вечером гости и увезли в свою квартиру мешок с картошкой и овощами, хранившимися в нашем погребе. Вот только краска на санках еще не успела как следует высохнуть.

И все же, как ни хороши все предыдущие санки, однако пригодны они только для "снежноукатанных" или "ледовых" дорог. Для снежной целины нужны другие салазки. У нас их называют попросту - волокушей, а вот североамериканские индейцы нарекли их более звучно - тобогган, и это название закрепилось за ними как международное. Волокуша имеет другую конструкцию. Во-первых, у нее нет полозьев, а потому она больше похожа на корыто. В таком исполнении волокуша трудноуправляемая и ее "заносит" на каждом повороте, особенно на скорости, когда она, например, прицеплена к снегоходу. Поэтому мои внедорожные салазки представляют собой тоже симбиоз, только теперь санок и волокуши (рис.4).

Полозья волокуши, как и у санок, изготовил из трубы наружным диаметром 30 мм, а грузовую платформу-корыто - из стального листа толщиной 1 мм. По бокам корыто имеет борта, а впереди и сзади - траверсы с отверстиями для пропуска веревок, крепящих груз. Траверсы можно выполнить и как отбортовки днища, например, сложив его края вдвое или даже втрое. Полозья загнуты с обеих концов, то есть конструкция выполнена по принципу "тяни-толкай". Вожжи закрепляются в отверстиях в загнутых концах полозьев, а потом торцы заглушаются деревянными пробками, чтобы в трубы не попадал снег.

Такую волокушу я сделал в подарок своему приятелю-охотнику как прицеп к снегоходу.

Автор: А.Матвейчук

 Рекомендуем интересные статьи раздела Личный транспорт: наземный, водный, воздушный:

▪ Веломобиль

▪ Складные лодки

▪ Безаккумуляторное зажигание для мотоциклов

Смотрите другие статьи раздела Личный транспорт: наземный, водный, воздушный.

Читайте и пишите полезные комментарии к этой статье.

<< Назад

Последние новости науки и техники, новинки электроники:

Хорошо управляемые луга могут компенсировать выбросы от скота 15.02.2026

Животноводство, особенно разведение крупного рогатого скота, часто обвиняют в значительном вкладе в глобальное потепление из-за мощного парникового газа - метана, который выделяется при пищеварении у жвачных животных. Это вызывает острые политические споры и призывы к сокращению потребления мяса. Однако ученые напоминают, что полная картина климатического воздействия отрасли не ограничивается только выбросами от животных: огромную роль играет окружающая экосистема - пастбища, почва и растительность, которые способны активно поглощать углекислый газ из атмосферы. Исследователи из Университета Небраски-Линкольна решили глубже изучить этот баланс. Группа под руководством профессора Галена Эриксона сосредоточилась на том, как правильно организованные пастбища накапливают углерод в растениях и грунте благодаря естественным процессам, стимулируемым выпасом скота. Ученые подчеркивают, что при достаточном уровне осадков и грамотном управлении такие луга превращаются в мощные природные погло ...>>

NASA тестирует инновационную технологию крыла 15.02.2026

Коммерческая авиация ежегодно расходует колоссальные объемы керосина, что сказывается не только на бюджете авиакомпаний, но и на состоянии окружающей среды. В 2024 году глобальные затраты на авиационное топливо достигли 291 миллиарда долларов, и эта сумма продолжает расти. Чтобы справиться с этими вызовами, NASA активно работает над технологиями, способными заметно повысить аэродинамическую эффективность самолетов. Одним из самых перспективных направлений стало создание специальной конструкции крыла, которая максимизирует естественный ламинарный поток воздуха и минимизирует сопротивление. В январе 2026 года специалисты NASA Armstrong Flight Research Center успешно провели важный этап наземных испытаний концепции Crossflow Attenuated Natural Laminar Flow (CATNLF). Для эксперимента под фюзеляж исследовательского самолета F-15B закрепили вертикально ориентированную масштабную модель высотой около 0,9 м (3 фута), напоминающую узкий киль. Такая компоновка позволила подвергнуть прототип р ...>>

Забота о внуках очень полезна для здоровья мозга 14.02.2026

Общение между поколениями приносит радость всей семье, но мало кто задумывается, насколько активно бабушки и дедушки, заботящиеся о внуках, поддерживают свою умственную форму. Регулярное взаимодействие с детьми стимулирует мозг пожилых людей, помогая сохранять память, скорость мышления и общую когнитивную активность. Новые научные данные подтверждают, что такая добровольная помощь не только важна для общества, но и может замедлять возрастные изменения в мозге. Исследователи из Тилбургского университета в Нидерландах провели анализ, чтобы понять, приносит ли уход за внуками реальную пользу здоровью пожилых людей. Ведущий автор работы Флавия Черечес отметила, что многие бабушки и дедушки регулярно присматривают за детьми, и оставался открытым вопрос, насколько это положительно сказывается на их собственном благополучии, особенно в плане когнитивных функций. Ученые поставили цель выяснить, способен ли регулярный уход за внуками замедлить снижение памяти и других умственных способ ...>>

Случайная новость из Архива

Транскраниальная магнитная стимуляция улучшила кратковременную вербальную память 04.10.2021

Транскраниальная магнитная стимуляция с частотой один герц, примененная к левой дорсолатеральной префронтальной коре во время запоминания слов, связана с улучшением вербальной памяти. Более того, этот эффект ассоциирован с хорошо известным физиологическим коррелятом формирования памяти - снижением бета-волн, наблюдаемом в задних отделах коры.

Левая дорсолатеральная префронталная кора играет важную роль в формировании вербальной памяти: если во время запоминания слов, любого текста, или его отрывка стимулировать эту область, то после, при попытке воспроизвести запомненное, обнаружится снижение производительности памяти. Причем такое снижение производительности в основном отмечается при применении возбуждающей транскраниальной магнитной стимуляции (ТМС) с частотой колебаний 20 герц. Таким образом, кажется, что активность левой дорсолатеральной префронтальной коры может иметь обратную связь с производительностью памяти.

Соответственно, можно предположить, что, подавляя активность левой дорсолатеральной префронтальной коры, возможно увеличить производительность памяти. А тот факт, что применение медленной (с частотой один герц) повторяющейся ТМС оказывает тормозящее действие на моторные области, подсказывает метод воздействия.

В первом эксперименте исследования 40 здоровых участников и во втором - 24 просматривали за серию по два списка из 10 слов, а всего таких серий было 12. Перед участниками стояла задача либо запомнить оба списка, либо только один. При этом в каждом эксперименте во время запоминания второго списка половина участников получала повторяющуюся ТМС с частотой один герц левой дорсолатеральной префронтальной коры, а другая половина, которая стала контрольной группой, - в область макушки головы, так как согласно предыдущим исследованиям стимуляция этих зон оказывает относительно небольшое влияние на текущие мозговые процессы, участвующие в большинстве экспериментальных задач.

Оказалось, что при свободном припоминании по сравнению с контрольной группой участники экспериментальной группы вспомнили значимо больше слов, но только слов из тех списков, во время запоминания которых они получали стимуляцию дорсолатеральной префронтальной коры. Одновременно записанные для данные ЭЭГ для первого эксперимента показали, что ТМС с частотой один герц ассоциировалась с последующим снижением бета-волн - состоянием, которое, как известно, полезно для формирования памяти. Это снижение отмечалось в теменных и затылочных областях, которые участвуют в процессах восприятия информации, что критично для запоминания, ведь невозможно верно запомнить то, что неверно воспринято или вовсе не воспринято.

Помимо эффекта, который ТМС оказывает на память, она помогла ученым перехватить воспоминания на пути из кратковременной в долговременную память. А это важно для изучения механизмов формирования памяти, и переноса информации из рабочей памяти в долговременное хранилище.

Другие интересные новости:

▪ Умная камера видеонаблюдения с функцией слежения

▪ Сенсорное управление на отключенном тачскрине

▪ Ловля микробов на магнит

▪ Сверхсильные искусственные мышцы

▪ Смартфон Nokia C5-03

Лента новостей науки и техники, новинок электроники

 

Интересные материалы Бесплатной технической библиотеки:

▪ раздел сайта Ваши истории. Подборка статей

▪ статья Модели - копии ракет. Советы моделисту

▪ статья Какая наука была исключением из сократовского Я знаю, что ничего не знаю? Подробный ответ

▪ статья Акка фейхоа. Легенды, выращивание, способы применения

▪ статья Акварельные краски. Простые рецепты и советы

▪ статья Платок из яблока. Секрет фокуса

Оставьте свой комментарий к этой статье:

Имя:


E-mail (не обязательно):


Комментарий:





Главная страница | Библиотека | Статьи | Карта сайта | Отзывы о сайте

www.diagram.com.ua

www.diagram.com.ua
2000-2026