Бесплатная техническая библиотека
Cухопутный парусник. Личный транспорт

Справочник / Личный транспорт: наземный, водный, воздушный
Комментарии к статье
Колесный буер, пляжный парусник, песчаная яхта, ветромобиль... Все эти термины относятся к одному и тому же тину транспортных средств, использующих для движения силу ветра. Конструкций таких "ветроходов" - великое множество, из года в год разрабатываются все новые - на трех колесах и на четырех, с латинским парусом и с бермудским вооружением, с жесткими плоскостями, напоминающими самолетное крыло, и даже с горизонтально расположенной вертушкой, подобной крыльчатке анемометра.
Предлагаем вашему вниманию песчаную яхту наиболее распространенной на сегодня схемы - с вооружением тина "бермудский кэт" и трехколесной тележкой, переднее колесо которой служит рулевым. Несмотря на сравнительно небольшие размеры, этот своеобразный парусный карт может развивать скорость до 50 км/ч! Сделайте со своими друзьями несколько таких "машин", и вы сможете устраивать самые настоящие гонки, разумеется, в местностях, где есть достаточно ровные поля и дуют постоянные и сильные ветры. Впрочем, кататься на этом паруснике можно и на школьном стадионе или даже по проселку.
Основой тележки парусника служат два сосновых лонжерона сечением 40х60 мм каждый. Бруски собираются с помощью поперечины сечением 60х70 мм в виде буквы А. Дополнительно рама подкрепляется в передней части фанерной косынкой S10 и в средней и задней частях двумя полосами из той же фанеры шириной 150 км. Все элементы рамы стыкуются на эпоксидном клее и болтах М6.
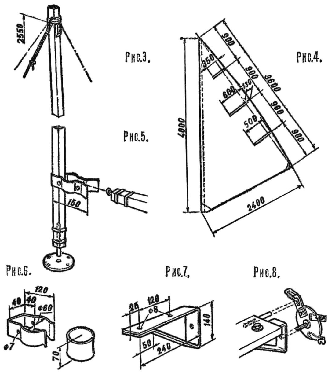
Для заднего моста вам потребуется сосновая или еловая доска сечением 25х150 мм и длиной 1900 мм. К выбору материала подойдите повнимательнее. Поскольку балка моста служит к тому же и поперечной рессорой - доска должна быть прямослойной, желательно без сучков и расслоений. С лонжеронами рамы балка стыкуется с помощью 8-мм болтов или шпилек и эпоксидного клея.
Переднее поворотное колесо (дутик от датского велосипеда) закрепляется в велосипедной вилке. Она поворачивается во втулке - передней части того же велосипеда, вырезанной из старой рамы вместе с отрезком горизонтальной трубы. Втулка зажимается между лонжеронами, а ее горизонтальная труба приворачивается к фанерной косынке рамы 6-мм болтами.
Пляжным парусником управляют с помощью педалей, связанных штуртросами с металлической пластиной толщиной 5 мм, привернутой к передней части вилки.
Рис. 1. Конструктивная схема сухопутного парусника (нажмите для увеличения): 1 - гик, 2 - мачта, 3 - оковка крепления вант и штага, 4 - ванты и штаг, 5 - винтовой талреп, 6 - лонжероны рамы, 7 - вилка переднего колеса, 8 - парус, 9 - бейфут гика, 10 - хомут фиксации оси педалей, 11 - рукоятка тормозного рычага, 12 - тормозной рычаг, 13 - бобышка, 14 - фанерная поперечина рамы, 15 - сиденье, 16 - подголовник, 17 - боковина сиденья, 18 - поперечина из фанеры, 19 - балка заднего моста, 20 - кронштейн крепления тормозных тросов, 21 - ось тормозного рычага, 22 - педали управления
Задние колеса - от мопеда "Верховина" или "Рига-16" - навешиваются на кронштейны, выгнутые из стальной полосы сечением 4X60 мм. К балке заднего моста кронштейны крепятся двумя 8-мм болтами каждый. Фиксация тормозного барабана - стальной шпилькой, ввернутой в балку. Оси колес закрепляются в кронштейне двумя гайками с шайбами с последующей контровкой мягкой проволокой.
Педали, связанные с рулевым колесом, располагаются на поперечине рамы. Проще всего сделать их из велосипедного руля, втулки и хомутика, которым на велосипеде закрепляется руль.
Тормозной рычаг вырезается из деревянного бруска сечением 25х70 мм. На его верхнюю часть надевается рукоятка от велосипедного руля. Отверстия (под ось и коуш троса) желательно усилить металлическими втулками - отрезками труб. Тросы в боуденовской оболочке проложены от тормозных барабанов задних колес до двух стальных профилей "уголок", закрепленных болтами на раме в районе средней фанерной поперечины. Далее через уравнитель натяжения тросов - к тормозному рычагу.
Сиденье собирается из фанеры S10 в соответствии с рисунком. Стыковка отдельных деталей - на дюралюминиевых уголках и винтах М4. В верхней части спинки установите подголовник - поролоновую губку, обшитую искусственной кожей.
Конструкция мачты целиком зависит от ваших возможностей; лучше всего использовать дюралюминиевую трубу диаметром около 40 мм - для это, о вполне подойдет прыжковый шест. Хорошая мачта получится и из дерева, особенно если собрать ее из нескольких реете па эпоксидном клее.
Мачта расчаливается штагом и вантами. Для них подойдет стальная проволока Ø 1,5 мм либо стальной трос Ø 2 мм. Для регулировки натяжения такелажа используйте винтовые талрепы.
Площадь паруса - около 4 м2. Сшить его можно из плотной непродуваемой ткани - например, подушечного тика, палаточной ткани или болоньи. Полотнища располагаются параллельно нижней шкаторине паруса, и сшиваются между собой швом "зигзаг". Задняя и нижняя шкаторины обшиваются лентой, вырезанной из того же материала. К передней шкаторине пришивается мачтовый карман - такой же, как на парусе виндсерфера (парусной доски).
Первые испытания сухопутного парусника лучше всего проводить при уморенном ветре. Прежде всего проверьте надежность тормозов и работу рулевого управления. Затем сориентируйте парусник так, чтобы направление ветра было перпендикулярным выбранному курсу ("галфвинд"). Выбирайте распущенный шкот до тех нор, пока парус перестанет заполаскивать, после этого разгоняйте яхту, пока не почувствуете, что она движется без вашей помощи. На ходу забирайтесь на сиденье и выбирайте шкот - к этому времени парус, как правило, начинает заполаскивать. Работая шкотами, все время держите парус на грани заполаскивания его передней шкаторины - в этом случае его тяга будет максимальной.

Рис. 2. Рама песчаной яхты. Рис. 3. Крепление штага и вант к мачте. Рис. 4. Геометрическая схема паруса. Рис. 5. Крепление гика к мачте. Рис. 6. Обойма и разрезное кольцо. Рис. 7. Кронштейн задних колес. Рис. 8. Установка заднего колеса. Рис. 9. Тормозной рычаг. Рис. 10. Сиденье. Рис. 11. Установка передней вилки. Рис. 12. Конструкция педалей (нажмите для увеличения)
Наиболее трудны и даже опасны повороты. Если вы намереваетесь сделать поворот "оверштаг", то есть носом судна пересечь линию ветра, заранее начинайте выбирать шкот и одновременно приводиться к ветру. Пересекая носом положение "левентик" (когда ветер дует точно "в лоб"), втугую выбирайте парус и сразу же после прохождения этого положения растравите его, одновременно уваливаясь под ветер.
Будьте внимательны при работе тормозами. Прежде чем тормозить, растравите шкот, предоставив парусу работать в режиме флюгера, в противном случае вы рискуете перевернуться.
Автор: А.Судец
Рекомендуем интересные статьи раздела Личный транспорт: наземный, водный, воздушный:
▪ Скрепка держит саморез
▪ Дельтаплан БС-3
▪ Ветрозащитный обтекатель для мотоцикла
Смотрите другие статьи раздела Личный транспорт: наземный, водный, воздушный.
Читайте и пишите полезные комментарии к этой статье.
<< Назад
Последние новости науки и техники, новинки электроники:
Впервые преоодолена передача ВИЧ от матери к ребенку
02.01.2026
Проблема вертикальной передачи ВИЧ - от матери к ребенку - остается одной из ключевых задач глобальной медицины. Недавний отчет Всемирной организации здравоохранения (ВОЗ) демонстрирует историческое достижение: Бразилия впервые в своей истории полностью преодолела этот путь передачи вируса. Страна стала 19-й в мире и первой с населением более 100 миллионов человек, которая достигла такого результата.
Достижения Бразилии основаны на комплексных медицинских программах, обеспечивающих своевременный доступ к диагностике и терапии для всех слоев населения. ВОЗ официально подтвердило, что уровень передачи ВИЧ от матери к ребенку снизился до менее двух процентов. Более 95% беременных женщин в стране получают регулярный скрининг на ВИЧ и необходимое лечение в рамках стандартного ведения беременности.
Изначально программа тестировалась в крупных муниципалитетах и штатах с населением более 100 тысяч человек, а затем была масштабирована на всю страну. Такой подход позволил унифицировать ста ...>>
Нанослой германия увеличивает эффективность солнечных батарей на треть
02.01.2026
Разработка высокоэффективных солнечных батарей остается одной из ключевых задач современной энергетики. Недавнее исследование южнокорейских ученых позволило повысить производительность тонкопленочных солнечных элементов почти на 30%, что открывает новые перспективы для возобновляемых источников энергии, гибкой электроники и сенсорных устройств.
Команда исследователей сосредоточилась на элементах на основе моносульфида олова (SnS) - нетоксичного и доступного материала, который идеально подходит для гибких солнечных панелей. До настоящего времени эффективность SnS-устройств оставалась низкой из-за проблем на границе контакта с металлическим электродом. В этой области возникали структурные дефекты, диффузия элементов и электрические потери, что существенно ограничивало возможности таких батарей. "Этот интерфейс был главным барьером для достижения высокой производительности", - отмечает профессор Джейонг Хо из Национального университета Чоннам.
Для решения этих проблем ученые предлож ...>>
Электростатическое решение для борьбы с льдом и инеем
01.01.2026
Борьба с льдом и инеем на транспортных средствах и критически важных поверхностях зимой остается сложной и затратной задачей. Ученые из Virginia Tech разработали инновационную технологию, способную разрушать лед и иней без использования тепла или химических реагентов, что открывает новые возможности для безопасной и экологичной зимней эксплуатации транспорта.
Исследователи обнаружили, что лед и иней образуют кристаллическую решетку с так называемыми ионными дефектами - заряженными участками, способными перемещаться под воздействием электрического поля. Эти дефекты являются ключом к управлению прочностью льда и его удалением с поверхностей.
Когда на замерзшую поверхность подается положительный электрический заряд, отрицательные ионные дефекты притягиваются к источнику поля. Это вызывает разрушение кристаллической решетки льда, в результате чего часть льда буквально "отскакивает" от поверхности. Такой эффект позволяет удалять лед без применения внешнего тепла или химических средств ...>>
Случайная новость из Архива Спорт помогает организму бороться с раком
11.07.2025
Связь между физической активностью и здоровьем человека давно не вызывает сомнений, однако современные исследования раскрывают все новые грани этой зависимости. Одним из наиболее обнадеживающих открытий последних лет стало влияние регулярных физических нагрузок на замедление роста раковых опухолей. Ученые из Австралии решили выяснить, каким образом активный образ жизни влияет на клетки рака и может ли он действительно стать вспомогательным фактором в борьбе с онкологией.
В ходе трехмесячного эксперимента, проведенного в Университете Эдит Коуэн, под наблюдение попали мужчины с лишним весом и диагностированным раком предстательной железы. Цель исследования заключалась в том, чтобы определить, как систематические тренировки отражаются на биохимическом составе их крови и насколько это может повлиять на поведение опухолевых клеток.
Одним из ключевых открытий стало повышение уровня особых белков - миокинов, которые вырабатываются мышцами во время физических упражнений. Эти белки обладают способностью не только подавлять активность опухоли, но и активизировать иммунные клетки, тем самым усиливая защитную реакцию организма.
Для подтверждения результатов исследователи взяли образцы крови у участников до начала тренировок и после завершения программы. Далее образцы подвергались воздействию на культуру клеток рака простаты в лабораторных условиях. Результаты оказались весьма впечатляющими: в крови после упражнений наблюдалось значительное снижение способности опухолевых клеток к росту.
Как объясняют ученые, миокины фактически меняют биохимическую среду в организме, затрудняя размножение злокачественных клеток и помогая иммунной системе эффективнее их распознавать. По словам авторов исследования, это особенно важно для пациентов с избыточной массой тела, у которых повышенный риск развития и прогрессирования онкологических заболеваний.
Хотя пока речь идет только о лабораторной фазе и исследованиях на небольшой выборке, результаты указывают на то, что физическая активность может стать важной частью комплексной терапии рака. При этом нагрузки должны быть регулярными и подобранными индивидуально, в зависимости от состояния здоровья пациента.
|
Другие интересные новости:
▪ Робот в муравейнике
▪ Наушники Logitech G633 с процессором обработки звука
▪ 3D-печать древесины
▪ TPA6211A1 - микросхема аудиоусилителя
▪ Фотодатчики на квантовых точках превосходят CMOS-сенсоры
Лента новостей науки и техники, новинок электроники
Интересные материалы Бесплатной технической библиотеки:
▪ раздел сайта Светодиоды. Подборка статей
▪ статья История экономической мысли. Курс лекций
▪ статья Какая страна самая маленькая в мире? Подробный ответ
▪ статья Форсунщик асфальтобетонной установки. Типовая инструкция по охране труда
▪ статья Простой передатчик ЧМ на Си-Би диапазон. Энциклопедия радиоэлектроники и электротехники
▪ статья Темброблок на микросхеме A1524. Энциклопедия радиоэлектроники и электротехники
Оставьте свой комментарий к этой статье:
Главная страница | Библиотека | Статьи | Карта сайта | Отзывы о сайте

www.diagram.com.ua
2000-2025