Menu Home

Бесплатная техническая библиотека для любителей и профессионалов Бесплатная техническая библиотека


Аэросани Север-2. Личный транспорт

Личный транспорт: наземный, водный, воздушный

Справочник / Личный транспорт: наземный, водный, воздушный

Комментарии к статье Комментарии к статье

В 1959 году Министерство связи СССР заказало конструкторскому бюро известного строителя вертолетов Н. И. Камова нетипичную для этого КБ машину - аэросани. Разработчикам была поставлена задача - создать транспортное средство, которое могло бы обеспечить почтовую связь в труднодоступных в зимнее время районах Севера, Сибири, Казахстана и Дальнего Востока.

Уже через год первые партии аэросаней, получивших название "Север-2", поступили на почтовые пинии. Они заменили до предела износившиеся снегоходы прежних выпусков НКЛ-16 и НКЛ-26, которые после окончания Великой Отечественной войны "переквалифицировались" в связные машины.

Аэросани "Север-2" сразу завоевали признание. Комфортабельные, быстроходные, вместительные, они обладали хорошей проходимостью в тяжелых условиях зимнего бездорожья. С их появлением на почтовых трассах стало возможным обеспечить регулярную доставку почты в самые отдаленные населенные пункты. Достаточно сказать, что во взаимодействии с самолетами гражданской авиации эти снегоходы стали регулярно доставлять центральные и краевые газеты в день их выхода во все населенные пункты вдоль Амура на участке от Хабаровска до Николаевска-на-Амуре, в поселки по реке Оби, где аэросани базировались в Ханты-Мансийске и Салехарде, вверх и вниз по течению Лены от города Усть-Кут и в десятки других точек, разбросанных по Северу, Сибири и Дальнему Востоку.

Средний сезонный пробег аэросаней на почтовых линиях составил от 12 до 15 тыс. км на каждую машину при средней скорости движения на самых сложных зимних трассах 30-35 км/ч. А ведь маршруты аэросаней проходили по глубокому целинному снегу, торосистому льду, им приходилось работать при морозах, достигавших -50-55°. Ни один транспорт не справился бы с подобными трудностями. Как же выглядела эта удачная и столь надежная машина?

"Север-2" - четырехлыжные аэросани с управляемыми передними лыжами. Кузов аэросаней автомобильный, дополнительно утепленный. Автономная отопительная установка поддерживала в кабине плюсовую температуру, обеспечивала обогрев ветровых стекол и разогрев двигателя перед запуском после длительных стоянок при низких температурах. Хорошее остекление кузова давало водителю достаточный обзор, а мощное осветительное оборудование - фары с дальним и ближним светом и прожектор-искатель - позволяли безаварийно эксплуатировать аэросани в сложных погодных условиях.

Аэросани Север-2
Рис. 1. Общий вид и габаритные размеры аэросаней "Север-2" (нажмите для увеличения)

Кузов был разделен на четыре отсека. Багажник размещался под передним капотом; в нем крепились аккумуляторные батареи, а свободное пространство занимали чехлы, которыми двигатель укрывали на стоянках, и необходимый инструмент. Кабина в передней части немногим отличалась от автомобильной, а пространство за сиденьем занял грузовой отсек, в который загружалась почта: посылки, газеты, письма. При необходимости в этом отсеке на откидном сиденье могли разместиться два-три пассажира. И наконец, был еще моторный отсек, располагавшийся сзади - там, где на автомобиле находился багажник. Над моторным отсеком, сверху кузова, крепился закрытый легкосъемным капотом двигатель внутреннего сгорания. Он был установлен на подмоторную раму - трубчатую сварную пространственную ферму, стойки которой привертывались болтами к ушкам задней рамы кузова.

Место под двигателем конструкторы использовали под узлы и агрегаты моторного оборудования. Здесь размещались: масляный радиатор с рукавами подвода к нему воздуха от воздухозаборников и с насадкой, в которой устанавливались створчатые жалюзи; баллоны для сжатого воздуха и агрегаты воздушной системы, обеспечивающие запуск двигателя; автономная отопительная установка с отдельным топливным баком и трубопроводом подачи подогретого воздуха к карбюратору двигателя; выхлопные трубопроводы двигателя.

Аэросани Север-2
Рис. 2. Компоновка аэросаней "Север-2" (нажмите для увеличения): 1 - кабанчик лыжи, 2 - колпак крепления лыжи на полуоси, 3 - фара, 4 - лючок горловины топливного бака, 5 - передний капот, 6 - багажник, 7 - аккумуляторная батарея, 8 - ветровое стекло, 9 - стеклоочиститель, 10 - рулевое колесо, 11 - прожектор, 12 - внутренняя перегородка 13 - габаритный огонь, 14 - обтекатель, 15 - масляный бак, 16 - лючок на обтекателе, 17 - неподвижное кольцо капота, 18 - воздушный винт, 19 - откидные створки капота, 20 - двигатель, 21 - втулка воздушного винта, 22 - моторная рама, 23 - ограждение воздушного винта, 24 - воздухозаборник 25 - задняя амортизационная стойка, 26 - отопитель, 27 - кронштейн лыжи, 28- задняя лыжа, 29 - полуось, 30 - подкос полуоси, 31 - заделка проема заднего колеса, 32 - дверь грузового отсека, 33 - корпус, 34 - дверь кабины водителя, 35 - поворотная полуось передней лыжи, 36 - обтекатель, 37 - топливный бак (левый), 38 - бампер, 39 - передняя лыжа, 40 - подошва лыжи, 41 - подрез лыжи

На крыше кузова, перед двигателем, на ложементах располагался масляный бак, закрытый обтекателем. Последив служил для организации потока воздуха, поступающего под капот двигателя, и для охлаждения цилиндров. На выходе воздуха из подкапотного пространства были установлены створчатые жалюзи, с помощью которых водитель регулировал степень охлаждения двигателя.

На "Север-2" ставили авиационный двигатель типа АИ-14РС (редукторный, санный) конструкции А. Г. Ивченко Впервые на машинах промышленного производства он вращал трехлопастный металлический воздушный винт с автоматической регулировкой шага и вводом лопастей в положение реверса для получения обратной тяги и торможения машины. Для безопасности зона вращения воздушного винта имела трубчатое ограждение, окрашенное ярко-красной краской. На внешние концы труб ограждения ставили красный и зеленый габаритные огни.

Кузов аэросаней соединялся с лыжами элементами передней и задней подвесок. Они состояли из полуосей, на которые крепились лыжи, и амортизаторов, смягчавших удары при движении по неровностям дороги.

Следует отметить, что серийный кузов автомобиля "Победа" и его внутреннее оборудование подверглись лишь небольшим доработкам. В передней части для подвески лыж была установлена сварная рама. Она имела площадки, в которые упирались пружинные амортизаторы и на которые ставились автомобильные демпферы. На раму наваривались кронштейны для крепления элементов передней подвески лыж, рулевого управления и буксирный крюк. Образовавшееся под передним капотом пространство снизу зашивали листом.

К передним и задним крыльям на винтах крепились боковые щитки, закрывающие вырезы колес. Пространство под крыльями передних колес использовали под топливные баки. Сверху прорезали отверстия для подхода к заливным горловинам баков и датчикам бензиномеров.

Аэросани Север-2
Рис. 3. Размещение органов управления в кабине водителя (нажмите для увеличения): 1 - пол кабины, 2 - педаль управления дроссельной заслонкой карбюратора, 3 - воздухопровод отопления, 4 - щиток электропредохранителей, 5 - электрощиток с тумблерами и сигнальными лампочками, 6 - передняя панель, 7 - ветровое стекло, 8 - стеклоочиститель, 9 - щетка стеклоочистителя, 10 - приборный щиток контроля мотоустановки, 11 - компас, 12 - рулевое колесо, 13 - ручка поворотного прожектора, 14 - замок зажигания и переключатель магнето, 15 - багажник для документов, 16 - проем двери, 17 - ручки управления (слева направо): жалюзи двигателя, жалюзи масляного радиатора, заслонки подогрева воздуха на входе в карбюратор, 18 - замок переднего капота багажника, 19 - управление воздушной заслонкой, 20 - рычаг ручного топливного насоса, 21 - рычаг управления шагом воздушного винта, 22 - рукоятка плунжера пускового насоса, 23 - ручка распределительного воздушного крапа системы запуска двигателя, 24 - "флажок" пускового насоса, 25 - пульт воздушной системы, 26 - сиденье водителя, 27 - ручка пожарного крана, 28 - край воздушной системы, 29 - воздушный манометр, 30 - управление заслонкой отопления кабины

Переделанная приборная доска автомобиля закреплялась на резиновых амортизаторах и включала приборы, контролирующие работу двигательной установки, и сигнальные лампочки. Слева от приборной доски и рулевой колонки поставили электрощиток с тумблерами управления электроагрегатами и сигнальные лампочки. Под щитком находилась панель электропредохранителей. Справа от доски приборов, ниже ящика для документов вывели ручки управления жалюзи двигателя, масляного радиатора и заслонки подогрева воздуха на входе в карбюратор. Под приборной доской, на полу уместился пульт управления топливной и воздушной системами. На нем установили ручной топливный насос, пусковой насос запуска двигателя, воздушные краны и манометр.

Автомобильные сиденья со спинкой сохранили, а кабину от грузового отсека отделила застекленная переборка. Окна переборки и стекла дверей грузового отсека снабдили металлическими решетками.

В задней части кузова снята конструкция, отделяющая багажник от пассажирской кабины, и убрано заднее пассажирское сиденье. Взамен установлена сдвинутая назад перегородка, за счет чего увеличена емкость грузового отсека. На ней смонтировано жесткое складное сиденье. В сложенном положении оно представляет собой второй пол. В перегородке предусмотрен съемный люк, обеспечивающий доступ изнутри грузовой кабины в моторный отсек, к масляному радиатору, агрегатам двигателя и системам.

Заднее стекло кузова автомобиля снято и заменено съемным люком, служащим для подхода к двигателю снизу.

На боковых наружных стенках задней части кузова наклепаны воздухозаборники, через которые встречный поток воздуха по специальным воздуховодам поступает на охлаждение масло-радиатора. На крышке багажника автомобиля сделано круглое отверстие для выхода тоннеля маслорадиатора.

Днище кузова также подверглось изменению. Снят ряд мелких кронштейнов и узлов автомобильных систем. Доработан короб, внутри которого проходил карданный вал. Его выступающая вниз часть срезана и заварена стальным листом заподлицо с нижней обшивкой днища. В образовавшемся тоннеле проложены коммуникации управления двигателем и его агрегатами и отопительная сеть, подводящая теплый воздух от отопителя в кабину водителя.

Для надежного крепления элементов подмоторной рамы и задней подвески лыж под заднюю часть кузова подведена сварная металлическая рама, состоящая из двух продольных лонжеронов коробчатого сечения, соединенных двумя поперечными балками. Она крепится лонжеронами к передним узлам подвески задних рессор машины и к балкам днища кузова.

Лыжи аэросаней взаимозаменяемые, клепаной конструкции. Они изготовлены из дюралюминия в сочетании со стальными сварными элементами. Корпус лыжи включал наружную обшивку, поперечный и продольный набор - диафрагмы и продольные профили. К ним приклепан кабанчик, служащий кронштейном крепления лыж к полуосям подвески. Он состоит из клепаного основания, имеющего поперечную перегородку, связанную с каркасом лыжи, и стального сварного кронштейна с втулкой, которой он надевается на полуоси. Этот кронштейн крепится болтами к основанию.

Аэросани Север-2
Рис. 4. Передняя подвеска лыж (нажмите для увеличения): 1 - подкосы, 2 - передняя балка корпуса, 3 - амортизационная пружина, 4 - резиновый упор, 5 - гидравлический демпфер двустороннего действия, 6 - рычаг демпфера, 7 - стяжной болт, 8 - эксцентричная ось, 9 - резиновый упор, 10 - стойка, 11 - шпилька крепления шкворня, 12 - бронзовая втулка кронштейна, 13 - упорная шайба, 14 - гайка крепления лыжи, 15 - автомобильная полуось, 16 - усилительная насадка, 17 - кронштейн кабанчика, 18 - кабанчик передней лыжи, 19 - шкворень, 20 - опорный подшипник, 21 - осевой болт, 22 - чашка пружины, 23 - болт.

Аэросани Север-2
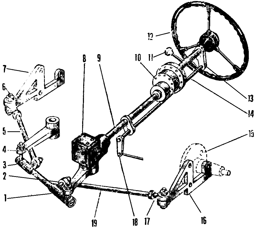
Рис. 5. Рулевое управление (нажмите для увеличения): 1 - сошка, 2 - шаровой болт, 3 - средняя рулевая тяга, 4 - промежуточная качалка, 5 - тяга правая, 6 - болт, 7 - рычаг правый, 8 - червячный механизм рулевой колонки, 9 - рулевая колонка, 10 - редуктор, 11 - рычаг управления шагом воздушного винта, 12 - рулевое колесо, 13 - кронштейн, 14 - валик управления шагом воздушного впита, 15 - полуось передней подвески, 16 - рычаг левый, 17 - резьбовой наконечник тяги управления, 18 - качалка, 19 - тяга левая.

Аэросани Север-2
Рис. 6. Лыжа аэросаней "Север-2" (нажмите для увеличения): 1 - носовая накладка, 2 - планка крепления полиэтиленовой подошвы, 3 - обшивка корпуса, 4 - внутренние диафрагмы, 5 - обшивка кабанчика, 6 - вертикальная переборка - стойка кабанчика, 7 - болт крепления, 8 - кронштейн кабанчика, 9 - бронзовая втулка, 10 - хвостовая накладка, 11 - подошва, 12 - бортовой уголок, 13 - подрез, 14 - полиэтиленовая подошва

Передние и задние концы корпуса лыжи имели стальную оковку, предохранявшую их от повреждений при ударах. Снизу под корпус монтировалась съемная подошва. Она состояла из самой подошвы - для уменьшения сопротивления трения - из листа нержавеющей стали, набора продольных профилей, поперечных элементов и наружного подреза, обеспечивающего устойчивость движения аэросаней, их управляемость. Ко всему подрез предотвращал боковое скольжение (занос) машины.

Подошвы лыжи с корпусом соединялись на винтах, для чего по периметру корпуса ставились анкерные гайки.

Передняя подвеска почти целиком состояла из "штатных" элементов автомобиля М-20. В ней использованы пружины и их чашки, подкосы, стойки соединения подкосов с гидравлическим демпфером, сам демпфер, поворотная полуось и все болтовые соединения с регулирующими эксцентриковыми втулками. Дополнительно изготавливались только насадка на полуось да гайки крепления кабанчиков лыж на полуосях и валики, фиксирующие гайку и предотвращающие ее самопроизвольное отворачивание.

Задняя подвеска была выполнена по пирамидальной схеме. Она состояла из полуоси, разгрузочного подкоса и пневмогидравлической амортизационной стойки. Соединения полуоси и разгрузочного подкоса с узлами на задней раме корпуса и амортизационной стойки нижним ее концом с полуосью и верхним узлом на ферме подмоторной рамы осуществлялись через карданные сочленения. Полуоси - трубчатые, с внешнего конца имели вваренные точеные хвостовики, на которые надевались кронштейны кабанчиков лыжи.

Трубчатый разгрузочный подкос имел со стороны подсоединения к полуоси втулку с внутренней резьбой. В резьбу вворачивалась вилка, при помощи которой изменяли длину подкоса и регулировали параллельность лыж.

Направление движения аэросаней изменялось поворотом передних лыж, осуществляемым водителем с помощью рулевого механизма. Детали элементов управления в основном были сохранены автомобильные, но для уменьшения усилия, прилагаемого водителем к рулевому колесу, в рулевую колонку ввели шестеренчатый редуктор. Имеющийся на колонке рычаг переключения скоростей использовали для привода принудительного изменения шага лопастей воздушного винта.

Скорость движения аэросаней варьировалась за счет изменения тягового усилия воздушного винта и зависела от частоты вращения и угла установки лопастей. Торможение обеспечивалось переводом лопастей воздушного винта в положение "реверс" электротумблером, расположенным на доске приборов.

На аэросанях устанавливался двигатель воздушного охлаждения с девятью звездообразно расположенными цилиндрами.

На двигателе навешены: генератор, два магнето, двухступенчатый масляный и бензиновый насосы, воздушный компрессор, воздухораспределитель и регулятор воздушного винта.

Двигатель крепится к кольцу моторной рамы на резиновых амортизационных втулках. Воздушный винт на вал редуктора двигателя установлен на шлицах и закреплен специальной гайкой, навертываемой на резьбовую законцовку вала.

Запас топлива в трех баках: в баке автомобиля и в двух емкостях, установленных справа и слева под передними крыльями, там, где на автомобиле расположены управляемые колеса. Эти баки посажены на ложементы и крепятся металлическими лентами с войлочными прокладками и натяжными резьбовыми муфтами.

Автор: И.Ювенальев

 Рекомендуем интересные статьи раздела Личный транспорт: наземный, водный, воздушный:

▪ Веломобиль

▪ Накачивание велосипедной камеры

▪ Воздушно-гидравлический планер

Смотрите другие статьи раздела Личный транспорт: наземный, водный, воздушный.

Читайте и пишите полезные комментарии к этой статье.

<< Назад

Последние новости науки и техники, новинки электроники:

Канада планирует построить космодром 06.04.2026

Развитие космической инфраструктуры все чаще становится вопросом не только науки и технологий, но и национальной безопасности. Многие государства стремятся получить независимый доступ к космическим запускам, чтобы не зависеть от внешних партнеров и укреплять собственный технологический суверенитет. На этом фоне Канада объявила о запуске масштабного проекта по созданию собственного космодрома. Министр обороны Канады Дэвид Мак-Гинти сообщил, что правительство страны инвестирует 200 млн канадских долларов, что составляет около 150 млн долларов США, в строительство национального космодрома. Эти средства станут частью долгосрочной программы развития суверенных возможностей космических запусков. По словам Мак-Гинти, Министерство обороны подписало 10-летнее соглашение с компанией MLS на сумму 200 млн долларов. В рамках этого контракта планируется строительство стартовой площадки, которая будет использоваться не только военными структурами, включая Министерство обороны и Вооруженные силы ...>>

Обновленные телевизоры Xiaomi S Mini LED TV 2026 06.04.2026

Компания Xiaomi представила обновленную серию телевизоров S Mini LED TV 2026, которая заметно отличается от версии, недавно вышедшей на европейский рынок. Новое поколение ориентировано на расширенные возможности отображения и более гибкую конфигурацию экранов, что делает линейку более универсальной для разных сценариев использования. В обновленной серии Xiaomi S Mini LED TV 2026 предлагается сразу пять диагоналей, начиная от 55 дюймов и заканчивая внушительными 100 дюймами. Флагманская модель оснащена 1920 зонами локального затемнения, способна достигать пиковой яркости до 2000 нит и поддерживает частоту обновления изображения до 288 Гц, что делает ее особенно привлекательной для динамичного контента и игр. Младшая модель в линейке отличается в первую очередь количеством зон локального затемнения, которых здесь 576, однако остальные ключевые характеристики остаются на уровне старших версий. Это позволяет сохранить высокое качество изображения даже в более доступном сегменте, не ж ...>>

Беспилотный грузовой самолет с двигателем AEP100 05.04.2026

Авиационная отрасль стоит перед масштабной задачей перехода к экологически чистым технологиям, и одним из наиболее перспективных направлений считается использование водорода в качестве топлива. Этот элемент рассматривается как потенциальная альтернатива традиционным видам авиационного топлива благодаря своей энергоэффективности и отсутствию углеродных выбросов при использовании. На этом фоне Китай сообщил об успешном испытании беспилотного грузового самолета, оснащенного турбовинтовым двигателем AEP100 мегаваттного класса, работающим на водороде. Это событие стало важным этапом в развитии авиационных технологий, так как позволило протестировать двигатель в реальных условиях полета, а не только в лабораторной среде. Испытательный полет был проведен в субботу, 4 апреля, в городе Чжучжоу, расположенном в китайской провинции Хунань. Именно там впервые в реальных условиях был задействован водородный авиационный двигатель подобной мощности, что дало возможность оценить его стабильность ...>>

Случайная новость из Архива

Электричество из морского салата 02.01.2022

Исследователи Техниона - израильского технологического института - разработали новый метод получения электрического тока непосредственно из морских водорослей экологически безопасным и эффективным способом.

Идея, которая впервые пришла в голову докторанту Техниона Яниву Шлосбергу во время купания на пляже, была реализована группой исследователей с трех факультетов Техниона, которые являются участниками Большой энергетической программы Техниона (GTEP), вместе с исследователем из Израильского института океанографии и лимнологии в Хайфе (IOLR).

Как известно, сжигание ископаемых видов топлива приводит к выбросу парниковых газов и других загрязняющих веществ, оказывающих влияние на изменения климата, причем различные формы загрязнения среды происходят на всех этапах добычи, транспортировки, переработки и потребления этих видов топлива. Климатический кризис и проблемы экологии являются движущей силой исследований и поисков альтернативных, чистых и возобновляемых источников энергии. Одним из них является использование живых организмов (например, бактерий) в качестве источника тока в микробных топливных элементах (MFC) и биофотоэлектрические элементы BPEC. Некоторые бактерии обладают способностью передавать электроны, но их нужно постоянно кормить, и некоторые из них являются патогенными.

Альтернативным источником электричества могут быть фотосинтезирующие бактерии, особенно цианобактерии (также известные как сине-зеленые водоросли). Цианобактерии сами получают пищу из углекислого газа, воды и солнечного света, и в большинстве случаев они безвредны - некоторые из них, такие, как "спирулина", вообще считаются "суперпродуктами" и выращиваются в больших количествах.

Исследовательские группы профессоров Ноама Адира и Гади Шустера уже разработали методы применения цианобактерий для получения электрического тока и водородного топлива. Однако у цианобактерий есть и недостатки - они производят меньше тока в темноте, когда нет фотосинтеза, и получаемая от них энергия меньше, чем от обычных солнечных элементов. Поэтому технология BPEC хотя и более экологически чистая, но коммерчески менее привлекательная.

В своей новой работе исследователи из Техниона и IOLR попытались решить эту проблему, используя новый источник фотосинтеза - морские водоросли. Исследованием руководили профессор Ноам Адир и докторант Янив Шлосберг с химического факультета Техниона и GTEP. Они сотрудничали с другими исследователями Техниона: доктором Тунде Тот (химический факультет), профессором Гади Шустером, доктором Давидом Мерии, Нимродом Крупником и Бенджамином Эйхенбаумом (биологический факультет), доктором Омером Иехезкели и Матаном Мейровичем (факультет биотехнологии и пищевой инженерии) и д-ром Альваро Исраэлем из IOLR в Хайфе. Многие виды морских водорослей естественным образом растут на средиземноморском побережье Израиля - особенно ульва (также известная как морской салат), которую в больших количествах выращивают в IOLR для исследовательских целей.

Разработав новые способы соединения водорослей и BPEC, исследователи получили ток, сила которого в 1000 раз превысила ток от цианобактерий, и находится на уровне стандартных солнечных элементов. Профессор Адир отмечает, что такая сила тока объясняется высокой скоростью фотосинтеза морских водорослей и возможностью использовать водоросли в их естественной морской воде в качестве электролита в BPEC. Кроме того, морские водоросли создают ток и в темноте, генерируя примерно 50% силы тока на свету - в темноте источником энергии становится дыхание водорослей, при котором сахара, полученные в процессе фотосинтеза, используются для питания. Как и в случае с цианобактериями, никаких дополнительных химикатов для получения тока не требуется. "Морской салат" выделяет молекулы-посредники для переноса электронов на электрод BPEC, создавая таким образом электрический ток.

Технологии производства энергии на основе ископаемого топлива известны как "углеродно-положительные". Это означает, что в процессе сжигания топлива в атмосферу выделяется углерод. Технологии солнечных батарей известны как "углеродно-нейтральные", и когда они извлекают энергию Солнца, новый углерод действительно не поступает в атмосферу. Однако само производство солнечных элементов и их транспортировка к месту использования во много раз более "углеродно-положительные". Разработанная в Технионе новая технология биоэлектричества является по-настоящему "углеродно-отрицательной" - морские водоросли растут, поглощая атмосферный углерод в течение дня, и выделяя кислород, и только ночью выделяют углерод при дыхании. При этом морские водоросли уже сегодня культивируются в массовом масштабе для пищевой, косметической и фармацевтической промышленности.

Другие интересные новости:

▪ Kodak существенно сокращает продажи пленочных камер

▪ Infineon начал производство NAND-памяти емкостью 512 Мбит

▪ Самый маленький двухмоторный турбореактивный самолет

▪ 31" монитор LG 31MU95 с разрешением 4096x2160 точек

▪ Космонавты подтверждают: соль опасна

Лента новостей науки и техники, новинок электроники

 

Интересные материалы Бесплатной технической библиотеки:

▪ раздел сайта Переговорные устройства. Подборка статей

▪ статья О если б без слов сказаться душой было можно! Крылатое выражение

▪ статья Какие обстоятельства привели к тому, что математик Александр Волков стал писателем? Подробный ответ

▪ статья Функциональный состав телевизоров Elekta. Справочник

▪ статья Как сделать действительно хорошую плату в домашних условиях. Энциклопедия радиоэлектроники и электротехники

▪ статья Полевые транзисторы серии КП723. Энциклопедия радиоэлектроники и электротехники

Оставьте свой комментарий к этой статье:

Имя:


E-mail (не обязательно):


Комментарий:





Главная страница | Библиотека | Статьи | Карта сайта | Отзывы о сайте

www.diagram.com.ua

www.diagram.com.ua
2000-2026