Menu Home

Бесплатная техническая библиотека для любителей и профессионалов Бесплатная техническая библиотека


Экономичный велопривод. Личный транспорт

Личный транспорт: наземный, водный, воздушный

Справочник / Личный транспорт: наземный, водный, воздушный

Комментарии к статье Комментарии к статье

Практически все конструкции привода велосипедов имеют общий недостаток, снижающий их кпд. Этот порок заключается в неэкономичном расходовании мускульной энергии при смене усилий с одной ноги на другую во время прохождения педалями "мертвых точек" (вертикального положения шатунов). Большая часть мускульного усилия в этот момент направлена к оси вращения педалей и не столько совершает полезную работу, сколько повышает износ подшипников каретки. Не зря велосипедисты перед началом движения выводят шатуны из вертикального положения. В результате рабочий ход начинается при частичной потере мускульной энергии, что вызывает преждевременную усталость велосипедиста.

Предлагаемое усовершенствование велосипедного привода устраняет этот недостаток, позволяя любителям дальних поездок ехать в экономичном режиме, рационально используя мускульную энергию, расходуя ее почти как при обычной ходьбе.

Для этого в конструкции привода используется устройство прерывания взаимодействия шатунов с ведущей звездочкой, обеспечивающее свободное и быстрое прохождение шатунов с педалями секторов около "мертвых точек" за счет инерции.

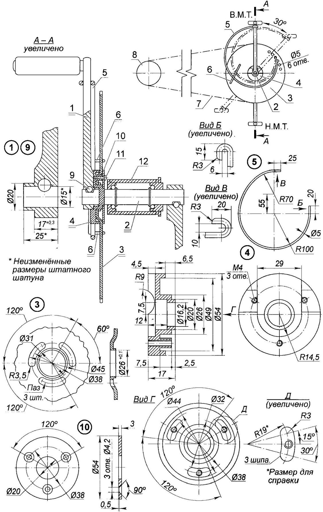
Общий вид конструкции привода велосипеда с инерционным прерывающим устройством показан на рисунке 1, где шатуны 1 (с педалями) закрепленные на кареточном валу 2, имеют подвижное (скользящее) соединение с ведущей звездочкой 3 за счет взаимодействия шипов, выполненных на втулке 4, закрепленной на правом шатуне, и диаметральных пазов - на ведущей звездочке 3. Пазы позволяют шатунам быстро проходить неэффективную зону, а спиральная пружина изгиба 5 - смягчает удар в конце их свободного хода.

Экономичный велопривод
"Экономичный" велопривод (нажмите для увеличения): 1 - доработанный правый шатун с педалью; 2 - вал каретки; 3 - доработанная ведущая звездочка цепной передачи; 4 - втулка (сталь 30ХГСА, круг 55); 5 - пружина кручения (углеродистая проволока Ø 5); 6 - ограничитель пружины (мягкая проволока Ø 4); 7 - приводная цепь; 8 - приводная звездочка; 9 - клин крепления шатуна на валу; 10 - направляющая шайба (сталь, лист s3); 11 - крепеж шайбы к втулке (винт М4, 3 шт.); 12 - кареточный узел

Как видно из рисунка привода, конструктивному изменению подвергается только соединение ведущей звездочки с правым шатуном, поэтому подобный привод можно изготовить на любой модели велосипеда.

Для этого из стали 30ХГСА изготавливается втулка с выступами согласно чертежу поз. 4, которая приваривается к шатуну, снятому с кареточного вала и доработанному в соответствии с чертежом поз. 1. Ведущая звездочка тоже дорабатывается - в ней выполняются пазы под выступы втулки. Пружина изготавливается "на холодную" из углеродистой проволоки диаметром 4 - 5 мм и содержит один неполный виток. Концы пружины можно загнуть в домашних условиях после нагрева места изгиба проволоки над газовой горелкой. Направляющая шайба 10 изготавливается согласно чертежу из любой стали.

При установке ведущей звездочки в ее пазы вставляются шипы втулки 4, на которых крепится шайба 10 тремя винтами М4. Ограничитель 6, выполненный из мягкой проволоки и закрепленный на ведущей звездочке путем загиба концов на ее перемычках-лучах, препятствует отходу от плоскости звездочки пружины при ее напряженном состоянии во время работы. Далее правый шатун 1 с ведущей звездочкой обычным способом закрепляется на валу 2 кареточного узла велосипеда с помощью клина 9. При установке пружины один ее конец устанавливается в подходящее отверстие на ведущей звездочке, а другой загнутый конец обхватывает шатун около педали.

Для расширения регулировки усилия пружины 5 на ведущей звездочке дополнительно сверлится ряд отверстий по диаметру проволоки для установки в них отогнутого конца пружины.

Работает привод следующим образом. В начальный период, например при установке правой ноги на правую педаль, находящуюся в верхнем положении, шатуны 1 совместно с валом 2 и втулкой 4 поворачиваются до рабочего взаимодействия шипа втулки с ведущей звездочкой 3, при этом пружина 5 сжимается и создает крутящий момент на ведущей звездочке. После приложения мускульного усилия к правой педали ведущая звездочка приводится во вращение - и велосипед разгоняется. При приближении правой педали к крайнему нижнему положению происходит прерывание рабочего взаимодействия шатунов (шипа втулки) с ведущей звездочкой путем задержки вращения шатунов относительно ведущей звездочки после снижения усилия на педаль за счет обратного действия пружины и инерционного движения велосипеда. При этом пружина поддерживает вращение звездочки и отводит ее от взаимодействия с шатунами. В результате в начале следующего рабочего цикла шатуны переходят область вертикального положения с некоторым обратным угловым смещением относительно ведущей звездочки, что обеспечивает свободный переход вертикального положения и очередное аккумулирование пружины уже для левого кривошипа. Далее процесс работы привода повторяется.

Свободный переход педалями крайних верхних и нижних положений исключает потери мускульной энергии при смене циклов их работы, что повышает кпд привода. В установившемся режиме работы происходит задержка вращения шатунов, а затем они эффективно подталкивают ведущую звездочку. В результате вращение педалей осуществляется в экономичном "толкательном" режиме. Такой режим работы позволяет без излишних усилий и длительное время поддерживать высокую скорость, что подобно поддержанию вращения маховика прерывистым касательным усилием. Задержка вращения шатунов способствует компенсации инерционных сил, действующих на ноги велосипедиста в области "мертвых точек" при их быстром вращательном перемещении.

На экономичность и стабильность работы привода влияет усилие аккумулирования пружины, которое подбирается в зависимости от массы и физической подготовки самого велосипедиста. Если после рабочего хода шатуны не отводятся от ведущей звездочки - то надо установить более упругую пружину. И наоборот, если для свободного перехода педали верхнего положения к ней прикладывается заметное мускульное усилие и при рабочем ходе отсутствует рабочее взаимодействие шатунов с ведущей звездочкой - то упругость пружины необходимо снизить. Это можно сделать путем подбора диаметра пружинной проволоки.

Для нормальной работы привода величина обратного перемещения кривошипов должна быть меньше их начального углового смещения. При таких условиях в переходных процессах работы поддерживается начальный крутящий момент на ведущей звездочке, что дополнительно усиливает демпфирующие свойства пружины для сглаживания пиковых нагрузок при толкательном вращении ведущей звездочки.

При освоении поездок на велосипеде с таким приводом от велосипедиста требуется определенное внимание за контролем равномерности вращения ведущей звездочки со свободным ходом шатунов. При получении определенных навыков равномерность вращения ведущей звездочки и величина обратного перемещения шатунов поддерживаются автоматически и не представляют каких-либо затруднений и дискомфорта.

Экспериментальные ходовые испытания в пределах 3500 км подтвердили экономичность и надежность работы привода. По сравнению с обычным велосипедом заметно снижается утомляемость при дальних поездках, что расширяет возможности велосипедиста.

Возможно, подпружинивание педалей относительно ведущей звездочки также может занять свое место в большом спорте, как и подпружинивание задней части лезвия относительно пятки ботинок беговых коньков.

Автор: В.Зеленов

 Рекомендуем интересные статьи раздела Личный транспорт: наземный, водный, воздушный:

▪ Катамаран Царевна Лягушка

▪ Приусадебный грузовичок

▪ Лодка для спокойной воды

Смотрите другие статьи раздела Личный транспорт: наземный, водный, воздушный.

Читайте и пишите полезные комментарии к этой статье.

<< Назад

Последние новости науки и техники, новинки электроники:

Кислотность океана разрушает зубы акул 03.10.2025

Мировые океаны выполняют важнейшую функцию - они поглощают около трети углекислого газа, выбрасываемого в атмосферу. Это помогает замедлять темпы глобального потепления, но имеет и обратную сторону. Растворяясь в воде, CO2 образует угольную кислоту, которая повышает концентрацию водородных ионов и приводит к снижению pH. Вода становится более кислой, а последствия этого процесса уже заметны для морских экосистем. Средний показатель кислотности океана сейчас равен примерно 8,1, тогда как еще недавно за условную норму брали значение 8,2. По прогнозам, к 2300 году уровень может упасть до 7,3 - это сделает океан почти в десять раз кислее нынешнего состояния. Для обитателей морей подобные изменения означают не просто сдвиг химического равновесия, а реальную угрозу физиологическим процессам, начиная от формирования раковин у моллюсков и заканчивая охотничьим поведением акул. Чтобы выяснить, как именно кислотная среда отражается на зубах акул, группа немецких исследователей провела эксп ...>>

Почтовый космический корабль Arc 03.10.2025

Космические технологии становятся частью инфраструктуры, способной повлиять на логистику, медицину и даже военную сферу. Идея использовать орбиту как глобальный склад для срочных поставок звучала еще недавно как научная фантастика, но стартап Inversion пытается превратить ее в практическое решение. Компания Inversion появилась в начале 2021 года благодаря Джастину Фиаскетти и Остину Бриггсу, которые на тот момент были студентами Бостонского университета. Их замысел состоял в том, чтобы сделать возможной доставку грузов не только через спутниковые сети данных, но и в буквальном смысле - физических предметов. В основе лежит простая мысль: если космос обеспечивает доступ к любой точке Земли, то и грузы должны перемещаться тем же маршрутом. Уже за три года работы команда из 25 специалистов успела построить демонстрационный аппарат "Ray". Его запуск состоялся в рамках миссии SpaceX Transporter-12. Устройство весом 90 килограммов проверяло ключевые технологии Inversion, включая двухком ...>>

Лазерное обогащение урана 02.10.2025

Ядерная энергия остается одним из ключевых источников стабильного электричества, особенно для стран с растущими потребностями в энергоснабжении. Однако обеспечение бесперебойных поставок топлива для атомных станций требует современных технологий обогащения урана, которые одновременно эффективны и безопасны. Американская компания Global Laser Enrichment (GLE) делает значительный шаг в этом направлении, завершив масштабное тестирование лазерной технологии обогащения урана. Демонстрационная программа была проведена на объекте в Уилмингтоне, Северная Каролина. Тестирование технологии SILEX (Separation of Isotopes by Laser EXcitation), разработанной австралийской Silex Systems, стартовало в мае 2025 года и продлится до конца года. В ходе экспериментов компания планирует получить сотни фунтов низкообогащенного урана (LEU), который может быть использован в качестве топлива для атомных электростанций. GLE была создана в 2007 году для коммерциализации лазерных методов обогащения урана в С ...>>

Случайная новость из Архива

Квантовый компьютер для бедных 29.09.2019

Исследователи из университетов Тохоку и Пердью разработали нетрадиционную вычислительную схему, построенную на использовании тепловых флуктуаций, и продемонстрировали работоспособность этой концепции для вероятностных вычислений.

Вероятностные вычисления - вычисления с использованием вероятностных битов, или p-битов, состояние которых колеблется во времени между "0" и "1". Можно провести аналогию с квантовыми вычислениями, в которых используется суперпозиция квантовых битов или q-битов, принимающих значения "0" и "1" одновременно (точнее способных находиться в их суперпозиции).

В созданном исследователями элементарном вероятностном компьютере, основанном на концепциях асинхронных нейронных сетей, p-биты были реализованы в стохастическом магнитном туннельном переходе (s-MTJ). Для демонстрации была выбрана целочисленная факторизация как наглядный пример задач оптимизации.

Ожидается, что квантовые вычисления помогут решить сложные задачи, включая оптимизацию, которые классические компьютеры эффективно решить не могут. В то время как большинство q-битов работают при чрезвычайно низкой температуре и часто взаимодействуют только с соседними q-битами, p-биты спинтроники могут использоваться как q-биты, но работают при комнатной температуре с возможностью корреляции электрическими средствами с несколькими p-битами даже на больших расстояниях. Кроме того, p-биты могут быть реализованы путем небольшого изменения технологии магниторезистивной памяти с произвольным доступом (MRAM).

Продемонстрированная вычислительная схема, основанная на технологии спинтроники, особенно привлекательна для определенных классов задач, где приемлемы приближенные решения, потому что вероятностный компьютер использует естественную стохастичность s-MTJ вместо искусственного введения ее в детерминированный компьютер. По сравнению с квантовыми компьютерами вероятностные компьютеры спинтроники привлекательны с точки зрения работы при комнатной температуре, простоты реализации и наличия хорошо освоенных технологий MRAM.

Другие интересные новости:

▪ Windows 8 испортит этот год для компании Intel

▪ Микрочип для мозга, переводящий мысли в текст

▪ Флуоресцентное свечение для поиска внеземной жизни

▪ Умная крышка молочного пакета

▪ Антивирусное ожерелье

Лента новостей науки и техники, новинок электроники

 

Интересные материалы Бесплатной технической библиотеки:

▪ раздел сайта Культурные и дикие растения. Подборка статей

▪ статья Бить ключом. Крылатое выражение

▪ статья Каким совпадением обусловлена кажущаяся с Земли одинаковость размеров Луны и Солнца? Подробный ответ

▪ статья Рыба. Советы туристу

▪ статья Автомобильный блок питания ноутбука на таймере КР1006ВИ1. Энциклопедия радиоэлектроники и электротехники

▪ статья Опыты с ферментами: амилазы. Химический опыт

Оставьте свой комментарий к этой статье:

Имя:


E-mail (не обязательно):


Комментарий:





Главная страница | Библиотека | Статьи | Карта сайта | Отзывы о сайте

www.diagram.com.ua

www.diagram.com.ua
2000-2025