Menu Home

Бесплатная техническая библиотека для любителей и профессионалов Бесплатная техническая библиотека


Гусеничный мотоцикл. Личный транспорт

Личный транспорт: наземный, водный, воздушный

Справочник / Личный транспорт: наземный, водный, воздушный

Комментарии к статье Комментарии к статье

Представленная конструкция - мотоцикл на полугусеничном ходу с рулевым передним колесом с шиной низкого давления и приводной гусеницей предназначен для передвижения по бездорожью, преимущественно летом и в межсезонье, зимой по снегу (толщина покрова до 25 см), а также по льду и насту. Проходимость мотоцикла, в принципе, - "везде". Исключение составляют только водные преграды глубиной свыше 30 см (заливает систему зажигания) да топь, где человек увязает по колено На мотоцикле возможна перевозка груза до 30 кг, а на прицепе - до 80 кг. летом - на колесном (с широкопрофильными шинами), зимой - на санях.

На страницах "Моделиста-конструктора" встречались описания похожих мотоциклов, но они в основном рассчитывались на передвижение по снегу, имели много катков малого диаметра и, как следствие, значительные потери мощности и забивание гусеничного движителя мхом и грязью при движении по болоту, а зимой "кашей" при движении по наледям.

До этого у меня были различные самодельные мотоциклы на колесном ходу с камерными колесами большого диаметра, с "уазовскими" облегченными шинами, с дополнительным приводом на боковой прицеп, но достичь высокой проходимости как-то не удавалось - то было велико удельное давление, то габариты С боковым же прицепом теряется возможность движения по любой тропинке или напрямую через лес, да и масса его переваливает за 140-150 кг, что для мотоцикла неприемлемо (к сведению - представляемый вариант имеет массу 110 кг).

К сожалению, отсутствие легкого двигателя вынудило применить относительно тяжелый - от грузового мотороллера "Муравей", с воздушным охлаждением Двигатели от "Минска" или "Восхода" обладают малым крутящим моментом, высокооборотны, не имеют принудительного охлаждения, а поэтому малоподходящий для работы с гусеничным движителем Силовой агрегат использован без изменений, только воздухозаборник вентилятора дополнительно закрыт перфорированной крышкой (от попадания листьев и травы) да установлено магнето, хотя в дальнейшем предусмотрена его замена бесконтактной системой от мотороллера "Вятка". Такая схема опробована на снегоходе и отлично зарекомендовала себя Помимо безотказного запуска она значительно легче, не требует реле-регулятора и не торчит с боку, а значит и не мешает при движении на бездорожье.

Мотоцикл с гусеничным движителем в управлении мало отличается от обычного дорожного, его максимальная скорость доходит до 60 км/ч, хотя этот показатель при езде по проселкам или лесным тропам не очень и важен.

Гусеничный мотоцикл
Гусеничный мотоцикл-вездеход (нажмите для увеличения): 1 - двигатель (от грузового мотороллера "Муравей"); 2 - принудительное воздушное охлаждение двигателя (от грузового мотороллера "Муравей"), 3 - промежуточный цепной редуктор, 4 - вторая ступень цепной передачи (t=15,785); 5 - ведущее колесо гусеничного движителя; 6 - приводная звездочка ведущего колеса; 7 - механизм натяжения цепи ведущего колеса гусеницы (4 шт), 8 - гусеница; 9 - рама; 10 - натяжное колесо гусеничного движителя, 11 - кожух (АМГ-2, лист s1,5); 12 - сиденье, 13 - первая ступень цепной передачи (цепь t = 12,7), 14-карбюратор; 15-топливный бак V = 12 л (АМГ-2, лист s1), 16 - глушитель выхлопа двигателя (нержавеющая сталь, лист s1), 17 - катушка зажигания (от мотороллера "Муравей"); 18-руль (от мотоцикла "Восход", уширенный), 19 - ветровос стекло (плексиглас), 20 - ветровой щиток (АМГ-2, лист s1,5); 21-фара (покупное изделие), 22 - крыло (АМГ-2, лист s1,5), 23 - передняя вилка, 24 - переднее колесо

Теперь о конструкции мотоцикла-вездехода. Рама заимствована от мотоцикла "Восход" с адаптированными под "муравейный" мотор кронштейнами и удлиненной задней частью. Для облегчения монтажа двигателя передний кронштейн крепится к раме двумя болтами„ а не приварен, как два других.

Гусеничный мотоцикл
Рама и подвески (нажмите для увеличения): 1 - дуга передней вилки, 2 - передняя вилка, 3 - амортизатор передней подвески (от мотоцикла "Восход", 2 шт), 4-усилитель (подкос, стойка и поперечина) передней вилки, 5 - межмостиковая связь (2 шт.); 6 - верхняя и нижняя рулевые траверсы; 7 -рулевая колонка (2 шт.), 8 - руль, 9 - трапеция рамы (от мотоцикла "Восход"), 10-кронштейн крепления бензобака (2 шт.), 11- передний кронштейн крепления силового агрегата, 12 - нижний кронштейн крепления силового агрегата, 13 - задний кронштейн крепления силового агрегата, 14 - кронштейн крепления вала промежуточной цепной передачи (2 шт), 15 - лонжерон, 16-боковая скоба (2 шт.), 17- задняя скоба, 18 - решетка для подвески гусеничного движителя (2 компл.), 19-маятниковая вилка приводного (ведущего) колеса гусеничного движителя, 20 - амортизатор подвески приводною колеса, 21 - маятниковая вилка натяжного колеса гусеничного движителя, 22 - амортизатор подвески натяжного колеса, 23 - натяжное устройство (4 шт.); 24 - лонжеронные поперечины (2 шт.), 25 - поперечина решеток подвески гусеничного движителя (3 шт.), 26 - проушина крепления вилки, 27 - сайлентблок подвески вилки, 28-заглушка

Гусеничный мотоцикл
Гусеница (нажмите для увеличения): 1 - лента (резинокордовая полоса s4, 2 шт.), 2 - скоба (стальная проволока Ø 8, по потребности), 3 - усилитель скобы (стальная проволока Ø 8, по потребности); 4 - грунтозацеп (стальной лист s4 - П-образный профиль 10x20x10, по потребности), 5 - крепеж (стальная заклепка Ø 5 с уширенной головкой, по потребности)

Гусеничный мотоцикл
Переднее колесо с облегченной шиной (нажмите для увеличения): 1 - втулка-ступица (корпус автомобильного ручною насоса для накачки шин), 2 - фланец ступицы (стальной лист s3, 2 шт.); 3 - спицы-подкосы (проволока Ф5, 4 пары); 4 - диск (АМГ-2, лист s3, 2 шт.), 5 - стяжка (шпилька М6, 8 шт.), 6 - заполнитель (пенопласт); 7 - камера, 8 - шина, 9 - крепление шины к диску (болт М6 с "усатой" шайбой, 16 шт.), 10 - крепление диска к фланцу (болт М6, 4 шт.), 11 - штуцер камеры (удлиненный)

Вилки изготовлены новые, от передней вилки "Восхода" используются только верхний и нижний мостики да рулевой вал с подшипниками. К мостикам приварены отрезки прямоугольной тонкостенной трубы, которые образуют верхнюю и нижнюю траверсы, а к ним уже приварены перья передней вилки с соответствующими усилителями-подкосами и перемычками На передних (нижних) концах перьев имеются проушины для сайленблоков, через которые подвешена качающаяся дуга переднего колеса, изготовленная из тонкостенной хромансилевой (сталь 30ХГСА) трубы. Направление работы дуги вилки выбрано "под себя" (как это принято, например, в авиации). Такая схема в сочетании с довольно мягким широкопрофильным облегченным колесом - пневматиком (давление 0,2 - 0,3 атм) позволяет хорошо гасить удары и легко преодолевать даже поваленные деревья на пути.

Колесо - самодельное. Обод выполнен из 6-мм проволоки, диски - из АМГ-5 толщиной 3 мм, раскосы - из 5-мм проволоки, ступица - из трубчатого корпуса автомобильного ручного насоса, ось - тоже трубчатая, облегченная В одном диске вырезан лючок, в который выведен через удлинитель штуцер камеры. Сама покрышка бортами крепится к краям боковин диска болтами.

Примененные передние (как, впрочем, и задние) амортизаторы от мопеда - конечно, "прошлый век", но на современные (от скутеров или снегоходов) не хватает финансов Вместе с амортизаторами и осью колеса вилка образует замкнутый каркас, хорошо работающий на излом и кручение. Вообще надо отметить, что оптимальному сочетанию прочности и одновременно достаточной легкости уделялось большое внимание ведь в условиях бездорожья - нагрузка значительно большая, нежели у дорожного мотоцикла, а при поломке из глухомани его доставить домой затруднительно!

О задней вилке расскажу позже, когда речь пойдет о гусеничном движителе.

Необходимость обеспечения нужного клиренса, а также получения оптимальных (довольно низких) оборотов ведущего колеса-катка гусеницы вынудила применить в трансмиссии промежуточную цепную передачу-редуктор, для которой на раме имеются соответствующие кронштейны с пазами, позволяющими натягивать цепь первой ступени (шаг цепи - 12,7 мм). Передача вращения от редуктора на ведущее колесо-каток гусеничного движителя производится тоже цепью от сельхозмашин (шаг - 15,785 мм) Данная цепь имеет более значительный ресурс в условиях загрязнения, по сравнению с мотоциклетной Как стало уже понятно, гусеничный движитель состоит из гусеницы и двух катков-колес ведущего и натяжного. Раньше между колесами на обеих гусеничных лентах стояли еще по два поддерживающих небольших катка-ленивца (см фото заставки). Но эксплуатация показала, что хорошо натянутая гусеница при таком небольшом расстоянии между колесами и без ленивцев неплохо держит нагрузку.

Ведущее и натяжное колеса гусеничного движителя - одинаковые, от мотороллера "Тулица" (или им подобные), причем на покрышке ведущего нарезаны поперечные канавки (не задевая корда) для зацепления с грунтозацепами гусеницы. Оба колеса имеют независимые подвески Каждый из них установлен в своей маятниковой вилке, сочлененной с рамой через сайленблоки (от мотоцикла "Восход").

На концах маятниковых вилок предусмотрены пазы для перемещения колес с целью натяжения гусеницы, и опираются они на раму через простейшие амортизаторы (труба в трубу, с пружинами от передней вилки "Восхода"), что обусловливает минимум массы. Раскачки не происходит из-за распределения нагрузки по колесам гусеничного движителя. Диски колес - штатные, но облегченные высверливанием. Ступицы вставлены в центральные отверстия дисков и закреплены приваренными спицами-подкосами из 5-мм проволоки.

Для ступиц использован цилиндрический корпус от автомобильного ручного насоса, его внутренний диаметр как раз подходит под 202-й подшипник, а чтобы последние (их в ступице два) не проваливались, внутрь вставлены отрезки (кольца) подходящей трубы меньшего диаметра и через отверстия в ступице зафиксированы электрозаклепками. Так как фланец ступицы плоский и тонкостенный, то для жесткости с обеих сторон он усилен подкосами из 5-мм проволоки, которые распределяют нагрузку на края ступицы. Вал переднего (ведущего) колеса гусеницы и ось заднего (натяжного) выполнены из трубы диаметром 16x2,5 мм и средняя часть облегчена (обточена). Между подкосами забиваются снег и грязь, поэтому их лучше залить "Макрофлексом" и окрасить. К слову, все ниши и пустоты, в том числе и внутренняя полость переднего колеса (управляемого пневматика), также заполнены пенопластом.

Защита подшипников колес требует особого внимания - они работают в условиях интенсивного загрязнения, поэтому их необходимо хорошо защищать крышками либо применять подшипники с защитными шайбами. Ведущее колесо гусеницы имеет два подшипника со стороны звездочки для надежности, а у трубы ступицы сверху есть дополнительные накладки для распределения нагрузки.

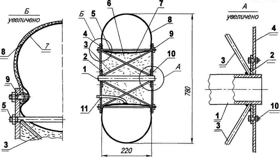
Гусеница собрана из 2-х полос капроновой кордоленты и грунтозацепов, сделанных из 8-мм катанки и усиленных в средней части еще одним куском такой же проволоки. Для соединения с полосами ленты грунтозацепов к последним приварены отрезки гнутых из 4-мм листа швеллеров, к которым болтами и крепятся ленты гусеницы.

Гусеничный мотоцикл
Гусеничный движитель: диски колес облегчены высверленными отверстиями; их крепление со ступицами усилено спицами; в шине ведущего колеса прорезаны канавки под скобы гусеницы

Гусеничный мотоцикл
Переднее колесо: шина облегчена - удален протектор; диски колес - сплошные, а пространство между ними заполнено строительным пенопластом; шины к дискам прикреплены болтами

Обращаю внимание на форму грунтозацепа - он повторяет профиль покрышки. Концы катанки должны иметь скос для беспрепятственного захода ведущего колеса, а сварные швы - тщательно зачищены. Конечно, овальная форма грунтозацепов имеет и "минусы" - пробуксовывание гусеницы на уплотненном снегу, а также боковое скольжение на льду из-за овальной формы грунтозацепов, но этот недостаток малозначимый, важнее легкость управления мотоциклом на поворотах, для чего и сделана такая форма грунтозацепа. При прямом (плоском) грунтозацепе будет затруднено удержание равновесия, особенно на поворотах (проверено!). Ведущее и натяжное колеса гусеничного блока имеют заново изготовленные ступицы - ввиду значительной массы штатных.

Теперь о "второстепенных" узлах. Топливный бак на 12 литров сварен аргоновой сваркой из 1-мм алюминиевого листа (АМГ-2), внутри имеет перегородки (иначе при большой длине и малой высоте бака происходит выброс топлива в дренаж).

Гусеничный мотоцикл
Глушитель: 1 - первичная камера (труба Ø 60x1); 2 - штуцер входного патрубка; 3 - промежуточная камера; 4 - соединительный патрубок первичной и вторичной камер (труба Ø 32x1) с отверстиями Ø 5; 5-вторичная камера (труба Ø 60x1); 6 - выпускной патрубок (труба Ф25х1); 7-крепежное ушко с перемычкой (стальной лист s3).

Гусеничный мотоцикл
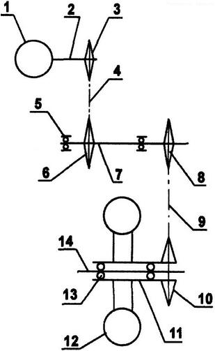
Трансмиссия - двухступенчатая цепная передача с промежуточным валом: 1 -силовой агрегат; 2-выходной вал силового агрегата; 3-звездочка выходного вала двигателя (z = 13); 4-цепь ПР-12,7 первой ступени; 5-опора промежуточного вала (подшипник качения 80204, 2 шт.); 6-ведущая звездочка промежуточного редуктора (z = 21), 7-промежуточный вал; 8-ведомая звездочка промежуточного редуктора (z = 18); 9-цепь ПР-15,875 второй ступени; 10-приводная звездочка ведущего колеса гусеницы (z = 21, t = 15,875); 11 -ступица ведущего колеса; 12-ведущее колесо гусеницы, 13-подшипник ступицы (2 шт.); 14-ось ведущего колеса

Вся "облицовка" (боковины) и переднее крыло также выполнены из АМГ-2. Фара пластмассовая, установлена для защиты между укосин передней вилки. Ветровой щиток - также из АМГ-2, съемный, крепится на четырех барашках.

Сиденье водителя съемное (его основа - из АМГ-5 толщиной 2,5 мм), под ним находятся два отсека, стенки которых также выполнены из листа легкого сплава В первом расположен реле-регулятор, а во втором - инструмент.

В дальнейшем при переходе на тиристорную систему зажигания отсек реле-регулятора предполагается использовать как воздухоочиститель.

Глушитель на выпуске изготовлен предельно компактным из 1-мм стали, не разборный, уровень шума при работе двигателя сравним с выхлопом дорожных мотоциклов. Примерно два раза в год его приходится прожигать от коксующегося в нем моторного масла.

Все электрооборудование (генератор, реле-регулятор) штатное, как и карбюратор К-36Г В дальнейшем планируется установить блок клапанов (по материалам "Моделиста-конструктора"). Подножки - трубчатые, убираются назад и вверх. Руль - от "Восхода", но расширен за счет вставки на 150 мм, органы управления на нем такие же, как и на дорожных мотоциклах. Позади сиденья водителя имеется грузовая площадка, с трех сторон к ней приварены ручки для вытаскивания мотоцикла из трясины (а такое иногда бывает!), они же служат зацепами для строповки груза.

Под багажником находится сцепное устройство. Оно было установлено позднее, и, надо признать, не совсем удачно (поэтому и не показал это устройство на чертеже). Его надо закрывать брызговиком, чтобы не залеплялся грязью. Однако поднимать высоко сцепное устройство не стоит (придется делать длинное дышло прицепа).

Гусеничный мотоцикл
Цепная передача с промежуточным валом-редуктором: на переднем плане над ведомой звездочкой промежуточного вала видны звездочка выходного вала двигателя и цепь ПР-12,7 первой ступени

Гусеничный мотоцикл
Под сиденьем водителя размешены небольшой отсек электрооборудования и инструментальный ящик

Гусеничный мотоцикл
Гусеничный мотоцикл-вездеход с прицепом

Как уже упоминалось, пустоты под сиденьем (за инструментальным отсеком) и багажником заполнены пенопластом, в сочетании с передним колесом они обеспечивают непотопляемость мотоцикла, что довольно актуально в последние теплые зимы. Согласитесь, что это все же лучше, чем доставать мотоцикл со дна водоема. Переднее колесо - с шиной низкого давления, изготовленной из облегченной покрышки УАЗа. Способ изготовления описан в "Моделисте-конструкторе", но отмечу, что делать "шашку" не обязательно - сцепления вполне хватает, если нарезать "болгаркой" неглубокую "елочку".

Все цепи трансмиссии закрыты кожухами из АМЦ-2, это уменьшает их загрязнение и обеспечивает безопасность водителя. Кожух цепи ведущего колеса разборный, для облегчения снятия колеса и ремонта кожуха при поломке (бывает при движении по бурелому). Снизу кожух оставил открытым (чтобы в нем не задерживались снег или грязь), а провисающаяся на больших скоростях цепь не задевала за дно.

Поскольку гусеничный мотоцикл - транспортное средство внедорожное, из-за усложнения конструкции оборудовать его тормозами не стал, да и особой необходимости в них нет. Плановые остановки произвожу постепенным снижением скорости за счет трения в трансмиссии (можно притормозить и ногой - скорость-то невелика). Экстренные же торможения осуществляю двигателем - резко сбрасываю газ или выключаю зажигание (последний способ применял только в качестве тренировки).

Автор: А.Кокшаров

 Рекомендуем интересные статьи раздела Личный транспорт: наземный, водный, воздушный:

▪ Велосипед с мотором

▪ Католет

▪ Ремни-грунтозацепы

Смотрите другие статьи раздела Личный транспорт: наземный, водный, воздушный.

Читайте и пишите полезные комментарии к этой статье.

<< Назад

Последние новости науки и техники, новинки электроники:

Дети, растущие рядом с природой, обретают крепкие кости 02.03.2026

Влияние окружающей среды на здоровье человека становится все более очевидным, особенно в детском возрасте. Новое исследование, опубликованное в журнале JAMA Network Open, показывает, что близость к природе напрямую связана с крепостью костей у детей. Ученые установили, что у детей, чьи дома окружены природными территориями в радиусе 1000 метров на 25% больше обычного, риск развития крайне низкой плотности костей снижается на 65%. Для проведения исследования были проанализированы данные более 300 детей, проживающих в городских, пригородных и сельских районах Фландрии в Бельгии. Плотность костной ткани у детей в возрасте от четырех до шести лет оценивалась с помощью ультразвуковых методов. Такой подход позволил безопасно и точно измерить состояние костей на ранних этапах формирования скелета. При анализе учитывались ключевые факторы, влияющие на рост и развитие детей: возраст, вес, рост, этническая принадлежность и уровень образования матери. На основании этих параметров исследоват ...>>

Самовосстанавливающаяся инфраструктура будущего 02.03.2026

Современные мосты и бетонные конструкции по всему миру сталкиваются с проблемой устаревания и износа. Многие сооружения, построенные до 1980-х годов, постепенно теряют свою несущую способность, что требует дорогого ремонта или полной замены. Недавние разработки ученых из Швейцарских федеральных лабораторий материаловедения и технологий (Empa) предлагают инновационное решение - систему укрепления бетонных конструкций с помощью "умной стали", способной самостоятельно устранять трещины и повреждения. В основе новой технологии лежит арматура из сплава на основе железа с эффектом памяти формы (Fe-SMA). Этот материал обладает уникальным свойством: при нагревании до 190-200 °C стержни стремятся вернуться к своей первоначальной конфигурации. В бетонной конструкции это создает внутреннее напряжение, которое затягивает трещины и выравнивает деформированные элементы, существенно повышая прочность и долговечность сооружений. Актуальность разработки объясняется критическим состоянием инфрастр ...>>

Поцелуи полезны для здоровья 01.03.2026

Вопрос о том, как социальные связи и близость с партнером отражаются на здоровье человека, привлекает внимание не только психологов, но и специалистов в области микробиологии. Новое исследование показывает, что совместное проживание с любимым человеком может оказывать значительное влияние на микробиом кишечника и общее самочувствие. Доктор Наоми Миддлтон, клинический психологи и эксперт по здоровью кишечника, объяснила, что все аспекты совместной жизни - поцелуи, совместное питание, физическая близость и даже просто пребывание рядом - тесно связаны с поддержанием сбалансированной кишечной микрофлоры. Она подчеркивает, что здоровье экосистемы кишечника во многом определяется социальными взаимодействиями и повседневной близостью с другими людьми. По словам Миддлтон, длительное совместное пребывание с партнером может способствовать увеличению микробного разнообразия в кишечнике, а также снижать воспалительные процессы, связанные со стрессом. Такой эффект обусловлен тем, что микробио ...>>

Случайная новость из Архива

Открыты нейроны-адаптогены 19.10.2025

Понимание того, как мозг справляется с неопределенными ситуациями и принимает решения, имеет ключевое значение для когнитивной науки и медицины. Недавнее исследование, проведенное учеными Калифорнийского университета в Лос-Анджелесе, выявило особую группу нейронов в передних отделах мозга, которые становятся особенно активными, когда исход событий нельзя предсказать заранее. Эти клетки играют важную роль в обучении, принятии решений и развитии когнитивной гибкости, а их изучение может помочь создать новые методы терапии для людей с тревожными расстройствами или зависимостями.

Речь идет о орбитофронтальной коре, области мозга, расположенной прямо над глазами у людей и крыс. Она активируется при эмоциональных реакциях, ощущениях вкуса и запаха, а также при получении удовольствия от удачного выбора. Исследователи отметили, что эта зона играет ключевую роль в обучении, основанном на вознаграждении, когда правильное решение сопровождается положительным результатом, а неправильное - отсутствием награды. Для того чтобы обучение считалось гибким, животное или человек должны постепенно выявить закономерность, ведущую к успеху, без изначальных подсказок.

Процесс обучения через вознаграждение стимулирует продолжать попытки и преодолевать разочарование до тех пор, пока правильное действие не усвоено. Орбитофронтальная кора состоит из разных типов нейронов, но ученые сосредоточились на пирамидальных клетках, которые активировались у крыс во время заданий на гибкое обучение с вознаграждением, например при касании определенных точек на сенсорном экране для получения пищи.

Для наблюдения за активностью нейронов животным вводили маркеры кальция, которые светятся при возбуждении клеток. Дополнительно использовался модифицированный вирус с синтетическими рецепторами, позволяющий временно "отключать" нейроны при введении специального препарата. В череп крыс вживляли миниатюрный источник света и крошечную камеру, фиксирующую активность клеток в реальном времени.

В эксперименте крысам сначала давали награду за любое действие, но задания постепенно усложнялись, а вероятность вознаграждения снижалась: на финальном этапе один выбор приносил награду с вероятностью 70%, другой - лишь 30%. Это позволило исследователям наблюдать, как нейроны реагируют на возрастающую неопределенность.

Команда быстро выделила нейроны, которые активировались именно в момент принятия решения. При отключении орбитофронтальной коры у крыс резко снижалась способность оценивать, какой выбор принесет большую пользу, и обучение в условиях неопределенности практически прекращалось. Эти наблюдения показали, что нейроны-адаптогены критически важны для гибкого поведения и корректировки стратегии действий в изменяющейся среде.

Результаты эксперимента позволяют предположить, что аналогичные нейроны существуют и у людей, и их дисфункция может лежать в основе ригидного мышления, тревожных расстройств и зависимостей. Изучение этих клеток открывает перспективы для разработки методов, которые помогут улучшить когнитивную гибкость и способность адаптироваться к непредсказуемым ситуациям.

Другие интересные новости:

▪ Атомарное телевидение

▪ Микродисплей OLED с рекордной плотностью пикселей

▪ Тепловая батарея на основе Улея Джоуля

▪ Запрет на соль

▪ Игровой монитор Lenovo Legion R25i-30

Лента новостей науки и техники, новинок электроники

 

Интересные материалы Бесплатной технической библиотеки:

▪ раздел сайта Искусство видео. Подборка статей

▪ статья Только раз бывает в жизни встреча. Крылатое выражение

▪ статья Где был введен налог на уши? Подробный ответ

▪ статья Водитель мотоцикла, снегохода, квадроцикла. Типовая инструкция по охране труда

▪ статья Лаки, протравы и другие средства для кожи и обуви. Простые рецепты и советы

▪ статья Автоматизация работы и защита от перегрузок электродвигателей насосов мощностью 180...250 Вт. Энциклопедия радиоэлектроники и электротехники

Оставьте свой комментарий к этой статье:

Имя:


E-mail (не обязательно):


Комментарий:





Главная страница | Библиотека | Статьи | Карта сайта | Отзывы о сайте

www.diagram.com.ua

www.diagram.com.ua
2000-2026