Menu Home

Бесплатная техническая библиотека для любителей и профессионалов Бесплатная техническая библиотека


Три секрета мачты. Советы моделисту

Моделирование

Справочник / Аппаратура радиоуправления

Комментарии к статье Комментарии к статье

Мачта - "фундамент" парусного вооружения судна, главный его узел. Роль мачты многофункциональна, от ее устройства и расположения на судне зависят площадь, конфигурация и аэродинамика парусов, возможность регулирования их тяги, расположение шверта и многое другое. Так что выбор типа и конструкции мачты предопределяет и особенности конструкции судна, и уровень эффективности его парусов.

Выбор этот усложняется при создании малого разборного судна, когда приходится "мирить" такие противоречивые требования, как прочность и надежность деталей с их минимальным весом и компактностью упаковки разобранного судна. Особенно при конструировании мачты. Основные задачи, которые при этом решают, следующие: выбор типа мачты и материалов для ее изготовления, выбор варианта ее конструктивного выполнения (в том числе способа крепления грота) и, наконец, выбор конструкции степса.

Секрет первый: выбор типа мачты

Меньшая, чем у "цельного" судна, прочность корпуса малого парусника заставляет повышать прочность мачты. Задача свести при этом ее вес к минимуму сужает ассортимент подходящих материалов. Так, деревянные мачты слишком тяжелы, коробятся и гниют от влаги, сложны в изготовлении, да и качественную древесину для них достать непросто. То же, кроме "водобоязни", можно сказать и о самодельных стеклопластиковых мачтах. Поэтому самым подходящим материалом стали тонкостенные дюралюминиевые трубы. Особенно после освоения любителями малого паруса двух операций: сборки накладного ликпаза и превращения мачты в ферму. Последнее существенно улучшает соотношение " прочность/вес ".

На судно мачту ставят либо с боковыми и носовой растяжками - вантами и форштагом (рис. 1а), либо с боковыми раскосами (рис. 1б), либо свободно (рис.1в) и крепят в двух точках. Расположение нижней точки (степса) не зависит от типа мачты, верхней - зависит: для свободной - это пяртнерс - отверстие в поперечной балке; для раскрепленной - точки крепления раскосов или вант со штагом, находящиеся выше пяртнерса. Ванты заметно уменьшают нагрузки на мачту и корпус судна (но усложняют их конструкцию). Угол между каждой вантой и вертикалью должен составлять не менее 11°.

Три секрета мачты
Рис.1. Виды мачт (нажмите для увеличения): а- раскрепленная растяжками, б- раскрепленная подкосами, в- свободная; 1 - степс, 2- ванты, 3- форштаг, 4- раскосы боковые, 5- пяртнерс

Превратить обычные мачты в ферменные (рис.2) можно с помощью трех растяжек из стального троса диаметром 2-3 мм - ромбовант и поперечных распорок - краспиц. (Жесткость фермы повысится, если установить два ряда краспиц.) Угол между ромбовантами и мачтой должен быть не менее 8°.

Три секрета мачты
Рис.2. Мачта ферменной конструкции: а - общий вид, б - вариант узла краспиц; 1 - мачта, 2 - ромбованты задние, 3 - краспицы (Д16Т, трубы 12x1), 4 - ликпаз, 5 - ромбованта передняя, 6 - форштаг, 7 - талреп винтовой, 8 - шпор, 9 - прорезь для ромбованты, 10 - тяга (Д16Т труба, 12x1), 1Т- хомут (полоса X18Н10Т s 1,5-2)

Ромбовантами можно регулировать изгиб мачты, тем самым изменяя профиль грота и, как следствие, его тягу. Делают это с помощью винтового талрепа. Поворачивая корпус талрепа, его укорачивают или удлиняют, а прикрепленная к нему ромбованта одновременно меняет давление на краспицу и тем самым - изгиб мачты.

Накладной ликпаз собирают из тонкостенного П-образного алюминиевого профиля, применяемого в строительстве для крепления оконных стекол. Ему придают нужную форму молотком и оправками (рис.4) либо способом волочения между двух роликов с канавками соответствующих очертаний. Готовые отрезки обработанного профиля крепят к мачте винтами или шурупами-саморезами диаметром 3-4 мм. Отверстия для шурупов сверлят до начала деформации профиля.

Три секрета мачты
Рис.3. Характер обтекания грота потоком воздуха в зависимости от способа крепления его к мачте: а- кольцами (сегарсами), б - ликпазом, в - карманом на передней шкаторине грота

Три секрета мачты
Рис.4. Этапы изготовления ликпаза с помощью оправок: а - формирование цилиндрического дна профиля, б - подгибание полок профиля: 1 - молоток, 2 - профиль ликпаза, 3 - оправка плоская (дерево или текстолит), 4 - оправка цилиндрическая (металл), 5 - оправка фигурная (половина оконной петли)

Три секрета мачты
Рис.5. Характер обтекания грота потоком воздуха в зависимости от вида мачты и способа крепления вант: а - неповоротная мачта, б - поворотная мачта; 1,2 - точки крепления вант, 3 - ликпаз

Тяга грота зависит от способа соединения его с мачтой. Поскольку у малого судна площадь парусности мала, а лобовое сопротивление корпуса и экипажа относительно велико, то такое невыгодное соотношение (по сравнению с большой яхтой) ухудшает способность малого судна двигаться против ветра. Поэтому важно соблюдать два "не".

Во-первых, не допускать щелей между мачтой и гротом, ибо прорывающийся в них с наветренной стороны паруса воздух существенно уменьшает тягу, особенно на острых курсах. Это происходит, если грот крепят на кольцах (рис.3а), петлях-сегарсах, шнуровке или ползунах, скользящих по прикрепленному к мачте рельсу. "Дырок" не будет, если грот крепить в ликпазе - продольной щели на задней стороне мачты (рис.3б).

Во-вторых, не создавать уступ между мачтой и гротом, ведь нарушение плавности профиля паруса, особенно в его начале, также ухудшает тягу. Эта проблема решается поэтапно. Улучшить плавность профиля помогает мачта каплевидного сечения, достать которую или изготовить сложно. Но можно сделать мачту поворотной, тогда ступенька между нею и гротом окажется ниже. А если использовать карман, то профиль паруса станет совсем плавным (рис.3в).

Конечно, проще всего заставить поворачиваться свободную мачту. А как быть с раскрепленной? На первый взгляд здесь мешают штаг и ванты. Но если крепление вант перенести в одну точку (рис.5б), то мачта сможет разворачиваться влево-вправо на 15-20°, чего вполне достаточно.

С карманным креплением грота тоже не все просто, поскольку оно порождает целый букет проблем. Известно, что мачта лучше сопротивляется нагрузкам, в том числе от стакселя, если ее ванты и штаг крепить не к топу, а ниже его на расстоянии, равном 0,12-0,25 длины мачты. Штаг желательно располагать ниже вант, в крайнем случае - на одном уровне.

Так вот, карман на гроте вынуждает крепить ванты и штаг только к топу и применять только топовый стаксель, который максимально нагружает мачту. Тот же карман не дает оборудовать мачту и ромбовантами, поэтому приходится существенно повышать ее прочность и жесткость, а тем самым - и вес.

Секрет второй: выбор конструкции мачты

Сочленение колен мачты (рис.6) зависит от способа крепления к ней грота. Вариант "а" - универсальный; "б" применяется, как правило, для свободной мачты; вариант "в" - для раскрепленной с ликпазом. Звенья ликпаза должны правильно стыковаться, поэтому соседние колена при сборке нужно фиксировать в строго определенном положении. Простейший вариант- с помощью головки винта или заклепки, входящей в прорезь на нижнем торце верхнего колена (рис.6, поз.6).

Три секрета мачты
Рис.6. Способы соединения колен мачты: а - телескопический (D-d=0,2...0,5), б - на наружной втулке (D-d=0,15...0,2), в - на внутренней втулке с ликпазом (D- d=0,2...0,3); 1 - колено нижнее, 2 - опорный штырь съемный (можно заклепку), 3 - колено верхнее, 4 - втулка наружная, 5 - втулка внутренняя, 6 - фиксатор (винт или заклепка), 7 - звенья ликпаза

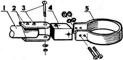
На прочность мачты влияет и способ крепления к ней гика. В частности, тонкостенная мачта "не любит", чтобы ее дырявили. Это учтено в представленном варианте (рис.7). Гик крепится к мачте охватывающим хомутом, который легко фиксировать на нужной высоте.

Три секрета мачты
Рис. 7. Узел крепления гика: 1 - пятка гика, 2- проушины, 3 - винты крепления, 4 - "крестовина" шарнира, 5 - хомут мачты

Крепить к гику нижнюю шкаторину грота можно либо ликпазом, либо карманом (здесь проще последний - он не создает никаких затруднений). В кармане делают вырез для прохода оттяжки гика, необходимой для бермудского, гафельного (в том числе гуари), шпринтового и иногда рейкового (если нижняя шкаторина крепится на гике, а не на рейке) гротов.

Натягивать штаг, ванты и оттяжку гика лучше всего с помощью мягкого талрепа - капронового конца диаметром 3,5-5 мм, несколько раз пропущенного между двумя кольцами; при площади парусности более 10 м2 могут применяться винтовые талрепы.

Секрет третий: выбор конструкции степса

Если мачта не должна поворачиваться, как у рейкового и латинского гротов, отверстия в степсах делают прямоугольными или квадратными (рис.8а). Шпоры в эти отверстия могут входить либо плотно, либо с зазором 3-5 мм на сторону.

Степсы, устанавливаемые на поперечные или продольные балки надувных лодок и плотов, катамаранов и тримаранов, позволяют при необходимости укладывать мачту горизонтально в любом направлении (рис.8в).

Три секрета мачты
Рис.8. Виды степсов: а - деревянный и металлический (фигурный и трубчатый) - для гребных деревянных и шпоновых лодок, б- плоский металлический - для установки на кильсон байдарки, в - сложные- для установки на балку судна-многокорпусника; 1 - шпоры мачт, 2 - степсы-хомуты, 3- штырь поворотный, 4 - хомут поворотный, 5 - винты-ограничители

Коротко о применении рассмотренных конструкций.

Для мачт обычно используют трубы из сплавов Д16 или Д16Т диаметром 35-70 мм и толщиной стенки 1,5-2 мм, реже - 2,5 мм.

При площади грота менее 4,5 м2 ромбованты невыгодны: некоторая экономия веса не оправдывает затрат труда, материалов и, главное, времени на их сборку-разборку.

Г рот крепят карманом прежде всего в вооружении КЭТ (мачта плюс грот) со свободной мачтой, особенно при парусности до 4 м2. Такое решение дает максимальный эффект: плюсы конструкции работают, а минусам проявиться негде - нет стакселя и вант.

Кроме того, карман на гротах есть смысл применять в типах вооружения с короткой мачтой: гафельном, шпринтовом, латинском и рейковом. Плюсы такого решения заметно перевешивают минусы: топовый стаксель, хотя и имеет максимально возможную площадь, не слишком нагружает корпус. Мачта при этом чаще всего свободная, поскольку разница в весе с раскрепленной сравнительно невелика. Ее легко снимать и ставить, надевать на нее грот.

Свободную мачту часто применяют и в промежуточном варианте, когда основную парусность - вооружение КЭТ - дополняют при слабом ветре легким стакселем (то есть превращают в вооружение ШЛЮП). При этом стаксель больших нагрузок не создает и мачта оказывается относительно легкой.

Несколько слов о снастях

Стоячий такелаж (ванты и штаг, ромбованты) используют стальной - он не вытягивается, достаточно тонок, а значит, имеет малую паразитную парусность. Обычно это тросики из оцинкованной или нержавеющей стали диаметром 2-3 мм. На худой конец - просто проволока диаметром 2-2,5 мм. Она прочнее, но может внезапно сломаться (обычно около огона - очка на конце снасти).

Тросик же о разрушении "предупреждает": вначале ломаются отдельные его проволочки.

Бегучий такелаж - фалы (снасти для подъема парусов), шкоты (для управления парусами), галсы и оттяжки изготавливают из растительных или синтетических (чаще всего капроновых) тросов. Последние предпочтительнее, они более прочные и не боятся влаги. Фалы делают из плетеного троса типа репшнура, так как крученый (обычно из трех прядей) тянется под нагрузкой и паруса "проседают", теряя форму. Допускается трос с сердцевиной из пучка нитей в толстой и прочной оплетке, такой, чтобы при растяжении фала под нагрузкой и последующем его сжатии без нагрузки нити сердцевины не пробивались сквозь оплетку. Диаметр фалов- 6-10 мм (при площади грота более 7 м2 фал иногда делают из стального тросика). Шкоты имеют диаметр 8-12 мм. Изготавливать их, особенно при небольшой площади парусности, можно и из крученого троса, вытяжка тут не столь важна, а держать в руках удобнее. Неплохие стаксель-шкоты получаются из полипропиленового троса, он заметно легче других, что улучшает управление стакселем в слабый ветер.

Площадь парусности однокорпусного судна можно ориентировочно определить по формуле:

Smax=kLB,

где Smax - допустимая площадь парусности; к - коэффициент остойчивости (зависит от конструкции судна: для байдарок к=0,6...0,7, для надувных лодок к=0,7...1, для гребных к= 1...1,2); L и В- длина и ширина судна по ватерлинии.

В зависимости от особенностей судна полученный результат может корректироваться. Но "раздувать" парусность небезопасно. Лучше, разделив ее на основную и дополнительную, расширить парусный "гардероб", применяя основные паруса в средний ветер, дополнительные- в слабый, штормовые- в свежую погоду (в первую очередь грот, площадь которого должна быть в 2-3 раза меньше, чем у основного).

Иногда вместо штормового грота используют стаксель, если подходит его площадь и достаточна прочность. В качестве дополнительных парусов применяют прежде всего стаксели увеличенной площади и из более легкой (чем у основных) ткани. При площади основной парусности до 6 м2 можно увеличить "гардероб" без ощутимых финансовых расходов и при сравнительно небольших затратах труда - за счет стакселей из обычной полиэтиленовой пленки.

Автор: Ю.Кужель

 Рекомендуем интересные статьи раздела Моделирование:

▪ Солнечные двигатели для моделей

▪ Вместо топлива - волна и ветер

▪ Автожир на корде

Смотрите другие статьи раздела Моделирование.

Читайте и пишите полезные комментарии к этой статье.

<< Назад

Последние новости науки и техники, новинки электроники:

Большой адронный коллайдер прекращает работу 16.01.2026

Физика элементарных частиц - одна из самых передовых областей науки, где каждый эксперимент может изменить наше понимание мироздания. Центральным инструментом этих исследований является Большой адронный коллайдер (LHC), уникальный ускоритель частиц, позволяющий изучать самые фундаментальные законы природы. Недавно стало известно, что LHC временно прекращает свою работу для масштабной модернизации, которая подготовит его к новому этапу экспериментов с гораздо большей производительностью. Коллайдер, расположенный в подземном тоннеле вдоль швейцарско-французской границы, создает столкновения частиц на невероятно высоких энергиях. Именно здесь в 2012 году ученые открыли бозон Хиггса - ключевую частицу, объясняющую, почему другие элементарные частицы имеют массу. Это открытие стало одним из самых значимых событий современной физики и подтвердило предсказания Стандартной модели. Причиной временной остановки LHC стало развертывание проекта High-Luminosity LHC (HL-LHC). Модернизация позв ...>>

Робот-бармен AI Barmen 16.01.2026

Американские инженеры создали AI Barmen - робота-бармена, способного не только готовить коктейли, но и запоминать предпочтения гостей. AI Barmen представляет собой автономную систему, которую можно устанавливать практически в любых местах - от баров и ресторанов до гостиниц, аэропортов и корпоративных мероприятий. Робот сочетает механический манипулятор с интеллектуальной программой, которая подбирает напитки на основе истории заказов конкретного пользователя. Гости могут оставаться анонимными или разрешить системе запоминать их вкусы, что позволяет получать одинаково качественный персонализированный коктейль в любой точке, где установлен AI Barmen. Робот готовит широкий спектр коктейлей с высокой точностью, контролирует запасы ингредиентов и автоматически ведет учет, что снижает затраты и минимизирует ошибки. Для работы устройства достаточно стандартной розетки, подключение к воде не требуется, что делает его мобильным и удобным для эксплуатации в самых разных условиях. Систе ...>>

Стерильного нейтрино не существует 15.01.2026

В физике элементарных частиц поиск новых, пока не обнаруженных объектов играет ключевую роль в понимании устройства Вселенной. Иногда такие поиски приводят к громким открытиям, а иногда - к не менее важным отрицательным результатам, которые позволяют отбросить неверные направления. Именно к таким случаям относится недавний вывод ученых о судьбе стерильного нейтрино - одной из самых интригующих гипотетических частиц последних десятилетий. Исследователи из американской лаборатории Fermilab официально сообщили, что им не удалось найти доказательства существования стерильного нейтрино. К такому выводу пришла команда эксперимента MicroBooNE после многолетнего анализа столкновений нейтрино, которые ранее рассматривались как возможный намек на существование четвертого типа этих частиц. Предполагалось, что стерильное нейтрино взаимодействует с материей исключительно через гравитацию, что делало его крайне трудным объектом для обнаружения. В рамках современной физики нейтрино известны в т ...>>

Случайная новость из Архива

Рыбий жир защищает от шизофрении 23.08.2015

Сотрудники Мельбурнского университета вместе с коллегами из Венского медицинского университета поставили несколько клинических экспериментов с омега-3 полиненасыщенными жирными кислотами (ПНЖК). Они содержатся в яйцах, орехах, в льняном масле, в растениях чиа, но особенно много их в рыбьем жире. В более ранних работах было показано, что омега-3 подавляют воспалительные процессы, с другой стороны, у больных шизофренией их уровень сильно падает.

В новом исследовании участвовали несколько десятков молодых людей в возрасте от 13 до 25 лет с ранними симптомами болезни: например, у некоторых уже были слуховые галлюцинации ("голоса в голове"), но длились они лишь несколько дней, другим казалось, что некто или нечто пытается навредить им, но эти мысли пока что удавалось быстро пресекать. Часто такие симптомы менее, чем за год, превращаются в полноценную шизофрению.

Половине молодых людей в течение 12 недель давали капсулы рыбьего жира, обогащенного омега-3 жирными кислотами, другая же половина получала плацебо, в котором от рыбьего жира был только вкус. После курса таблеток за участниками эксперимента наблюдали около 7 лет. Результаты оказались такие: шизофренией заболели лишь 10% из тех, которые принимали рыбий жир, и 40% из тех, которые принимали плацебо.

В пользу новых данных говорят несколько лет наблюдений - значит, психозащитный эффект от рыбьего жира держится долго. Однако в эксперименте участвовало все же не слишком много людей, так что теперь исследование нужно повторить с более масштабной статистикой.

Омега-3 имеют большое преимущество перед обычными антипсихотическими препаратами в том, что у омега-3 нет побочных эффектов - от них не повышается холестерин, не появляется лишний вес, не возрастает угроза диабета. Полиненасыщенные жирные кислоты у всех на слуху, некоторое время думали, что они лечат вообще от всего, но потом стали появляться, что называется, нюансы. Например, их польза для сердца и сосудов до сих пор остается под сомнением.

В то же время существует мнение, что сомнения насчет ПНЖК возникают из-за того, что в экспериментах используют очищенные полиненасыщенные жирные кислоты. Действительно, есть данные, что польза от омега-3 будет в том случае, если употреблять их не чистом виде, а вместе, и если к тому же разные виды ПНЖК в препарате будут в определенных соотношениях, и что лучше всего есть сам рыбий жир или рыбу. Что ж, в описанном исследовании про шизофрению использовали как раз сам рыбий жир.

Другие интересные новости:

▪ Сверхзвуковой пассажирский самолет AS2

▪ Искусственный интеллект услышит болезни людей

▪ Помидоры и яблоки лечат легкие курильщиков

▪ Распознавание собак по рисунку носа

▪ Мониторинг кислорода в мозге с помощью микро-зонда

Лента новостей науки и техники, новинок электроники

 

Интересные материалы Бесплатной технической библиотеки:

▪ раздел сайта И тут появился изобретатель (ТРИЗ). Подборка статей

▪ статья Православие, самодержавие, народность. Крылатое выражение

▪ статья Может ли человек поседеть за минуту? Подробный ответ

▪ статья Йосемит. Чудо природы

▪ статья МР3 проигрыватель - приставка к ПК. Энциклопедия радиоэлектроники и электротехники

▪ статья Радиостанция Лен - на 29 МГц ЧМ. Энциклопедия радиоэлектроники и электротехники

Оставьте свой комментарий к этой статье:

Имя:


E-mail (не обязательно):


Комментарий:




Комментарии к статье:

Валерий
Весьма полезное чтение для "чайника". Задумал сделать на плавсредство самое простое парусное оснащение, вроде шверт-бота с парусом 1.5 квадратных метра. Оказалось даже как что называется не знаю. Спасибо автору.


Главная страница | Библиотека | Статьи | Карта сайта | Отзывы о сайте

www.diagram.com.ua

www.diagram.com.ua
2000-2026