Бесплатная техническая библиотека
Убирающееся шасси гоночной модели. Советы моделисту

Справочник / Аппаратура радиоуправления
Комментарии к статье
Около 190 км/ч! Такова техническая средняя скорость современной гоночной модели с мощным двигателем. Притом максимальная эксплуатационная скорость модели превышает 170 км/ч, и это не предел. Постоянно совершенствуя миниатюрный летательный аппарат, спортсмены стремятся еще больше сократить время прохождения десятикилометровой дистанции. Перед моделистом, как правило, три пути: изменение компоновочной схемы, форсирование двигателя и улучшение аэродинамики модели.
(нажмите для увеличения)
Существенной долей полного аэродинамического является лобовое сопротивление. Убрав с модели выступающие детали, можно значительно уменьшить его. Одним из немногих узлов, существенно выступающих за контуры фюзеляжа, является шасси. Предполагаемая конструкция убирающегося шасси (рис. 1) как раз и позволяет добиться результата.
Механизм уборки шасси приводится в действие "плавающей" качалкой управления моделью. Ее ось при этом крепится не к крылу (как обычно), а к приводной качалке, установленной на крыле.
Кинематика подъема ноги шасси несложна: когда центробежная сила, действующая на модель, достигает определенной величины, корда натягивается, и качалка, преодолевая усилие сдерживающей ее пружины, с помощью тяги отклоняет коромысло и убирает стойку. Одновременно поднимается и задний щиток, закрывая при этом полость фюзеляжа.
Стойка шасси выполняет и аэродинамическую функцию - она является передним тормозным щитком, благодаря которому при посадке быстро гасится скорость. Модель с таким шасси имеет мягкую "прилипающую" посадку. Это происходит благодаря расположенному в стойке амортизатору.
Механизм уборки шасси обычно срабатывает уже при скорости 110-115 км/ч. Добиться этого можно регулировкой пружины или выбором точки ее крепления к приводной качалке.
Зная ориентировочную скорость полета модели и ее вес, нетрудно определить и силу натяжения пружины. Для этого можно воспользоваться следующими формулами:

Теперь о некоторых технологических тонкостях. Рама шасси фрезеруется из материала Д16Т. При обработке особое внимание следует обратить на сверление и развертывание отверстий Ø 3 мм и 2,5 мм, разделку пазов шириной 10 и 12 мм, поскольку их непараллельность или несоблюдение упомянутых размеров могут привести к перекосам деталей механизма и отказам в эксплуатации.
Стойка шасси - из того же материала. При подборе заготовки не забудьте учесть направление волокон - в противном случае это может привести к потере устойчивости материала под нагрузкой и выходу детали из строя.
Кулиса обрабатывается на токарном станке из стали У8 или 30ХГСА, после чего размечаются и фрезеруются паз и наружный контур. И в заключение термообработка. Временной предел прочности материала на разрыв должен быть не меньше 120 кГс/мм2.
Приводное коромысло - из сплава Д16Т. Правильный выбор направления волокон и для этой детали имеет существенное значение, так как она является одной из самых нагруженных. Как и кулиса, коромысло сначала вытачивается на токарном станке; максимально точно следует выполнить размеры 10, 2 и Ø 2,5 мм. Далее деталь размечают, в ней сверлят и развертывают отверстия и спиливают ее по наружному контуру.
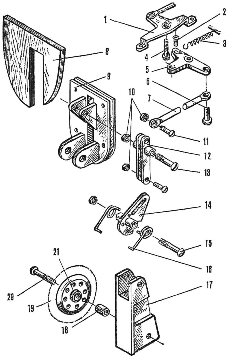
Рис. 1. Убирающееся шасси (нажмите для увеличения): 1 - качалка управления, 2 - ось крепления силовой пружины на. приводной качалке, 3 - силовая пружина, 4 - ось качалки управления, 5 - приводная качалка, 6 - ось тяги, крепящейся к приводной качалке, 7 - тяга, 8 - шпангоут, 9 - рама, 10 - гайки, 11 - ось крепления тяги к коромыслу, 12 - приводное коромысло, 13 - ось приводного коромысла, 14 - кулиса, 15 - ось кулисы, 16 - амортизационные пружины, 17 - стойка шасси, 18 - втулка., 1.9 - колесо, 20 - ось колеса, 21 - ступица колеса
Амортизирующие пружины из проволоки ОВС навиваются на оправке, диаметр которой следует выбирать на 1,5 мм меньше истинного внутреннего диаметра пружины. Далее ненужные витки обрезаются, и в заключение термообработка - закалка и отпуск.
Аналогично приводному коромыслу из материала Д16Т вытачиваются и качалки - управления и приводная.
Для изготовления колеса потребуется пресс-форма. Ее можно выточить из материала Д16Т. Ступица колеса - из того же сплава. Для более надежного контакта с резиной ее необходимо подвергнуть пескоструйной или химической обработке. Подготовленную таким образом ступицу и сырую резину закладывают в пресс-форму и вулканизируют.
Все винты и оси механизма - из стали У8 или 30ХГСА с последующей термической обработкой.
Теперь можно приступить к контрольной сборке узлов шасси. В первую очередь из трех фанерных пластин склеивается шпангоут. Учтите, что направление волокон на средней пластине должно быть перпендикулярным к направлениям волокон на внешних. При соединении заготовок лучше всего пользоваться клеем К-153, состоящим из двух компонентов - смолы и отвердителя. Для приготовления его компоненты смешиваются в соотношении 6:1.
Готовый шпангоут обрабатывается по контуру фюзеляжа с занижением на 1 мм на сторону. После этого на него устанавливается рама шасси - на клею К-153 и четырех заклепках Ø 2 мм. Для облегчения, а также для более прочного сцепления со шпангоутом в раме можно просверлить несколько отверстий. Далее на раму устанавливаются стойка шасси с закрепленными в ней амортизирующими пружинами, кулисой и ограничивающей ее движение шпилькой и приводное коромысло, которое соединяется с пазом кулисы осью Ø 2 мм.
Собранный механизм следует проверить на плавность и легкость хода рычагов, после чего можно вклеивать в крыло (на клею К-153) ось с установленной на ней приводной качалкой.
Рис. 2, 3 (нажмите для увеличения)
После доработки деталей (если были, например, заедания рычагов) механизм собирается и приклеивается к корпусу модели так, чтобы прямой торец фанерного шпангоута лег на переднюю кромку крыла. Затем, установив стойку шасси в выпущенное положение, а приводную качалку - в исходное, надо определить длину будущей тяги и выгнуть ее из проволоки ОВС Ø 2-2,5 мм. Соединив ею приводную качалку и коромысло, проверяют легкость работы всей конструкции.
Силовую пружину можно навить из проволоки ОВС Ø 0,4 мм на оправке Ø 2 мм н длиной 40 мм. После термообработки (закалки и отпуска) пружину устанавливают на модель и подбирают ее натяжение, замеряя динамометром натяжение корд. Оно должно соответствовать величинам, вычисленным по приведенным выше формулам.
После тарировки пружины механизм разбирается. Все детали следует промыть бензином и смазать консистентной смазкой типа ЦИАТИМ-201, после чего собрать вновь. На все оси навинчиваются максимально облегченные круглые гайки и опаиваются припоем ПОС-40. После окончательной проверки легкости хода всего механизма и регулировки силовой пружины полость фюзеляжа заклеивается. По задней кромке отсека шасси на оси Ø 1 мм устанавливается задний щиток (рис. 3) из магниевого сплава МА8. После проверки работы шасси вместе с задним щитком фюзеляж оклеивается стеклотканью толщиной 0,02 мм и окрашивается.
Автор: Н.Комаров
Рекомендуем интересные статьи раздела Моделирование:
▪ Солнечные двигатели для моделей
▪ Авиамодельное многоборье
▪ Ракета класса S3А
Смотрите другие статьи раздела Моделирование.
Читайте и пишите полезные комментарии к этой статье.
<< Назад
Последние новости науки и техники, новинки электроники:
Восприятие музыки зависит от цвета концертного зала
03.03.2026
Восприятие живой музыки традиционно связывают с слухом, однако на впечатления от концерта влияют и другие факторы, включая визуальное оформление и освещение. Вопрос о том, может ли цвет интерьера напрямую изменять то, как мы слышим звук, долго оставался открытым. Недавнее исследование ученых из Технического университета Берлина проливает свет на эту связь и демонстрирует, что визуальная среда способна влиять на субъективное восприятие музыки.
Чтобы изучить эффект цвета, исследователи предложили участникам прослушать записи концерта в виртуальных залах, оформленных в красные, зеленые и синие оттенки. Цвета варьировались по яркости и насыщенности, что дало 12 различных вариантов оформления. Поскольку построить физические залы с таким разнообразием цветов было невозможно, использовалась технология виртуальной реальности. Звук воспроизводился через наушники с бинауральной технологией, адаптирующей звучание к движениям головы, что создавало ощущение реального присутствия в зале.
Участ ...>>
Chrysalis: концепт межзвездного корабля для 400-летнего путешествия
03.03.2026
Межзвездные полеты остаются одной из самых амбициозных целей человечества. Международный научный проект Chrysalis предложил концепцию космического корабля, способного совершить 400-летнее путешествие с экипажем из 2400 человек. Победивший в конкурсе 2025 года дизайн демонстрирует не только инженерные решения, но и социальную архитектуру, рассчитанную на 16 поколений людей, живущих на борту.
В основе концепции лежит вращательная конструкция длиной 58 километров. Такая масштабная система должна создать искусственную гравитацию, достаточную для нормального функционирования организма, без вызывающей дезориентацию центробежной нагрузки. Для стабилизации конструкции проект предусматривает несколько цилиндров, вращающихся в противоположных направлениях, что минимизирует колебания и вибрации. Сборка корабля планируется в точках Лагранжа - участках космоса, где можно минимизировать расход топлива.
Движение корабля предполагается обеспечить прямым термоядерным двигателем на гелии-3 и дейте ...>>
Дети, растущие рядом с природой, обретают крепкие кости
02.03.2026
Влияние окружающей среды на здоровье человека становится все более очевидным, особенно в детском возрасте. Новое исследование, опубликованное в журнале JAMA Network Open, показывает, что близость к природе напрямую связана с крепостью костей у детей. Ученые установили, что у детей, чьи дома окружены природными территориями в радиусе 1000 метров на 25% больше обычного, риск развития крайне низкой плотности костей снижается на 65%.
Для проведения исследования были проанализированы данные более 300 детей, проживающих в городских, пригородных и сельских районах Фландрии в Бельгии. Плотность костной ткани у детей в возрасте от четырех до шести лет оценивалась с помощью ультразвуковых методов. Такой подход позволил безопасно и точно измерить состояние костей на ранних этапах формирования скелета.
При анализе учитывались ключевые факторы, влияющие на рост и развитие детей: возраст, вес, рост, этническая принадлежность и уровень образования матери. На основании этих параметров исследоват ...>>
Случайная новость из Архива Вращающиеся нейтронные звезды для проверки и калибровки атомных часов
06.01.2019
Об атомных часах, обеспечивающих высокоточный отсчет времени, мы неоднократно рассказывали на страницах нашего сайта. И, безусловно, многие из наших читателей не раз задавались вопросом, при помощи чего были получены значения характеристик этих часов, ведь для того, чтобы измерить что-то с определенной точностью, требуется измерительный инструмент с минимум на порядок более высокой точностью. Не знаем, как другие организации, имеющие в своем распоряжении атомные часы, а Европейское космическое агентство использует для синхронизации своих часов сигналы далеких вращающихся нейтронных звезд, пульсаров, излучаемые которыми сигналы имеют достаточно высокие показатели стабильности и точности.
Данный проект, получивший название "PulChron", является разработкой ученых из Манчестерского университета, британской Национальной физической лаборатории и частной компании GMV. Система, созданная в ходе этого проекта, уже частично используется для синхронизации атомных часов, обеспечивающих работу европейской системы спутниковой навигации "Galileo". Более того, длительные измерения сигналов пульсаров, объединенные с измерениями колебаний вибрирующих атомов в часах, позволяют получить еще более точный отсчет времени, чем это позволяет каждый из компонентов системы в отдельности.
Ученая-физик Джоселин Белл Бернелл (Jocelyn Bell Burnell) впервые обнаружила пульсар в 1967 году, когда ею был замечен радиосигнал, приходящий из глубин космоса и имеющий период в 1,34 секунды. Отметим, что этот сигнал был принят антеннами телескопа Interplanetary Scintillation Array радио-обсерватории Mullard Radio Astronomy Observatory. В настоящее время уже известно, что пульсары - это нейтронные звезды, небольшие и очень плотные остатки от взрывов массивных звезд, которые вращаются порой с огромной скоростью и излучают направленный луч излучения, который периодически направляется в сторону Земли.
Сейчас пульсары, точнее их сигналы, используются не только для синхронизации атомных часов. Они также представляют собой инструменты для поиска и измерения гравитационных волн, темной материи и изучения других явлений космологических масштабов.
Оборудование PulChron получает данные от пяти радиотелескопов, включая European Pulsar Timing Array, которые следят за 18 пульсарами одновременно. Атомные часы так же генерируют свою собственную частоту, один период которой является одним "тиком" часов. Но, относительно простые атомные часы, основанные на атомах водорода, возбуждаемых микроволновым лазером, могут дрейфовать (менять свою частоту) в течение долгих промежутков времени. И в этом случае для проведения коррекции требуется другая система, обладающая более высокой стабильностью, к примеру, часы системы Galileo требуют проведения процедуры синхронизации и коррекции каждые несколько часов.
Система PulChron является не первой "пульсарной" хронометрической системой, более того, она существует пока в своем первом, можно сказать, демонстрационном варианте. Но после того, как эта система начнет работать в ее окончательном виде, она будет использоваться не только для обеспечения работы системы спутниковой навигации, но и для отсчета точного значения времени Гринвичского меридиана (Coordinated Universal Time, UTC).
|
Другие интересные новости:
▪ Компактное солнечное зарядное устройство для электромобилей GoSun Solar EV Charger
▪ Зеркало из атомов
▪ Пища из насекомых создаст безотходное сельское хозяйство
▪ Тестирование самоуправляемых машин с удаленным водителем
▪ Ограниченная информация мотивирует детей учиться
Лента новостей науки и техники, новинок электроники
Интересные материалы Бесплатной технической библиотеки:
▪ раздел сайта Регуляторы тембра, громкости. Подборка статей
▪ статья Кто-то теряет, кто-то находит. Крылатое выражение
▪ статья Какие животные воруют у людей блестящие вещи, а взамен часто оставляют что-нибудь другое? Подробный ответ
▪ статья Слесарь механосборочных работ, занятый приготовлением рамок пружинного блока и средника для рамки. Типовая инструкция по охране труда
▪ статья Квадратурный смеситель на встречных волнах. Энциклопедия радиоэлектроники и электротехники
▪ статья Передатчик видеопрограмм без проводов. Энциклопедия радиоэлектроники и электротехники
Оставьте свой комментарий к этой статье:
Главная страница | Библиотека | Статьи | Карта сайта | Отзывы о сайте

www.diagram.com.ua
2000-2026