Бесплатная техническая библиотека
Вертикальное открытие ворот гаража. Советы домашнему мастеру

Справочник / Строителю, домашнему мастеру
Комментарии к статье
Автолюбителям хорошо известно, сколько хлопот доставляют обычные гаражные двустворчатые ворота. Особые сложности возникают зимой, когда приходится чуть ли не ежедневно убирать снег перед гаражом, в противном случае открыть или закрыть створки ворот практически невозможно. Между тем существует немало конструкций, лишенных этих недостатков. Среди них и такие, которые сдвигаются в сторону, поднимаются вверх, складываются наподобие гармошки. Встречаются и гибкие "двери", которые наматываются на барабан, расположенный в верхней части бокса. Правда, все они не слишком надежны, поскольку имеют открытые шарниры или сквозные щели.
Предлагаю вниманию читателей вариант ворот, единственная створка которых поднимается вверх и укладывается под потолком. В отличие от перечисленных эта конструкция не имеет указанных недостатков: в ней нет ни одного открытого шарнира, сквозных щелей и к тому же имеет надежный притвор по всему внутреннему периметру рамы дверного проема.
Створка легко открывается, поднимаясь противовесом, висящим на тросе на внутренней стенке гаража. Правильно подобранный груз позволяет делать это без особых усилий.
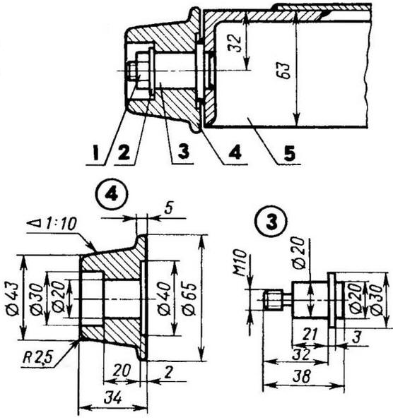
Нижняя часть створки в опущенном положении закреплена в швеллере или держателях, приваренных к раме дверного проема, к ней же приварены расположенные на боковых стенках гаража направляющие из швеллера. По два ролика с каждой стороны, перемещающихся в направляющих, позволяют створке выдерживать большие нагрузки, что делает ее достаточно надежной.
Одностворчатые гаражные ворота: 1 - направляющие, 2 - створка, 3 - трос, 4 - блок, 5 - противовес
Направляющие (швеллер 65x36)
Рама дверного проема (нажмите для увеличения): 1 - поперечина (швеллер 200x76x5,2, 2 шт.), 2 - держатель верхний (уголок 100x100x5), 3 - стойка (швеллер 200x76x5,2, 2 шт.), 4 - держатель нижний
Установка ролика: 1 -гайка М10, 2 - шайба, 3 - ось, 4 - ролик, 5 - створка
Створка ворот (нажмите для увеличения): 1 - поперечник (уголок 63x63x6, 2 шт.), 2- стойка (уголок 63x63x6, 4 шт.), 3 - ролик (4 шт.), 4 - обшивка (лист sЗ)
Установка блоков: 1 - ось блока, 2 - блок. 3 - косынка, 4 - плита, 5 - гайка М16 с шайбой, 6 - стойка
Противовес: 1 - блок, 2 - стойка, 3 - груз, 4 - прижим, 5 - ось блока, 6 - кронштейн, 7 - косынка, 8 - основание, 9 - гайка М16 с шайбой
Вариант гаражных ворог с дистанционным управлением: 1 - передатчик, 2 - створка, 3 - электродвигатель, 4 - муфта соединительная, 5 - редуктор, 6 - муфта электромагнитная, 7 - барабан
Верхняя часть ворот запирается двумя щеколдами и, соответственно, двумя замками. Для фиксации створки в открытом положении установлен стопор.
Для ворот такой конструкции не сложно приспособить электропривод с обычным или даже дистанционным радио- или ИК-управлением. Блок, на котором висит противовес, следует заменить на барабан, приводимый в движение электродвигателем через редуктор, а барабан и редуктор соединить электромагнитной муфтой - на случай отсутствия электропитания.
Рекомендуем интересные статьи раздела Строителю, домашнему мастеру:
▪ Лестницы
▪ Щетка с секретом
▪ Винт не открутится
Смотрите другие статьи раздела Строителю, домашнему мастеру.
Читайте и пишите полезные комментарии к этой статье.
<< Назад
Последние новости науки и техники, новинки электроники:
Оптимальная продолжительность сна
12.11.2025
Сон играет ключевую роль в поддержании здоровья, когнитивных функций и общего самочувствия. Несмотря на широко распространенный стереотип о восьмичасовом сне, последние исследования показывают, что оптимальная продолжительность сна для большинства здоровых взрослых ближе к семи часам.
Эволюционный биолог из Гарварда, Дэниел Э. Либерман, утверждает, что традиционная норма восьми часов сна - это скорее культурное наследие индустриальной эпохи, чем биологическая необходимость. По его словам, полевые исследования, проведенные в сообществах, не использующих электричество, показывают, что средняя продолжительность сна составляет 6-7 часов, что значительно отличается от общепринятого стандарта.
Современные эпидемиологические данные подтверждают этот взгляд. Исследования выявили так называемую "U-образную кривую" зависимости между продолжительностью сна и рисками для здоровья. Минимальные показатели заболеваемости и смертности наблюдаются именно у людей, спящих около семи часов в сутки. ...>>
Дефицит кислорода усиливает выброс закиси азота
12.11.2025
Парниковые газы играют ключевую роль в изменении климата, а закись азота (N2O) - один из наиболее опасных среди них. Этот газ не только втрое сильнее углекислого газа в удержании тепла, но и разрушает озоновый слой. Недавнее исследование американских ученых показало, что микробы в зонах с низким содержанием кислорода активно производят N2O, усиливая глобальные климатические риски.
Команда из Университета Пенсильвании изучала прибрежные воды у Сан-Диего и провела наблюдения на глубинах от 40 до 120 метров в Восточной тропической северной части Тихого океана - одной из крупнейших зон дефицита кислорода. Исследователи сосредоточились на том, как морские микроорганизмы превращают нитраты в закись азота.
В ходе работы выяснилось, что существует два пути образования N2O. Один путь начинается с нитрата, другой - с нитрита. На первый взгляд более короткий путь должен быть эффективнее, однако микробы, использующие нитрат, продуцируют больше газа, поскольку этот "сырьевой" источник более д ...>>
Омега-3 помогают молодым кораллам выживать
11.11.2025
Сохранение коралловых рифов становится все более актуальной задачей в условиях глобального изменения климата. Молодые кораллы особенно уязвимы на ранних стадиях развития, когда стрессовые условия и нехватка питательных веществ могут привести к высокой смертности. Недавнее исследование ученых из Технологического университета Сиднея показывает, что специальные пищевые добавки способны существенно повысить выживаемость личинок кораллов.
В ходе работы исследователи разработали особый состав "детского питания" для коралловых личинок. В него вошли масла, богатые омега-3 жирными кислотами, а также важные стерины, необходимые для формирования клеточных мембран. Личинки, получавшие эти добавки, развивались быстрее, становились крепче и демонстрировали более высокую устойчивость к стрессовым факторам.
Особое внимание ученые уделили липидам. Анализ показал, что личинки активно усваивают эти вещества, что напрямую влияет на их жизнеспособность. Стерины, содержащиеся в корме, повышают устойчи ...>>
Случайная новость из Архива Платформа для 6-Гбит/с беспроводной сети
03.03.2016
Сотовые сети пятого поколения будут гетерогенными. На практике это будет означать, что доступ абонента к линиям связи будет осуществляться не только с помощью подключения к базовым станциям операторов связи, но также с помощью радиочастотных сетей местного значения.
Это так называемые RAN-сети, которые обеспечат высокоскоростную передачу данных без загрузки базовых станций. Подобные зональные сети, например, планируется использовать для организации дорожного движения или для полетов дронов. Сети RAN нацелены на сравнительно низко загруженный миллиметровый диапазон.
Комплексную платформу для организации сетей RAN представила группа японских компаний, включая Tokyo Institute of Technology, Sony, Japan Radio и KDDI R&D Laboratories. Разработчики создали решение для передачи данных на смартфон со скоростью до 6,1 Гбит/с. Один гигабайт данных на такой скорости будет передан за неполные две секунды.
Сеть будет двухступенчатой с полным дуплексом для передачи данных в диапазоне 40 ГГц и для работы с клиентским устройством в диапазоне 60 ГГц. Тем самым будет устранена проблема в виде сильного затухания радиоволн в миллиметровом диапазоне и, за счет специальной топологии сети, решен вопрос с обеспечением гарантированного объема трафика в случае осадков, которые тоже гасят миллиметровый сигнал.
|
Другие интересные новости:
▪ IP-камера Arlo Q
▪ Затмение и организм
▪ Количество братьев и сестер влияет на их взаимное сотрудничество
▪ Циклоны стали на 10% сильнее
▪ Игровой 4К-монитор ASUS ROG Swift PG32UQR
Лента новостей науки и техники, новинок электроники
Интересные материалы Бесплатной технической библиотеки:
▪ раздел сайта Устройства защитного отключения. Подборка статей
▪ статья Гражданское право. Части I, III и IV. Шпаргалка
▪ статья Почему люди чаще простужаются в холодное время года? Подробный ответ
▪ статья Видеоинженер. Должностная инструкция
▪ статья Генератор гармонического сигнала с мягким ограничителем. Энциклопедия радиоэлектроники и электротехники
▪ статья Реверс для дрели. Энциклопедия радиоэлектроники и электротехники
Оставьте свой комментарий к этой статье:
Главная страница | Библиотека | Статьи | Карта сайта | Отзывы о сайте

www.diagram.com.ua
2000-2025