Бесплатная техническая библиотека
Потайная петля. Советы домашнему мастеру

Справочник / Строителю, домашнему мастеру
Комментарии к статье
Предлагаю самодельщикам, занимающимся изготовлением или уже изготовившим мебель с дверками, крепящимися на рояльных петлях, заменить их на внутренние мебельные, так как наличие рояльных петель даже на качественно сделанной мебели однозначно указывает на ее самодельное происхождение и ухудшает внешний вид.
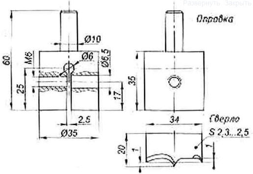
Однако, домашний мастер, пожелавший использовать невидимую снаружи дверки мебельную петлю, сталкивается с проблемой изготовления с внутренней стороны дверки для каждой лети круглого углубления диаметром 36 мм с плоским дном и глубиной 11 мм при толщине ДСП 15 мм. в которое с натягом должна входить дверная часть мебельной петли.
На мебельной фабрике такие углубления сверлят на специальном станке инструментом, напоминающим пальцевую фрезу. Я же просверлил обычной электродрелью с простым сверлом собственного изготовления, которое и предлагаю самодельщикам.

Оно состоит из двух частей - круглой оправки и плоского собственно сверла. Оправка выточена на токарном станке из стального прутка подходящего диаметра. Форма ее простая, ни высокой точности, ни высокого класса чистоты поверхности здесь не требуется. Однако она должна быть изготовлена с одной установки, чтобы потом не было биения. После снятия со станка необходимо на донышке оправки через ее центр прочертить 2 оси под углом 90 градусов. Параллельно первой из них на расстоянии 25 мм от дна просверлить сквозное отверстие диаметром 6 мм и распилить оправку от донышка до отверстия, чтобы получился паз шириной 2,5 мм, Я пропилил его на станке тонким абразивом - отрезным кругом (можно пропилить паз и вручную - пакетом ножовочных полотен необходимой толщины).
Параллельно другой оси на расстоянии 17 мм от донышка сверлится сквозное отверстие диаметром 4,5 мм. До паза в этом отверстии нарезается резьба М6, а с другой стороны оправки это отверстие до паза рассверливается до диаметра 6,5 мм: в него вставляется болт М6х30 и заворачивается.
Сверло представляет собой обломок пилки от "рельсорезки", заточенный на наждачном круге как обыкновенное перовое сверло, только с незначительными перепадами высот режущих кромок - всего в 1 мм (чтобы дно углубления оказалось плоским).
Сверло вставляется в паз оправки так, чтобы расстояние от дна оправки до острия центра сверла было около 12 мм, и крепко зажимается в оправке болтом. Центр сверла, естественно, должен находиться на оси вращения оправки.
Инструмент готов к работе. Сверлить углубления под петлю следует электродрелью, предварительно пройдя в центре будущего углубления отверстие диаметром 1-2 мм на глубину 10 мм. Электродрель должна быть достаточной мощности: маленькой, как и ручной дрелью, высверлить углубление мне не удалось. Сверлить желательно с одного раза до глубины, пока дно оправки не опустится до поверхности ДСП В любом случае перед сверлением углублений в дверках желательно опробовать операцию на ненужном куске ДСП.
В оправку можно зажать и плоские перовые сверла другого необходимого самодельщику диаметра.
Автор: С.Смоляков
Рекомендуем интересные статьи раздела Строителю, домашнему мастеру:
▪ Электрический бойлер
▪ Спальный уголок
▪ Шариковый пробойник для кожи
Смотрите другие статьи раздела Строителю, домашнему мастеру.
Читайте и пишите полезные комментарии к этой статье.
<< Назад
Последние новости науки и техники, новинки электроники:
Оптимальная продолжительность сна
12.11.2025
Сон играет ключевую роль в поддержании здоровья, когнитивных функций и общего самочувствия. Несмотря на широко распространенный стереотип о восьмичасовом сне, последние исследования показывают, что оптимальная продолжительность сна для большинства здоровых взрослых ближе к семи часам.
Эволюционный биолог из Гарварда, Дэниел Э. Либерман, утверждает, что традиционная норма восьми часов сна - это скорее культурное наследие индустриальной эпохи, чем биологическая необходимость. По его словам, полевые исследования, проведенные в сообществах, не использующих электричество, показывают, что средняя продолжительность сна составляет 6-7 часов, что значительно отличается от общепринятого стандарта.
Современные эпидемиологические данные подтверждают этот взгляд. Исследования выявили так называемую "U-образную кривую" зависимости между продолжительностью сна и рисками для здоровья. Минимальные показатели заболеваемости и смертности наблюдаются именно у людей, спящих около семи часов в сутки. ...>>
Дефицит кислорода усиливает выброс закиси азота
12.11.2025
Парниковые газы играют ключевую роль в изменении климата, а закись азота (N2O) - один из наиболее опасных среди них. Этот газ не только втрое сильнее углекислого газа в удержании тепла, но и разрушает озоновый слой. Недавнее исследование американских ученых показало, что микробы в зонах с низким содержанием кислорода активно производят N2O, усиливая глобальные климатические риски.
Команда из Университета Пенсильвании изучала прибрежные воды у Сан-Диего и провела наблюдения на глубинах от 40 до 120 метров в Восточной тропической северной части Тихого океана - одной из крупнейших зон дефицита кислорода. Исследователи сосредоточились на том, как морские микроорганизмы превращают нитраты в закись азота.
В ходе работы выяснилось, что существует два пути образования N2O. Один путь начинается с нитрата, другой - с нитрита. На первый взгляд более короткий путь должен быть эффективнее, однако микробы, использующие нитрат, продуцируют больше газа, поскольку этот "сырьевой" источник более д ...>>
Омега-3 помогают молодым кораллам выживать
11.11.2025
Сохранение коралловых рифов становится все более актуальной задачей в условиях глобального изменения климата. Молодые кораллы особенно уязвимы на ранних стадиях развития, когда стрессовые условия и нехватка питательных веществ могут привести к высокой смертности. Недавнее исследование ученых из Технологического университета Сиднея показывает, что специальные пищевые добавки способны существенно повысить выживаемость личинок кораллов.
В ходе работы исследователи разработали особый состав "детского питания" для коралловых личинок. В него вошли масла, богатые омега-3 жирными кислотами, а также важные стерины, необходимые для формирования клеточных мембран. Личинки, получавшие эти добавки, развивались быстрее, становились крепче и демонстрировали более высокую устойчивость к стрессовым факторам.
Особое внимание ученые уделили липидам. Анализ показал, что личинки активно усваивают эти вещества, что напрямую влияет на их жизнеспособность. Стерины, содержащиеся в корме, повышают устойчи ...>>
Случайная новость из Архива Система WDM с максимальной эффективностью использования спектра
02.06.2012
Компания Huawei представила прототип системы WDM, который является усовершенствованной версией коммерческого оборудования с фиксированным разносом каналов 50 ГГц. Как сообщают в компании, прототип системы WDM отличается самой высокой эффективностью использования спектра среди существующих решений WDM. Он поддерживает различные интервалы между каналами с минимальным шагом 12,5 ГГц, что не только повышает эффективность использования спектра и гибкость системы WDM, но и закладывает основу для технологий с поддержкой нескольких несущих каналов и оптических сетей следующего поколения со скоростями выше 100G и регулируемой полосой пропускания. Эта технология высокоэффективного использования спектра позволит операторам создавать сети WDM, соответствующие потребностям абонентов в будущем.
Популярность услуг ШПД повлекла за собой стремительное увеличение емкости передачи и ускорила переход к системам 100G. Сейчас целью провайдеров стали технологии выше 100G WDM с поддержкой множества несущих каналов, также известные как решения для передачи 400G и 1T. Все современные системы WDM имеют интервал между каналами 50 или 25 ГГц, такая эффективность использования спектра недостаточна для сетей 400G или сетей передачи 1T с поддержкой множества несущих. Новый прототип WDM Huawei повышает эффективность использования спектра в системах WDM большой емкости. Это компактное решение обеспечит более плотное размещение высокоскоростных несущих каналов и более полное использование спектрального ресурса оптического волокна.
Прототип WDM поддерживает одновременную передачу 40G, 100G, 400G и 1T. Кроме того, он совместим с традиционными системами с разносом каналов 50 или 25 ГГц. На практике это означает плавную модернизацию систем 40G и 100G до систем 400G и 1T с эффективной защитой инвестиций в действующие сети.
Технология эффективного использования спектра является одной из основных технологий оптических сетей следующего поколения с регулируемой полосой пропускания. Сигналы таких сетей обеспечивают автоматическую подстройку режима модуляции и скорости передачи в зависимости от протяженности линии и емкости услуги, а также постоянное изменение диапазона используемого спектра. Шаг 12,5 ГГц обеспечивает более гибкую настройку полосы пропускания, дальности передачи и частотного диапазона, что освобождает частотные ресурсов для передачи данных.
Джек Ван (Jack Wang), президент направления оборудования для транспортных сетей компании Huawei, отметил: "Создание первого в мире прототипа оптического коммутатора 10 петабит и прототипа 400G DWDM позволило пользователям взглянуть на оптические сети следующего поколения на примере прототипа системы WDM с высокой спектральной эффективностью. Деятельность Huawei направлена на создание инновационных решений в области оптических сетей, что вносит значительный вклад в развитие ШП-сетей и технологий оптической передачи данных следующего поколения".
|
Другие интересные новости:
▪ Видеокамера для профессионалов
▪ Клавиатура и мышь - лучшие индикаторы стресса
▪ Новые синхронные DC/DC-преобразователи напряжения
▪ Искусственный интеллект пока уступает человеку в математике
▪ Пешее хождение опасно для природы
Лента новостей науки и техники, новинок электроники
Интересные материалы Бесплатной технической библиотеки:
▪ раздел сайта Электрику. Подборка статей
▪ статья Башмаков она еще не износила. Крылатое выражение
▪ статья У каких животных больше двух глаз? Подробный ответ
▪ статья Производственная санитария, гигиена труда и личная гигиена
▪ статья Высокочастотный блок питания люминесцентной лампы. Энциклопедия радиоэлектроники и электротехники
▪ статья Ответ известен заранее. Секрет фокуса
Оставьте свой комментарий к этой статье:
Главная страница | Библиотека | Статьи | Карта сайта | Отзывы о сайте

www.diagram.com.ua
2000-2025