Menu Home

Бесплатная техническая библиотека для любителей и профессионалов Бесплатная техническая библиотека


Камин для пчел. Советы домашнему мастеру

Строителю, домашнему мастеру

Справочник / Строителю, домашнему мастеру

Комментарии к статье Комментарии к статье

Исследования ученых и опыт пчеловодов свидетельствуют, что при хорошей обеспеченности доброкачественными кормами и заботливом содержании крылатые медоносы прекрасно переносят зимовку даже при сильных морозах. Ведь бедой для ослабевшей пчелиной семьи в холодное время года является не столько пониженная температура, сколько повышенная влажность, когда рамки и внутренняя поверхность ульев плесневеют, а возрастание теплопроводности увлажненного воздуха, окружающего клубок пчел, и отсыревших стенок грозит увеличением теплопотерь со всеми, вытекающими отсюда тяжелыми последствиями.

Применяемые мною вот уже несколько лет меры, связанные с электрообогревом в зимний период, позволяют создавать и поддерживать комфортные условия, обеспечивающие сохранность пчелосемей любой силы. По сути, это система конвективного вентилирования ульев (СКВУ, термин поддержан патентным ведомством страны).

Принцип действия СКВУ легко понять на примере пчелиного улья. Теплый воздух, поднимаясь от электрообогревателей вверх по законам конвекции, проходит в направлении, условно показанном стрелками, через холстик, утеплитель и отверстия в крышке (либо через верхний леток) наружу. При движении в улье этот основной поток порождает более мелкие, конвекционные. Совместно они и выполняют эффективную вентиляцию. И это - при минимуме энергетических затрат.

Исходя из условий комфортности, приходится даже ограничивать мощность электрообогревателя. При пересчете на потребности одной улочки пчел она не должна превышать 1,5 Вт. Например, на моей пасеке, где каждая пчелиная семья легко переносит морозы, располагаясь в корпусе (на восьми или девяти рамках 435x230 мм), суммарная мощность двух, размещаемых по краям зимнего гнезда обогревателей составляет всего 8,6 Вт.

Разбивку и без того незначительной мощности на 6,8 и 1,8 Вт считаю удачно найденным техническим решением. Ведь оно, во-первых, позволяет существенно упростить всю конструкцию (размеры обогревателя практически не зависят от числа рамок в улье), во-вторых, способствует улучшению микроклимата в пчелиной семье (исключается раздвоение клуба в зимние оттепели, так как появляется реальная возможность всем уйти в сторону более мощного источника тепла). Наконец, в-третьих, энергетический поток от излучателя распределяется по всей боковой поверхности (а не как от точечного источника), обеспечивая эффективное удаление конденсата. И в итоге, действительно, делает СКВУ системой, гарантирующей благоприятную зимовку (на воле, в каждом отдельном улье) нуклеусов и семей любой силы, что подтверждается многолетней практикой.

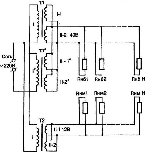
Для электропитания тридцати больших обогревателей (по числу пчелосемей) рекомендую воспользоваться двумя стандартными 190-ваттными трансформаторами ТП190-5, понижающими напряжение с 220 В до требуемых 40 В. Получается даже запас по мощности (нужно лишь 204 Вт вместо 380 Вт), что при непрерывной работе в течение 6-месячного "отопительного" сезона оказывается весьма кстати. А параллельно включенные вторичные обмотки, каждая из которых выполнена 1-мм проводом и рассчитана на допустимый ток 1,57 А, способны выдать в нагрузку почти 6,3 А. Это значительно превышает потребляемый тридцатью 6,8-ваттными обогревателями ток (5,1 А), являясь еще одним залогом высокой надежности системы больших источников тепла.

Камин для пчел
Работа системы конвективного вентилирования ульев: 1 -утеплитель; 2 - крышка; 3 - подкрышник; 4 - кормушка; 5 - холстик; 6 - корпус; 7 - обогреватель большой; 8 - днище; 9 - обогреватель малый.

Камин для пчел
Принципиальная электрическая схема СКВУ

А как же с малыми термоисточниками? Произведя несложные расчеты по формулам школьного курса физики, нетрудно вычислить, что для питания тридцати 1,8-ваттных обогревателей нужен понижающий трансформатор мощностью 54 Вт, способный отдать в нагрузку 4,5 А при напряжении 12 В. Из выпускаемых отечественной промышленностью как нельзя лучше подойдет (если выбирать с запасом по электрическим параметрам) прибор мощностью 100 Вт с двумя параллельно включаемыми вторичными обмотками (у каждой - провод диаметром 1,8 мм, рассчитанный на ток 5,09 А при напряжении 12 В). В СКВУ такой трансформатор будет работать с более чем двукратным резервом по току в нагрузке!

Конструкция обогревателя представлена на рисунке. В прорези основы-каркаса укладывают высокоомный провод, закрепляют концы, к которым припаивают гибкие выводы. С обеих сторон устанавливают соответствующие панели и сбивают все воедино 20-мм гвоздями, предварительно протянув в 5-мм отверстие выводы с последующим прикреплением плечиков. Вне-ульевый монтаж выполняют изолированным проводом, диаметр которого подбирают, исходя из тока потребления. Для 5,1 А это соответствует 1,9 мм.

Число витков высокоомной обмотки обогревателя проще и вернее определить экспериментально. Для этого потребуются омметр и макет каркаса. Размер 600 мм ориентировочный, зависит от размещаемого обогревателя, расчетное сопротивление которого (235 Ом) находят как результат отделения напряжения на ток.

Перед намоткой надо разложить на полу в комнате провод будущего нагревателя так, чтобы его части нигде не соприкасались друг с другом, и с помощью омметра подобрать нужную длину, ориентируясь на показания прибора (примерно равное или несколько большее, чем 235 Ом). Разместив полученный отрезок на макете каркаса (витки не должны соприкасаться друг с другом), закрепляют оба конца. А подсоединив заготовку нагревателя к источнику питания, измеряют потребляемый ток. Если полученное значение ниже расчетных 0,17 А, число витков уменьшают, если выше, то, соответственно, увеличивают. Выверенный параметр нагревательной обмотки (в моем случае 51 виток) можно использовать в качестве основного во всех последующих операциях.

Изготавливают основу-каркас и, сделав в ней ножовкой по металлу прорези глубиной 3 мм, распределяют как можно равномернее полученную обмотку. Если требуются несколько теплоизлучателей, то прорези лучше всего делать, соединив струбцинами пакет из 6-7 заготовок. Уложив выверенные витки высокоомного провода на каркас, собирают обогреватель.

Методика расчета системы питания малых термоисточников, а также технология их сборки, аналогична изложенному.

В связи с тем, что при изготовлении любого обогревателя данной конструкции полностью выдержать все рекомендуемые параметры удается не всегда (другой диаметр и сопротивление высокоомного провода, иные напряжения в цепях нагрузки и т.д.), целесообразно ввести коррекцию с учетом максимально допустимого температурного режима.

После определения числа витков обмотки обогревателя изготавливают каркас для проверки температуры нагрева высокоомного провода (можно использовать макет каркаса). Расстояние между прорезями выполняют как можно меньшим. Но с таким расчетом, чтобы после укладки нагревательной обмотки ее участки (располагаемые с минимально допустимым шагом) не соприкасались друг с другом. Уложив расчетное число витков высокоомного провода в прорези каркаса, закрепляют концы. А собрав несложную установку, подключают при температуре окружающего воздуха +20 °C исследуемый обогреватель к источнику электропитания и проводят сами испытания.

Через 2-3 часа, когда тепловой режим можно считать установившимся, снимают показания термометра. Они не должны быть выше +40 °C (в моем случае температура неизменно равнялась +28 °C), чтобы с размещением такого обогревателя в улье не погибли от перегрева отложенные пчелиной маткой яйца.

При подготовке пчел к зимовке необходимо разместить изготовленные обогреватели по краям гнезда. С октября и до первого очистительного облета СКВУ у меня включена, и лишь при температуре окружающего воздуха в тени выше +5 °C выключается. А вот после очистительного облета и до 10 мая режим изменяется. И система включается только тогда, когда температура вокруг менее +25 °C.

Камин для пчел
Конструкция обогревателя: 1 - панель корпусная; 2 - основа-каркас с пазами; 3 - панель лицевая; 4 - плечики; 5 - обмотка нагревательная (провод Ø 0,4 с сопротивлением погонного метра 11,5 Ом); 6 - выводы (провод медный многожильный сечением 0,35 мм2 в виниловой изоляции); дет. 1 ...4 из ДВП s4, у малого обогревателя дет. 1 и 3 меняются местами.

Камин для пчел
Макет каркаса из ДВП для подбора оптимальных параметров нагревательной обмотки

Камин для пчел
Установка для испытания нагревательной обмотки на максимально допустимый температурный режим: 1 - основание-изолятор термостойкое; 2 - макет каркаса с нагревательной обмоткой; 3 - термометр; 4 - утеплитель термостойкий.

Наконец, еще одна особенность использования СКВУ. Во время зимовки пчел нижний и верхний летки ульев открыты на всю ширину!

Энергетические возможности системы.

Пчелиная семья средней силы расходует в первую половину зимы по 20-25 граммов меда в сутки. С конца февраля, когда появляется расплод, потребление почти удваивается. При энергетических свойствах меда 3,15 ккал/г и среднем ежесуточном расходе его пчелиной семьей в количестве 25 г получаем: планируемые обычно энергозатраты составляют 79 ккал.

Суммарная мощность обогревателей для одной семьи, как уже отмечалось, 8,6 Вт. За сутки они выделяют тепло в количестве 173 ккал. Но ведь обогреватели на моей пасеке работают с середины октября и по начало мая, то есть около 200 суток. За это время они, израсходовав всего 42 кВт.ч электроэнергии, отдадут (в расчете на одну пчелосемью) 34 600 ккал. А для того, чтобы пчелы за такой же период смогли выделить равное количество тепла, им необходимо потребить почти 11 кг меда.

При сопоставлении существующих цен на мед и электроэнергию выигрыш для пчеловода, как говорится, абсолютный!

Автор: А.Череватенко

 Рекомендуем интересные статьи раздела Строителю, домашнему мастеру:

▪ Гарнитур на лужайке

▪ Стол-кострище

▪ Барашек упрощенной конструкции

Смотрите другие статьи раздела Строителю, домашнему мастеру.

Читайте и пишите полезные комментарии к этой статье.

<< Назад

Последние новости науки и техники, новинки электроники:

Лабораторная модель прогнозирования землетрясений 30.11.2025

Предсказание землетрясений остается одной из самых сложных задач геофизики. Несмотря на развитие сейсмологии, ученые все еще не могут точно определить момент начала разрушительного движения разломов. Недавние эксперименты американских исследователей открывают новые горизонты: впервые удалось наблюдать микроскопические изменения в контактной зоне разломов, которые предшествуют землетрясению. Группа под руководством Сильвена Барбота обнаружила, что "реальная площадь контакта" - участки, где поверхности разлома действительно соприкасаются - изменяется за миллисекунды до высвобождения накопленной энергии. "Мы открыли окно в сердце механики землетрясений", - отмечает Барбот. Эти изменения позволяют фиксировать этапы зарождения сейсмического события еще до появления традиционных сейсмических волн. Для наблюдений ученые использовали прозрачные акриловые материалы, через которые можно было отслеживать световые изменения в зоне контакта. В ходе искусственного моделирования примерно 30% ко ...>>

Музыка как естественный анальгетик 30.11.2025

Ученые все активнее исследуют немедикаментозные способы облегчения боли. Одним из перспективных направлений становится использование музыки, которая способна воздействовать на эмоциональное состояние и когнитивное восприятие боли. Новое исследование международной группы специалистов демонстрирует, что даже кратковременное прослушивание любимых композиций может значительно снижать болевые ощущения у пациентов с острой болью в спине. В эксперименте участвовали пациенты, обратившиеся за помощью в отделение неотложной помощи с выраженной болью в спине. Им предлагалось на протяжении десяти минут слушать свои любимые музыкальные треки. Уже после этой короткой сессии врачи фиксировали заметное уменьшение интенсивности боли как в состоянии покоя, так и при движениях. Авторы исследования подчеркивают, что музыка не устраняет саму причину боли. Тем не менее, она воздействует на эмоциональный фон пациента, снижает уровень тревожности и отвлекает внимание, что в сумме приводит к субъективном ...>>

Алкоголь может привести к слобоумию 29.11.2025

Проблема влияния алкоголя на стареющий мозг давно вызывает интерес как у врачей, так и у исследователей когнитивного старения. В последние годы стало очевидно, что границы "безопасного" употребления спиртного размываются, и новое крупное исследование, проведенное международной группой ученых, вновь указывает на это. Работы Оксфордского университета, выполненные совместно с исследователями из Йельского и Кембриджского университетов, показывают: даже небольшие дозы алкоголя способны ускорять когнитивный спад. Команда проанализировала данные более чем 500 тысяч участников из британского биобанка и американской Программы миллионов ветеранов. Дополнительно был выполнен метаанализ сорока пяти исследований, в общей сложности включавших сведения о 2,4 миллиона человек. Такой масштаб позволил оценить не только прямую связь между употреблением спиртного и развитием деменции, но и влияние генетической предрасположенности. Один из наиболее тревожных результатов касается людей с повышенным ге ...>>

Случайная новость из Архива

Технология точного распыления Greeneye Technology 02.12.2024

Израильская компания Greeneye Technology разработала уникальную систему точного распыления, основанную на искусственном интеллекте. Эта технология уже продемонстрировала впечатляющие результаты в США и готовится к первым испытаниям на австралийских полях.

Основной особенностью технологии Greeneye является возможность точного распыления гербицидов исключительно на сорняки. Это решение позволило сократить использование остатков гербицидов в среднем на 87%, что снижает затраты фермеров и минимизирует экологический вред. Перенос этой технологии в Австралию станет важным шагом к повышению эффективности сельского хозяйства в регионе.

Для продвижения технологии в Австралии Greeneye Technology сотрудничает с компанией Croplands, базирующейся в Аделаиде. Croplands, имея сильное региональное присутствие, уже давно зарекомендовала себя в области продажи и обслуживания систем точного опрыскивания. Финансовую поддержку проекту оказывает Grains Research and Development Corporation, что подчеркивает значимость разработки для зерновой индустрии Австралии.

Одним из главных преимуществ технологии является ее универсальность. Система может быть установлена на уже существующих опрыскивателях, что снижает издержки на внедрение. Камеры высокого разрешения, закрепленные на штанге опрыскивателя, делают до 40 кадров в секунду, позволяя точно идентифицировать виды сорняков и распылять минимально необходимое количество гербицида на каждом участке.

Двойной бак системы позволяет одновременно использовать остаточные гербициды для общей обработки и более активные препараты для борьбы с отдельными сорняками. Такая конфигурация значительно увеличивает эффективность и снижает затраты.

Полевые испытания, запланированные на 2025 год, направлены на адаптацию технологии к местным условиям. На данный момент в Австралии система Greeneye используется преимущественно для работы с гербицидами, но в будущем компания планирует расширить применение до противогрибковых препаратов и микроудобрений, как это уже делается в США.

Уникальность технологии заключается и в ее высокой производительности: система может работать на скорости до 24,1 км/ч, что соответствует скорости традиционного опрыскивания. При этом точность обработки сохраняется, а производительность не снижается.

Искусственный интеллект может сделать сельское хозяйство более точным, эффективным и экологичным. Переход к точному распылению гербицидов не только снижает расходы фермеров, но и защищает окружающую среду от избыточного использования химикатов. Испытания на австралийских полях станут новым шагом в развитии этой перспективной технологии, открывая новые горизонты для устойчивого сельского хозяйства.

Другие интересные новости:

▪ Ночные тренировки в спортзале могут быть наиболее продуктивными

▪ Рюкзак виртуальной реальности HP Z VR Backpack

▪ Антисонное устройство от Ford

▪ Спортсменам вредят любые удары по голове

▪ Игры, фильмы и рост насилия

Лента новостей науки и техники, новинок электроники

 

Интересные материалы Бесплатной технической библиотеки:

▪ раздел сайта Дозиметры. Подборка статей

▪ статья Рубанок-кондуктор. Советы домашнему мастеру

▪ статья В какой стране существует класс кибер-бездомных людей? Подробный ответ

▪ статья Слесарь по ремонту и техническому обслуживанию автомобиля. Типовая инструкция по охране труда

▪ статья ИК-ретранслятор. Энциклопедия радиоэлектроники и электротехники

▪ статья Применение термокомпенсированной оптронной развязки в преобразователях напряжения. Часть 1. Энциклопедия радиоэлектроники и электротехники

Оставьте свой комментарий к этой статье:

Имя:


E-mail (не обязательно):


Комментарий:





Главная страница | Библиотека | Статьи | Карта сайта | Отзывы о сайте

www.diagram.com.ua

www.diagram.com.ua
2000-2025