Menu Home

Бесплатная техническая библиотека для любителей и профессионалов Бесплатная техническая библиотека


Звук в автомобиле

Искусство аудио

Справочник / Искусство аудио

Комментарии к статье Комментарии к статье

Известно, что для многих автомобилистов машина превратилась в нечто большее, чем просто средство передвижения. Ведь человек, проводящий за рулем несколько часов каждый день, хочет слушать не только местные новости но и хорошую музыку. Однако, оборудуя салон высококачественной автомобильной звуковоспроизводящей установкой, редко кому удается обойтись только промышленными изделиями.

В последние годы в радиолюбительской литературе появилось немало публикаций, посвященных самостоятельному изготовлению автомобильной аудиоаппаратуры, главным образом усилителей. Но даже хороший усилитель еще не решает всех проблем, встающих перед создателем аудиосистемы Hi-Fi класса для своего автомобиля. Скептическое отношение многих автомобилистов к подобного рода системам вызвано, на мой взгляд, прежде всего безграмотным подходом к установке АС в салоне. К сожалению, в большинстве случаев их размещают в машине по принципу "куда влезет", а не "куда надо".

Правда, однозначного ответа на вопрос - "а куда надо?" - не существует. Ни одно из известных решений не даёт гарантированного результата. Гораздо легче ответить на вопрос "куда не надо?". Самая распространённая ошибка - установка мощных и высококачественных головок громкоговорителей на задней полке. Спереди же устанавливают что придется или вообще ничего. Неужели владелец такой машины предпочитает на концерте сидеть спиной к сцене ?

Вопреки сложившемуся мнению, главное при конструировании автомобильной аудиосистемы состоит не в достижении высокой мощности, малых искажений и даже не в получении хорошей АЧХ. Основная проблема - широкой звуковой картины для слушателей, сидящих на передних сиденьях машины.

Её решение напрямую связано с местом установки фронтальных головок. При любом разумном варианте их размещения разность пути сигнала от левого и правого излучателей до слушателя достигает недопустимо больших значений. Для сокращения этой разности можно использовать отражение всего или части сигнала от лобового стекла. Так появились установки с напольной фронтальной акустикой (рис.1) [1].

Звук в автомобиле
Рис.1

Конструктивное воплощение такого решения сложно и трудоемко, но результат впечатляет. Однако резать пол для установки головок решится далеко не каждый. Поэтому реально для установки фронтальных излучателей в легковой машине остается не так много мест: приборная доска, стойки лобового стекла, двери, вертикальные панели в нижней части салона у передних колес автомобиля (кикпанели).

Приборная доска позволяет установить излучатели на достаточной высоте, но размер головок ограничен обычно 10...13 см, акустическое оформление практически отсутствует, поэтому низкие частоты воспроизводятся в этом случае недостаточно эффективно. Для дальнейшего подъема звуковой картины можно установить излучатели на стойках по боковым краям лобового стекла, но реально там могут разместиться только "пищалки".

Популярная в силу своей простоты установка низкочастотных и коаксиальных головок в дверях автомобиля обычно аргументируется увеличением эффективности воспроизведения низких частот готовым акустическим оформлением. Результат же получается прямо противоположным желаемому. При сведении фонограмм большинство современных звукорежиссёров располагают инструменты басового регистра в центре звуковой сцены, то есть звуковые сигналы левого и правого каналов в этом диапазоне частот синфазны и имеют практически одинаковую интенсивность.

Поэтому при установке излучателей в дверях фронт звуковой волны на частотах 100...150Гц, критической для субъективного восприятия басовой атаки, достигает противоположной головки в противофазе (что определяется шириной салона) и компенсируется [1]. Отсюда - тусклый, безжизненный звук, который не исправить никаким эквалайзером.

Установка головок в кикпанелях уменьшает разность пути сигнала от левого и правого излучателей, но звуковая картина опускается недопустимо низко. Кроме того, этому варианту присущ тот же эффект "гашения" басовой атаки, правда в меньшей степени, чем при установке головок в дверях автомобиля, а организовать достойное акустическое оформление непросто.

Из сказанного следует, что наилучшего результата можно достичь, применяя многополосную рассредоточенную фронтальную АС. Полосовые излучатели необходимо разместить в тех местах, где они будут работать с максимальной эффективностью. По мнению автора, наилучшее место для установки НЧ излучателей - в корпусах под передними сиденьями с излучением звука вперёд-вверх. СЧ излучатели лучше всего разместить на передней панели или в верхнем переднем углу двери, а ВЧ - на стойках лобового стекла (это поднимет звуковую картину).

Полноценное воспроизведение низких частот возможно только при использовании акустического оформления значительного размера, поэтому практически во всех автомобильных аудиоустановках частотный диапазон основных каналов ограничивается 100...120Гц, а более низкие частоты излучаются сабвуфером в виде суммарного сигнала. Поскольку на самых низких частотах громкоговоритель имеет круговую диаграмму направленности излучения, выбор места установки сабвуфера - вопрос компоновки системы. Чаще всего его размещают в багажнике.

Проблема в том, что частотная характеристика салона, играющего здесь роль акустического оформления, имеет подъем в области самых низких частот, индивидуальный для каждой модели кузова. Поэтому для получения равномерной суммарной АЧХ системы необходимо иметь возможность регулировки не только уровня, но и частотной характеристики в сабвуферном канале.

Звуковой образ, сформированный без использования тыловых излучателей, безусловно, будет неполным. Основное их назначение - создание "эффекта зала" за счет имитации отраженного звука. Спектр сигнала тыловых каналов (рис.2 ) для этого должен быть ограничен [2], а сам сигнал может быть как традиционным ("левый-правый" канал), так и суммарным или разностным сигналом или представлять собой их комбинации. Мощность тылового канала невелика (не более 10% от общей мощности системы) и в ряде случаев для его реализации не потребуются дополнительные усилительные каналы. Простейший случай - встречно-последовательное включение тыловых динамиков между выходами усилителей левого и правого каналов через простейший фильтр.

Звук в автомобиле
Рис.2

О влиянии соединительных кабелей на качество звучания в последнее время написано столько, что этой темы можно здесь не касаться. Сечение проводов питания должно соответствовать потребляемому току и длине самих проводов. В любом случае падение напряжения на проводе питания при максимальной мощности должно быть не более 0,1-0,2В.

Демпфирование паразитных резонансов элементов и звукоизоляция салона также имеет большое значение. Шумопоглощающий материал следует наносить на все доступные панели и на пластмассовые элементы кузова, обратив особое внимание на панели , расположенные рядом с головками громкоговорителей или на те, которые используются как часть корпуса громкоговорителя. Резонансы обычно исчезают при покрытии 25 и более процентов площади. Для поглощения дорожного шума шумопоглощающим материалом следует покрыть пол салона, огнестойкую переборку и зону колес.

Следующее по значимости влияние на качество звучания автомобильной аудиосистемы оказывают усилители ЗЧ. Однако традиционные усилительные устройства с разделением частот на выходе пассивными фильтрами плохо работают в автомобиле, так как имеют ряд недостатков. Помимо потерь мощности пассивные фильтры не позволяют перестраивать частоту среза АЧХ (а это часто требуется делать при настройке аудиосистемы) и весьма чувствительны к изменению импеданса головок.

По указанным выше причинам при создании автомобильной аудиосистемы удобнее использовать многополосное усиление, а частоты разделять активными или пассивными фильтрами, установленными на входе усилителя. Достоинства такого подхода - исключение потерь мощности и возможность применения оптимальных схемотехнических решений усилителей и полосовых фильтров. На графике, приведенном на рис.3, показана зависимость отношения мощности низкочастотного канала (в процентах) к полной от частоты раздела. Например, при частоте раздела 500Гц мощность низкочастотного канала составляет 60%, высокочастотного - 40%. (при одинаковой чувствительности головок).

Звук в автомобиле
Рис.3

Предлагаю описание стереофонической аудиосистемы, установленной в автомобиле ВАЗ2107, которая выполнена в соответствии с изложенными принципами. В системе применены двухполосные усилительные устройства, работающие на восемь динамических головок и два пьезокерамических излучателя.

В качестве источника сигнала использована магнитола Philips 410 с незначительными конструктивными доработками. Переделан узел регулировок громкости и тембра в соответствии с приведенными на рис.3 статьи [3]. В результате регулировка тембра, обеспечивающая спад АЧХ на высших звуковых частотах, заменена регулировкой тембра по низшим частотам в пределах +10...-4 Дб (рис.4). Воспроизводящая головка магнитофонной деки магнитолы заменена на отечественную 3Д24Н, имеющую лучшие технические характеристики.

Звук в автомобиле
Рис.4

Магнитола установлена поверх панели приборов в специальном контейнере, что имеет ряд преимуществ перед размещением ее в штатном месте. Аппарат в этом случае находится в поле зрения водителя, не затрудняя обзор дороги и не отвлекая его внимания на управление магнитолой. Исключен также нагрев магнитолы от печки автомобиля.

АС образованя тремя группами громкоговорителей: фронтальными, напольными и тыловыми (рис.5).

Звук в автомобиле
Рис.5

Фронтальные громкоговорители состоят из широкополосных и высокочастотных излучателей и работают в полосе частот выше 260Гц. Для стабилизации нагрузки усилителя и снижения интермодуляционных искажений на средних частотах в составе фронтальных громкоговорителей используются токостабилизирующие резисторы R1,R2 [4]. После их введения объективные и субъективные оценки качества звучания улучшились.

На передней панели в штатных местах установлены широкополосные динамические головки BA2, BA7 с дополнительным диффузором abhvs PIONEER TS-G1010. Электрическое сопротивление этих головок - 4 Ом, характеристическая чувствительность 90 Дб/Вт/м, полоса воспроизводимых звуковых частот 45...20000 Гц. АЧХ головок имеет значительный спад на частотах ниже 150Гц и выше 11кГц.

При установке головок в салоне автомобиля использованы проставки (втулки)различной высоты для их разворота вверх и в стороны от штатной установочной плоскости. По периметру головки акустически изолированы поролоном. Поскольку на нижних частотах фронтальные громкоговорители не работают, не потребовалось и дополнительное их акустическое оформление.

На стойках лобового стекла машины закреплены пьезокерамические диффузорные излучатели W-05 (BA1, BA7), обеспечивающие на расстоянии 50 см звуковое давление не менее 95 дБ (при напряжении 8 В). Диапазон воспроизводимых ими частот - 2000 до 30 000Гц, резонансная частота 22 000 Гц.

Для выравнивания АЧХ на высших частотах диапазона и получения нормальной звуковой картины высокочастотные излучатели развернуты в сторону лобового стекла и соответствующим образом сфазированы. Поскольку АЧХ излучателей имеет значительный спад на частотах ниже 9кГц, они подключены к усилителю непосредственно, без разделительных фильтров. Таким образом, фронтальные громкоговорители являются двухполосными с естественным разделением полос в области 10 кГц. Необходимо отметить, что пьезоизлучатели W-05 имеют великолепную импульсную характеристику.

Напольные громкоговорители работают в полосе частот ниже 260Гц и выше 6кГц. Эти самодельные двухполосные громкоговорители установлены под передними сиденьями. В них использованы динамические головки отечественного производства 20ГД3 (BA4, BA8 низкочастотные) и 2ГД36 (BA3, BA9 высокочастотные). Корпуса акустических систем имеют объём около 9 литров. Они выполнены из листов многослойной фанеры толщиной 12 мм , скрепленных с помощью брусков. Внутренние стенки корпусов оклеены поролоном. Динамические головки размещены на наклонной передней панели корпусов и излучают вперед-вверх.

Громкоговорители установлены таким образом, что высокочастотные излучатели находится ближе к дверям. В конструкцию входят также встроенные разделительные фильтры первого порядка с частотой среза 5кГц. Вследствие высокого сопротивления и пониженной чувствительности отдача высокочастотных головок невелика и они предназначены, главным образом, для создания диффузного звукового поля на высших частотах.

Тыловые громкоговорители работают в полосе частот 270...2500Гц Они состоят из двух встречно-параллельно включенных головок BA5, BA10 китайского производства, установленных под облицовкой задней полки автомобиля. Головки имеют электрическое сопротивление 6 Ом и характеристическую чувствительность порядка 84...86 дБ/Вт/м. Они подключены к фронтальным каналам по схеме, аналогичной схеме Хаффлера. Полосовой фильтр размещен на левой динамической головке. В качестве тыловых можно использовать отечественные динамические головки 3ГДШ18.

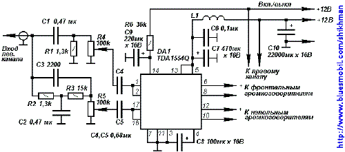
В описываемой аудиоустановке использован самодельный двухканальный двухполосный усилитель, конструктивно объединённый с разделительными фильтрами. Во фронтальном канале использован фильтр ВЧ первого порядка с частотой среза 260Гц, в напольном канале- режекторный Т-фильтр первого порядка с частотами среза 260Гц и 5кГц.. Усилитель выполнен на двух ИМС tdA1554Q, предназначенных для работы в каскадах, включенных по мостовой схеме, и имеет следующие технические характеристики (по данным производителя микросхем и результатам измерений): чувствительность - 0,5 В, входное сопротивление - 600 Ом, номинальное сопротивление нагрузки - 4 Ом, номинальная (максимальная) выходная мощность 4х15 (4х22) Вт) при коэффициенте нелинейных искажений 0,25 и 10% соответственно, полоса воспроизводимых частот - 30...16000 и 15...25000 Гц при неравномерности АЧХ соответственно -1 и -3 дБ., напряжение питания - 14,4 В, максимальный потребляемый ток - 14 А, ток покоя - 0,3 А, потребляемый ток в ждущем режиме - 0,001 А, готовность к работе при включении - 5 с.

Звук в автомобиле
Рис.6

Схема левого канала усилителя приведена на рис.6. Правый канал полностью ему идентичен. Элементы C1-C5 и R1-R5 образуют разделительные фильтры. Включение усилителя производится при подаче управляющего напряжения 12 В от магнитолы. При отключении от магнитолы усилитель переходит в ждущий режим. Основное напряжение питания не коммутируется, поскольку ток, потребляемый усилителем в ждущем режиме меньше тока саморазряда аккумулятора автомобиля. Цепь R6C9 обеспечивает задержку включения. Для фильтрации помех в цепях питания микросхем служат LC-фильтры. Конденсатор большой ёмкости C10 в фильтре питания предотвращает понижение напряжения на пиках мощности и установлен непосредственно в корпусе усилителя. Сигнал на вход подаётся по экранированному кабелю с байонетным разъёмом BNC.

Усилитель мощности собран на печатной плате, фильтры выполнены навесным монтажом. Микросхемы и плата размещены на дюралевом уголке - теплоотводе. Охлаждение микросхем усилителя - принудительное при помощи вентилятора от блока питания компьютера. Установлен усилитель в передней части салона на полке под перчаточным ящиком.

Если усилитель будет подсоединяться непосредственно вместо динамических головок магнитолы, уровень его сигнала следует регулировать очень осторожно, начиная с нулевого значения, чтобы не перегрузить входы микросхемы.

В том случае, когда аппарат, с которым предполагается использовать усилитель, имеет выходной каскад, выполненный по мостовой схеме, между его выходом и платой фильтров нужно включить оксидные конденсаторы емкостью 10 мкФ, причем к входным гнездам должны быть подключены их положительные выводы.

При монтаже усилителя могут быть использованы постоянные резисторы МЛТ-0,25 и переменные СП3-12а. Оксидные конденсаторы усилителя К50-18 (С10) и К50-24 (С7-С9), остальные - любые керамические. Катушка фильтра питания L1 намотана на кольцевом магнитопроводе размерами 20х10х8 мм из феррита 2000НН и содержит 5 витков монтажного провода с сечением внутренней жилы (без изоляции) 1...1,5 мм2.

Катушка L1 акустической системы намотана на стержне из феррита 2000НН диаметром 8 и длиной 20 мм и содержит 15 витков провода ПЭВ-1 1,0. Конденсаторы С1-С2 - КБГ-МН, С3.С4 - К50-24, резисторы ПЭВ - 5 Вт.

Литература

  1. Елютин А. Вопросы пола -, "Мастер 12 вольт" №1997/1998 с.20-23
  2. Елютин А. А нужен ли крепкий тыл -, "Салон AV" №3/1998 с.84-87
  3. Шихатов А. Пассивные регуляторы тембра - Радио, 1999, №1 с.14-15.
  4. Агеев С. Должен ли УМЗЧ иметь малое выходное сопротивление? - "Радио" №4/1997 с.14-16.

Публикация: www.bluesmobil.com/shikhman

 Рекомендуем интересные статьи раздела Искусство аудио:

▪ Новая профессия Лампочка Ильича

▪ Активные фильтры для сабвуферов

▪ Знакомьтесь: Микрофон

Смотрите другие статьи раздела Искусство аудио.

Читайте и пишите полезные комментарии к этой статье.

<< Назад

Последние новости науки и техники, новинки электроники:

Власть является ключевым фактором счастья в отношениях 11.03.2026

Исследования семейных и романтических отношений показывают, что длительное счастье пары зависит не только от привычных факторов, таких как доверие, уважение и преданность, но и от более тонких психологических аспектов. Современные ученые ищут закономерности, которые отличают действительно счастливые пары от остальных, чтобы понять, какие механизмы поддерживают гармонию в отношениях. Группа исследователей из Университета Мартина Лютера в Галле-Виттенберге и Бамбергского университета провела опрос среди 181 пары, которые состояли в совместных отношениях более восьми лет и прожили вместе хотя бы месяц. Участники заполняли анкету, описывая различные аспекты своих отношений, включая распределение обязанностей, эмоциональную поддержку и степень вовлеченности в совместные решения. Анализ данных показал интересный паттерн: пары, где оба партнера ощущали высокий уровень личной власти, оказывались наиболее счастливыми и удовлетворенными. В данном контексте под властью понимается способност ...>>

Защищенная колонка-повербанк Anker Soundcore Boom Go 3i 11.03.2026

Компания Anker представила новую модель линейки Soundcore - колонку Soundcore Boom Go 3i, ориентированную на активное использование на улице. Новинка отличается высокой степенью защиты: корпус соответствует стандарту IP68, что обеспечивает водо- и пыленепроницаемость, а ударопрочный дизайн выдерживает падение с высоты до одного метра. За качество звука отвечает 15-ваттный драйвер, обеспечивающий пик громкости до 92 дБ, а технология BassUp 2.0 усиливает низкие частоты, делая звучание более насыщенным. Колонка обладает автономностью до 24 часов, а LED-индикатор позволяет контролировать уровень заряда батареи. Кроме того, Soundcore Boom Go 3i может выполнять функцию павербанка: согласно внутренним тестам, устройство способно зарядить iPhone 17 с нуля до 40% за один час, что делает его полезным аксессуаром в походах и поездках. Среди функциональных особенностей модели стоит выделить технологию Auracast, которая улучшает подключение и позволяет создавать стереопару из двух колонок ...>>

Раннее воздержание от алкоголя перестраивает мозг и иммунитет 10.03.2026

Алкогольная зависимость - хроническое расстройство с компульсивным употреблением спиртного, которое влияет не только на поведение, но и на функционирование мозга и иммунной системы. Недавние исследования показали, что даже на ранних этапах воздержания организм начинает перестраиваться, открывая новые возможности для терапии зависимости. Ученые сосредоточились на пациентах, находящихся в первые недели абстиненции, и зафиксировали значительные изменения в мозговой активности. С помощью функциональной магнитно-резонансной томографии они выявили перестройку сетей нейронных связей, отвечающих за контроль импульсов и принятие решений. Эти изменения могут быть ключевыми для восстановления самоконтроля и снижения риска рецидива. Одновременно с нейронной перестройкой исследователи наблюдали колебания иммунной системы. В крови повышался уровень цитокинов - сигнальных белков, регулирующих воспалительные процессы. Эти данные свидетельствуют о существовании нейроиммунного взаимодействия, при ...>>

Случайная новость из Архива

Дилемма повторно закипяченой воды 30.07.2025

Вопрос о том, безопасно ли повторно кипятить воду, давно вызывает споры в быту и даже стал источником множества мифов. Многие привычно выливают остатки воды из чайника перед тем, как вскипятить новую порцию, полагая, что это обезопасит их от возможного вреда. Но действительно ли в этом есть необходимость, или мы зря растрачиваем ценный ресурс? Ответ на этот вопрос дали специалисты из немецкого Института Фрезениуса, одного из авторитетнейших научных центров в области санитарной химии.

Ученые провели оценку потенциальных рисков, связанных с использованием воды, уже прошедшей кипячение. Поводом для такого исследования стали многочисленные бытовые рекомендации, предостерегающие от повторного использования воды из чайника. Как выяснилось, эти советы основаны скорее на тревожности, чем на научных данных.

Распространенное опасение связано с тем, что в оставшейся в чайнике воде якобы размножаются бактерии. Однако специалисты подчеркивают: любое повторное кипячение полностью уничтожает возможные микроорганизмы, которые могли попасть в воду при контакте с воздухом. Таким образом, сам процесс кипячения по-прежнему остается самым надежным способом обеззараживания жидкости.

Другой аргумент, который часто выдвигают сторонники "свежей воды", - возможное вымывание вредных веществ из материалов, из которых изготовлен чайник. В частности, называют такие соединения, как никель или бисфенол-А. Однако исследование Института Фрезениуса не обнаружило каких-либо достоверных подтверждений тому, что при повторном нагреве эти соединения выделяются в опасных количествах. Все, конечно, зависит от качества самого прибора: дешевые и несертифицированные чайники могут представлять потенциальную угрозу, но это касается и первичного кипячения, а не только повторного.

Отмечается, что сам по себе процесс повторного кипячения не изменяет химический состав воды настолько, чтобы это имело значение для здоровья. Даже если концентрация некоторых растворенных веществ, таких как соли или минералы, немного возрастает при испарении, эти изменения слишком незначительны, чтобы оказать влияние на организм при нормальном потреблении воды.

Интересно, что склонность выливать остатки воды скорее объясняется социальными привычками и недоверием, чем обоснованными причинами. Ученые называют это "пережитком прошлого" - попыткой на всякий случай перестраховаться, не имея на то реальных оснований. Они подчеркивают, что современное общество должно стремиться к более рациональному использованию ресурсов, особенно таких жизненно важных, как вода.

Таким образом, мнение экспертов однозначно: повторно кипяченая вода, при условии использования качественного оборудования, не представляет угрозы для здоровья. Иными словами, если вы оставили воду в чайнике и решили снова ее нагреть - можете спокойно это делать, не опасаясь за последствия.

Другие интересные новости:

▪ Прибор следит за здоровьем пилота

▪ Бетон с наночастицами сделает воздух чистым

▪ 3D-печать внутри тела человека

▪ Носимые биосенсоры из старых компакт-дисков

▪ Жесткие диски высокой емкости Barracuda XT

Лента новостей науки и техники, новинок электроники

 

Интересные материалы Бесплатной технической библиотеки:

▪ раздел сайта Компьютерные устройства. Подборка статей

▪ статья Санитарно-технические требования к производственным помещениям и рабочим местам. Основы безопасной жизнедеятельности

▪ статья Существуют ли группы людей-великанов? Подробный ответ

▪ статья Функциональный состав телевизоров Crown. Справочник

▪ статья Тепловые насосы в общественных зданиях. Энциклопедия радиоэлектроники и электротехники

▪ статья Подключение к видеоприставке четырех джойстиков. Энциклопедия радиоэлектроники и электротехники

Оставьте свой комментарий к этой статье:

Имя:


E-mail (не обязательно):


Комментарий:





Главная страница | Библиотека | Статьи | Карта сайта | Отзывы о сайте

www.diagram.com.ua

www.diagram.com.ua
2000-2026