Menu Home

Бесплатная техническая библиотека для любителей и профессионалов Бесплатная техническая библиотека


Когда колонок больше, чем каналов...

Искусство аудио

Справочник / Искусство аудио

Комментарии к статье Комментарии к статье

Акустика к магнитоле обычно подключается по принципу "один канал - один динамик", однако существуют комбинированные способы подключения нагрузки. Они используют особенности построения мостовых усилителей современных магнитол и позволяют добиться более качественного звучания.

Предлагаемые решения не требуют серьезных затрат времени и средств и неоднократно проверены на практике. Для этого пригодны магнитолы с мостовыми усилителями большой мощности (выше 20 Вт на канал). Модели магнитол с двух- или четырехканальным усилителем малой мощности рассматриваться не будут - здесь "медицина бессильна".

Качество звучания даже недорогой магнитолы можно заметно улучшить. У большинства малогабаритных коаксиальных или широкополосных фронтальных громкоговорителей из-за неудачного акустического оформления НЧ составляющие сигнала вызывают перегрузку и искажения уже при среднем уровне громкости. Очевидно, что для устранения этого дефекта необходимо применить ФВЧ.

Хорошие результаты достигаются при использовании фильтров первого порядка с частотой среза порядка 90-180 Гц (в зависимости от характеристик головки и акустического оформления).

Другое решение - переход к разнесенной (компонентной) акустике, в этом случае мидбасовые головки можно установить в подобающее акустическое оформление. В этом случае удобно перейти к раздельному усилению (т.н. bi-amping), тогда появится возможность регулировать тональный баланс не только регуляторами тембра, но и соответствующим распределением мощности усилителей. При использовании готового комплекта двухполосной АС проще всего использовать штатный кроссовер, разделив входы ФВЧ и ФНЧ для подключения к фронтальным и тыловым каналам соответственно.

При частоте раздела 5...7 кГц, характерной при использовании недорогих ВЧ-головок, наилучшим образом проявят себя в таком включении магнитолы с неравным распределением мощности между фронтальными и тыловыми каналами (обычно 2х7 Вт фронт + 2х25 Вт тыл). У магнитол же с каналами равной мощности каналы, работающие на "пищалки" будут использовать не более трети своих возможностей.

В этом случае есть смысл подумать о снижении частоты раздела до 1,5...3 кГц, но для этого требуются ФВЧ высоких порядков и ВЧ-излучатели специальной конструкции с низкой частотой основного резонанса. Стоимость их немалая, поэтому трехполосная фронтальная АС в этом случае может оказаться даже дешевле, а возможности по настройке сцены у нее заметно шире.

Доступные СЧ- головки (или широкополосные в роли СЧ) с "мягким" диффузором диаметром до 13 см вполне можно использовать только с ФВЧ, не ограничивая полосу частот сверху, поскольку их АЧХ в рабочем диапазоне частот достаточно равномерна и плавно спадает на высоких частотах. Головки большего диаметра обычно обладают значительной неравномерностью АЧХ, в этом случае для СЧ- излучателей необходимо использовать полосовые фильтры.

НЧ-головки трехполосных систем при частотах раздела выше 500...800 Гц можно включать без ФНЧ, используя естественный спад АЧХ и особенности акустического оформления. Это позволит снизить потери на активном сопротивлении катушки фильтра. Однако головки с диффузорами высокой жесткости часто имеют несколько резонансов в области СЧ, создающих призвуки. В этом случае ФНЧ необходим.

На приводимых далее схемах приведены частоты среза, обеспечиваемые при наиболее распространенных стандартных номиналах конденсаторов. Пунктиром показаны необязательные элементы. В зависимости от структуры усилителей магнитолы схема подключения изменяется. Рассмотрим их "по старшинству".

Магнитолы с двухканальным усилителем и фейдером на выходе.

В эксплуатации находится еще немало таких "динозавров" выпуска середины 90-х годов. Характерная черта встроенных усилителей таких аппаратов - они рассчитаны на нагрузку 2 Ома и обладают солидным запасом мощности. Это связано с тем, что в среднем положении фейдера фронтальные и тыловые АС соединяются параллельно. Однако использовать совместно с ними компонентную акустику невозможно..

Причина проста - при введении фейдера увеличивается выходное сопротивление усилителя, что приводит к изменению частоты среза кроссоверов. Поэтому единственный возможный вариант использования усилителей таких аппаратов с современной акустикой - двухканальная конфигурация, при которой фейдер исключен из работы.

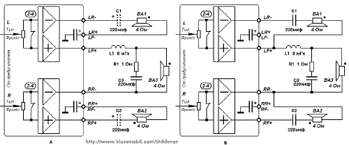
В таком варианте можно добавить сабвуфер, включив его по схеме "смешанное моно". Поскольку регулировать соотношение уровней фронтальной АС и сабвуфера невозможно, в зависимости от чувствительности примененных головок выбирается один из вариантов подключения (рис.1.).

Когда колонок больше, чем каналов
Рис.1

Вариант А используется в том случае, когда чувствительность фронтальных динамиков на 3-5 дБ выше, чем у сабвуфера. В этом варианте они подключены к усилителям не по мостовой, а по обычной схеме и подводимая к ним мощность не превышает 7 Вт/4 Ом. Для получения достаточной громкости фронтальной акустики желательно использовать высокоэффективные головки чувствительностью порядка 91-93 дБ.

Обратите внимание на их фазировку - один из "полуусилителей" инвертирующий, второй - неинвертирующий. Частота среза ФВЧ, образованного конденсаторами С1 и С2 может выбираться произвольно, однако наличие конденсаторов принципиально важно - они не пропускают на динамики постоянную составляющую с выхода усилителей. Фронтальные головки условно показаны широкополосными, но они могут быть коаксиальными или компонентными.

Вариант Б используется при близкой чувствительности всех головок. Наличие конденсаторов C1,C2 для нормального функционирования уже не обязательно, поскольку используется мостовое подключение. При отсутствии конденсаторов головки в полосе пропускания фильтра сабвуфера работают параллельно. Это приводит к снижению импеданса нагрузки до 2 Ом, но усилитель на это рассчитан. Для сабвуфера в обоих случаях используется фильтр второго порядка (C3L1R1).

Магнитолы с комбинированным усилителем.

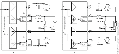
Усилитель этих магнитол можно использовать в двух вариантах - как двухканальный мостовой с максимальной мощностью 2х25 Вт или как четырехканальный с обычным подключением нагрузки и "виртуальной землей". Мощность при этом составляет 4х7вт. Самый известный представитель этого семейства - Sony 1253/1853. Для работы с сабвуфером также необходимо использовать двухканальную конфигурацию.

Когда колонок больше, чем каналов
Рис.2

Выбор схемы включения, как и в предыдущем случае, производится с учетом чувствительности головок. Для варианта А конденсаторы C1,C2 играют роль ФВЧ. От них можно отказаться, если примененные головки обеспечивают неискаженное воспроизведение низших частот. Отделение постоянной составляющей производится внутренними конденсаторами магнитолы.

Однако для варианта Б обязательно наличие двух ФВЧ для стереоканалов и ФНЧ для суммарного канала. Их задача - исключить параллельную работу головок на низких частотах. Поскольку на низких частотах импеданс головок практически равен их сопротивлению по постоянному току, отсутствие фильтров может привести к перегрузке усилителя, рассчитанного на нагрузку 4 Ом. Для стереоканалов используются фильтры первого порядка (C1,C2), для суммарного - второго (C3L1R1).

Возможен и другой вариант смешанного подключения нагрузки, но уже в рамках одного усилительного канала. Он удобен для подключения двух- или трехполосной акустической системы. Для НЧ-головки используется мостовое включение, а для СЧ/ВЧ или ВЧ - обычное. Переключатель режимов устанавливается в положение для четырехканальной конфигурации.

Когда колонок больше, чем каналов
Рис.3

Зависимость подводимой к головкам мощности от положения фейдера показана на рис.3.б. В процессе регулирования мощность на мостовой нагрузке снижается максимально на 6 дБ (в 4 раза), поскольку в крайних положениях фейдера схема сводится к обычной ("оставшееся без сигнала" плечо усилителя выполняет роль "виртуальной земли"). Следует учитывать, что в зоне совместного действия головок они оказываются соединенными параллельно, но, поскольку на этих частотах уже сказывается рост импеданса нагрузки из-за индуктивности звуковой катушки, реально перегрузка усилителя не возникает.

Магнитолы с усилителями разной мощности.

По такой схеме до сих пор выпускается ряд недорогих аппаратов: CD-ресивер TCH-77 (LG Electronics), магнитолы Daewoo AKF-4087X, AKF-4237X, AKF-4377X, AKF-8017X, Prology KX-2000R, ARX-9751/52, "Урал" (модели 206, 207, 208).

Мощные усилители моделей с каналами разной мощности выполнены по мостовой схеме, а менее мощные - по обычной. Помимо упоминавшегося варианта би-ампинга можно использовать традиционное или смешанное подключение фронтальных головок к более мощным тыловым каналам, а тыловую АС ("подзвучку"), не требующую большой мощности, подключить к фронтальным каналам по обычной схеме или схеме Хаффлера (с разностным сигналом).

Функции фейдера "фронт-тыл" поменяются местами, но к этому легко привыкнуть. Все сказанное выше относительно комбинированного подключения остается в силе, только исчезнет возможность регулировать соотношение мощностей по полосам во фронтальном канале.

Аналогично рассмотренным вариантам в данном случае по комбинированной схеме можно включить фронтальную акустику и сабвуфер, фейдер при этом регулирует уровень сигнала пищалок. Рабочие диапазоны частот фронтальных головок и сабвуфера не должны перекрываться, чтобы не вызвать перегрузку усилителя.

Когда колонок больше, чем каналов
Рис.4

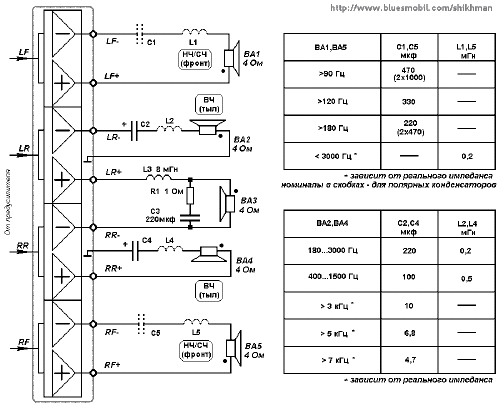
Магнитолы с четырехканальными мостовыми усилителями.

 Для четырехканальных мостовых усилителей, которыми снабжены практически все современные магнитолы, приведенные варианты включения АС можно комбинировать различным образом. Например, используя одновременно "смешанное моно" и обычную схему подключения (рис.5), можно подключить сабвуфер и "пищалки" или тыловые АС (с ограничением полосы частот), а оставшиеся каналы использовать для мидбаса или фронтальной АС.

Когда колонок больше, чем каналов
Рис.5

Другой вариант - трехполосная фронтальная АС с комбинированным подключением и подзвучка по схеме Хаффлера. Фейдер позволяет регулировать соотношение СЧ и НЧ, уровень ВЧ в процессе регулирования изменяется в пределах 6 дБ. Порядок подключения нагрузки выбран таким, что перегрузка усилителя не возникает даже при использовании НЧ-головок в полной полосе частот, а СЧ - только с ФВЧ, что делает эту схему особенно привлекательной - не нужно мотать катушки индуктивности.

Когда колонок больше, чем каналов
Рис.6.

Рекомендации

Поскольку используется инвертирующие и неинвертирующие выходы встроенного усилителя, обратите внимание на полярность подключения головок. В тех случаях, когда по схеме требуется соединение одного из выводов нагрузки с "массой", это необходимо делать на корпусе магнитолы или на "минусовом" проводе питания как можно ближе к ее корпусу. Соединение с "массой" автомобиля недопустимо!

 Для схем с мостовым вариантом подключения нагрузки в составе фильтров необходимо использовать неполярные оксидные (электролитические) конденсаторы. В крайнем случае их можно составить из двух полярных вдвое большей емкости, соединив их встречно-последовательно ("плюс" к "плюсу"), но качество звучания с неполярными конденсаторами выше. Конденсаторы небольшой емкости лучше использовать бумажные или полипропиленовые.

Расчет фильтра НЧ для сабвуфера производится обычным способом. Однако в конструкцию фильтра второго порядка желательно ввести резистор сопротивлением 1 Ом, как показано на схемах. Это снизит вероятность перегрузки усилителя магнитолы.

Частота раздела и порядок ФНЧ для сабвуфера выбираются в пределах 80...200 Гц в зависимости от места размещения низкочастотной головки. Если она размещена в задней части салона, частоту раздела следует выбирать как можно ниже, а порядок - выше, чтобы избежать воспроизведения сабвуфером "голосового" диапазона. Однако это требует изготовления поистине циклопических катушек индуктивности. С одной стороны, использовать в их конструкции ферромагнитные сердечники нежелательно, поскольку искажения, вызванные неизбежным намагничиванием сердечника, значительно ухудшают качество звучания.

С другой стороны, использование сердечника позволяет резко снизить активное сопротивление катушки и потери в ней, что особенно актуально при использовании встроенных усилителей магнитолы. Так что выбор нужно делать в каждом конкретном случае. Словом, вариантов много - была бы фантазия.

Публикация: www.bluesmobil.com/shikhman

 Рекомендуем интересные статьи раздела Искусство аудио:

▪ Горбатого могила исправит

▪ Запись музыки с компьютера на магнитофон

▪ Как правильно выбрать и испытать монитор

Смотрите другие статьи раздела Искусство аудио.

Читайте и пишите полезные комментарии к этой статье.

<< Назад

Последние новости науки и техники, новинки электроники:

Вкусовые пристрастия формируются еще в утробе 30.05.2026

Предпочтения человека к еде закладываются задолго до первого прикорма. Современная наука подтверждает, что ребенок начинает знакомиться с ароматами и вкусами пищи еще до рождения, через околоплодные воды. Новое международное исследование показало, что регулярное потребление определенных продуктов беременной женщиной может формировать долгосрочные пищевые предпочтения у ребенка, сохраняющиеся даже спустя годы после появления на свет. Ученые из университетов Великобритании, Франции и Нидерландов провели эксперимент с участием беременных женщин. Одной группе будущих мам давали капсулы с порошком капусты кейл, другой - с порошком моркови. Реакцию детей на эти запахи проверяли в три этапа: сначала в утробе матери с помощью 4D-УЗИ на поздних сроках беременности, затем в возрасте трех месяцев и, наконец, когда детям исполнилось три года. Результаты оказались весьма убедительными. Дети женщин, принимавших порошок кейла, положительно реагировали на запах этой капусты, но негативно - на ар ...>>

Монитор Philips 24B2D5300 с двумя экранами 120 Гц 30.05.2026

Компания Philips разработала интересное устройство, которое решает эту задачу элегантно и технологично. Новый монитор 24B2D5300 оснащен сразу двумя полноценными экранами - один спереди, другой сзади. Такая конструкция особенно востребована в банках, на рецепциях, в медицинских центрах и коворкингах, где важна прозрачность взаимодействия. Обе панели монитора представляют собой IPS-матрицы с диагональю 23,8 дюйма и разрешением Full HD (1920x1080 пикселей). Каждая из них поддерживает частоту обновления 120 Гц, что пока остается редкостью для бизнес-ориентированных моделей. Высокая частота обновления обеспечивает плавное изображение даже при динамичном контенте, делая работу за монитором более комфортной и презентации - более качественными. Пользователи могут выбирать между двумя основными режимами работы: дублирование одного и того же изображения на оба экрана или использование дисплеев как полностью независимых. Благодаря этому сотрудник может видеть на своей стороне рабочую информ ...>>

Цыплята из искусственного яйца, напечатанного на 3D-принтере 29.05.2026

Компания Colossal Biosciences, известная своими амбициозными инициативами по "воскрешению" вымерших животных, достигла важного прорыва. Специалистам удалось вырастить цыплят из полностью искусственного яйца, созданного с помощью 3D-печати. Эта технология рассматривается как значительный шаг на пути к возможному возрождению одного из самых впечатляющих представителей исчезнувшей фауны - гигантского моа. Южноостровной гигантский моа (Dinornis robustus) был одной из самых высоких птиц в истории Земли. Самки этого нелетающего родственника страусов могли вырастать выше двух метров и дотягиваться до пищи на высоте до 3,6 метра. Эти гиганты обитали в Новой Зеландии, однако полностью исчезли примерно в XV веке после активной охоты со стороны первых поселенцев-маори. Теперь Colossal Biosciences пытается вернуть подобных птиц в современный мир с помощью передовых биоинженерных решений. Искусственное яйцо, разработанное компанией, состоит из титановой решетчатой оболочки, изготовленной на 3 ...>>

Случайная новость из Архива

Смартфоны быстрее заряжаются и понимают голос 24.02.2013

Крупный производитель чипов Qualcomm объявил о разработке технологии Quick Charge 2.0, которая позволяет на 75% сократить время зарядки аккумуляторов в смартфонах и планшетах. Чтобы реализовать потенциал новой технологии, необходимо, чтобы она поддерживалась как самим мобильным устройством, так и его зарядником. В устройстве технология может присутствовать как отдельная интегральная схема или как часть интегральной схемы, отвечающей за питание процессоров семейства Snapdragon 800.

Новые 4-ядерные чипы Snapdragon 800 для мобильных устройств были анонсированы в январе. По сравнению со Snapdragon S4 они несут увеличенную производительность на ватт потребляемой мощности и встроенный графический контроллер Adreno 330 с удвоенной скоростью работы. В лабораторных тестах при использовании Quick Charge 2.0 инженерам Qualcomm удалось сократить время зарядки планшетов с 7 до менее 3 часов, сообщили в пресс-службе.

Quick Charge 2.0 является преемницей технологии Quick Charge 1.0. В прошлом году на рынок вышло свыше 70 моделей устройств с этой технологией. По сравнению с решением первого поколения новая технология обеспечивает еще более высокие результаты и является более гибкой, пояснили в компании.

Технология Quick Charge 2.0 обратно совместима с Quick Charge 1.0, поэтому к ней подойдут зарядники с поддержкой Quick Charge 1.0. Но для того чтобы реализовать потенциал технологии, необходимо будет использовать и само устройство, и зарядник с поддержкой технологии второго поколения. Кроме того, поддержка второй версии вскоре будет встроена в стандартные micro-USB-зарядники, которые можно будет купить в любом магазине, пообещали в Qualcomm. Благодаря мощности в 60 Вт использовать их можно будет, в том числе, для зарядки небольших ноутбуков.

Помимо новой технологии зарядки, Qualcomm представила еще одну встроенную технологию процессоров Snapdragon 800 - энергоэффективную функцию непрерывного анализа звуковых волн и вычленения голосовой команды на пробуждение.
Snapdragon Voice Activation является первой в мире интегрированной процессорной функцией, которая работает всегда и потребляет незначительную часть заряда, заявили в пресс-службе компании.

Производители смартфонов с процессорами Snapdragon 800 смогут определить пробуждающее слово. Когда телефон "услышит" его, находясь в любом состоянии, он "проснется" и активирует систему голосового управления. Технология является безопасной, уверил разработчик, так как она реагирует только на голос владельца устройства.

Другие интересные новости:

▪ Люди с синестезией лучше различают запахи

▪ Удаление царапин с автомобиля солнечным светом

▪ Учебники должны читаться с трудом

▪ Умный браслет проследит за составом пота

▪ Ноутбук управляется с помощью глаз

Лента новостей науки и техники, новинок электроники

 

Интересные материалы Бесплатной технической библиотеки:

▪ раздел сайта Искусство аудио. Подборка статей

▪ статья Как яблочко румян. Крылатое выражение

▪ статья Кто первым создал водородную бомбу? Подробный ответ

▪ статья Работа с ручным деревообрабатывающим инструментом. Типовая инструкция по охране труда

▪ статья Аппертуры для кожи. Простые рецепты и советы

▪ статья Биомасса: чистая энергия для будущего. Энциклопедия радиоэлектроники и электротехники

[an error occurred while processing this directive] Оставьте свой комментарий к этой статье:

Имя:


E-mail (не обязательно):


Комментарий:





Главная страница | Библиотека | Статьи | Карта сайта | Отзывы о сайте

www.diagram.com.ua

www.diagram.com.ua
2000-2026