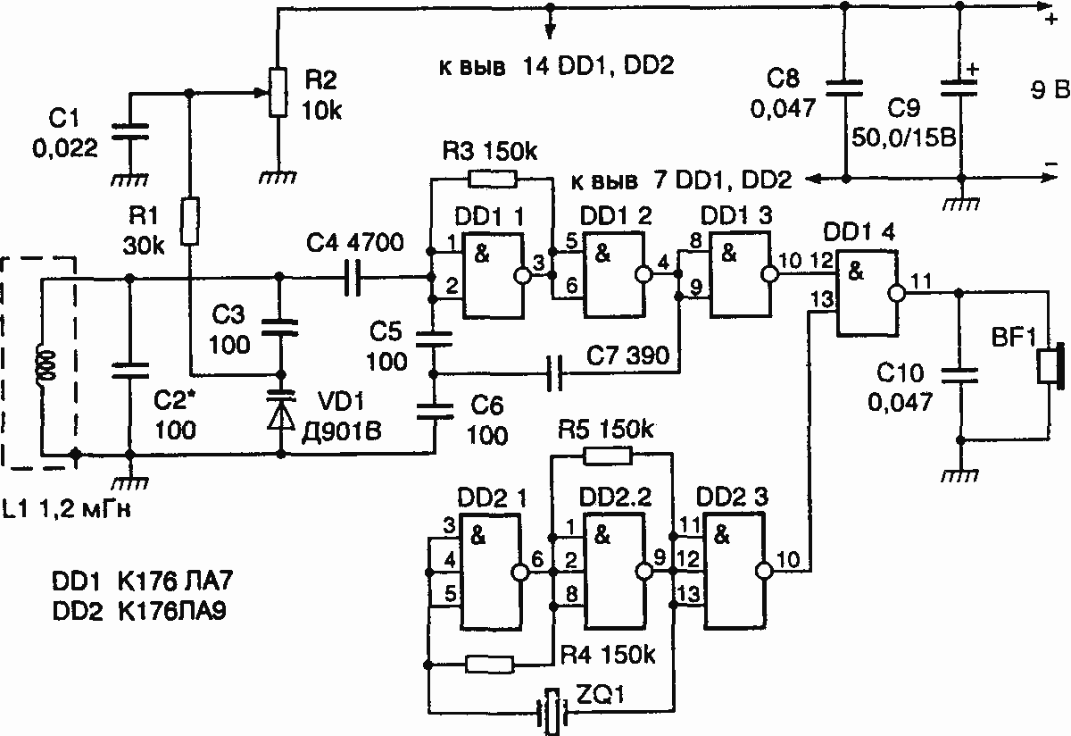
Металлоискатель повышенной чувствительности. Шпионские штучки

Металлоискатель повышенной чувствительности