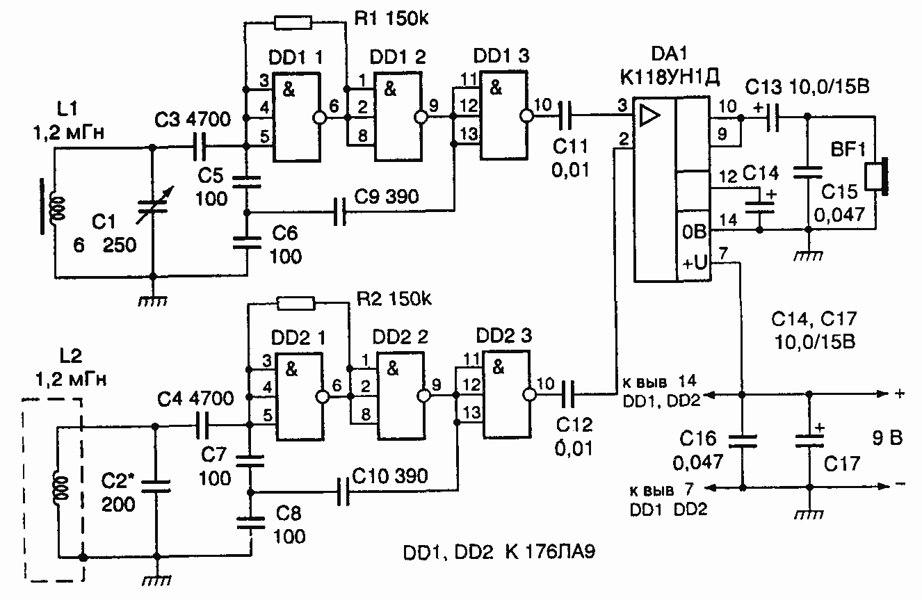
Металлоискатель на двух микросхемах. Шпионские штучки

Металлоискатель на двух микросхемах