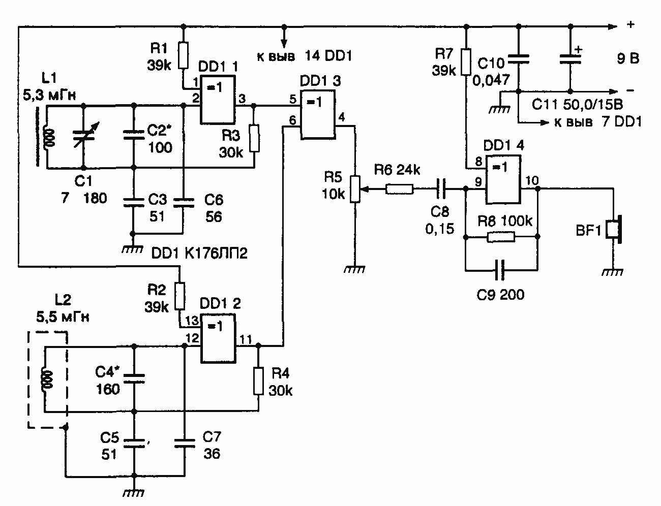
Металлоискатель на одной микросхеме. Шпионские штучки

Металлоискатель на одной микросхеме